Abstract
As an important hub equipment in the power system, the power transformer has increasingly higher requirements for its reliability and safety with the rapid development of the power industry. However, the vibrations and noise generated during its operation not only cause a series of issues such as loose windings, core wear, and fatigue of fasteners, but also lead to anxiety and unease among nearby residents, severely affecting their physical and mental health. Therefore, the generation mechanism and control measures of vibration and noise in power transformers have attracted extensive attention from scholars. The magnetostrictive effect of silicon steel sheets is one of the important factors in the causes of transformer vibration and noise. This paper focuses on the magnetostrictive effect of silicon steel sheets. Firstly, the micro mechanism of magnetostriction is introduced. Secondly, based on current research status, the vibration and noise mechanism caused by magnetostriction are summarized, and the influencing factors, measurement, modeling, and noise reduction methods based on magnetostriction are summarized. Finally, based on the current research status and future development trends, prospects are proposed, aiming to provide references for subsequent research on transformer vibration and noise.
1. Introduction
As an important hub equipment in the power system, the power transformer is a crucial component of the thirteen categories of transmission and transformation facilities. The operational reliability of transformers is closely related to the safety and stability of the entire power system. Once a fault occurs and damages the transformer, the impact can be extensive, potentially resulting in significant economic losses and societal consequences. However, in the national forced outage rate of thirteen types of transmission and transformation facilities in 2021, the reactor, transformer, and circuit breaker ranked top three in terms of outage rate, mainly due to equipment failures [1,2].
The structure of the power transformer can be classified into five types of faults: winding faults, iron core faults, tap switch faults, insulation faults, and cooling equipment faults. The cooling equipment faults involve equipment beyond the main body of the power transformer, so this article only discusses the first four types of faults. The causes of these four types of faults are mainly divided into internal factors and external factors. Internal factors include defects in equipment components, equipment aging, long-term vibration and noise during operation, and local overheating. External factors have a wider range, such as changes in temperature and humidity in the working environment of the transformer caused by changes in the external natural environment; the Ferranti effect in the power grid can cause excessive voltage in the secondary winding of the power transformer, resulting in damage [3]. Factors such as harmonics, resonance, and increased nonlinear loads can cause overvoltage problems in the power grid. However, whether it is internal factors or external factors, they are interrelated. The vibration and noise problems studied in this article will lead to a series of faults, as shown in Figure 1. In addition, the low-frequency noise generated by the vibration can cause anxiety and unease among nearby residents, significantly affecting their physical and mental health. According to the conclusions of study [4], the vibration and noise of transformers are mainly caused by the vibration of the iron core, which is induced by the Maxwell force at the joint of the silicon steel sheets and the magnetostrictive effect of the silicon steel sheets. Among them, the magnetostrictive effect of the silicon steel sheets is the main source of vibration. Therefore, in order to ensure the reliable operation of transformers, the safety of power supply, and the physical and mental health of residents, the study of transformer vibration and noise caused by magnetostriction has attracted the attention of researchers from various countries [5,6].
Figure 1.
Faults caused by long-term vibration of transformer.
This article focuses on the vibration and noise caused by magnetostrictive effect in transformers. Firstly, the micro-mechanism of magnetostriction is introduced. Secondly, based on the existing research, the manifestations of vibration and noise caused by magnetostriction in transformer core vibration are summarized. This article focuses on the magnetostrictive effect itself, summarizes the influencing factors of magnetostriction, and categorizes them into mechanical stress, processing technology, and different working conditions. It summarizes the measurement and modeling of magnetostriction and concludes with noise reduction methods based on magnetostriction. Based on the current research status and future development trends, this paper presents a prospect, including the mutual influence between windings and iron cores, the application of emerging methods, and noise reduction methods based on transformer modal characteristics. This paper provides a detailed review of the magnetostrictive effect of silicon steel sheets and the transformer vibration and noise caused by magnetostriction, and summarizes the future development directions.
This paper comprehensively summarizes the magnetostrictive expansion and contraction, transformer vibration, and noise of silicon steel sheets. The purpose is to provide scholars in related fields with a more comprehensive understanding of the vibration and noise generated by magnetostrictive effect through reading this paper, and to provide research ideas for their subsequent scientific research; and to enable producers in related fields to optimize production and manufacturing through reading this paper.
2. The Microscopic Mechanism of Magnetostriction
There are significant differences in the design and application requirements between transformers and rotating motors. Transformers operate in a stable and stationary state, with the goal of ensuring efficient energy transmission. Conversely, motors typically operate in a rotating state, with the goal of converting mechanical energy into electrical energy and vice versa. In addition to focusing on energy transmission efficiency, they also focus on performance indicators such as torque and moment of inertia. From a magnetic performance perspective, the grain arrangement of GO presents a specific orientation, making it have superior magnetic performance in a certain direction, while the grain orientation distribution of NO is uniform, making it easily magnetized at various angles during rotation. From a loss perspective, due to differences in working principles and application requirements, transformers have stricter requirements for losses. Due to the more consistent grain orientation in a certain direction, GO can further reduce hysteresis losses, making it more commonly used in the field of transformers. From a manufacturing process perspective, the manufacturing process of GO is more complex and expensive than that of NO, but its excellent magnetic performance and loss characteristics make it more cost-effective in transformer manufacturing. Therefore, go is mainly used in transformer manufacturing, while no is mainly used in motor and generator manufacturing [7,8]. The comparison between the two is shown in Table 1.
Table 1.
Comparison of non-oriented and oriented silicon steel.
J. P. Joule discovered the magnetostrictive effect, also known as the Joule effect, in 1842. When a magnetic material is magnetized, its dimensions and volume undergo changes, which are referred to as magnetostriction. During the magnetization process, only the movement of magnetic domain walls and the rotation of magnetic moments occur, while the volume of the material remains unchanged, which is referred to as linear magnetostriction. In contrast, ferromagnetic materials experience a change in volume during the magnetization process, known as volume magnetostriction. Only under extremely high external magnetic fields will ferromagnetic materials exhibit a small amount of volume magnetostriction. Therefore, under normal excitation, the magnetostriction of ferromagnetic materials can be solely considered as linear magnetostriction [9,10]. The measurement method for magnetostrictive effect of silicon steel sheets is established in the IEC60404 report [11], which sets forth the relevant standards. The physical quantity that describes the magnitude of the magnetostrictive effect is defined as the magnetostrictive coefficient:
where λ represents the magnetostrictive coefficient, lB represents the length of the silicon steel sheet when the magnetic flux density is B, and l0 represents the length of the silicon steel sheet without the application of a magnetic field.
According to existing theories and experimental evidence, from a microscopic perspective, there are many small regions called magnetic domains within ferromagnetic materials. Ferromagnetic materials generate magnetic domains below the Curie temperature. In the absence of an external magnetic field, the magnetic domains within the magnetic material are randomly arranged. From a macroscopic perspective, the magnetic material does not undergo any changes in size or volume. However, when the magnetic material is subjected to an external magnetic field, most of the internal magnetic domains align in the same direction due to the magnetic field. From a macroscopic perspective, the magnetic material exhibits elongation or contraction along the magnetization direction. Nevertheless, the volume of the magnetic material always remains constant [9]. As the external magnetic field increases, the number of movable magnetic domains in silicon steel gradually decreases, resulting in the saturation of magnetic properties. The phenomenon of magnetostriction also exhibits a saturation trend, as shown in Figure 2, the microstructural diagram of magnetostriction.
Figure 2.
The microscale schematic diagram of magnetostriction. The arrows represent the directions of the magnetic domains.The dashed line represents the dimensional change along the direction of magnetization.
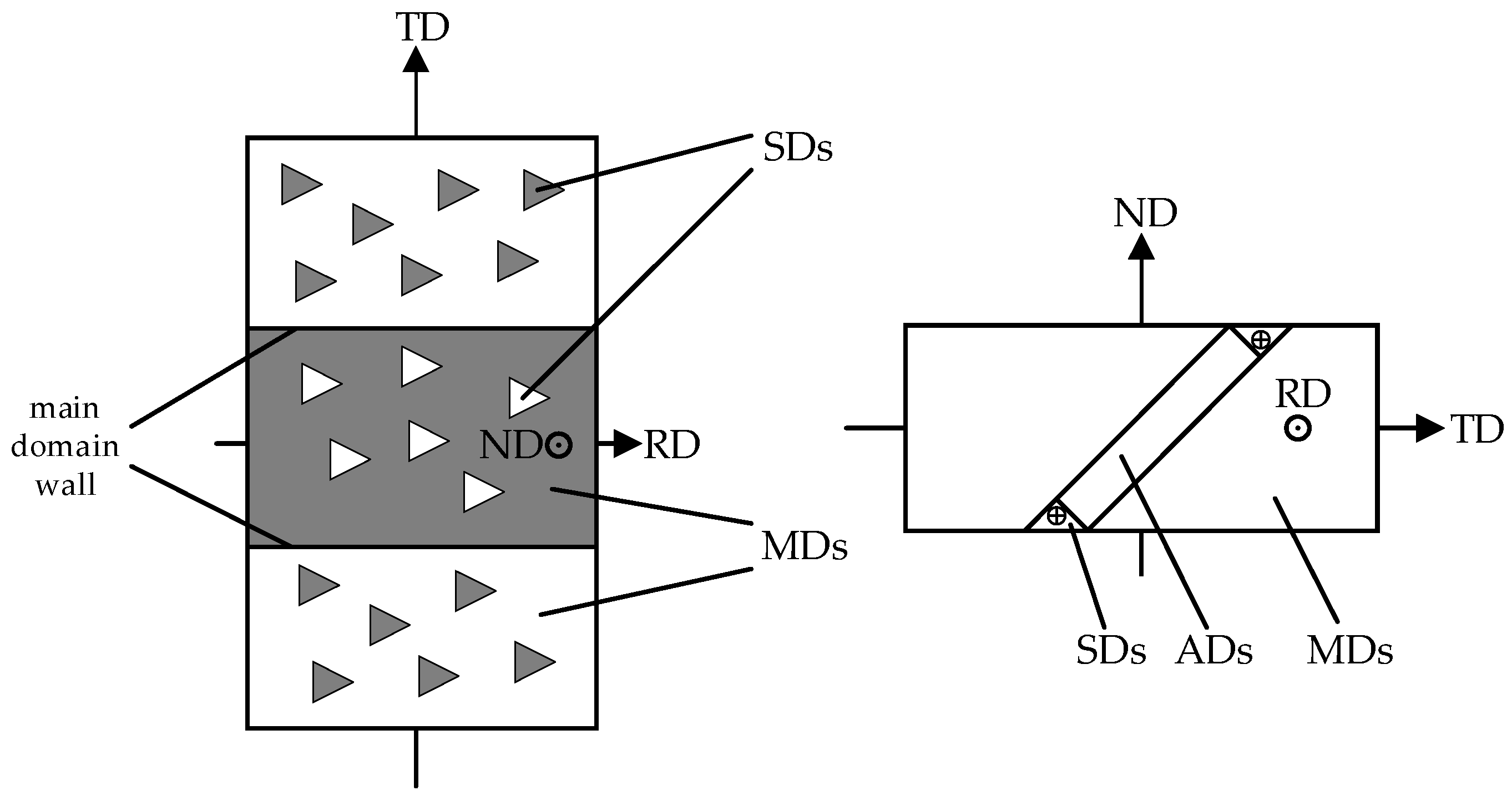
The reason why grain-oriented silicon steel can be widely used in transformer cores is because the regular arrangement of its grains alters its internal magnetic domain structure, resulting in improved performance. Therefore, it is necessary to have a clear and intuitive understanding of its internal magnetic domain structure. Imamura M and Sasaki T et al. [12] obtained more precise magnetic domain structures and internal variation processes through observation. The magnetic domain of GO is composed of strip-shaped main domains (MDs) and subdomains. The subdomains are located inside the MDs, and the subdomains are composed of two Lancets subdomains (SDs) and an acclivitous subdomain (ADs) connecting the SDs. The ADs form a 45° angle with the surface of the GO, as shown in Figure 3. In order to better understand the magnetic domain structure in space, the movement direction of the silicon steel sheet is RD (rolling direction), the normal direction of the surface in contact with the rolling tool is ND (normal direction), and the direction perpendicular to the remaining two directions is TD (transverse direction).
Figure 3.
Magnetic domain structure diagram of grain-oriented silicon steel.
The MDs are arranged along the rolling direction, and the magnetic moment is parallel to the RD and the main domain wall is 180°, which is also one of the reasons why the go loss is smaller. During the magnetization process, the changes in the SDs and the ADs lead to magnetostriction.
According to the observational findings of M. Imumara et al., when there is no prestress, during the magnetization process of oriented silicon steel sheets, with the increase of magnetic induction intensity, The magnetic domain evolution with the variation of magnetic field intensity is shown in Figure 4. In the first stage, as the magnetic induction intensity increases from 0, the magnetic domain walls of the main domain fuse, the density of SDs gradually increases, and the size of SDs increases, while ADs are compressed. At this time, the magnetostriction value of the silicon steel sheet along the magnetization direction shows a negative value, and the silicon steel sheet exhibits shrinkage macroscopically. In the second stage, the magnetic induction intensity corresponds to the complete disappearance of the magnetic domain wall. At this time, the size of SDs reaches the maximum value, and the magnetic induction intensity corresponds to the inflection point of the magnetostriction change curve. In the third stage, the size of SDs will gradually decrease, ADs will be elongated, and the magnetostriction will change from negative to positive, and the silicon steel sheet will elongate along the magnetization direction [13].
Figure 4.
Change of magnetic domain.
3. Vibration and Noise Caused by Magnetostriction
The core of a power transformer is formed by stacking and assembling well-cut silicon steel plates on a core stacking table. The use of the advanced lamination method, along with the application of weft-free adhesive tape for binding production, results in the primary vibration of the transformer being caused by the magnetostrictive effect of the silicon steel sheets [14]. This section will be based on the magnetostrictive characteristics of oriented silicon steel sheets. Firstly, the characteristics of magnetostrictive elongation of silicon steel sheets under 50 Hz sinusoidal excitation will be analyzed. Then, by analyzing the vibration and noise at different positions of the transformer core, the mechanism of core vibration and noise caused by magnetostrictive elongation will be obtained. This will provide a certain reference value for the study of transformer vibration and noise generation, vibration signal analysis and acquisition, and other aspects.
Zhang [15] performs the measurement of magnetostrictive strain in non-oriented and grain-oriented electrical steel sheets under sinusoidal excitation. The experimental results reveal that the magnetostrictive principal strain vector changes with the magnitude and direction of magnetic field applied, and that it has the anisotropic property. Furthermore, for an NO, the elongated principal strain vector lags behind the alternating B vector applied, as shown in Figure 5a,b. The maximum principal strain for both NO and GO steels is along the RD, but for NO, the maximum principal strain along the RD is of elongation due to positive strain value, while for GO, the maximum principal strain along the RD is contractive, as shown in Figure 5c,d.
Figure 5.
Magnetostrictive strain in GO and NO under different magnetization conditions. The red arrow represents the direction of magnetization, and the purple arrow represents the direction of elongation (magnetostriction is positive); The blue arrow shows the shortened direction (magnetostriction is negative).
Zhang et al. [16] conducted measurements on oriented silicon steel sheets under a sinusoidal excitation of 50 Hz. The magnetostrictive butterfly curves under different magnetic flux densities were obtained, and the magnetostrictive behavior in the RD and TD (transverse direction) was analyzed in both time and frequency domains. It was found that when the magnetic flux density is less than the magnetic saturation value of the silicon steel sheet, the magnetostrictive effect is mainly concentrated at 0 Hz and 100 Hz. When the magnetic flux density exceeds the magnetic saturation value of the silicon steel sheet, the time-domain waveform of magnetostriction will exhibit certain distortions, and the magnetostriction will increase in the 200 Hz component. It is observed that the peak value of magnetostriction in the TD is larger when magnetized along the RD and TD separately. The presence of rotating magnetic flux is observed at the corners and “T” shaped regions of the transformer. Therefore, when analyzing and calculating the vibration of the iron core in power equipment, the magnetostrictive effect perpendicular to the rolling direction cannot be ignored, as shown in Figure 6a,b.
Figure 6.
Position and schematic diagram of rotating magnetic flux.
He et al. [14] conducted measurements on the directional silicon steel sheets in the RD, TD, and at an angle of 45 degrees to the RD, referred to as the A Weighted Velocity (AWV) noise. The results revealed that at the same magnetic density, the AWV noise is minimal along the RT, slightly increased in the 45° direction, and maximum in the TD. The growth rate of the AWV noise value is not affected by the sample saturation level. This is because, with the occurrence of saturation phenomenon, the increase of harmonics in the magnetostrictive waveform leads to an increase in the AWV noise value. It can be observed that there is a correlation between the noise value and the magnetostrictive characteristics. Furthermore, measurements of vibration acceleration were conducted on the five measurement points shown in Figure 7 to verify the correlation between the magnetostrictive behavior of silicon steel sheets and the vibration of the iron core.
Figure 7.
Acceleration measurement point.
Through the analysis of the acceleration time-domain and frequency-domain of the measurement points, it can be determined that the vibration signal of the iron core is a periodic signal with a frequency of 100 Hz, which is consistent with the periodic signal of magnetostriction. The time-domain vibration signals at each point are not standard sine waveforms, but are composed of various signals superimposed, as shown in Table 2.
Table 2.
Vibration results of different measurement points.
By analyzing the vibration acceleration and frequency domain of each point, the following conclusions can be obtained:
- (1)
- High-order harmonics of 450 Hz and 650 Hz have been observed in the iron core joint region (point 3 and 4). This phenomenon is likely attributed to the combined effects of rotational magnetic flux at the joint and electromagnetic forces between the gaps.
- (2)
- The vibration acceleration effective value perpendicular to the surface of the iron core (at points 1 and 3) is higher than the vibration acceleration parallel to the surface of the iron core (at points 2, 4, and 5). This is because the silicon steel sheet in the iron core is mainly magnetized in the RD, and the direction of magnetostriction coincides with the RD, However, both ends of the silicon steel sheet are subjected to six degrees of freedom constraints. Therefore, the deformation caused by magnetostrictive elongation cannot be released at both ends, resulting in bending and torsional deformation in the middle of the silicon steel sheet. Therefore, the vibrations perpendicular to the surface of the iron core are caused by the combined effect of magnetostrictive deformation in the RD of the silicon steel sheet and deformation at the joints, while the vibrations parallel to the surface of the iron core are solely caused by the magnetostrictive deformation of the silicon steel sheet.
- (3)
- In the same direction, the vibration in the central region of the iron core is significantly smaller than the vibration in the joint region (point 1 < point 3, point 2 < point 4). The silicon steel sheets in the central region of the iron core are magnetized in the TD, while the joint region experiences rotational magnetic flux, which magnetizes the silicon steel sheets in the TD. The magnetostrictive value in the TD is greater than that in the RD, and there is a certain electromagnetic force at the joint.
It can be seen that the vibration and noise of core have a close correlation with magnetostriction. Magnetostriction is influenced by numerous factors, The changes in magnetostrictive deformation of silicon steel sheets will further affect the vibration and noise of transformers. Studying the mechanisms of these influencing factors is an indispensable step in researching transformer vibration and noise.
4. Factors Influencing the Magnetostriction
The magnetostriction and magnetization characteristics of silicon steel sheets under different service conditions, such as power frequency, harmonic, DC bias, and non-sinusoidal excitation, are different. In addition, during long-term operation of transformers, the silicon steel sheets may undergo changes in residual stress and surface quality, which can also result in alterations to their magnetostrictive properties, thereby affecting the overall vibration and noise of the transformer. Therefore, it is necessary to study the factors that affect magnetostrictive deformation. This section will discuss the influence of mechanical stress, different working conditions, and processing techniques on the magnetostrictive behavior of silicon steel sheets based on the current research status. It provides a reference for more accurate estimation of the transformer vibration and noise caused by the magnetostrictive behavior of silicon steel sheets; the research methodology of this section is shown in Figure 8.
Figure 8.
The research methodology of Section 4.
4.1. The Influence of Mechanical Stress on Magnetostriction
Silicon steel sheets are widely used in electromagnetic devices such as power transformers and rotating machinery. The prolonged continuous operation of silicon steel, along with heat treatment and surface treatment, can lead to the generation of residual stress and changes in the material’s surface quality, thereby significantly affecting the performance of silicon steel [17]. From a microscopic perspective, the application of stress will cause changes in the width of the main domains, the size of the subdomains, and their distribution density in silicon steel sheets, thereby affecting their magnetostrictive strain. It has been shown in early studies that silicon steel sheets are affected by mechanical stress during equipment operation. Mechanical stress can impact the magnetostrictive properties of silicon steel, leading to local overheating and vibration, thereby affecting the overall operation of the equipment [18]. Therefore, comprehensive measurement and mathematical modeling of the magnetostrictive performance of silicon steel under mechanical stress play a crucial role in the accurate simulation of electromagnetic devices made from silicon steel cores.
Research on magnetostrictive materials started earlier—Professor Anthony John Moses and his team in the UK have made significant achievements in the field of magnetostrictive silicon steel. In 1979, the team conducted research on the magnetic properties of high permeability materials under external stress. It was found that the presence of stress would decrease the magnetic permeability and increase the losses. However, at that time, quantitative research on the magnetostrictive properties was not conducted due to limitations in measurement equipment [19]. In the year 2000, the team designed a magnetostrictive measurement device capable of rapidly evaluating the magnetic permeability and loss under different stresses [20]. In 2007, they conducted measurement analysis on the magnetostrictive characteristics of silicon steel under different stresses and found that the presence of a coating on the surface of the silicon steel greatly reduces the harm of stress on the magnetostrictive behavior [21]. In 2009, the team analyzed the issues faced in magnetostrictive measurement under different stresses and in 2010, they studied the influence of coating stress on magnetostrictive behavior, with a detailed investigation into the local static stress present in the iron core [22].
In 2012, Zhu et al. from Hebei University of Technology established a numerical model for electromagnetic–mechanical vibration coupling considering the magnetostrictive characteristics of the iron core based on different stress-induced magnetization curves [23]. In 2019, Zhu’s team used a measurement device that complied with the IEC standard to apply different mechanical stresses to oriented silicon steel sheets under sinusoidal excitation, and conducted measurements of magnetization and magnetostrictive data. The experimental results showed that when the silicon steel material was subjected to tensile stress in the rolling direction, it was beneficial to reduce the magnetostrictive coefficient of the ferromagnetic material. Conversely, when it was subjected to compressive stress, the magnetic domain motion often exhibited a larger rotation angle, resulting in a larger magnetostrictive displacement under the same magnetic field excitation [17]. In the year 2020, Li et al. from Hebei University of Technology designed and fabricated a symmetrical magnetizer for Large Cross-shaped Single Sheet Tester (LCSSST) with cross-shaped specimens. They conducted a study on the influence of uniaxial stress in different directions on the alternating magnetic properties of non-oriented silicon steel sheets. The research results indicate that uniaxial stress affects the magnetic characteristics of silicon steel sheets, including magnetic hysteresis loops, relative magnetic permeability, and so on. The tensile stress along the RD and the compressive stress along the TD both contribute to an increase in the relative magnetic permeability of RD [24]. In 2022, Zhao et al. from North China Electric Power University constructed a comprehensive magnetic measurement platform for soft magnetic materials. Firstly, they measured the influence of tensile and compressive stresses in the rolling direction on the magnetostrictive, hysteresis loop, and iron loss characteristics of oriented silicon steel sheets under power frequency. Subsequently, they conducted in-depth research on the comprehensive magnetic properties of silicon steel sheets under different frequencies and stresses. The following conclusions can be drawn: the magnetostrictive effect of GO is less affected by tensile stress at the same frequency, but more affected by compressive stress; under tensile stress, the magnetostrictive effect Increases with increasing frequency; however, under no stress or compressive stress, higher frequency has an inhibitory effect on the magnetostrictive effect [25].
4.2. The Influence of Processing Techniques on Magnetostriction
The preparation process of silicon steel mainly includes smelting, casting, pickling, cold rolling, and annealing. Smelting can reduce impurities in the metal or increase the content of metal elements. This step will affect the silicon content and the content of other elements in the silicon steel, thereby affecting the magnetostrictive properties of the silicon steel sheet. Casting and other processes can reduce surface defects and improve magnetic properties of materials. Among them, annealing is an essential treatment process in the preparation of silicon steel, which affects the final texture type and content of the product and determines the quality of the magnetic properties of the finished product [26]. The magnetostrictive effect is related to the annealing temperature of silicon steel sheets. If the magnetostrictive effect of the silicon steel sheet is positive, then its magnetostrictive value will decrease after annealing. If the magnetostrictive effect of the silicon steel sheet is negative, then its magnetostrictive value will increase after annealing. Sometimes, annealing treatment can cause the magnetostrictive effect to change from positive to negative. The size of magnetostrictive effect in silicon steel sheets is related to the thickness of the sheets, i.e., the magnetostrictive displacement increases with the increase in the thickness of the silicon steel sheets [27]. The insulation coating of silicon steel sheets plays an important role in reducing the vibration of transformers. For transformers that operate for a long period of time, the deterioration of the insulation coating on different positions of the silicon steel sheets varies [28]. As mentioned in the previous section, the magnetostrictive effect of oriented steel sheets is less affected by tensile stress under certain conditions, but more affected by compressive stress. If an insulation coating is added during the production process of silicon steel sheets, it will create tension on the surface of the sheets and generate beneficial tensile stress in the rolling direction. This force can effectively reduce the magnetostrictive displacement [29].
4.3. The Magnetostriction of Silicon Steel Sheets under Different Operating Conditions
With the rapid development of HVDC transmission projects and the widespread application of power electronics technology, the problem of electric energy distortion caused by harmonics, inter-harmonics, and DC bias has become widely prevalent in power systems. Power transformers may also operate under non-sinusoidal conditions, and the characteristics of silicon steel laminations’ magnetostriction may vary, thereby affecting the vibration and noise of the transformer. This section provides a comprehensive review of the magnetostrictive behavior of silicon steel sheets under the excitation of third harmonic and DC bias, based on domestic and international research achievements. It serves as a reference for accurately evaluating the vibration and noise of transformers under actual operating conditions.
4.3.1. The Magnetostriction of Silicon Steel Sheets under Tri-Harmonic Excitation
During the experimental measurement, the magnetic flux density applied to the specimen is controlled into a distortedly sinusoidal waveform, including a 50 Hz fundamental component and a 150 Hz third harmonic, with a phase angle. The results revealed that with an increase in the content of the third harmonic component, there was a slight increase in the peak value of magnetostriction in the silicon steel sheet. This increase led to an increase in the second harmonic (100 Hz) and fourth harmonic (200 Hz) components of magnetostriction. When other conditions remain unchanged, an increase in the phase angle of the third harmonic will result in a decrease in the magnetostrictive second harmonic and fourth harmonic, with the second harmonic decreasing at a faster rate than the fourth harmonic. Therefore, it can be concluded that the influence of the third harmonic on vibration acceleration is mainly achieved through the sum frequency and difference frequency components of the third harmonic and fundamental frequency [15,16,30,31].
4.3.2. The Magnetostriction of Silicon Steel Sheets under DC Bias
Transformer DC bias, that is, the occurrence of DC current in the transformer winding, the occurrence of DC magnetic flux and magnetic potential in the iron core, causing the transformer to operate in a non-normal working state: under DC bias, the working voltage of the transformer will shift, the iron core will be in an over-saturated state, and the excitation current will increase, causing obvious distortion. The mechanism of DC bias generation is as follows: when a direct current flows through the winding of a transformer, the direct current magnetic flux and the alternating current magnetic flux in the iron core superimpose, resulting in an increase in the magnetic induction intensity during the half cycle with the same direction as the direct current magnetic flux. The half-wave with opposite direction, the decrease in magnetic induction intensity, the corresponding excitation current generates distortion, and the increase in harmonic components can be seen in Figure 9. DC biasing can lead to an increase in temperature and vibration of the iron core of a power transformer. Therefore, it is necessary to conduct research on the magnetostriction of silicon steel sheets under DC bias.
Figure 9.
Cause of DC magnetic bias.
In 2014, Gao et al. [32] used the multifractal spectrum method to study the vibration characteristics of power transformer under DC magnetic biasing, and obtained the influence degree of DC magnetic biasing. In 2016, Zhang et al. studied the magnetostriction properties of oriented silicon steel sheets in the presence of a DC bias, it is found that the magnetostrictive waveform of a DC bias magnetic field covers not only the fundamental component of 100 Hz, but also the higher harmonic component. The presence of DC bias magnetic field not only increases the magnitude of magnetostrictive strain, but also changes the maximum strain from contraction to elongation [15]. In 2018, Pfutzner et al. studied the effect of DC bias on core magnetic density and magnetostriction by establishing a three-dimensional model of a single-phase transformer [33]. In 2019, Zhang et al. found that the greater the DC bias field, the greater the effect on the hysteresis loop saturation of silicon steel sheets, leading to greater asymmetry in the magnetostrictive butterfly curve, and different DC bias magnetic fields have different effects on the even and odd components of magnetostriction [16]. In 2020, Zhao et al., in order to investigate the vibration characteristics of laminated core under DC bias, carried out experiments on oriented silicon steel sheets under the condition of DC bias and without DC bias, and found that the hysteresis loops are no longer symmetrical under DC bias, the butterfly curve also loses its symmetry, and with the magnetic field saturation of the sample to a certain extent, the magnetostriction almost only has the deformation in the contraction direction. [34]
So far, the key factors affecting magnetostrictive effect have been introduced. Table 3 summarizes and summarizes the key conclusions of each factor, facilitating comparison and quick understanding of each factor.
Table 3.
Factors and important conclusions affecting magnetostriction.
5. Measurement of Magnetostriction
In order to ensure the long-term safe and stable operation of the transformer, it is necessary to accurately estimate and monitor the vibration and noise of the transformer. Accurate measurement of magnetostriction of silicon steel sheet and its application to simulation calculation are necessary for accurate estimation and monitoring of transformer, and are the data base for calculating transformer vibration and noise. In this section, the magnetostrictive measurement system is summarized in order to provide a reference for the selection of instruments for magnetostrictive measurement.
In the IEC60404 report proposed in the single-chip tester, the use of optical sensors to measure grain-oriented electrical steel strip and sheet magnetostriction characteristics of the method [11]. On the basis of the measurement technology proposed in the report, a series of research work on measurement technology has been carried out by foreign scholars. At present, strain gages and Laser Doppler Vibrometers (LDV) are the most commonly used methods for magnetostrictive measurement [35]. LDV can achieve non-contact measurement, the measurement of one end of the sample is fixed, the other end of the paste reflector, by calculating the distance between the reflector and LDV to detect deformation, but the measured results represent the average magnetostrictive deformation of the whole sample, so LDV is mainly used in one-dimensional single-chip tester, and the single-chip tester needs to meet the requirements of international standard IEC60404. The use of resistance strain gauges is a method that offers high accuracy and enables the measurement of local magnetostrictive deformation. However, there are several considerations to be taken into account when using strain gauges. The key to accurately measuring is the rational selection of strain gauges. Table 4 summarizes the points to be noted when selecting strain gauges and compares them with LDV (Laser Doppler Vibrometer) [36].
Table 4.
Comparison of LDV and strain gauge.
At the T-joint and corner of a transformer, there exists rotating magnetic flux, which results in rotational magnetostriction. The vibration and noise caused by rotational magnetostriction are much higher than those caused by alternating magnetostriction [37]. Therefore, the measurement of rotational magnetostriction is also of great importance. However, unlike the one-dimensional measurement of alternating magnetostriction, there is currently no international standard for the measurement of rotational or two-dimensional magnetostriction. The two-dimensional magnetostriction characteristics are generally measured using some two-dimensional magnetic characteristic testers, such as a rotational single sheet tester (RSST), or the more complex e two-dimensional magnetostriction measurement system [38,39,40].
The magnetic flux density and the magnetic field strength are essentially vector quantities, and the magnetostriction occurs in arbitrary direction. In the 2D measurement method, it is possible to evaluate an angle between the magnetic flux density vector and the magnetic field strength vector, and an angle between the magnetic flux density vector and the direction of maximum magnetostriction. In the 2D measurement method, these angles are expressed as ZERO. The rotating flux is shown in Figure 10.
where e is the magnetostriction tensor and is an angle from the rolling direction.
Figure 10.
Rotating flux.
In 2015, Li et al. constructed a three-axis strain gauge magnetostrictive measurement system, which enabled the investigation of the vector magnetostrictive characteristics of single-sheet electrical steel using the three-axis strain gauge method [41]. In 2016, Wang et al. made improvements to the traditional laser magnetostrictive actuator and proposed a three-axis laser method, similar to the three-axis strain gauge, for studying the vector characteristics of magnetostriction [42]. In the same year, Zhang et al. constructed a three-axis strain gauge device with a vertically mounted single yoke frame in order to reduce the influence of cutting stress on the measurement accuracy of magnetostrictive displacement. One end of the sample was fixed while the other end was free, and a controllable magnetic field was applied. The effects of alternating magnetic field, DC bias magnetic field, and high harmonic magnetic field on magnetostrictive displacement were measured. The research results have significant implications for the effective evaluation of noise in electric motors and transformer cores [15]. In the year 2020, Li et al. conducted a study on the influence of tensile and compressive stresses along different directions on the magnetic properties of silicon steel sheets. They designed and fabricated a magnetic performance measurement system considering the stress effects based on a large-scale cross-shaped single-piece testing machine (LCSST), as shown in Figure 11. The study obtained the effects of tensile and compressive stresses on the magnetization characteristics of silicon steel sheets [24]. In 2023, Li et al. proposed a magnetic magnetostrictive measurement system based on their research on the characteristics of rotating magnetic fields. This system consists of a two-dimensional symmetrical single-chip tester, a resistive strain gauge, and synchronous triggering and acquisition technology, as shown in Figure 12. The magnetostrictive effect under elliptical magnetization with different aspect ratios was measured, providing theoretical and practical guidance for mitigating mechanical vibrations and acoustic noise caused by magnetostrictive effects [36].
Figure 11.
(a) Symmetrical structure of LCSST for 1D magnetization under stress. (b) Vertical structure of LCSST for 2D magnetization under stress.
Figure 12.
Schematic diagram of 2D magnetization measurement system.
6. The Model of Magnetostriction
Modeling the magnetostrictive effect of silicon steel sheets is a crucial step in analyzing transformer noise. It aids in explaining the generation of transformer noise, understanding its characteristics, and predicting and suppressing transformer noise. The theoretical analysis of magnetostrictive effect is highly abundant, and various expressions have emerged based on different fundamental theories. Therefore, the expressions have not yet been unified. This section will summarize the laminated core model considering the magnetostrictive effect and the noise reduction methods based on magnetostriction, aiming to provide theoretical references for analyzing the vibration and noise caused by magnetostriction.
6.1. Consider the Laminated Iron Core Model for Magnetostriction
The calculation of vibration and noise of power transformers is a process of multi-physics field coupling. Firstly, it is necessary to calculate the magnetic field distribution of the transformer, and then calculate the magnetostriction force of the silicon steel sheet. The finite element method is used to analyze the force of the entire iron core to achieve magnetic–mechanical coupling. Furthermore, the sound field is coupled to calculate the vibration and noise of the transformer [43,44,45]. The key step is the simulation calculation of the magnetostriction of the silicon steel sheet. However, due to different theories, there is currently no unified numerical calculation expression. Therefore, this section will classify the vibration and noise model of the transformer based on the magnetostriction theory. According to the theoretical basis, it can be divided into four categories: data testing, magnetic domain theory, phenomenological theory, and thermodynamic relationship [46].
6.1.1. Based on Data Testing of Magnetostrictive Effect
Based on data testing, the magnetostrictive model is a method that uses a specific excitation method to measure the magnetic properties of specific materials as data basis, and uses methods such as surface fitting, neural networks, and fuzzy systems to simulate the hysteresis and magnetostriction of materials. Liu et al. proposes an algorithm that integrates the strong global search ability of the S-A algorithm and the fast local convergence speed of the L-M algorithm to solve the problem of slow convergence speed and low solution accuracy of existing parameter extraction methods for J-A hysteresis models [47]. Ma et al. proposed a vector hysteresis model based on the deep belief network (DBN) algorithm combined with the theory of hysteresis operator subspace. The model was trained using the magnetic induction intensity data of the samples and the generated operator data to obtain the model parameters. Simulation results showed that the constructed model can effectively describe the nonlinear characteristics and anisotropy of ferromagnetic materials under rotating magnetization [48].
This method has better simulation effects on magnetostriction under sinusoidal magnetization, but it is only applicable to specific excitation methods and specific materials, which is limited, and it requires high data volume and data accuracy.
6.1.2. Based on Phenomenological Theory of Magnetostrictive Effect
The Preisach model holds that an external magnetic field can induce changes in the Zeeman energy density of ferromagnetic materials. Due to energy conservation, the change in this energy will be offset by a change in elastic bond energy, resulting in an increase or decrease (positive or negative magnetostriction) in the direction of the external magnetic field [49]. In the construction of the magnetostriction model based on phenomenological theory, the determination of the distribution function is the key to solving the model, which usually requires experimental data on the first and second-order hysteresis curves and complex calculus operations. Therefore, the difficulty of solving is relatively high [50].
6.1.3. Based on Magnetostriction Theory of Magnetostrictive Effect
The classical electromagnetic theory holds that ferromagnetic materials are a combination of numerous magnetic domains. In order to quantify the magnetostrictive effect, it is necessary to clarify the domain structure, analyze domain deviation and domain wall movement from the perspective of domains, and then combine stress with magnetic field intensity and magnetostriction to analyze the variation law of magnetic properties. Li et al. proposed a dynamic magnetostriction model based on the J-A dynamic hysteresis model [51]. Chen et al. considered the magnetostrictive properties of silicon steel sheets and the magnetic elasticity of the material. They employed a secondary magnetic domain model to calculate the magnetostrictive properties and established a two-dimensional electromagnetic–mechanical coupled transient model to analyze the influence of rotating magnetic field on the magnetostrictive performance of silicon steel sheets [52]. The magnetostriction model based on the magnetic domain theory synthesizes various factors that affect the direction of the magnetic domain from the perspective of the magnetic domain, and therefore, this theory has a clear physical basis. However, the premise of this calculation method is to obtain relevant parameters of ferromagnetic materials, which requires a series of experiments to obtain the relevant parameters, and the derivation process of magnetostriction is also relatively complex, with a large amount of calculation. Therefore, this method is suitable for relatively simple situations. However, the premise of this calculation method is to obtain relevant parameters of ferromagnetic materials, which requires a series of experiments to obtain the relevant parameters, and the derivation process of magnetostriction is also relatively complex, with a large amount of calculation. Therefore, this method is suitable for relatively simple situations.
6.1.4. Based on Thermodynamics of Magnetostrictive Effect
Based on thermodynamic relationships, reference [53] defines the unit volume Gibbs free energy, performs a total differential on it, and combines it with thermodynamic relationships to perform a Taylor expansion of the unit volume free energy in its natural state. Combining experimental results and relevant fitting formulas, a polynomial constitutive relationship for ferromagnetic materials is obtained. Reference [13] uses the thermodynamic-based magnetostriction effect obtained from the former, and combines it with the microphysical mechanism of magnetostriction in grain-oriented silicon steel sheets, comprehensively considering the influence of magnetic field and pre-stress on magnetostriction, and obtains an essential model applicable to magnetostriction in grain-oriented silicon steel sheets.
In order to reduce eddy current losses, the transformer core is made up of thin silicon steel sheets that are mutually insulated and overlapped. The analysis, calculation, and measurement of the magnetostriction of a single silicon steel sheet form the basis for analyzing the vibration and noise of power transformers. However, the properties of a single silicon steel sheet cannot completely determine the vibration noise of the iron core. For example, under certain frequency excitation, the magnetostriction frequency characteristics may differ from the frequency characteristics of the iron core vibration. The vibration of the iron core depends on many factors, including the magnetostriction characteristics of the iron core material, the stacking method at the corner of the laminated core, and the design of all components in the transformer [43,44,45]. To summarize, a comparison of the four types of magnetostrictive models is shown in Table 5.
Table 5.
Comparison of four kinds of magnetostrictive models.
6.2. Noise Reduction Methods Based on Magnetostriction
There are many factors that affect the vibration and noise of transformers. Analyzing the vibration and noise of the transformer core involves the coupling analysis of multiple physical fields. In order to reduce the noise of transformers, it is essential to study the complex physical processes and understand all the factors involved. The noise control of transformers is generally divided into two types: one is to reduce the noise of the transformer body, achieving noise reduction at the source; the other is to reduce the noise propagation through the path of the transformer, but this method does not reduce the noise of the body itself. This section will introduce the former method, The main ideas of noise reduction are shown in Figure 13.
Figure 13.
Noise reduction methods.
(1) The rational selection of silicon steel sheets. Transformers often operate under complex working conditions such as DC bias, high-order harmonics, and over-excitation, Existing research mainly focuses on weakening the effects caused by DC bias from several perspectives, including the grounding method of the neutral point in transformers, as well as the design of windings and iron core structures. In order to address the issue of harmonics, they are mainly eliminated by increasing the number of converter devices and using active or passive filtering [53,54,55,56]. The rational selection of transformer core materials is also an effective method for reducing transformer noise. The effective method of reducing transformer noise is through the reasonable selection of transformer core materials. By understanding the direct current bias resistance and harmonic loss characteristics of different types of oriented silicon steel sheets, a reasonable selection can be made to reduce the adverse effects of iron core saturation, temperature rise, and increased vibration under complex working conditions.
The results indicate that under the condition of direct current bias, the increase rate of the loss of oriented silicon steel with greater thickness and relatively lower magnetic induction is lower, and the excitation current is smaller. Under harmonic operating conditions, the increase rate of losses in thin-oriented silicon steel is relatively low. When direct current bias and harmonic conditions coexist, in addition to using low-loss products, the optimal material thickness can be determined by comparing the contribution rates of total losses from direct current bias and harmonic content [57].
(2) The vibration of a transformer is closely related to its own modal characteristics. By changing the modal characteristics of the iron core to avoid the excitation frequency and prevent resonance, or by reducing the vibration response, noise reduction can be achieved [3]. When the iron core is not fully tightened, the silicon steel sheet will produce vibrations at the same frequency as the alternating electric field and other problems. Over-tightening of the iron core can lead to increased magnetostriction at the joint, increased vibration noise of the iron core, and precise control of the iron core tightening force can stabilize product quality and reduce noise levels [58]. In order to reduce the additional iron loss and no-load current caused by the deviation of magnetic flux direction in the intersection of the iron core and the yoke, and to reduce the noise of the iron core, researchers have invented the silicon steel cutting angle technology [59]. One of the methods for reducing noise in transformers is the damping characteristic possessed by damping materials. When such materials undergo deformation under periodic vibration or sound wave action, a portion of the vibrational energy (or sound energy) is converted into thermal energy and dissipated due to the viscous internal friction and elastic relaxation process of the material [60]. Zhu proposed a method for reducing electromagnetic noise by using flexible high-permeability soft magnetic composite materials to fill the interleaved gaps of transformer laminated cores. This material possesses both the damping properties of damping materials and the magnetic properties of magnetic materials, and can reduce the noise of the transformer core from both reducing the vibration source and absorbing the vibration energy aspects [61].
In summary, various methods—such as applying uniform and appropriate compressive force on the iron core, using epoxy or polyester adhesive to increase the surface tension of the iron core, insulating coating on the surface of the silicon steel sheet, improving the connection between the iron core and other components, new stacking methods for the iron core, and filling the gaps at the joints with suitable damping materials—can effectively reduce the vibration noise of the transformer iron core. The essence of these methods is to change the mechanical mode of the iron core to reduce vibration response and avoid resonance.
7. Conclusions
As one of the essential equipment in the power system, power transformers require research on their vibration and noise to ensure safe and stable operation. Currently, research on the vibration and noise of transformer cores mainly focuses on material magnetostriction characteristics, overall core vibration, vibration transmission characteristics, theoretical or numerical simulation, and collection of vibration signals. The study of transformer vibration and noise involves multiple disciplines and strong interdisciplinary integration, including electrical engineering, mechanical engineering, structural mechanics, materials science, and vibration acoustics, as shown in Figure 14.
Figure 14.
Schematic diagram of multi physical field coupling of transformers.
With the continuous development of the power grid, some new technologies are constantly being applied, such as the rapid development of HVDC, the large-scale access of equipment such as photovoltaics, energy storage, electric vehicles, and variable frequency home appliances. Furthermore, people have increasingly strict requirements for environmental noise, and these factors have led to increasingly higher demands for transformers. Therefore, the vibration noise of transformers and its control measures have remained a key research area among scholars in various countries in recent years. Future research directions include, but are not limited to, the following points:
- (1)
- The mutual influence between the iron core and the winding vibration. In most studies on transformer core vibration, the focus is primarily on the magnetostriction of silicon steel sheets and the vibration caused by Maxwell forces at the core joints. However, in actual equipment, the winding coil is installed on the iron core, and the vibration of the two will affect each other. The vibration of the winding will excite the vibration of the iron core, which in turn affects the vibration noise of the transformer. Therefore, the study of the coupling and transmission relationships between the two is a further understanding of the mechanism of transformer vibration noise.
- (2)
- The application of emerging methods. With the continuous emergence of new theoretical systems, new materials, new measurement methods, and new instruments and equipment, new tools have been provided to achieve a more accurate understanding of the noise mechanism of transformers. For instance, traditional hysteresis models (such as Preisach model, play model, and DPC model) encounter difficulties in modeling nonlinear relationships. By combining the idea of hysteresis operator in traditional models with deep learning algorithms, vector hysteresis modeling can achieve high accuracy and generalization ability [48], which provides a new reference for magnetostriction modeling. The use of new measurement methods and equipment can provide a more detailed understanding of the mechanism and propagation characteristics of transformer noise, thereby enabling targeted noise reduction measures.
- (3)
- A noise reduction method based on the modal characteristics of transformers. The modal characteristics of transformers can be altered by changing the clamping force, mechanical structure, adding damping materials, altering the mass and stiffness, and other means. There is currently limited research on the modal characteristics of transformers under specific excitations. Studying the modal characteristics under certain excitations, such as DC and high-order harmonics, can be achieved through effective and reliable means to reduce vibration and noise.
- (4)
- At present, the power system shows a high proportion of renewable energy and a large proportion of power electronic equipment important characteristics, large capacity medium and high frequency transformer because of its high frequency, the core power density is larger, compared with the power frequency has a small size and light weight characteristics, more and more widely used. However, because the excitation voltage waveform is often more complicated during its operation, its vibration and noise are more complicated. Therefore, based on the research of traditional power frequency transformer, it is necessary to research and innovate the medium and high frequency transformer.
Author Contributions
Writing—original draft, Q.F.; writing—review and editing, C.C. and Z.Y. All authors have read and agreed to the published version of the manuscript.
Funding
This work was supported in part by the Natural Science Foundation of Hubei province under Grant 2022CFC045.
Conflicts of Interest
The authors declare no conflicts of interest. The funders had no role in the design of the study; in the collection, analyses, or interpretation of data; in the writing of the manuscript; or in the decision to publish the results.
References
- China Electric Power Enterprises Federation. Annual Development Report of China’s Power Industry 2023. China Electr. Power News 2023, 3. [Google Scholar] [CrossRef]
- National Energy Administration; China Electric Power Enterprises Federation. 2021 National Annual Report on Power System Reliability. Available online: http://prpq.nea.gov.cn/ndbg/8540.html (accessed on 19 August 2022).
- Haro-Larrode, M. Variable Reactance Criteria to Mitigate Voltage Deviations in Power Transformers in Light- and Over-Load Conditions. Machines 2023, 11, 797. [Google Scholar] [CrossRef]
- Zhang, P.; Li, L.; Cheng, Z.; Tian, C.; Han, Y. Study on Vibration of Iron Core of Transformer and Reactor Based on Maxwell Stress and Anisotropic Magnetostriction. IEEE Trans. Magn. 2019, 55, 1–5. [Google Scholar] [CrossRef]
- Ji, S.; Shi, Y.; Zhang, F.; Lu, F. Review on Vibration and Noise of Power Transformer and Its Control Measures. High Volt. Appar. 2019, 55, 1–17. [Google Scholar] [CrossRef]
- Ling, N.; Du, X.; An, W.; Wu, J.; Gao, Q.; Li, X.; Li, S. Review of distribution transformer reliability assessment. Electrotech. Appl. 2023, 42, 45–52. [Google Scholar]
- Xia, B.; Han, S.; Zhang, N.; Liu, S. Research status and development trend of silicon steel. China Metall. 2018, 28, 9–12. [Google Scholar] [CrossRef]
- Azuma, D.; Hasegawa, R. Audible Noise from Amorphous Metal and Silicon Steel-Based Transformer Core. IEEE Trans. Magn. 2008, 44, 4104–4106. [Google Scholar] [CrossRef]
- Mao, M.; Yang, P. Material Science Principles on Electrical Steels, 1st ed.; Higher Education Press: Beijing, China, 2013; pp. 65–135. [Google Scholar]
- Tan, Y.; Ren, L. Theory and Application of Magnetostrictive Sensors, 1st ed.; Science Press: Beijing, China, 2022; pp. 1–27. [Google Scholar]
- Standard IEC60404-17; Magnetic Materials-Part 17: Methods of Measurement of the Magnetostriction Characteristics of Grain-oriented Electrical Steel Strip and Sheet by Means of a Single Sheet Tester and an Optical Sensor. International Electrotechnical Commission: London, UK, 2021.
- Imamura, M.; Sasaki, T.; Saito, A. Magnetization process and magnetostriction of a four percent Si-Fe single crystal close to (110) [001]. IEEE Trans. Magn. 1981, 17, 2479–2485. [Google Scholar] [CrossRef]
- Zhang, L.; Wang, G.; Dong, P.; Zou, L.; Zhao, T. Study on the Vibration of Grain-oriented Transformer Core Based on the Magnetostrictive Intrinsic Characteristics. Proc. CSEE 2016, 36, 3990–4001. [Google Scholar] [CrossRef]
- He, Q.; Nie, J.; Zhang, S.; Chen, X. Study of Transformer Core Vibration and Noise Generation Mechanism Induced by Magnetostriction of Grain-Oriented Silicon Steel Sheet. Hindawi 2021, 2021, 8850780. [Google Scholar] [CrossRef]
- Zhang, Y.; Li, Q.; Zhang, D.; Bai, B.; Xie, D.; Koh, C.S. Magnetostriction of silicon steel sheets under different magnetization conditions. IEEE Trans. Magn. 2016, 52, 1–4. [Google Scholar] [CrossRef]
- Zhang, P. Research on Magnetostrictive Properties of Soft Magnetic Materials and Vibration of Electric Power Equipment Core under Complex Working Conditions. Ph.D. Thesis, North China Electric Power University, Beijing, China, 2019. [Google Scholar]
- Sha, R.; Zhu, L.; Han, T.; Zhang, H.; Zhang, X. Measurement and analysis of magnetic properties of silicon steel sheet under mechanical stress. J. Mach. Des. 2019, 36 (Suppl. S1), 51–55. [Google Scholar] [CrossRef]
- Lobue, M.; Sasso, C.; Basso, V.; Fiorillo, F.; Bertotti, G. Power losses and magnetization process in Fe–Si non-oriented steels under tensile and compressive stress. J. Magn. Magn. Mater. 2000, 215, 124–126. [Google Scholar] [CrossRef]
- Moses, A.J. Effects of applied stress on the magnetic properties of high permeability silicon-iron. IEEE Trans. Magn. 1979, 15, 1575–1579. [Google Scholar] [CrossRef]
- Anderson, P.I.; Moses, A.J.; Stanbury, H.J. An automated system for the measurement of magnetostriction in electrical steel sheet under applied stress. J. Magn. Magn. Mater. 2000, 215, 714–716. [Google Scholar] [CrossRef]
- Anderson, P.I.; Moses, A.J.; Stanbury, H.J. Assessment of the stress sensitivity of magnetostriction in grain-oriented silicon steel. IEEE Trans. Magn. 2007, 43, 3467–3476. [Google Scholar] [CrossRef]
- Klimczyk, P.; Moses, A.J.; Anderson, P.; Martyn, D. Challenges in magnetostriction measurements under stress. Prz. Elektrotechniczny 2009, 85, 100–102. [Google Scholar]
- Zhu, L.; Yang, Q.; Yan, R.; Chen, H. Numerical Calculation of Magnetostrictive Stress of Core in Power Transformer. Transformer 2012, 49, 9–13. [Google Scholar] [CrossRef]
- Dou, Y.; Li, Y.; Zhang, C.; Yue, S.; Zhu, J. Effects of uniaxial stress along different directions on alternating magnetic properties of silicon steel sheets. IEEE Trans. Magn. 2020, 56, 1–4. [Google Scholar] [CrossRef]
- Zhao, J.; Zhang, L.; Liu, Y.; Dong, L.; Yi, Z. Experimental Study on the Effect of Mechanical Stress on the Comprehensive Magnetic Properties of the Grain-Oriented Silicon Steel. Trans. China Electrotech. Soc. 2022, 37, 5776–5787. [Google Scholar] [CrossRef]
- Liu, T. Effect of Deformation and Annealing on Microstructure and Magnetic Properties of Non-oriented Silicon Steel. Ph.D. Thesis, Hefei University of Technology, Hefei, China, 2019. [Google Scholar]
- Anderson, P. Measurement of the stress sensitivity of magnetostriction in electrical steels under distorted waveform conditions. J. Magn. Magn. Mater. 2008, 320, e583–e588. [Google Scholar] [CrossRef]
- Chen, L.; Ma, G.; Tong, D.; Yang, F.; Chen, X.; Dong, H. Performance evaluation law of grain-oriented silicon steel in transformer core after 25 years service. J. Iron Steel Res. 2018, 30, 71–78. [Google Scholar] [CrossRef]
- Moses, A.J.; Pike, E.C. Influence of surface coating on transverse magnetostriction in silicon iron. Proc. Inst. Electr. Eng. 1977, 124, 583–585. [Google Scholar] [CrossRef]
- Gorji Ghalamestani, S.; Vandevelde, L.; Dirckx, J.J.; Melkebeek, J.A. Magnetostriction and the Influence of Higher Harmonics in the Magnetic Field. IEEE Trans. Magn. 2012, 48, 3981–3984. [Google Scholar] [CrossRef]
- Wang, Y.; Gao, C.; Li, L.; Feng, Y.; Liu, Y. Study for Influence of Harmonic Magnetic Fields on Vibration Properties of Core of Anode Saturable Reactor in HVDC Converter Valve System. IEEE Access 2021, 9, 24050–24059. [Google Scholar] [CrossRef]
- Gao, P.; Wang, H.; Su, L. Application of multifractal spectrum to the vibration analyses of power transformer under DC bias. In Proceedings of the IEEE PES General Meeting, Conference & Exposition, National Harbor, MD, USA, 27–31 July 2014. [Google Scholar]
- Helmut, P.; Georgi, S.; Claes, B.; Gerald, T.; Erich, G. Effects of DC Bias on Regional Flux and Magnetostriction of a Single-Phase Transformer Core Modeled by 3-D MACC. IEEE Trans. Magn. 2018, 54, 1–6. [Google Scholar] [CrossRef]
- Zhao, X.; Du, Y.; Liu, Y. Vibration Characteristics Analysis of Iron Core Under DC-biased Condition by Solving Coupled Magneto-mechanical Field in Frequency-domain. High. Volt. Eng. 2020, 46, 1216–1225. [Google Scholar] [CrossRef]
- Li, Y.; Zhu, J.; Li, Y.; Wang, H.; Zhu, L. Modeling dynamic magnetostriction of amorphous core materials based on Jiles-Atherton theory for finite element simulations. J. Magn. Magn. Mater. 2021, 529, 167854. [Google Scholar] [CrossRef]
- Dou, Y.; Li, Y.; Yue, S.; Yang, Y.; Zhu, J. Measurement of alternating and rotational magnetostrictions of Non-oriented silicon steel sheets. J. Magn. Magn. Mater. 2023, 571, 170566. [Google Scholar] [CrossRef]
- Somkun, S.; Moses, A.J.; Anderson, P.I. Effect of Magnetostriction Anisotropy in Non-oriented Electrical Steels on Deformation of Induction Motor Stator Cores. IEEE Trans. Magn. 2009, 45, 4744–4747. [Google Scholar] [CrossRef]
- Moses, A.J.; Anderson, P.I.; Somkun, S. Modeling 2-D Magnetostriction in Non-oriented Electrical Steels Using a Simple Magnetic Domain Model. IEEE Trans. Magn. 2015, 51, 6000407-1–6000407-7. [Google Scholar] [CrossRef]
- Shilyashki, G.; Pfützner, H.; Anger, J.; Gramm, K.; Hofbauer, F.; Galabov, V.; Mulasalihovic, E. Magnetostriction of transformer core steel considering rotational magnetization. IEEE Trans. Magn. 2013, 50, 1–15. [Google Scholar] [CrossRef]
- Wakabayashi, D.; Enokizono, M. Two-dimensional magnetostriction under vector magnetic characteristic. J. Appl. Phys. 2015, 117, 1–6. [Google Scholar] [CrossRef]
- Li, Q. Study on Vector Magnetostrictive Properties of Electrical Steel Sheet Based on Three-Axial Strain Gauge Measurement. Ph.D. Thesis, Shenyang University of Technology, Shenyang, China, 2016. [Google Scholar]
- Zhang, Y.; Wang, Y.; Zhang, D.; Ren, Z.; Xie, D.; Bai, B.; Xia, J. Vector Magnetostrictive Properties of Electrical Steel Sheet with Alternating Magnetization. Proc. CSEE 2016, 36, 1156–1162. [Google Scholar] [CrossRef]
- Zhang, B.; Ning, Y.; Du, J.; Han, F.; Wang, H. A Novel Approach to Investigate the Core Vibration in Power Transformers. IEEE Trans. Magn. 2018, 54, 1–4. [Google Scholar] [CrossRef]
- Liu, X.; Yang, Y.; Huang, Y.; Jadoon, A. Vibration characteristic investigation on distribution transformer influenced by DC magnetic bias based on motion transmission model. Int. J. Electr. Power Energy Syst. 2018, 98, 389–398. [Google Scholar] [CrossRef]
- Liu, M.; Hubert, O.; Mininger, X.; Bouillault, F.; Bernard, L.; Waeckerlé, T. Reduction of Power Transformer Core Noise Generation due to Magnetostriction Induced Deformations using Fully Coupled Finite Element Modeling Optimization Procedures. IEEE Trans. Magn. 2017, 53, 1–11. [Google Scholar] [CrossRef]
- Li, C.; Hao, D.; Lou, Y.; Zhu, L.; Liu, C. Status and progress of research on transformer vibration characteristics with DC bias. Electr. Power Autom. Equip. 2016, 38, 215–223. [Google Scholar] [CrossRef]
- Liu, R.; Li, L.; Wang, Y.; Han, Y. Parameter Extraction for Jiles-Atherton Hysteresis Model Based on the Hybrid Technique of Stochastic and Deterministic Optimization Algorithm. Trans. China Electrotech. Soc. 2019, 34, 2260–2268. [Google Scholar] [CrossRef]
- Ma, Y.; Li, Y.; Sun, H.; Yang, M.; Dou, R. Vector Hysteresis Model for Rotational Hysteresis Loss of Ferromagnetic Materials Based on Deep Belief Network Algorithm. Trans. China Electrotech. Soc. 2023, 38, 4063–4075. [Google Scholar] [CrossRef]
- Adlya, A.; Mayergoyz, I.D.; Bergqvist, A. Preisach modeling of magnetostrictive hysteresis. J. Appl. Phys. 1991, 69, 5777–5779. [Google Scholar] [CrossRef]
- Jin, K.; Kou, Y.; Zheng, X. A nonlinear magneto-thermo-elastic coupled hysteretic constitutive model for magnetostrictive alloys. J. Magn. Magn. Mater. 2012, 324, 1954–1961. [Google Scholar] [CrossRef]
- Li, Y.; Li, Y.; Zhu, J.; Zhu, L.; Liu, C. Vibration estimation in power transformers based on dynamic magnetostriction model and finite-element analysis. IEEE Trans. Appl. Supercond. 2021, 31, 1–4. [Google Scholar] [CrossRef]
- Chen, D.; Zhao, W.; Bai, B.; Kwon, B.I. Analysis and experiment of transformer vibration and noise considering electrical steel sheet magnetostriction. Int. J. Appl. Electromagn. Mech. 2016, 52, 1477–1484. [Google Scholar] [CrossRef]
- Zhou, H. Nonlinear Coupled Magneto-Elastic Theory in Ferromagnetic Materials and the Application in Giant Magnetostrictive Smart Materials. Ph.D. Thesis, Lanzhou University, Lanzhou, China, 2007. [Google Scholar]
- Shi, M.; Wu, B.; Jin, Y.; Qiu, A.; Li, J. Research Summary on the Impacts of DC Magnetic Bias on Transformer. High Volt. Appar. 2018, 54, 20–36. [Google Scholar] [CrossRef]
- Luo, Y.; Hu, J.; Song, M.; Li, D. Simplified Design of Passive Power Filters of Series Hybrid Active Power Filters. Power Syst. Technol. 2018, 43, 1149–1156. [Google Scholar] [CrossRef]
- Shen, M.; Zhang, X. Research on DC-Side Voltage of Active Tuned Hybrid Power Filter. Power Syst. Technol. 2018, 42, 1936–1944. [Google Scholar] [CrossRef]
- Cheng, L.; Yang, F.; Ma, G.; Meng, L.; Chen, X.; Han, Y.; Dong, H. Magnetic Performance of Grain-oriented Silicon Steel under Complex Working Condition and Material Selection for Transformer Core. Mater. Rep. 2019, 33, 2413–2418. [Google Scholar]
- Zhang, J.; Xian, X. Precise Pressing Technology in Transformer Core Manufacturing. Transformer 2015, 52, 44–46. [Google Scholar] [CrossRef]
- Mi, L. Key Technology and Application for Power Transmission and Transformation Equipment: Transformer, Reactor, 1st ed.; China Electric Power Press: Beijing, China, 2021; pp. 44–104. [Google Scholar]
- Zhu, L.; Hao, J.; Lu, L. Research on Influence of Damping on the Vibration Noise of Transformer. IEEE Access 2022, 10, 92128–92136. [Google Scholar] [CrossRef]
- Zhu, L. Study of Affection from Magnetostriction in Laminated Core on Vibration Noise of Transformer and AC Motor. Ph.D. Thesis, Hebei University of Technology, Tianjin, China, 2013. [Google Scholar]
Disclaimer/Publisher’s Note: The statements, opinions and data contained in all publications are solely those of the individual author(s) and contributor(s) and not of MDPI and/or the editor(s). MDPI and/or the editor(s) disclaim responsibility for any injury to people or property resulting from any ideas, methods, instructions or products referred to in the content. |
© 2024 by the authors. Licensee MDPI, Basel, Switzerland. This article is an open access article distributed under the terms and conditions of the Creative Commons Attribution (CC BY) license (https://creativecommons.org/licenses/by/4.0/).













