A Hybrid Model for Prognostic and Health Management of Electronic Devices
Abstract
1. Introduction
2. Related Work
3. Background
3.1. The Physics of Delamination
3.2. QFN Package
4. Methodology
4.1. Diagnostic Module
4.1.1. PoF Model
- Computation of the local damage. A 2.5D model is a finite element model used to mimic the QFN behavior. Based on the input parameters, this model provides the evolution of the local damage index for each one of its nodes. The model discretizes the structure of the material into smaller shapes called elements (lines, plates, bricks, tetrahedral), and these elements are bounded by nodes (e.g., line element is bounded by one node at each end) [22]. The local damage index is calculated by monitoring normal and tangential stresses at each node to evaluate delamination criteria. The local damage index is set to 1 as soon as the delamination criteria is fulfilled.
- Computation of the delamination percentage. Figure 5 shows a dashed line for the region of interest where the delamination takes place. In this region, the stress value at each node is continuously monitored to check if it exceeds the delamination criteria. Such delamination criteria characterizes the stress criterion which provides the allowable normal and tangential stresses at every interface in the package. When the stress value exceeds the delamination criteria, the interface at the location of the node detaches, and the local damage index of the nodes reaches one. At the package level, a delamination percentage is computed as the ratio of detached nodes with respect to the total number of nodes on the interface. As an illustrative example, Figure 6 shows the monotonic-like evolution of the delamination percentage over time.
- Computation of the delamination index. The delamination percentage is converted to the delamination index for the QFN package. The delamination index ranges from 0, no die delamination, to 1, end of remaining useful life of the die. This end of life is application-dependent, and it is reached when the delamination percentage goes above a certain threshold. This threshold depends on the type of electronic system where the delamination takes place. On the one hand, in applications with small power dissipation, just 10% delamination in the die attachment contact area can still assure good functionality in an application-specific integrated circuits. On the other hand, in an application with larger power dissipation, 20% delamination of the contact area can cause the end of life of the component [16]. To take into account this threshold, the delamination index, which we call , is mapped to the delamination percentage as described in Equation (1) as follows:where represents the delamination percentage at time t; the threshold represents the level of delamination percentage after which the end of life is reached. The latter, being domain-dependent, can be defined based on the end user specifications.
4.1.2. DD Model
Computation of the Delamination Progress
Computation of the Delamination Index
4.1.3. Hybrid Model
4.2. Prognostic Module
4.2.1. Creation Library Delamination Index Curves
4.2.2. Rescaling of the Delamination Index Curves
- A dynamic time warping [27] is applied between and the reference curve (). As a result, each time stamp in the target curve is mapped with a one (or more) time stamp in the reference curve. From this mapping, the first time stamp in the reference curve is identified, which is mapped to in the target curve. This time stamp is called .
- A rescaling is applied from the beginning to the end of the reference curve to create a rescaled reference curve . This is completed by shrinking (or expanding) the original reference curve in order to match with . The shrinking of the reference curve is carried out by undersampling the curve, whereas the expansion is carried out by oversampling the curve. The first consecutive points of the rescaled reference curve define the reference curve . It is worth noting that each reference curve can be rescaled differently based exclusively on the value of and .
4.2.3. Retention of the Reference Curves
4.2.4. Remaining Useful Life Forecast
5. Experimental Setup
5.1. QFN Parameters
5.2. Dataset
- Within the same simulation, the loading condition, geometry, and material properties are the same, whereas the delamination criteria differ. The delimitation criteria are varied to introduce a slight difference between the behavior described by the PoF model GT and the PoF model. This choice is made because it is assumed that the interface strength at every interface will vary because of surface roughness, porosity in materials, and adhesion strength. Figure 13 shows an example of the variation in the delamination criteria which will result in a different delamination index for two samples with the same geometry.
- Across the simulations, the geometry is changed. During the development of the hybrid model, manufacturing tolerances are introduced in the simulations by changing the crucial geometry parameters such as solder thickness and EMC thickness. For instance, total QFN thickness (ideal thickness = 1.05 mm) varies between 1.005 mm and 1.095 mm by assuming solder and EMC thickness tolerance of +5%. Variations in the geometry combined together with variations in delamination criteria allow us to create a unique delamination behavior in every sample while imitating real-life uncertainties such as harsh environmental conditions and manufacturing defects.
- Across simulations, the loading condition, defined via a temperature profile depicted in Figure 14, is kept constant. The temperature profile starts at 185 °C to include the effect of the EMC curing process. Temperature variations are introduced at dwell time to mimic the real-life loading scenario. The thermal boundary condition is shown in Figure 14 where the loading profile starts at 185 °C to simulate the effect of EMC curing, and it is followed by thermal cycling. A thermal cycling profile of −40 °C to 125 °C is chosen since it is typically used to test the thermal reliability of electronic packages such as QFN and electronic assemblies. The stress sensors monitor the expansion and contraction of the material caused by the temperature profile. During the simulation, the stress values range between +25 MPa and –100 MPa.
- Temperature profile.
- Evolution delamination index predicted by the PoF model (which we call ).
- Evolution delamination index generated by the PoF GT model (which we call ).
- Evolution stress sensor values. These are four curves describing the evolution of the four stress sensor values generated by the PoF GT model.
5.3. Validation
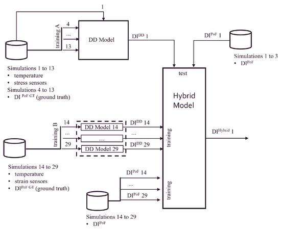
- From the validation dataset, 1/10 of the simulations (i.e., 3 simulations) are used as tests. The remaining 26 simulations are split equally into training A and training B.
- The 13 simulations of training A are used to train a single DD model. This model is then used to transform each test simulation data (i.e., the stress sensors and temperature) in a test delamination index which we call test . Figure 16 shows how the first test simulation can be transformed by the DD model in test 1.
- The 13 simulations in training B are used to train 13 DD models using a leave-one-out approach. More specifically, 12 simulations are used to train a DD model, and the 13-th simulation is used to generate its associated DI. Figure 16 illustrates how simulation 14 can be transformed by the DD model 14 in the training delamination index which we call 14.
- The hybrid model is trained using the 13 DIs generated by the DD and PoF models. In this case, the same models are evaluated: linear, random forest, gradient boosting, and SVM regression models.
- The model is used to combine test DIs generated by the DD and PoF models. The output of the model is the adjusted delamination index. The latter can consist of a weighted sum of the DD and PoF’s DIs if the model is implemented as a linear regression. For other models, the DD and PoF’s DIs can be combined in more complex manners. Figure 16 shows for the first simulation, how the test DIs associated with the DD and PoF models generate the adjusted delamination index which we call 1. It is worth noting that by keeping the simulations in training A and B separate, the test and training DIs of the hybrid model pass through DD models which are not trained using common simulations. The latter prevents the training simulations from influencing the shape of the testing and training DIs, which may potentially lead to overly optimistic performance metrics due to the common type of reshaping introduced.
- From the validation dataset, the data associated with the i-th simulation are retained and used to generate the curve test DI. Figure 17 illustrates how the first test simulation can be transformed by the hybrid model in test 1. The remaining simulations are used to compute via hybrid models the N-1 DI curves which will form the library of DI curves (see Section 4.2.1). These hybrid models are trained using a leave-two-out approach. More specifically, the hybrid model j (which generates the library DI curve j) is trained using all other DI curves except for the j-th and i-th ones. A similar approach is used for training the DD model within each hybrid model.
- The RUL is computed for the curve test DI any time that the DI has a step increase of 0.1. The 0.1 threshold for computing the RUL is decided taking into account two aspects. On the one hand, if the threshold is too high, then the selectable step changes are too few, and this would hinder the possibility of highlighting the presence of a trend in the forecast performance. On the other hand, if the threshold is too low, then the selectable step changes may become too many. As a result, it would become more challenging to abstract a trend across the test curves. At the end of the validation, to evaluate the accuracy of the forecasted RUL, the relative error (RE) and absolute relative error (|RE|) are used. These metrics are chosen since they are commonly used for performance measures of the RUL. Equation (7) reports how RE is computed:where and represent the true and predicted EoL.
6. Results and Discussion
6.1. Diagnostic
6.2. Prognostic
7. Conclusions and Future Work
Author Contributions
Funding
Data Availability Statement
Conflicts of Interest
Appendix A. Learning Curves



References
- Zhang, G.Q.; Van Driel, W.D.; Fan, X.J. Mechanics of Microelectronics; Springer Science & Business Media: Berlin/Heidelberg, Germany, 2006; Volume 141. [Google Scholar]
- Pecht, M. Prognostics and health management of electronics. In Encyclopedia of Structural Health Monitoring; Wiley Online Library: Hoboken, NJ, USA, 2009. [Google Scholar]
- Vichare, N.M.; Pecht, M.G. Prognostics and health management of electronics. IEEE Trans. Components Packag. Technol. 2006, 29, 222–229. [Google Scholar] [CrossRef]
- Prisacaru, A.; Gromala, P.J.; Jeronimo, M.B.; Han, B.; Zhang, G.Q. Prognostics and health monitoring of electronic system: A review. In Proceedings of the 2017 18th International Conference on Thermal, Mechanical and Multi-Physics Simulation and Experiments in Microelectronics and Microsystems (EuroSimE), Dresden, Germany, 3–5 April 2017; pp. 1–11. [Google Scholar] [CrossRef]
- Kulkarni, C.S.; Celaya, J. Electronics Prognostics. In Fault Diagnosis of Dynamic Systems: Quantitative and Qualitative Approaches; Springer International Publishing: Cham, Switzerland, 2019; pp. 433–458. [Google Scholar]
- Zhang, Y.; Yan, Z.; Zhu, H.; Tang, P. Physics-based model and data dual-driven approaches for predictive evacuation. Dev. Built Environ. 2023, 16, 100269. [Google Scholar] [CrossRef]
- Kumar, S.; Torres, M.; Chan, Y.C.; Pecht, M. A hybrid prognostics methodology for electronic products. In Proceedings of the 2008 IEEE International Joint Conference on Neural Networks (IEEE World Congress on Computational Intelligence), Hong Kong, China, 1–8 June 2008; pp. 3479–3485. [Google Scholar] [CrossRef]
- Karpatne, A.; Watkins, W.; Read, J.; Kumar, V. Physics-guided Neural Networks (PGNN): An Application in Lake Temperature Modeling. arXiv 2017, arXiv:1710.11431. [Google Scholar]
- Frank, S.; Heaney, M.; Jin, X.; Robertson, J.; Cheung, H.; Elmore, R.; Henze, G. Hybrid Model-Based and Data-Driven Fault Detection and Diagnostics for Commercial Buildings; Technical report; National Renewable Energy Lab. (NREL): Golden, CO, USA, 2016. [Google Scholar]
- Forssell, U.; Lindskog, P. Combining Semi-Physical and Neural Network Modeling: An Example ofIts Usefulness. IFAC Proc. Vol. 1997, 30, 767–770. [Google Scholar] [CrossRef]
- Hanachi, H.; Yu, W.; Kim, I.Y.; Mechefske, C. Hybrid Physics-Based and Data-Driven PHM. In Proceedings of the Canadian Machinery Vibration Association (CMVA) Annual Conference 2017, Edmonton, AB, Canada, 25–27 October 2017. [Google Scholar]
- Sun, J.; Zuo, H.; Wang, W.; Pecht, M.G. Prognostics uncertainty reduction by fusing on-line monitoring data based on a state-space-based degradation model. Mech. Syst. Signal Process. 2014, 45, 396–407. [Google Scholar] [CrossRef]
- Patil, N.; Das, D.; Goebel, K.; Pecht, M. Identification of Failure Precursor Parameters for Insulated Gate Bipolar Transistors (IGBTs). In Proceedings of the 2008 International Conference on Prognostics and Health Management, Denver, CO, USA, 6–9 October 2008; pp. 1–5. [Google Scholar] [CrossRef]
- Cheng, S.; Pecht, M. A fusion prognostics method for remaining useful life prediction of electronic products. In Proceedings of the 2009 IEEE International Conference on Automation Science and Engineering, Bangalore, India, 22–25 August 2009; pp. 102–107. [Google Scholar] [CrossRef]
- Riegel, D.; Gromala, P.J.; Han, B.; Rzepka, S. Data-Driven Remaining Useful Life Prediction of QFN Packages on Board Level with On-Chip Stress Sensors. In Proceedings of the 2021 IEEE 71st Electronic Components and Technology Conference (ECTC), San Diego, CA, USA, 1 June–4 July 2021; pp. 904–909. [Google Scholar] [CrossRef]
- Prisacaru, A.; Gromala, P.J.; Han, B.; Zhang, G. Degradation Estimation and Prediction of Electronic Packages Using Data-Driven Approach. IEEE Trans. Ind. Electron. 2022, 69, 2996–3006. [Google Scholar] [CrossRef]
- Bhargava, C.; Sharma, P.K.; Senthilkumar, M.; Padmanaban, S.; Ramachandaramurthy, V.K.; Leonowicz, Z.; Blaabjerg, F.; Mitolo, M. Review of Health Prognostics and Condition Monitoring of Electronic Components. IEEE Access 2020, 8, 75163–75183. [Google Scholar] [CrossRef]
- Gan, C.L. Prognostics and Health Management of Electronics: Fundamentals, Machine Learning, and the Internet of Things: John Wiley & Sons Ltd. (2018). pp. 731, ISBN: 9781119515326 (Print), 9781119515326 (Online). Life Cycle Reliab. Saf. Eng. 2020, 9, 225–226. [Google Scholar]
- Lei, W.S.; Kumar, A. Delamination and reliability issues in packaged devices. In Adhesion in Microelectronics; Wiley Online Library: Hoboken, NJ, USA, 2014; pp. 267–312. [Google Scholar]
- Schindler-Saefkow, F.; Rost, F.; Otto, A.; Faust, W.; Wunderle, B.; Michel, B.; Rzepka, S. Stress chip measurements of the internal package stress for process characterization and health monitoring. In Proceedings of the 2012 13th International Thermal, Mechanical and Multi-Physics Simulation and Experiments in Microelectronics and Microsystems, Cascais, Portugal, 16–18 April 2012; pp. 1/10–10/10. [Google Scholar] [CrossRef]
- Aizpurua, J.I.; Catterson, V.M. Towards a methodology for design of prognostic systems. In Proceedings of the Annual Conference of the PHM Society, Coronado, CA, USA, 18–24 October 2015; Volume 7. [Google Scholar]
- Hutton, D.V. Fundamentals of Finite Element Analysis; The McGraw Hill Companies: New York, NY, USA, 2004. [Google Scholar]
- Yu, W.; Kim, I.Y.; Mechefske, C. Remaining useful life estimation using a bidirectional recurrent neural network based autoencoder scheme. Mech. Syst. Signal Process. 2019, 129, 764–780. [Google Scholar] [CrossRef]
- Wang, T.; Yu, J.; Siegel, D.; Lee, J. A similarity-based prognostics approach for remaining useful life estimation of engineered systems. In Proceedings of the 2008 International Conference on Prognostics and Health Management, Denver, CO, USA, 6–9 October 2008; pp. 1–6. [Google Scholar]
- Khelif, R.; Malinowski, S.; Chebel-Morello, B.; Zerhouni, N. RUL prediction based on a new similarity-instance based approach. In Proceedings of the 2014 IEEE 23rd International Symposium on Industrial Electronics (ISIE), Istanbul, Turkey, 1–4 June 2014; pp. 2463–2468. [Google Scholar]
- Yu, W.; Kim, I.Y.; Mechefske, C. An improved similarity-based prognostic algorithm for RUL estimation using an RNN autoencoder scheme. Reliab. Eng. Syst. Saf. 2020, 199, 106926. [Google Scholar] [CrossRef]
- Bellman, R.; Kalaba, R. On adaptive control processes. IRE Trans. Autom. Control 1959, 4, 1–9. [Google Scholar] [CrossRef]
























| Parameter | Dimensions |
|---|---|
| Die (X, Y, Z) | 6 mm × 6 mm × 0.27 mm |
| Die attachment thickness | 35 µm |
| Exposed die pad (X, Y, Z) | 7 mm × 7 mm × 0.2 mm |
| QFN package (X, Y, Z) | 9 mm × 9 mm × 1.05 mm |
| Materials | E Modulus (GPa) | Poisson’s Ratio | In-Plane CTE (ppm/°C) |
|---|---|---|---|
| Silicon die | 169 | 0.25 | 2.6 |
| Copper die pad, Leadframe | 120 | 0.35 | 17.6 |
| EMC (epoxy molding compound) | 30 | 0.25 | 7 |
Disclaimer/Publisher’s Note: The statements, opinions and data contained in all publications are solely those of the individual author(s) and contributor(s) and not of MDPI and/or the editor(s). MDPI and/or the editor(s) disclaim responsibility for any injury to people or property resulting from any ideas, methods, instructions or products referred to in the content. |
© 2024 by the authors. Licensee MDPI, Basel, Switzerland. This article is an open access article distributed under the terms and conditions of the Creative Commons Attribution (CC BY) license (https://creativecommons.org/licenses/by/4.0/).
Share and Cite
Murgia, A.; Harsha, C.; Tsiporkova, E.; Nawghane, C.; Vandevelde, B. A Hybrid Model for Prognostic and Health Management of Electronic Devices. Electronics 2024, 13, 642. https://doi.org/10.3390/electronics13030642
Murgia A, Harsha C, Tsiporkova E, Nawghane C, Vandevelde B. A Hybrid Model for Prognostic and Health Management of Electronic Devices. Electronics. 2024; 13(3):642. https://doi.org/10.3390/electronics13030642
Chicago/Turabian StyleMurgia, Alessandro, Chaitra Harsha, Elena Tsiporkova, Chinmay Nawghane, and Bart Vandevelde. 2024. "A Hybrid Model for Prognostic and Health Management of Electronic Devices" Electronics 13, no. 3: 642. https://doi.org/10.3390/electronics13030642
APA StyleMurgia, A., Harsha, C., Tsiporkova, E., Nawghane, C., & Vandevelde, B. (2024). A Hybrid Model for Prognostic and Health Management of Electronic Devices. Electronics, 13(3), 642. https://doi.org/10.3390/electronics13030642

