Abstract
Model predictive control (MPC) has emerged as a very popular control technology. This paper presents and discusses the major applications and recent research advances of MPC in the field of high-power converters and industrial drives. The classic concepts and implementation principles of MPC for power electronic control are reviewed, followed by the classification and application schemes of MPC in electrical drive systems. This paper discusses typical MPC techniques. Based on the results of extensive discussions on the latest research, this paper analyzes some key application issues of MPC in industrial control solutions, including the optimization and elimination of weighting factors, improvement of steady-state performance, and robustness improvement. It also covers research trends in advanced MPC. By reviewing advanced MPC solutions, this paper contributes to enhancing the performance in applications of high-power converters and industrial drives, and providing multiple perspectives to improve control performance of MPC. The presented content aims to provide readers with a precise overview and facilitate their future research in this attractive area.
1. Introduction
In the application field of power electronics control, power converters and industrial drives are important electrical devices in modern industrial production processes [1]. The advanced control technologies for high-power converters and motor drives have effectively promoted the development of industrial automation [2]. Model predictive control (MPC) has a simple structure, an intuitive concept, and the ability to handle multi-constraint and nonlinear problems. Hence, MPC has been one of the most popular control methods in industrial applications and academic research [3].
MPC is a very important control method in the field of advanced process control. After years of development, MPC has gradually formed a rough idea based on optimal control theory while ensuring stability. Rawlings and Muske studied the stability problem of constrained MPC, providing important theoretical support for the early application of MPC. Mayne et al. discussed in detail the stability and optimality of constrained MPC, and proposed the basic control framework and stability conditions of MPC [4], which has an important impact on the theoretical application and method promotion of MPC. In [5], Camacho and Bordons discussed the key application issues of distributed MPC, which improves the ability and applicability of MPC to cope with complex system control in distributed architecture. Morari and Lee provided a phased overview of the key technologies of MPC and provided guidance for the future development of MPC [6]. In [7], Allgöewer reviewed research that covers the basic framework and key challenges of nonlinear MPC, and delved into the practical application challenges of nonlinear predictive control. Alamir and Bornard verified the stability of the rolling time-domain optimization method, laying a solid foundation for the subsequent development of MPC [8]. Cannon et al. solved the problem of difficulty in online calculation of stochastic model predictive control, thereby further expanding the wide application of MPC in real-time systems [9]. The pioneers in the field of MPC research mentioned above have made indelible contributions to the development of MPC, leading to the industrial application of MPC approaching maturity.
The advanced MPC technology for converters and motor drives is located in the interdisciplinary research area of power electronics, optimal control with constraints, and mathematical optimization. MPC is initially applied to industrial process control with great success. In recent years, due to rapid improvements in controller performance and underlying solution algorithms, MPC has made significant progress in the areas of power converter and power system control. It has become the most attractive control strategy for converters and motor drives. According to the selection range of candidate elements in the control set, MPC strategies can be further subdivided into two types: continuous control set MPC (CCS-MPC) and finite control set MPC (FCS-MPC), as shown in Figure 1.
Figure 1.
Classification of MPC strategies.
CCS-MPC uses mathematical tools to find the optimal solution to the cost function and obtain the optimal control quantity. According to whether the optimization objective includes system constraints, CCS-MPC includes generalized predictive control (GPC) and explicit MPC (EMPC). GPC is an excellent method for solving optimal control variables, but it can only be used for linear or linearized models and is only applicable to some unconstrained CCS-MPC. When the optimization objective of CCS-MPC needs to include system constraints, the constrained optimization problem can be transformed into an offline multi-parameter quadratic programming problem, and the optimal control law can be determined by online look-up table, known as EMPC.
FCS-MPC has excellent dynamic performance, and fully utilizes the discreteness and finiteness of the converter to enumerate candidates, and then determines the optimal control quantity by minimizing cost function. Considering the different control quantities applied, FCS-MPC includes optimal switching vector MPC (OSV-MPC) and optimal switching sequence MPC (OSS-MPC). OSV-MPC treats all possible voltage vectors (VVs) generated by the converter as candidate solutions in the control set. Based on the prediction equation, OSV-MPC calculates the future values of the control objectives. The merit-seeking problem is solved by traversal search. In contrast, the control set of OSS-MPC is composed of a certain number of switching sequences, which implements a modulator-like function, improves control accuracy, and achieves a relatively fixed switching frequency. Due to its advantage in terms of optimization difficulty, FCS-MPC is currently more suitable for use in industrial power electronic real-time control systems [10].
According to [11], based on basic control concepts, MPC was classified and the characteristics of control structures were summarized. By moving a huge part of the calculational effort offline, the online calculation time of MPC is in the same range as for PI controllers, which proves its applicability in the field of power control [12]. According to [13], the feasibility of MPC in the control application of three-phase VSI has been confirmed. According to [14], MOOP in different application scenarios was discussed, and the flexibility and wide applicability of the MPC algorithm in dealing with constraint conditions has been further verified through the design of cost functions. As research into MPC deepens, a plethora of control schemes have been developed to address specific control problems in power electronics and motor drives, demonstrating enhanced efficacy over traditional methods [15].
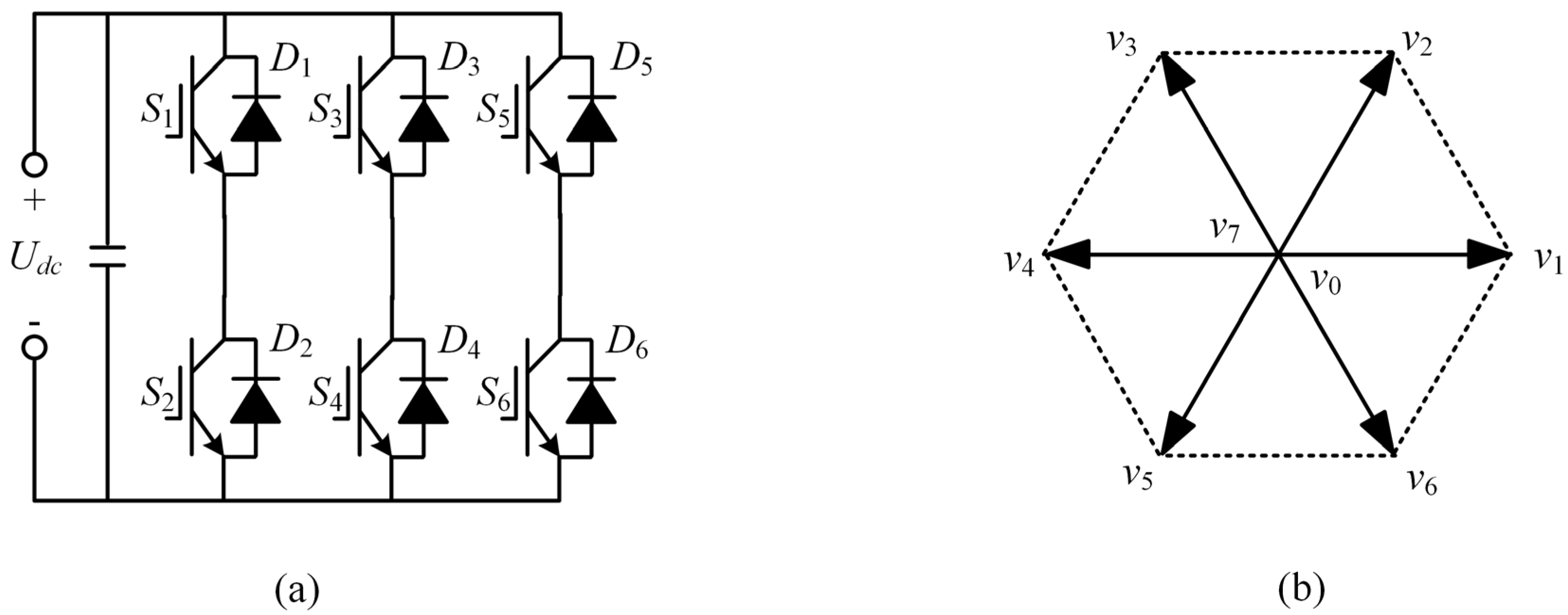
With the increasing performance requirements of high-power converters, the traditional control schemes are unsatisfactory in terms of multi-objective optimization problem (MOOP), free constraint addition, and debugging cost. The conventional two-level voltage source inverter (2L-VSI) topology is widely used in various power converter applications such as inverters, rectifiers, active filters, and uninterruptible power supplies [16]. As shown in Figure 2, 2L-VSI can generate eight fundamental VVs. v1~v6 are active VVs. v0 and v7 are the null VVs.
Figure 2.
Two-level voltage source inverter and fundamental VVs: (a) 2L-VSI, (b) fundamental VV distribution.
Since the number of switching states is limited, MOOP can be simplified and converted to predict the system behavior for only feasible switching states. As a result, MPC has demonstrated unique control advantages over traditional power converter control. Owing to the advantages of low switching stress, excellent output voltage quality, and easy modularization, the multilevel converter has been considered as a better solution for medium-voltage and high-voltage power applications [17,18].
Furthermore, MPC has become a highly competitive control scheme in induction motor (IM) and permanent magnet synchronous motor (PMSM) drive systems. MPC has demonstrated good control performance and the ability to handle nonlinear problems in complex AC motor drive systems with multiple inputs and outputs. Different from classic field-oriented control (FOC), MPC eliminates the PI current controller, which effectively improves the bandwidth of the current loop, so it provides faster dynamic response than FOC [19]. MPC replaces the hysteresis controller and switch table in direct torque control (DTC) with predictive equations and cost functions, resulting in more effective vector selection and better steady-state performance [20]. In fact, MPC has shown significant control advantages in three aspects: multi-objective optimization capability, dynamic performance, and ease of algorithm implementation. MPC combines the control advantages of classical FOC and DTC, to some extent, with good dynamic performance and a relatively simple control structure. Typically, only a PI controller is required for speed control. However, there are still some issues that need to be addressed in MPC, such as the need to further promote the parameter robustness and steady-state tracking error of conventional strategies.
Hence, the advanced model predictive control technology for high-power converters and motor drivers has become a hot research topic in the field of industrial power electronic control. To this end, this paper attempts to review some important research progress in the field of MPC technologies for high-power converters and industrial drives recently, and discuss and summarize the key technologies of MPC.
The rest of this paper is organized as follows. First, the basic concepts and principles of MPC are introduced. Subsequently, the typical MPC techniques are reviewed. Then, the key application issues of MPC for power converters and motor drivers are discussed, and then a summary of the corresponding solutions has been provided. Finally, the development trend of advanced MPC research is anticipated.
2. Basic Concepts and Principles of MPC
Generally, MPC is a highly effective time-domain control method, which is an important branch of advanced process control. Compared to traditional frequency domain control, its modelling process is simpler. Combined with flexible cost function design, MPC can easily handle various constraint problems. In addition, MPC can effectively perform multivariable control, which makes it very advantageous for multi-input and multi-output control systems. Unlike general PI controllers, MPC eliminates the need for an anti-saturation mechanism and additional active damping. It also makes controller design and debugging easier and more efficient.
Based on the system model, MPC attempts to predict future system behavior and solves an open-loop optimal control problem in the finite time domain. It then determines the current control action and updates status information at each sampling instant. In terms of the control application fields of converters and motor drives, the basic properties of MPC can be summarized as prediction models, constraints, cost function evaluation, rolling optimization, and feedback correction. The general control structure of MPC is shown in Figure 3.
Figure 3.
General control structure of MPC.
When performing multivariable control, the process of establishing a prediction model from the state equation is relatively simple and can more accurately describe the dynamic evolution process of the system. Therefore, the prediction model can be established by the state equation of the system, and the prediction equation can be obtained for calculation. Therefore, the prediction equation obtained in the discrete time domain is as follows.
where x represents the state variable of the control object. A, B, and C denote the state, input, and output coefficient matrices, respectively.
Considering the application of MPC in motor drive, taking IM as an example, (1) is further described. In α–β stationary frame, stator current is = isα + jisβ and stator flux ψs = ψsα + jψsβ are selected as the state variables x = [is ψs]T. us = [usα usβ]T is the stator voltage vector. Hence, the coefficient matrix of the state equation is further described as follows.
where Rs is stator resistance, Rr is rotor resistance, Lm is mutual inductance, Ls is stator in-ductance, Lr is rotor inductance, ωr is the rotor electrical angular speed, and is the total leakage coefficient.
The electromagnetic torque Te can be described as follows.
where J is the moment of inertia and TL is the load torque.
According to the above equation, when selecting the state equation as the prediction model, the predicted output value of the control object at k + l sampling instant is
Constraints are very common in MPC, usually requiring constraints on input variables, state variables, and output variables in the system to meet the physical or circuit hardware constraints in reality, and these constraints often lead to nonlinearity of the system. During system operation, it is also necessary to constrain some state variable of the system, such as limiting the current of the converter or motor. These constraints are often applied to the system state variables in the form of soft constraints. In addition, specific control requirements can also be achieved by selectively adding some soft constraints to the control objectives. For example, upper and lower limits can be applied to torque, flux, and decoupled current for constraint control, so that the control objective remains within the preset control range, rather than strictly following its reference value.
The cost function can evaluate and compare the tracking error between the reference and predicted values of different control objectives, and select the optimal control solution by minimizing the cost function. In MPC, the design of the cost function is quite flexible as it can achieve integrated optimization of multiple control objectives and adjust the control weights between each control objective by combining weighting factors, thereby achieving effective multi-objective control. Generally, the cost function can be described as follows.
where N denotes the predicted time domain, x* is the reference value, xp denotes the predicted value, and Q denotes the weighting factor. Yc denotes the constraint condition of the system containing nonlinear components.
The optimization process of MPC is not completed offline in one go, but is repeated online within a finite time domain, which is called rolling optimization. At each sampling moment, MPC repeats the steps of prediction, optimization, and control implementation to achieve dynamic control of the system. In the above optimization process, MPC usually considers specific performance indicators such as minimizing the reference tracking error of the system, and then selects the optimal operation sequence uopt(k) for the control variables.
The optimization stage of MPC also includes feedback stage, which aims to correct control variables to reduce output bias. MPC only applies the first element of the obtained optimal sequence to the system. The reference output in the future prediction is employed in the construction and optimization process of the cost function. Subsequently, the prediction error between the reference and the actual values is optimized as part of the cost function. This feedback correction mechanism also ensures the tracking performance and robustness of MPC in practical applications.
The real-time optimization performance of MPC is highly valued for solving increasingly complex industrial application problems, especially for high-frequency decision-making and large-scale problems. Therefore, code optimization and computation acceleration tools play a crucial role in improving computational efficiency, reducing latency, and supporting real-time control requirements. The characteristics of the three common optimization tools for MPC at present are shown in Figure 4.
Figure 4.
Common optimization tools for MPC.
MATLAB is an important tool for real-time optimization of MPC, especially widely used in control simulation and rapid prototyping development. CasADi supports automatic differentiation and multiple solver interfaces, making it highly suitable for fast solving in MPC, which can provide support for controllers to solve large-scale nonlinear optimization problems. Similar optimization solvers and real-time code generation tools include OSQP, qpOASES, and FORCES Pro. In addition, ACADO Toolkit provides strong support for real-time optimization of MPC through its symbol calculation, automatic differentiation, embedded code generation, and nonlinear solving capability. Similar high-performance nonlinear optimization solvers include IPOPT, which is suitable for MPC for large-scale constrained problems. In summary, choosing a suitable real-time optimization tool requires comprehensive consideration of the controller’s response time, accuracy, stability, resource utilization, and industrial compatibility [21]. For embedded systems, CasADi and ACADO provide fast and stable solutions. For MPC applications that require high precision, MATLAB solvers can ensure optimization accuracy. Under high real-time requirements, the performance of CasADi may be superior to MATLAB. In complex industrial control simulation, MATLAB’s flexibility and support for a rich function library may be more advantageous.
MPC methods can be classified from a control theory perspective based on various factors such as system dynamics, constraints, optimization approach, and robustness. As the main MPC methods, linear MPC, robust MPC, and nonlinear MPC play an important role in industrial applications [22]. Their corresponding classifications and features are shown in Figure 5. Linear MPC is effective for systems that can be accurately represented by linear models. By employing quadratic programming or linear programming for solving the optimization problem, linear MPC maintains computational efficiency, making it feasible for real-time applications. Linear MPC’s ease of implementation, coupled with its scalability and constraint-handling capability, makes it a versatile choice in various industrial, automotive, and energy applications. Robust MPC is designed to handle system uncertainties and external disturbances that can affect model accuracy and system performance. Unlike standard MPC, which optimizes based on a fixed model, robust MPC incorporates uncertainties directly into its control model, ensuring performance under a range of potential system variations [23]. Although this method increases computational complexity, it ensures that the control actions satisfy safety and performance constraints under all considered uncertainties. Robust MPC is particularly beneficial in systems where maintaining reliable performance and constraint adherence is critical, even with model inaccuracies, such as in aerospace, energy management, and advanced manufacturing. Nonlinear MPC is tailored for systems where dynamics cannot be accurately captured by linear models. Unlike linear MPC, nonlinear MPC directly incorporates nonlinear system models into the optimization process, enabling it to handle complex dynamics and achieve higher precision in control tasks. This nonlinear optimization increases computational demands, often requiring iterative solvers and specialized algorithms [24]. Despite the added complexity, nonlinear MPC provides a robust framework for achieving precise control in nonlinear and multivariable systems, delivering optimal performance and constraint adherence even in highly dynamic environments.
Figure 5.
MPC methods from the perspective of control theory.
In terms of model features, both linear MPC and robust MPC are based on linear models, while robust MPC further considers the existence of system uncertainty. Nonlinear MPC uses nonlinear models to describe the dynamic behavior of a system, such as state space nonlinear models, nonlinear regression models, neural network models, and mechanism models. In terms of computational complexity, linear MPC has high computational efficiency and is suitable for real-time applications due to its simple optimization problems. Robust MPC often uses min–max optimization or scenario optimization to handle uncertainty, with slightly higher computational complexity than linear MPC, as it requires consideration of multiple possible system states. Nonlinear MPC commonly uses sequential quadratic programming or interior point method, which has a large computational load and slow optimization solving speed, especially as the system dimension increases, and it is difficult to meet real-time requirements, which usually requires stronger computational resources or optimization algorithm improvements. In terms of system uncertainty, linear MPC is sensitive to external interference and model errors, and cannot effectively handle uncertainty. Robust MPC considers uncertainty as part of optimization and has better anti-interference ability and safety. Nonlinear MPC has natural advantages in dealing with nonlinear dynamics, but does not directly consider robustness, so it needs to be combined with other methods (such as observers or gain scheduling) when dealing with uncertainty [25]. In summary, linear MPC has the most advantage in computational efficiency and is suitable for linear systems. Robust MPC has significant advantages in control safety and robustness, and is suitable for systems that are sensitive to uncertainty. Nonlinear MPC performs well in handling complex nonlinear dynamics, but it requires a large amount of computation and is suitable for high dynamic and high-precision control tasks.
3. Typical Applications of MPC
In the industrial process of modern society, the electrical transmission system, as an important device for converting electrical and mechanical energy [26,27,28,29], plays a crucial role in the industrial field. As important pieces of equipment in electrical transmission systems, high-efficiency AC motor systems have become a focus of attention in the global industrial field of electrical transmission. The typical structure diagram of the industrial transmission system is shown in Figure 6. Efficient and reliable system operation can be achieved by providing high performance control of power converters. The next step is to summarize the typical applications of MPC for power converters and motor drives, respectively.
Figure 6.
Typical structure diagram of the industrial transmission system.
3.1. MPC for High-Power Converters
For power converters, the control schemes based on MPC have been widely studied and applied. MPC is highly effective in various types of power converters such as DC/DC converters [30], active rectifiers [31], 2L-VSI, three-level inverter [32], matrix converters [33], and modular multilevel converters [34]. Some typical applications of MPC for high-power converters are shown in Figure 7.
Figure 7.
Typical applications of MPC for high-power converters [30,31,32,33,34].
In [35], the authors present a CCS-MPC designed for DC/DC converters, which have bilinear dynamic structures and allow generalized control design. According to [36], a sequential MPC based on the optimal sector method for current source rectifier is proposed, and a duty-cycle-based modulation is applied to provide fixed frequency operation. Active damping based on virtual impedance is embedded in the current control to suppress oscillations and current harmonics. According to [33], an MPC method is proposed to optimize switching frequency and simultaneously adjust the common mode voltage in a direct matrix converters supply system, while keeping the sinusoidal load and source current close to the device input power factor. In addition, to simplify algorithm structure while processing different targets, appropriate normalization techniques have been implemented to scale the errors in each target. In [37], a hybrid multi-vector MPC strategy for internal interleaved hybrid multilevel converters is proposed, and it achieves separation of low-frequency and high-frequency regions. From the typical applications of MPC in power converters mentioned above, it can be seen that MPC has played a huge advantage in solving control problems, especially in multilevel converters. By combining effective control complexity reduction algorithms, MPC has achieved more effective converter control [38,39].
3.2. MPC for Industrial Drives
Compared to its application in converters, MPC has a more diverse range of applications in motor drives. As shown in Figure 8, MPC is a powerful control technique that is increasingly applied across a wide range of industrial drive applications, such as motor control, electric vehicle, wind and hydroelectric power generation, industrial process control, etc.
Figure 8.
Typical applications of MPC for high-power converters.
According to specific control objectives, the application of FCS-MPC can be divided into different control strategies, such as model predictive torque control (MPTC), model predictive current control (MPCC), model predictive flux control (MPFC), and model predictive speed control (MPSC). MPCC can directly predict the stator current component through decoupling control, thereby achieving faster current loop response than FOC [40]. The research results of [41] indicate that the current ripple of MPCC is much larger than FOC, and the harmonics concentrate on low-frequency band, which is different to FOC. Similar to DTC, MPTC can achieve good performance, and control torque and stator flux directly. Therefore, MPTC is considered an important alternative to DTC [42]. The research results of [43] indicate that DTC has larger ripples than MPTC. In terms of THD, MPTC achieved better current quality than DTC. In [44], the comparisons of MPC methods and conventional PI-based methods are presented. The research results of [44] indicate that the torque error of MPTC is the smallest of the three methods. Compared with DTC, MPTC and MPCC show a better control performance and the tracking errors are smaller. The three methods have a fast dynamic response. Different from MPTC, MPFC can directly control the stator flux, achieving good control performance while eliminating the weighting factor [45]. Free from the classic cascaded double closed-loop structure, MPSC incorporates both speed and current into the cost function for evaluation, and further improves the dynamic response of speed control [46]. As shown in Table 1, different types of conventional MPC methods are summarized to demonstrate their technical characteristics, including control objectives, classical cost function design, and corresponding control advantages and disadvantages, as well as improved applications for motor drives. In addition, Figure 9 and Figure 10 show the structure diagram of conventional MPCC and MPTC, respectively. By comparison, the differences and connections in the application of different MPC technology solutions can be seen.
Table 1.
Typical characteristics and applications of MPC.
Figure 9.
Structure diagram of conventional MPCC.
Figure 10.
Structure diagram of conventional MPTC.
The real MPC technologies for high-power converters and industrial drives are increasingly being adopted across various industries due to their ability to optimize performance, improve energy efficiency, and enhance system stability in complex, dynamic environments. MPC is particularly valuable in applications such as electric vehicle (EV) motor drives, renewable energy systems (e.g., wind turbines and solar inverters), and industrial motor control, where traditional control methods like FOC and DTC fall short. The technology allows for real-time optimization of system parameters, providing better load handling, reducing harmonic distortion, and increasing overall efficiency. Companies like Siemens and ABB have successfully deployed MPC in electric vehicle motor drives, high-efficiency power converters, and wind turbine systems. Rockwell Automation has successfully implemented MPC in high-power converters and drives, driving its growth in the market. Despite its advantages, the high computational demands and integration complexity remain barriers to broader adoption. However, with advancements in computational hardware and software, the adoption of MPC in industrial automation, electric vehicles, and power electronics is expected to continue growing, contributing to a more efficient and sustainable energy future.
4. Key Application Issues for MPC
Since its development, MPC has also faced some key issues that need to be addressed. Recently, many studies have explored these issues in depth and developed many effective MPC strategies.
4.1. Optimization and Elimination of Weighting Factors
The evaluation of candidate solutions by cost functions is an effective means of multi-objective optimization in predictive control methods, and cost functions can provide support for the design of constraints involving multiple control objectives and different shapes. In conventional MPC, the cost function requires weighting factors. By changing weighting factors, it is possible to adjust the priority relationship between multiple control objectives. The weighting factor design is very important for MOOP in MPC. However, weighting factor tuning is not an easy task, and there is currently no unified design principle based on mature theories. Most of them are determined by trial and error or based on a large number of simulations and experiments. This empirical process of weighting factor tuning is time-consuming, and an inappropriate choice of weighting factor can even lead to a deterioration in system control performance. The different methods for optimizing and eliminating weighting factors can be summarized as shown in Figure 11.
Figure 11.
Optimization and elimination of weighting factor.
Based on specific criteria, some MPC strategies design weighting factors to avoid the traditional tuning process of weighting factors based on experience. In [54], the authors analyzed the impact and reasons of weighting factors on the dynamic and static performance of torque and flux control, and designed weighting factors based on the principle of balancing voltage sensitivity with control objectives. In [55], the author aimed to minimize current distortion and used algebraic methods to calculate the optimal weights. Other studies are dedicated to obtaining online optimal solutions of weighting factors. In [56], an intelligent algorithm of compromise sorting was adopted to achieve online solution of weighting factors in the objective function, but the calculation was complex and time-consuming. In addition, other intelligent optimization algorithms have also been introduced into the processing method of MPTC weight factors to achieve motor optimization control under multiple constraints of torque, flux, and inverter switching frequency, such as the particle swarm optimization (PSO) algorithm [57], genetic algorithm [58], and neural network algorithm [59]. Although various online weighting factor configuration strategies have been developed by combining algebraic methods or intelligent algorithms, the appropriate determination of optimization criteria is still a problem that these methods have to face. Inappropriate optimization criteria can reduce the performance of other aspects of MPC.
By eliminating weighting factors, complex weighting-tuning processes can be avoided in principle. Some methods explore the relationships between variables such as flux, torque, and voltage by transforming the control objectives. Through variable substitution and other techniques, the control objectives in the cost function are simplified from multiple to single objectives, thereby eliminating the need for weighting factors. According to [60], by directly predicting torque and its duality, the proposed method transforms the prediction equation into a multi-scalar form, thereby eliminating the weighting factor. According to [61], the voltage control variable is directly used to design the cost function, which improves the elimination of weighting factors and reduces computational burden. In addition, as shown in Table 2, some other MPC methods consider the elimination of weighting factors from the perspective of changing the structure or valuation form of the cost function. The cost function is split into a single objective, such as and , then evaluated independently.
Table 2.
MPC with changing cost function evaluation form.
In addition, fast computation-based MPC methods are also presented, in which the optimal solution is directly calculated. In previous MPC methods, the merit-seeking problem is solved by traversal search. However, enumerating all candidate solutions is not conducive to reducing computational burden. For this reason, relevant fast FCS-MPC methods are developed to greatly simplify or even eliminate the conventional traversal process. Based on the obtained magnetic flux reference vector, The optimal solution decision-making process has been greatly simplified, and duty-cycle control has been achieved in [50]. By solving the reference voltage, Ref. [68] directly selects the optimal voltage vector in single-vector control, and only needs to traverse three candidates to determine the optimal solution in dual-vector control. For MPCC, Ref. [66] projects the current error vector onto the active voltage vector to reduce the number of candidate active voltage vectors without the need for additional coordinate transformations and related trigonometric calculations. In the above fast FCS-MPC methods, evaluating every possible solution is avoided. To further improve the performance of MPCC based on reference current, Ref. [69] proposes a reference variant FCS-MPC approach to truly comply with the boundary settings. The problem of limited input quantity in conventional reference-current-based methods has been improved by introducing a limited number of reference variants. Ref. [70] avoids the combinatorial optimization phase of standard FCS-MPC, which is based on physical insights obtained from the application of FCS-MPC to multi-phase drives leading to the concept of evolutionary gap regions. As a result, the sampling period can be reduced while producing predictive control.
In multi-phase motor drive systems, the methods of eliminating weighting factors have also received attention. In [71], a sensor-less MPTC scheme for a five-phase IM drive is presented. Based on synthetic voltage vector, it eliminates common-mode voltage and the harmonic current in the xy-subspace. A five-phase PMSM MPTC scheme using dual virtual voltage vectors is proposed in [42], which applies the geometric principle to select the second voltage vector and calculate the vector duration. Based on the dual d-q model of the motor, Ref. [72] redefines the prediction stage of the asymmetric six-phase IM FCS-MPC; the proposed method obtains four control variables with the same priority, and eliminates the need to design weighting factors in the cost function.
In addition, MPCs with weighting factor determination have also been reported, which are based on the actual operating point [73]. In [74], the analytical expressions for the weighting factors are derived, and it aims to ensure good operational performance of current closed-loop control by minimizing current distortions. For multi-phase IM drive systems, Ref. [75] defines a performance index relative to the observed behavior, and the cost functions are derived from an optimization of said index. Hence, the weighting factor determination has been achieved. Ref. [76] reviews various weighting factor design methods, and it reveals the advantages and disadvantages of existing methods.
The weighting factor elimination avoids complex tuning processes, which is beneficial for shortening development time. However, the impact of weighting factor elimination on MPC is not only positive. The weighting factors of cost function provide flexibility for adjusting the weighting relationship between control objectives [72,77]. Eliminating weighting factors makes it difficult for conventional MPC to freely modify important components between different control objectives. At present, there is no clear conclusion on whether to retain weighting factors, and further research is needed.
4.2. Improvement of Steady-State Control Performance
Conventional MPC applies a single vector throughout the entire control period, resulting in the steady-state control performance being unsatisfactory. Expanding the control set for multi-vector control is an effective method to reduce tracking error. By increasing the number of voltage vectors applied within one control cycle, the tracking performance is improved to minimize the reference value tracking error and achieve higher control accuracy. Multi-vector control can be further divided into duty-cycle control, two-vector control, and multi-vector control. Duty-cycle control is a combination of combined active VV and null VV applied simultaneously within one control period. Due to the fact that the second vector of its VV combination is fixed as a zero vector, it greatly retains the advantages of simple implementation of single-vector-based MPC, but the performance improvement is still relatively limited [78]. Considering the relatively low control freedom of duty-cycle control, the selection range of the second VV in the application combination can be further expanded, thereby realizing the two-vector-based control to better improve performance. In [79], the authors achieve two-vector control of torque and flux without the weighting factor based on a dynamically adjustable torque boundary. Compared to the conventional method, the proposed MPC in [79] reduces the torque ripple from 0.4320 to 0.3492 Nm at the rated speed. In [80], a hysteresis form of two-vector-based model predictive control method is proposed, and it effectively controls the current error within an acceptable range at low sampling frequency, so the current THD (4.94%) in [80] is nearly 1% less than that (5.87%) in single-vector method. Considering the limitations of vector combination in duty-cycle control, a generalized two-vector control method is developed [81]. According to the principle of torque deadbeat control, the action time of active VV is solved, which can effectively reduce the torque ripple of conventional MPTC. In [82], an improved two-vector sequential MPC is presented, which achieves two-vector control with targeted optimization methods for torque and flux. In addition, to expand the control set to a greater extent, some ways of considering applying more vectors have been developed to increase the degree of control freedom. By establishing an effective vector selection table, the three-vector control strategy is proposed [83], which can further suppress flux fluctuations. In [84], the authors combine discrete space vector modulation (DSVM), and a multi-vector MPTC strategy with equal interval action time is proposed, and further determines candidate combinations based on the planning method of switching table in DTC. In [85], the authors propose a universal multi-vector-based MPC method that expands the number of DSVMs to a greater extent, and reveal the inherent relationship between the two-vector MPC method it was based on and the DSVM method using deadbeat control.
In addition, for most existing MPC methods, the interaction between computational complexity and weighting factors in the cost function is critical to optimizing performance. As the weighting factors are adjusted to prioritize specific control objectives, such as torque tracking or minimizing energy dissipation, this has a significant impact on the behavior and stability of the system. However, a key consideration is the effect of switching frequency; reducing or limiting the switching frequency usually results in an increase in current harmonics [86]. These harmonics can exacerbate heating and electromagnetic interference problems, which can affect overall system efficiency and lifetime. Therefore, while striving to simplify the computational load, it is necessary to carefully balance these weighting factors to ensure that the final control strategy does not inadvertently reduce performance through higher order harmonic distortion. Although MPCs based on reference vector can eliminate weighting factors and greatly simplify the prediction calculation process, limited candidate solution inputs can also reduce control degrees of freedom, leading to performance degradation of certain indicators [69]. Therefore, future development of MPC strategies that take into account different control objectives, such as low computational cost, good tracking accuracy, and effective multi-objective optimization, should seek to balance and compromise the results. This is a promising research field, and related studies are still ongoing.
To describe the technical features of improved MPC methods, Table 3 provides a comprehensive comparative analysis for related methods in recent years. Note that improved MPC is moving towards high performance and low complexity.
Table 3.
MPC with changing cost function evaluation form.
4.3. Robustness Improvement
Since predictive control is essentially a model-parameter-based method, model parameters are often used for prediction calculations during the prediction and control process. If the parameters change or are subject to external disturbances, the predicted values of the control target will deviate, which has a negative impact on the optimal solution selection and reduces the overall control performance of the MPC algorithm. Therefore, improving the robustness of MPC is also a key research issue [87].
MPC strategies combine online engine parameter identification technology to provide more accurate parameters for predictive models. Extended Kalman Filter is employed to obtain the stator current error [88], which tries to replace the measured stator current and is fed back into the prediction model, achieving lower current THD while improving robustness. Ref. [89] deploys the concept of the EKF to identify the resistance and inductance in real time online, and estimates the grid variables. Then, based on artificial neural network, the proposed method selects the optimal weighting factor set among the predefined weighting factor sets, which are calculated using the PSO algorithm for different conditions of the circuit.
Some MPC strategies unify parameter mismatch and external disturbances as errors by combining observer technology. The designed observer monitors the errors and feeds them back to the control loop for compensation. A sliding mode observer is designed for feedback error observation, and the obtained nonlinear error feedback term is back to the system model to deal with parameter uncertainty and unexpected disturbances [90]. In response to the problems of traditional speed loop PI controllers in dealing with load torque disturbances and unsatisfactory setpoint generation, a feedforward compensation strategy based on a disturbance observer is adopted to improve robustness and promote control performance [91]. In [92], an improved MPC method based on observer-predictor is proposed, which modifies the conventional motor prediction equations with the voltage and current hybrid model.
5. MPC Research Priorities and Trends
Since the development of MPC technology, some basic control problems have been solved, but there are still some issues that need further in-depth research, such as strict proof of global stability and further reduction of computational efficiency under multi-step conditions.
To avoid prior knowledge of model information and weighting-factor-tuning, model-free MPC is combined with data-driven technology for robust improvement [93,94,95,96]. Inspired by artificial intelligence methods, Ref. [97] integrates data-driven and event-driven design framework, and presents an online learning MPC for power converters. The dynamic-linearization data model is utilized to equivalently reformulate the governed power converter at each operation point in [98]. In pursuit of accurate modeling, the time-varying parameters of the data model are updated online by an adaptive linear neural network. On the other hand, due to improvements in computational efficiency, CCS-MPC has also made some progress [99,100]. Owing to Laguerre functions, Ref. [101] presents a CCS-MPSC with a long prediction horizon, and the dynamics of the equivalent speed tracking error and the direct-axis current are naturally decoupled. In [102], a CCS model-free predictive control based on a time-series subspace is proposed. This method constructs a time-series subspace model from data and creates a suitable control law using the recursive least squares algorithm and Lagrange method without any time-varying physical parameters, to predict the future behavior of the stator voltage. Ref. [103] proposes an improved implicit CCS-MPCC method, which has strong parameter robustness against stator resistance and inductance variations. In addition, some new fusion MPC methods have also been attempted to further improve the control performance of conventional MPC in various aspects [46,100]. Ref. [104] introduces a semiclosed loop MPCC, and it fully accounts for the Lagrangian approach for the dynamic model of the servo system. Considering nonlinear factors, the proposed method significantly enhances the control accuracy of crank position and speed. Different from FCS-MPC assessing seven basic voltage vectors, Ref. [86] offers optimized candidate solutions considering one, two, three, and four vectors during one control period to obtain superior steady-state performance and controllable switching frequency. An adaptive inertia observer-based model-free MPCC strategy is proposed in [105], and it achieves inertia matching between system inertia and load inertia based on online estimated load torque, reducing the influence of inertia mismatch. Ref. [106] proposes a direct optimal input determination data-based MPCC method, where raw input–output data are collected online and stored to directly determine the optimal control action, skipping the stage of parameter identification. Implementing MPC in industrial environments typically requires a significant amount of hardware resources, thus requiring a trade-off between high-performance processor cost and system performance. On the other hand, the large computational complexity of MPC can also lead to issues of power consumption and device aging in the control system, which is crucial for some MPC systems that require long-term continuous operation. Therefore, the energy demand and economic cost of MPC should also become key indicators for evaluating MPC methods in the future. Reasonable energy efficiency improvement for MPC will become a highly anticipated research direction. Some important research directions and trends are also worth considering as follows.
- (1)
- The future trend is to combine MPC with intelligent algorithms such as machine learning and advanced optimization algorithms to achieve intelligence and adaptive control. The above-mentioned combined research can further enhance the adaptability and robustness to cope with complex and ever-changing working environments.
- (2)
- In practical applications, power converters and motor control systems often have to satisfy several performance indicators simultaneously (such as energy efficiency, response time, stability, etc.). Therefore, an important research trend is the design and implementation of multi-objective optimization algorithms to achieve a balance between multiple performance indicators. The optimization problems for 2–3 control objectives and corresponding weighting factors have been basically addressed. However, the optimization problems for more control objectives, as well as issues related to tuning and computational burden, are still under investigation,
- (3)
- In practical applications, power converters and motor control systems have high real-time and reliability requirements. More attention needs to be paid to the accuracy, real-time performance and robustness of the model. On this basis, efforts should be made to improve the real-time responsiveness of the MPC algorithm, reduce computational delays, and realize stable operation of the system.
- (4)
- The combination of MPC and optimized pulse modulation should be explored. Pulse modulation is an excellent solution for low-power electronics applications with low switching frequencies, but there is a problem of slow dynamic response. The combination of MPC and optimized pulse modulation can present excellent dynamic and steady-state performance, but the implementation is relatively complex. In addition, it is necessary to calculate and store the optimized pulse modulation angle in advance, and to develop a fully online MPC with excellent steady-state performance to optimize pulse modulation while maintaining fast dynamic response.
6. Conclusions
For high-power converters and industrial drives, MPC has become the most attractive control method. The numerous research results and practical applications have shown that MPC is sufficiently effective and convenient. In this paper, an overview of advanced MPC technologies for high-power converters and industrial drives is presented. Starting from the basic concepts and implementation principles of MPC, this paper discusses in detail the technical characteristics and research progress of different MPC schemes in the terms of power converters and motor drives. Some important solutions to key issues in advanced MPC have been reviewed. Finally, some mainstream research trends of advanced MPC in the next stage are elaborated. Recent research on various MPC schemes pursues comprehensive performance optimization with high control accuracy, low control complexity, and strong robustness. In addition, stability and implementation cost are increasingly valued in practical development to accelerate integration into industrial applications. The above research content is enlightening, and it can provide reference for the theoretical and practical research of advanced MPC technologies for high-power converters and industrial drives.
Author Contributions
Conceptualization, Z.Y. and J.L.; methodology, Z.Y.; software, Z.Y.; validation, Z.Y. and J.L.; formal analysis, J.L.; investigation, J.L.; resources, J.L.; data curation, Z.Y.; writing—original draft preparation, Z.Y.; writing—review and editing, Z.Y.; visualization, Z.Y.; supervision, Z.Y.; project administration, Z.Y.; funding acquisition, J.L. All authors have read and agreed to the published version of the manuscript.
Funding
This research was funded by the Key Project of Education Department of Jilin Province (JJKH20241281KJ).
Conflicts of Interest
The authors declare no conflict of interest.
References
- Lim, G.C.; Shim, J.; Ha, J.I. Review of Electric Drive Techniques: Power Enhancement and Drive Intelligence. IEEJ J. Ind. Appl. 2024, 13, 1–7. [Google Scholar] [CrossRef]
- Venugopal, C.; Bhuvaneswari, T.; Immanuel, S. Analysis of 12 pulse three- phase to three- phase cycloconverter drive for induction motor load. J. Eng. Res. 2023, 11, 100018. [Google Scholar] [CrossRef]
- Vazquez, S.; Rodriguez, J.; Rivera, M.; Franquelo, L.G.; Norambuena, M. Model predictive control for power converters and drives: Advances and trends. IEEE Trans. Ind. Electron. 2017, 64, 935–947. [Google Scholar] [CrossRef]
- Mayne, D.Q.; Rawlings, J.B.; Scokaert PO, M. Constrained model predictive control: Stability and optimality. Automatica 2000, 36, 789–814. [Google Scholar] [CrossRef]
- Camacho, E.F.; Bordons, C. Distributed model predictive control. Optim. Control Appl. Methods 2015, 36, 269–271. [Google Scholar] [CrossRef]
- Morari, M.; Lee, J.H. Model predictive control: Past, present and future. Comput. Chem. Eng. 1999, 23, 667–682. [Google Scholar] [CrossRef]
- Allgöewer, F. Nonlinear model predictive control. IEE Proc.-Control Theory Appl. 2005, 152, 257–258. [Google Scholar] [CrossRef]
- Alamir, A.; Bornard, G. Stability of a truncated infinite constrained receding horizon scheme: The general discrete nonlinear case. Automatica 1995, 31, 1353–1356. [Google Scholar] [CrossRef]
- Cannon, M.; Kouvaritakis, B.; Rakovic, S.V.; Cheng, Q.F. Stochastic tubes in model predictive control with probabilistic constraints. IEEE Trans. Autom. Control 2011, 56, 194–200. [Google Scholar] [CrossRef]
- Ahmed, A.A.; Koh, B.K.; Lee, Y.I. A comparison of finite control set and continuous control set model predictive control schemes for speed control of induction motors. IEEE Trans. Ind. Inform. 2018, 14, 1334–1346. [Google Scholar] [CrossRef]
- Kennel, R.; Linder, A. Predictive control of inverter supplied electrical drives. In Proceedings of the 2000 IEEE 31st Annual Power Electronics Specialists Conference, Galway, Ireland, 23–23 June 2000. [Google Scholar]
- Linder, A.; Kennel, R. Model Predictive Control for Electrical Drives. In Proceedings of the 2005 IEEE 36th Power Electronics Specialists Conference, Dresden, Germany, 16 June 2005. [Google Scholar]
- Rodriguez, J.; Pontt, J.; Silva, C.A.; Correa, P.; Lezana, P.; Cortes, P.; Ammann, U. Predictive current control of a voltage source inverter. IEEE Trans. Ind. Electron. 2007, 54, 495–503. [Google Scholar] [CrossRef]
- Kouro, S.; Correa, P.; Vargas, R.; Ammann, U.; Rodriguez, J. Model predictive control—A simple and powerful method to control power converters. IEEE Trans. Ind. Electron. 2009, 56, 1826–1838. [Google Scholar] [CrossRef]
- Hadla, H.; Santos, F. Performance comparison of field-oriented control, direct torque control, and model-predictive control for SynRMs. Chin. J. Electr. Eng. 2022, 8, 24–37. [Google Scholar] [CrossRef]
- Stanojev, O.; Markovic, U.; Aristidou, P.; Hug, G.; Callaway, D.; Vrettos, E. MPC-based fast frequency control of voltage source converters in low-inertia power systems. IEEE Trans. Power Syst. 2020, 37, 3209–3220. [Google Scholar] [CrossRef]
- Wang, F.; Li, Z.; Liu, Z. Model predictive control methods for three-level sparse neutral point clamped inverter. IEEE J. Emerg. Sel. Top. Power Electron. 2020, 8, 4355–4366. [Google Scholar] [CrossRef]
- Trabelsi, M.; Alquennah, A.N.; Vahedi, H. Review on single-DC-source multilevel inverters: Voltage balancing and control techniques. IEEE Open J. Ind. Electron. Soc. 2022, 3, 711–732. [Google Scholar] [CrossRef]
- Wang, J.; Yang, H.; Liu, Y.; Rodríguez, J. Low-cost multistep FCS-MPCC for PMSM drives using a DC link single current sensor. IEEE Trans. Power Electron. 2022, 37, 11034–11044. [Google Scholar] [CrossRef]
- Wang, Y.; Wu, X.; Dang, C.; Xie, W. A desired voltage vector based MPTC strategy for PMSM with optimized switching pattern. IEEE Trans. Energy Convers. 2022, 37, 970–977. [Google Scholar] [CrossRef]
- Alamir, A. Practical nonlinear MPC algorithms for real-time applications. IFAC Proc. Vol. 2008, 41, 9–14. [Google Scholar]
- Mayne, D.Q.; Falugi, P. Stabilizing conditions for model predictive control. Int. J. Robust Nonlinear Control. 2019, 29, 894–903. [Google Scholar] [CrossRef]
- Cannon, M. Optimizing prediction dynamics for robust MPC. IEEE Trans. Autom. Control 2005, 50, 1892–1897. [Google Scholar] [CrossRef]
- Morari, M.; Maeder, U. Nonlinear offset-free model predictive control. Automatica 2012, 48, 2059–2067. [Google Scholar] [CrossRef]
- Soloperto, R.; Köehler, J.; Allgöewer, F. A nonlinear MPC scheme for output tracking without terminal ingredients. IEEE Trans. Autom. Control 2023, 68, 2368–2375. [Google Scholar] [CrossRef]
- Hang, J.; Wang, X.; Li, W.; Ding, S. Interturn Short-Circuit Fault Diagnosis and Fault-Tolerant Control of DTP-PMSM Based on Subspace Current Residuals. IEEE Trans. Power Electron. 2025, 40, 3395–3404. [Google Scholar] [CrossRef]
- Rong, Q.; Hu, P.; Yu, Y.; Wang, D.; Cao, Y.; Xin, H. Virtual External Perturbance-Based Impedance Measurement of Grid-Connected Converter. IEEE Trans. Ind. Electron. 2024. [Google Scholar] [CrossRef]
- Rong, Q.; Hu, P.; Wang, L.; Li, Y.; Yu, Y.; Wang, D.; Cao, Y. Asymmetric Sampling Disturbance-Based Universal Impedance Measurement Method for Converters. IEEE Trans. Power Electron. 2024, 39, 15457–15461. [Google Scholar] [CrossRef]
- Zhang, J.; Li, H.; Kong, X.; Zhou, J.; Shi, G.; Zang, J.; Wang, J. A Novel Multiple-Medium-AC-Port Power Electronic Transformer. IEEE Trans. Ind. Electron. 2024, 71, 6568–6578. [Google Scholar] [CrossRef]
- Deng, Y.; Song, W.; Yin, S.; Zhong, M.; Yang, K.; Feng, X. A Model Predictive Control Scheme Without Current Sensor of Dual Active Bridge DC–DC Converters: Improving Dynamic Performance and Reducing Hardware Cost. IEEE Trans. Transp. Electrif. 2023, 9, 2916–2928. [Google Scholar] [CrossRef]
- Ni, K.; Gan, C.; Peng, G.; Shi, H.; Hu, Y.; Chen, X. Power-Compensated Triple-Vector Model Predictive Direct Power Control Strategy for Nonredundant Fault-Tolerant Rectifiers. IEEE J. Emerg. Sel. Top. Power Electron. 2023, 11, 3803–3814. [Google Scholar] [CrossRef]
- Huang, Y.; Liu, T.; Ren, Q.; Chen, A.; Zhang, H.; Wang, W. Data-Driven Predictive Control Strategy to Improve Robust Performance for Three-Level Inverters with Reduced Common-Mode Voltage. IEEE J. Emerg. Sel. Top. Power Electron. 2024, 12, 3823–3834. [Google Scholar] [CrossRef]
- Qazi, S.; Mir, T.N.; Bhat, A.H.; Singh, B. Predictive algorithm for control of common mode voltage and switching frequency in direct matrix converter fed system. IEEE Trans. Ind. Electron. 2021, 69, 13316–13325. [Google Scholar] [CrossRef]
- Poblete, P.; Neira, S.; Aguilera, R.P.; Pereda, J.; Pou, J. Sequential Phase-Shifted Model Predictive Control for Modular Multilevel Converters. IEEE Trans. Energy Convers. 2021, 36, 2691–2702. [Google Scholar] [CrossRef]
- Garcés-Ruiz, A.; Riffo, S.; González-Castaño, C.; Restrepo, C. Model predictive control with stability guarantee for second-order DC/DC converters. IEEE Trans. Ind. Electron. 2024, 71, 5157–5165. [Google Scholar] [CrossRef]
- Kumar, G.S.; Bhimasingu, R. Optimal sector-based sequential model predictive control for current source rectifier. IEEE J. Emerg. Sel. Top. Power Electron. 2022, 10, 5833–5843. [Google Scholar] [CrossRef]
- Li, Y.; Diao, F.; Zhao, Y. A hybrid multivector model predictive control for an inner-interleaved hybrid multilevel converter. IEEE J. Emerg. Sel. Top. Ind. Electron. 2022, 3, 1046–1056. [Google Scholar] [CrossRef]
- Liu, H.; Liu, C.; Xing, X.; Zhang, C. A reduced switch hybrid multilevel converter with coordinated control method for current distortion mitigation and capacitor voltages balancing. IEEE J. Emerg. Sel. Top. Power Electron. 2024, 12, 593–606. [Google Scholar] [CrossRef]
- Gao, X.; Tian, W.; Pang, Y.; Kennel, R. Model-predictive control for modular multilevel converters operating at wide frequency range with a novel cost function. IEEE Trans. Ind. Electron. 2022, 69, 5569–5580. [Google Scholar] [CrossRef]
- Xu, W.; Dong, J.; Zou, J.; Liu, Y. Low-complexity multistep model predictive current control for linear induction machines. IEEE Trans. Power Electron. 2021, 36, 8388–8398. [Google Scholar] [CrossRef]
- Niu, L.; Yang, M.; Gui, X.; Xu, D. A comparative study of model predictive current control and FOC for PMSM. In Proceedings of the 2014 17th International Conference on Electrical Machines and Systems (ICEMS), Hangzhou, China, 22–25 October 2014. [Google Scholar]
- Zhao, W.; Wang, H.; Tao, T.; Xu, D. Model predictive torque control of five-phase PMSM by using double virtual voltage vectors based on geometric principle. IEEE Trans. Transp. Electrif. 2021, 7, 2635–2644. [Google Scholar] [CrossRef]
- Ammar, A.; Kheldoun, A.; Metidji, B.; Talbi, B.; Ameid, T.; Azzoug, Y. An Experimental Assessment of Direct Torque Control and Model Predictive Control Methods for Induction Machine Drive. In Proceedings of the 2018 International Conference on Electrical Sciences and Technologies in Maghreb (CISTEM), Algiers, Algeria, 28–31 October 2018. [Google Scholar]
- Xie, H.; Kennel, R.; Wang, F.; Heldwein, M.L.; Rodriguez, J. Comparisons of FCS-MPC schemes and conventional PI-based methods for electrical drive systems. In Proceedings of the 2023 IEEE International Conference on Predictive Control of Electrical Drives and Power Electronics (PRECEDE), Wuhan, China, 16–19 June 2023. [Google Scholar]
- Song, Z.; Cui, Y.; Wang, Y.; Liu, T. Flux-trajectory-optimization-based predictive flux control of permanent magnet synchronous machines. IEEE J. Emerg. Sel. Top. Power Electron. 2021, 9, 4364–4375. [Google Scholar] [CrossRef]
- Nguyen, T.T.; Tran, H.N.; Nguyen, T.H.; Jeon, J.W. Recurrent neural network-based robust adaptive model predictive speed control for PMSM with parameter mismatch. IEEE Trans. Ind. Electron. 2023, 70, 6219–6228. [Google Scholar] [CrossRef]
- Zhang, Y.; Xu, D.; Liu, J.; Gao, S.; Xu, W. Performance improvement of model-predictive current control of permanent magnet synchronous motor drives. IEEE Trans. Ind. Appl. 2017, 53, 3683–3695. [Google Scholar] [CrossRef]
- Sun, X.; Wu, M.; Lei, G.; Guo, Y.; Zhu, J. An improved model predictive current control for PMSM drives based on current track circle. IEEE Trans. Ind. Electron. 2021, 68, 3782–3793. [Google Scholar] [CrossRef]
- Choi, K.; Kim, Y.; Kim, S.-K.; Kim, K.-S. Computationally efficient model predictive torque control of permanent magnet synchronous machines using numerical techniques. IEEE Trans. Control Syst. Technol. 2022, 30, 1774–1781. [Google Scholar] [CrossRef]
- Zhang, X.; Hou, B. Double Vectors Model Predictive Torque Control Without Weighting Factor Based on Voltage Tracking Error. IEEE Trans. Power Electron. 2018, 33, 2368–2380. [Google Scholar] [CrossRef]
- Fu, R. Robust Model Predictive Flux Control of PMSM Drive Using a Compensated Stator Flux Predictor. IEEE Access 2021, 9, 136736–136743. [Google Scholar] [CrossRef]
- Zheng, Z.; Sun, D.; Wang, M.; Nian, H. A dual two-vector-based model predictive flux control with field-weakening operation for OW-PMSM drives. IEEE Trans. Power Electron. 2021, 36, 2191–2200. [Google Scholar] [CrossRef]
- Fuentes, E.; Kalise, D.; Rodriguez, J.; Kennel, R. Cascade-free predictive speed control for electrical drives. IEEE Trans. Ind. Electron. 2014, 61, 2176–2184. [Google Scholar] [CrossRef]
- Gong, C.; Hu, Y.; Ma, M.; Gao, J.; Shen, K. Novel analytical weighting factor tuning strategy based on state normalization and variable sensitivity balance for PMSM FCS-MPTC. IEEE/ASME Trans. Mechatron. 2020, 25, 1690–1694. [Google Scholar] [CrossRef]
- Geyer, T. Algebraic tuning guidelines for model predictive torque and flux control. IEEE Trans. Ind. Appl. 2018, 54, 4464–4475. [Google Scholar] [CrossRef]
- Muddineni, V.P.; Bonala, A.K.; Sandepudi, S.R. Enhanced weighting factor selection for predictive torque control of induction motor drive based on VIKOR method. IET Electr. Power Appl. 2016, 10, 877–888. [Google Scholar] [CrossRef]
- Wang, F.; Li, J.; Li, Z.; Ke, D.; Du, J.; Garcia, C.; Rodriguez, J. Design of Model Predictive Control Weighting Factors for PMSM Using Gaussian Distribution-Based Particle Swarm Optimization. IEEE Trans. Ind. Electron. 2021, 69, 10935–10946. [Google Scholar] [CrossRef]
- Mohammadi, A.; Asadi, H.; Mohamed, S.; Nelson, K.; Nahavandi, S. Multiobjective and Interactive Genetic Algorithms for Weight Tuning of a Model Predictive Control-Based Motion Cueing Algorithm. IEEE Trans. Cybern. 2019, 49, 3471–3481. [Google Scholar] [CrossRef] [PubMed]
- Novak, M.; Xie, H.; Dragicevic, T.; Wang, F.; Rodriguez, J.; Blaabjerg, F. Optimal cost function parameter design in predictive torque control (PTC) using artificial neural networks (ANN). IEEE Trans. Ind. Electron. 2021, 68, 7309–7319. [Google Scholar] [CrossRef]
- Yang, A.; Lu, Z. Multiscalar model-based predictive torque control without weighting factors and current sensors for induction motor drives. IEEE J. Emerg. Sel. Top. Power Electron. 2022, 10, 5785–5797. [Google Scholar] [CrossRef]
- Wu, T.; Lyu, M.; Wu, X.; Yang, M.; Wang, Y.; Huang, S.; Ouyang, X.; Rodriguez, J. Enhanced model predictive control for PMSM based on reference voltage predictive model. IEEE J. Emerg. Sel. Top. Power Electron. 2023, 11, 5290–5300. [Google Scholar] [CrossRef]
- Rojas, C.A.; Rodriguez, J.; Villarroel, F.; Espinoza, J.R.; Silva, C.A.; Trincado, M. Predictive torque and flux control without weighting factors. IEEE Trans. Ind. Electron. 2013, 60, 681–690. [Google Scholar] [CrossRef]
- Norambuena, M.; Rodriguez, J.; Zhang, Z.; Garcia, C.; Kennel, R. A very simple strategy for high-quality performance of AC machines using model predictive control. IEEE Trans. Power Electron. 2019, 34, 794–800. [Google Scholar] [CrossRef]
- Zhang, Y.; Zhang, B.; Yang, H.; Norambuena, M.; Rodriguez, J. Generalized sequential model predictive control of IM drives with field-weakening ability. IEEE Trans. Power Electron. 2019, 34, 8944–8955. [Google Scholar] [CrossRef]
- Wang, F.; Xie, H.; Chen, Q.; Davari, S.A.; Rodriguez, J.; Kennel, R. Parallel Predictive Torque Control for Induction Machines Without Weighting Factors. IEEE Trans. Power Electron. 2020, 35, 1779–1788. [Google Scholar] [CrossRef]
- Chen, J.; Qin, Y.; Bozorgi, A.M.; Farasat, M. Low Complexity Dual-Vector Model Predictive Current Control for Surface-Mounted Permanent Magnet Synchronous Motor Drives. EEE J. Emerg. Sel. Top. Power Electron. 2018, 54, 2655–2663. [Google Scholar] [CrossRef]
- Arahal, M.R.; Satué, M.G.; Barrero, F.; Colodro, F. Variable sampling period multi-phase predictive controller based on regions. Control Eng. Pract. 2024, 151, 1–7. [Google Scholar] [CrossRef]
- Xiao, M.; Shi, T.; Yan, Y.; Xia, C. Predictive Torque Control of Permanent Magnet Synchronous Motors Using Flux Vector. IEEE Trans. Ind. Appl. 2018, 54, 4437–4446. [Google Scholar] [CrossRef]
- Ma, C.; Yao, X.; Li, H.; De Belie, F. Setting up Reference Variants to Comply with Current Boundary Settings in Finite Set Model Predictive PMSM Control. IEEE J. Emerg. Sel. Top. Power Electron. 2021, 9, 5377–5389. [Google Scholar] [CrossRef]
- Arahal, M.R.; Barrero, F.; Durán, M.J.; Ortega, M.G.; Martín, C. Evolutionary gaps stator current control of multiphase drives balancing harmonic content. IEEE Trans. Ind. Electron. 2018, 71, 6886–6893. [Google Scholar] [CrossRef]
- Bhowate, A.; Aware, M.V.; Sharma, S. Speed Sensor-Less Predictive Torque Control for Five-Phase Induction Motor Drive Using Synthetic Voltage Vectors. IEEE J. Emerg. Sel. Top. Power Electron. 2021, 9, 2698–2709. [Google Scholar] [CrossRef]
- Mamdouh, M.; Abido, M.A. Weighting Factor Elimination for Predictive Current Control of Asymmetric Six Phase Induction Motor. In Proceedings of the 2020 IEEE International Conference on Environment and Electrical Engineering and 2020 IEEE Industrial and Commercial Power Systems Europe (EEEIC/I&CPS Europe), Madrid, Spain, 9–12 June 2020; pp. 1–6. [Google Scholar]
- Kowal, A.; Arahal, M.R.; Martin, C.; Barrero, F. Constraint satisfaction in current control of a five-phase drive with locally tuned predictive controllers. Energies 2019, 12, 2715. [Google Scholar] [CrossRef]
- Karamanakos, P.; Geyer, T. Model predictive torque and flux control minimizing current distortions. IEEE Trans. Power Electron. 2019, 34, 2007–2012. [Google Scholar] [CrossRef]
- Arahal, M.R.; Kowal, A.; Barrero, F.; Castilla, M.D. Cost function optimization for multi-phase induction machines predictive control. Rev. Iberoam. Autom. Inf. Ind. 2019, 16, 48–55. [Google Scholar] [CrossRef]
- Zerdali, E.; Rivera, M.; Wheeler, P. A review on weighting factor design of finite control set model predictive control strategies for AC electric drives. IEEE Trans. Power Electron. 2024, 39, 9967–9981. [Google Scholar] [CrossRef]
- Arahal, M.R.; Barrero, F.; Durán, M.J.; Ortega, M.G.; Martín, C. Trade-offs analysis in predictive current control of multi-phase induction machines. Control Eng. Pract. 2018, 81, 105–113. [Google Scholar] [CrossRef]
- Guo, L.; Chen, M.; Li, Y.; Wang, P.; Jin, N.; Wu, J. Hybrid multi-vector modulated model predictive control strategy for voltage source inverters based on a new visualization analysis method. IEEE Trans. Transp. Electrif. 2023, 9, 8–12. [Google Scholar] [CrossRef]
- Ma, C.; Yao, X.; Li, H.; Vansompel, H.; Garcia, C.; Rodriguez, J.; Belie, F.D. A novel torque boundary-based model predictive torque control for PMSM without weighting factor. IEEE J. Emerg. Sel. Top. Power Electron. 2021, 9, 4395–4406. [Google Scholar] [CrossRef]
- Xue, Y.; Meng, D.; Yin, S.; Han, W.; Yan, X.; Shu, Z.; Diao, L. Vector-based model predictive hysteresis current control for asynchronous motor. IEEE Trans. Ind. Electron. 2019, 66, 8703–8712. [Google Scholar] [CrossRef]
- Zhang, Y.; Yang, H. Generalized two-vector-based model-predictive torque control of induction motor drives. IEEE Trans. Power Electron. 2015, 30, 3818–3829. [Google Scholar] [CrossRef]
- Liu, T.; Yao, X.; Wang, J.; Ma, C. Efficient two-vector-based sequential model predictive control for IM drives. IEEE J. Emerg. Sel. Top. Power Electron. 2024, 12, 903–912. [Google Scholar] [CrossRef]
- Li, X.; Xue, Z.; Zhang, L.; Hua, W. A low-complexity three-vector-based model predictive torque control for SPMSM. IEEE Trans. Power Electron. 2021, 36, 13002–13012. [Google Scholar] [CrossRef]
- Amiri, M.; Milimonfared, J.; Khaburi, D.A. Predictive torque control implementation for induction motors based on discrete space vector modulation. IEEE Trans. Ind. Electron. 2018, 65, 6881–6889. [Google Scholar] [CrossRef]
- Zhang, Y.; Bai, Y.; Yang, H. A universal multiple-vector-based model predictive control of induction motor drives. IEEE Trans. Power Electron. 2018, 33, 6957–6969. [Google Scholar] [CrossRef]
- Wang, Y.; Zhang, Y.; Yang, H.; Rodríguez, J. Variable-Vector-based Model Predictive Control with Reduced Current Harmonic and Controllable Switching Frequency for PMSM Drives. IEEE Trans. Power Electron. 2024, 39, 16429–16441. [Google Scholar] [CrossRef]
- Davari, S.A.; Azadi, S.; Flores-Bahamonde, F.; Wang, F.; Wheeler, P.; Rodriguez, J. Compensating the Measurement Error in Model-Free Predictive Control of Induction Motor via Kalman Filter-Based Ultra-Local Model. IEEE Trans. Power Electron. 2023, 39, 15811–15821. [Google Scholar] [CrossRef]
- Habibullah, M.; Lu, D.D.C. A speed-sensorless FS-PTC of induction motors using extended Kalman filters. IEEE Trans. Ind. Electron. 2015, 62, 6765–6778. [Google Scholar] [CrossRef]
- Mardani, M.M.; Lazar, R.D.; Mijatovic, N.; Dragičević, T. Artificial neural network-based constrained predictive real-time parameter adaptation controller for grid-tied VSCs. IEEE J. Emerg. Sel. Top. Power Electron. 2023, 11, 1507–1517. [Google Scholar] [CrossRef]
- Kousalya, V.; Rai, R.; Singh, B. Sliding model-based predictive torque control of induction motor for electric vehicle. IEEE Trans. Ind. Appl. 2022, 58, 742–751. [Google Scholar]
- Wang, J.; Wang, F.; Zhang, Z.; Li, S.; Rodríguez, J. Design and implementation of disturbance compensation-based enhanced robust finite control set predictive torque control for induction motor systems. IEEE Trans. Ind. Inform. 2017, 13, 2645–2656. [Google Scholar] [CrossRef]
- Yan, L.; Wang, F. Observer-Predictor-Based Predictive Torque Control of Induction Machine for Robustness Improvement. IEEE Trans. Power Electron. 2021, 36, 9477–9486. [Google Scholar] [CrossRef]
- Liu, X.; Qiu, L.; Rodríguez, J.; Wang, K.; Li, Y.; Fang, Y. Learning-Based Resilient FCS-MPC for Power Converters Under Actuator FDI Attacks. IEEE Trans. Power Electron. 2024, 39, 12716–12728. [Google Scholar] [CrossRef]
- Wu, W.; Qiu, L.; Liu, X.; Guo, F.; Rodriguez, J.; Ma, J. Data-driven iterative learning predictive control for power converters. IEEE Trans. Power Electron. 2022, 37, 14028–14033. [Google Scholar] [CrossRef]
- Carlet, P.G.; Favato, A.; Bolognani, S.; Dörfler, F. Data-driven continuous-set predictive current control for synchronous motor drives. IEEE Trans. Power Electron. 2022, 37, 6637–6646. [Google Scholar] [CrossRef]
- Wu, W.; Qiu, L.; Rodriguez, J.; Liu, X.; Ma, J.; Fang, Y. Data-driven finite control-set model predictive control for modular multilevel converter. IEEE J. Emerg. Sel. Top. Power Electron. 2023, 11, 523–531. [Google Scholar] [CrossRef]
- Liu, X.; Qiu, L.; Fang, Y.; Wang, K.; Li, Y.; Rodríguez, J. Combining Data-Driven and Event-Driven for Online Learning Predictive Control in Power Converters. IEEE Trans. Power Electron. 2024, 40, 563–573. [Google Scholar] [CrossRef]
- Wu, W.; Qiu, L.; Liu, X.; Ma, J.; Rodríguez, J.; Fang, Y. Data-Enabled Finite State Predictive Control for Power Converters via Adaline Neural Network. IEEE Trans. Ind. Electron. 2024. [Google Scholar] [CrossRef]
- Lim, C.S.; Lee, S.S.; Levi, E. Continuous-control-set model predictive current control of asymmetrical six- phase drives considering system nonidealities. IEEE Trans. Ind. Electron. 2023, 70, 7615–7626. [Google Scholar] [CrossRef]
- De Martin, I.D.; Brosch, A.; Tinazzi, F.; Zigliotto, M. Continuous control set model predictive torque control with minimum current magnitude criterion for synchronous motor drives. IEEE Trans. Ind. Electron. 2024, 71, 6787–6796. [Google Scholar] [CrossRef]
- Liu, X.; Wang, J.; Gao, X.; Tian, W.; Zhou, L.; Rodríguez, J.; Kennel, R. Continuous Control Set Predictive Speed Control of SPMSM Drives with Stability Improvement. IEEE J. Emerg. Sel. Top. Power Electron. 2024, 12, 3750–3764. [Google Scholar] [CrossRef]
- Wang, F.; Wei, Y.; Young, H.; Ke, D.; Huang, D.; Rodríguez, J. Continuous-Control-Set Model-Free Predictive Control Using Time-Series Subspace for PMSM Drives. IEEE Trans. Ind. Electron. 2024, 71, 6656–6666. [Google Scholar] [CrossRef]
- Jiang, X.; Yang, Y.; Fan, M.; Ji, A.; Xiao, Y.; Zhang, N.; Zhang, W.; Garcia, C.; Vazquez, S.; Rodríguez, J. An Improved Implicit Model Predictive Current Control with Continuous Control Set for PMSM Drives. IEEE Trans. Transp. Electrif. 2022, 8, 2444–2455. [Google Scholar] [CrossRef]
- Li, Q.; Lv, R.; Kennel, R.; Rodríguez, J. Semiclosed Loop Based on Predictive Current Control for SPMSM Drives During Servo Stamping. IEEE Trans. Power Electron. 2022, 39, 11430–11440. [Google Scholar] [CrossRef]
- Wei, Y.; Ke, D.; Yu, X.; Wang, F.; Rodríguez, J. Adaptive Inertia Observer-Based Model-Free Predictive Current Control for PMSM Driving System of Electric Vehicles. IEEE Trans. Ind. Appl. 2022, 60, 6252–6262. [Google Scholar] [CrossRef]
- Ma, C.; Song, W.; Li, J.; Yue, H.; Rodríguez, J.; Garcia, C.; De Belie, F. A Direct Optimal Input Determination Data-Based Predictive Current Control for PMSM Drives Without System Identification. IEEE J. Emerg. Sel. Top. Power Electron. 2024, 12, 2707–2717. [Google Scholar] [CrossRef]
Disclaimer/Publisher’s Note: The statements, opinions and data contained in all publications are solely those of the individual author(s) and contributor(s) and not of MDPI and/or the editor(s). MDPI and/or the editor(s) disclaim responsibility for any injury to people or property resulting from any ideas, methods, instructions or products referred to in the content. |
© 2024 by the authors. Licensee MDPI, Basel, Switzerland. This article is an open access article distributed under the terms and conditions of the Creative Commons Attribution (CC BY) license (https://creativecommons.org/licenses/by/4.0/).










