Abstract
The method for estimating the immunity of an AC/DC converter built in a commercial LED lamp to a 1.2/50 µs (8/20 µs) surge has been presented in this paper. A lamp with a direct drive LED inverter was selected to present the methodology for determining the coefficient of immunity of the test object to a standardized type of surge. The choice of this configuration was important for the testing process and presentation of the methodology to estimate the immunity coefficient of the tested system. In this work, the methodology for determining the deterministic immunity factor of the model inverter to a normalized type of disturbance was presented. Considerations were carried out for a 1.2/50 µs (8/20 µs) surge in accordance with the recommendations of the EN 61000-4-5:2014 standard. This conventional surge is used in laboratory practice to test the immunity of electronic and electrical systems and devices to disturbances that can be generated in the power grid during switching processes, short circuits, and direct and indirect lightning. In the first stage of testing on test benches, the intensity of damage to the integral components of a model inverter was examined with increasing levels of disturbance. Statistical measures characterizing their impact resistance were determined for each of the elements tested. Knowing their values, the value of this coefficient was finally determined for the lamp selected for testing, and the mechanism of its damage was analyzed.
1. Introduction
When designing a new device, it is necessary to ensure not only the required functional characteristics, but also adequate immunity to electromagnetic disturbances typical of its operating conditions, and to minimize the emission of generated electromagnetic disturbances. These aspects are the key issue of electromagnetic compatibility. On the one hand, it is important to reduce the negative impact on the environment through the unintentional emission of electromagnetic disturbances, and, on the other hand, to ensure their correct operation in real conditions, where there are characteristic disturbances for their operating environment. The entirety of these requirements is formulated in the EU Directive 2014/30/EU. This directive imposes an obligatory requirement on all manufacturers to meet these requirements in the ensuing law. In the context of electromagnetic compatibility (EMC) standards, electromagnetic immunity is defined as the ability of a device to operate as specified, without interference, in the presence of specified external disturbances, under the conditions specified for a particular class of device. If a device loses immunity and is unable to fulfil its assigned function in the presence of electromagnetic disturbance, then it is defined as sensitive.
LED lamps have been a staple in lighting technology for several years. They provide unlimited possibilities for the arrangement of room lighting, save energy, and provide comfort, and safety. They are an important element of energy-saving and smart houses. An LED lamp powered from the power grid is exposed in the real operating environment to electromagnetic disturbances from switching processes, short circuits, and lightning effects. The surges that propagate through the power grid can cause permanent damage to sensitive systems.
Thematically, the content presented in the paper relates to the aspect of the immunity of an electronic system to a standardized type of disturbance. They are a continuation of the considerations that were presented in the authors’ publications [1,2]. In the publication [1], the results of an analysis of the sensitivity of two LED lamps to a surge of 1.2/50 µs (8/20 µs) were presented. The lamps selected for the study had similar functional and physical parameters. Although they had a high degree of similarity in an application sense, the tests conducted showed that each had a different threshold for shock resistance. As demonstrated during the tests, this difference in the level of sensitivity was determined not only by the sensitivity of the components from which the inverters of these lamps were made but also by their physical structure. This publication has signalled how, using statistical methods, the resistance of the tested system to a standardized type of electromagnetic disturbance can be described with numerical values.
Following the procedures specified in the basic standards of the EN-61000-4-x series [3], the decision on the immunity of the device under test is usually made binary. The device under test is immune or not, and the uncertainty of the conformity determination is determined with reference to the expanded uncertainty determined for the test bench. To reduce the risk of making a wrong decision when testing for emissions and immunity, a so-called guard band is introduced. The protective band associated with the expanded uncertainty of a procedure allows reducing the risk of making a wrong decision, but does not give information on what value the margin of immunity or sensitivity has if the tested device is not immune. When testing equipment according to the procedures in the standard, we always checked whether the equipment can withstand the required level of interference. If the device passes the test, then it is impossible without further testing to determine how close we are to the level of disturbance that would cause damage to the system/device under test. On the other hand, if the equipment fails, then the test does not indicate how far we are from a disturbance value that would not cause this failure. To obtain an answer to this question, it is necessary to use statistical methods.
Despite the fact that the very process of disruption of the correct operation of a device or its damage is a stochastic process, from the analysis of the results of such a process, one can see certain regularities. Using the principles of statistical calculus, it is possible to describe numerically the immunity of any system or device to a certain type of disturbance. The assumptions of a method for estimating the resistance of any component to a standardized type of electromagnetic disturbance are presented in [2]. This paper also presents the test methodology for an electronic system.
The methodology for determining the immunity coefficient of the tested object to a standardized type of surge is presented using the example of an LED lamp with a Direct Drive converter. Several factors influenced the selection of a lamp with this type of converter. Commercially, lamps of this type currently make up the largest group in the product range due to their simple circuit application. This factor allows for a measurable reduction in production costs, qualifying this solution as economical. In the case of the conducted research, the priority was the economic factor and a relatively simple circuit application. The LED lamp with a Direct Drive converter met this criterion.
The use of LED diodes in electroluminescent lamps has its consequences. Modern LEDs used for the construction of LED lamps are particularly sensitive to fluctuations and changes in the supply current. Stabilizing the voltage in the electrical network is practically impossible. When using simple power supply circuits, where the current value is limited by resistive and capacitive components, one must expect a shorter lifespan of the components. Looking back just a decade, in budget LED lamp solutions, it was common to find the so-called passive power supply circuit for LEDs, where the current flowing through the diode circuits was defined using capacitors and resistors. Currently, this solution has been replaced by Direct Drive converters and typical AC/DC and DC/DC switch-mode power supplies. Direct Drive converters ensure a constant current supplied to the LEDs, independent of changes in the AC or DC supply voltage. However, due to the fact that the LED lamp structure contains electronic components, one must take into account their increased sensitivity to electromagnetic disturbances, which are characteristic of its target operating environment.
The EN IEC 61547:2023 standard, related to “Equipment for general lighting purposes—EMC immunity requirements”, specifies seven tests that every newly designed lamp must pass. For LED lamps, the most dangerous disturbances are those that carry high energy. This category includes lightning strikes, disturbances occurring during switching, or short-circuit processes in the power grid. A typical representative of this disturbance is the 1.2/50 µs (8/20 µs) surge, which is generated in the laboratory by simulators during tests conducted according to the relevant standards.
To describe the process of the damage to components by electromagnetic disturbances, several publications and studies on this issue have been analyzed. In publication [4], the authors address the problem of the reliability of DC–DC converters used in LED lamps. Based on models from MIL-HDBK-217H, they showed that, by choosing the converter and component configuration, you can affect the life of the lamp. The publications [5,6,7] addressed the problem of calculating reliability indices for drivers dedicated to LED lamps. The driver, acting as an element that stabilizes the current flowing through the LEDs, is a critical element in terms of reliability. In publications [8,9,10,11,12], the authors describe the influence of environmental and physical factors on the operation of LED lamps. Publication [8] describes the interaction of catastrophic driver failures on lamp life. The mode of current stabilization (CLO or CMM) flowing through the LEDs is shown to have an impact on their life. In publications [9,10], the authors showed how current and temperature stress can measurably affect the operation of the components that make up LED lamps. Looking for a hint on how to take into account the impact of electromagnetic disturbances on electronic system operation, publications relating to electric car chargers [13,14] and modules dedicated to energy conversion in photovoltaic systems [15,16,17] were analyzed. Publications [18,19,20,21,22] provide general information about the impact of disturbances on the operation of LED lamps. They address the issue of the immunity of such devices in terms of various types of electromagnetic disturbances. Some information on methods for determining the reliability and immunity of LED lamps can be found in [23,24,25].
All of the analyzed publications show the influence of environmental and material as well as physical factors on the reliability of component operation, but without considering the influence of electromagnetic disturbances.
Some hints and confirmation of the assumptions were found in [26]. There, the general assumptions of the theory of estimating the probability of the disruption of the correct operation of a device subjected to the impact of a defined electromagnetic disturbance were presented. In the example of the model microcontroller and PLC systems, it was shown how the ESD and BURST surge affect the operation of these systems and how, using probability calculus and statistics, the probability of disturbing the correct operation of an electronic system subjected to a disturbance of a critical value can be predicted. This paper presents the idea of a deterministic and behavioral model for estimating the resistance of an electronic system to a specific type of disturbance. The rationale for this item of literature inspired the research in this aspect.
The main objective of the research was to investigate whether, by having the immunity coefficient values for the individual components of a complete system, it is possible to determine the immunity function for the entire system based on the values for its components, as well as to conduct a practical verification of the proposed method. The implementation of the work according to the established goal required selecting an object for practical verification, carrying out the disassembly of a selected batch of components, preparing appropriate test setups, conducting the tests, and analyzing the test results according to the proposed methodology.
2. Test Object
In selecting the test object, it was assumed that it would be a commercial component in the economic price class and feature a simple circuit application. Individual model circuit design and test circuit production were abandoned. An LED lamp was chosen as the test object. It is currently a mass-produced object. As a result of the analysis of materials on the construction and design of AC/DC converters dedicated to LED lamps, it was decided to choose an LED lamp with a Direct Driver type converter for the tests. This converter is characterized by a very simple circuit application and allows for the obtainment of light parameters similar to those of a lamp with a barrier converter. In the case of a direct driver inverter, only a few electronic components are needed to build a functional circuit. In the case of a barrier inverter, the number of components is much larger. The barrier inverter is used in lamps with a higher power and a wider range of input voltages, in lamps with adjustable luminous flux, with color change, with remote flux control using WiFi or Bluetooth, and where the safety and reliability requirements of the LED lamp have a higher priority.
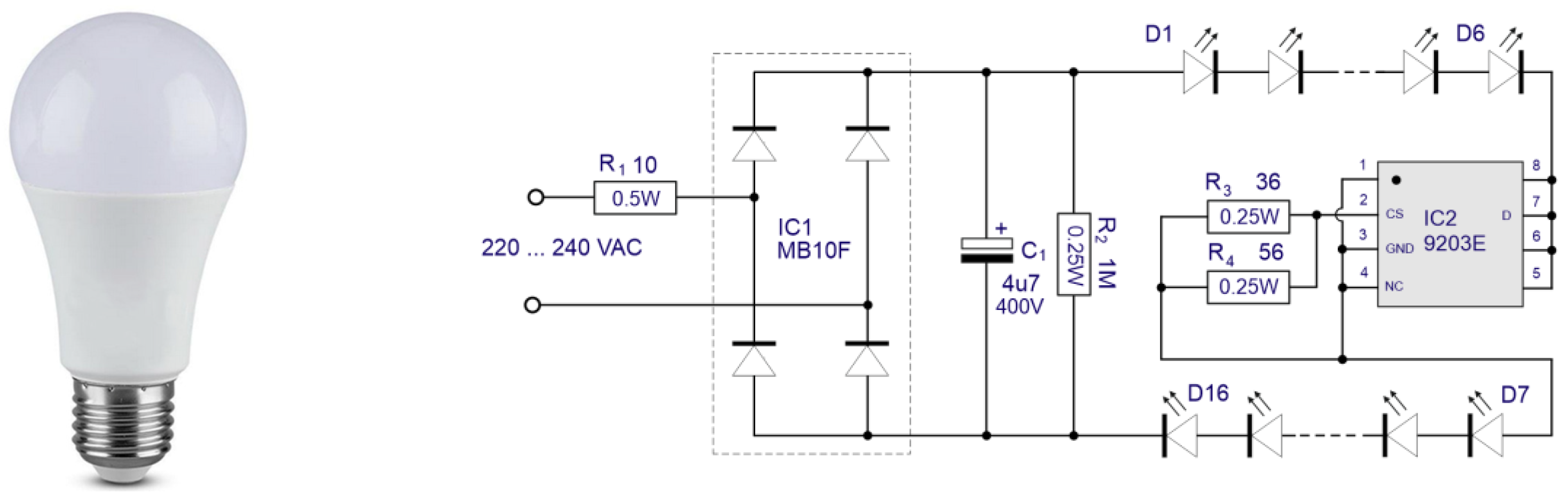
After a market analysis, bearing in mind the issue of the cost of testing, an LED lamp from one of the companies with a driver equipped with a Direct Driver type inverter of 9 W in A+ class, emitting a luminous flux of 806 lm, with a color temperature of 3000 K (Warm White), equivalent to a classic 60 W lamp, and located in the economic price class, was selected as the test object. According to the manufacturer’s declaration, it could be powered by a sinusoidal voltage waveform of 220 V–240 V/50 Hz. According to the information in the descriptive note, it had a claimed operating time of 30,000 h and 15,000 switching cycles. The lamp had a housing with an E27 cap. On the basis of the analysis, a schematic was developed for the lamp selected for the study (Figure 1).
Figure 1.
View and diagram of the AC/DC converter of the model LED lamp.
The selected lamp had four functional blocks in its structure: a rectifier, a ripple-smoothing filter, a current stabilizer, and an LED array with the number to achieve the manufacturer’s declared luminance, light colour, and radiation characteristics. In this lamp, the input stage uses an IC1 MB10F rectifier bridge and a 4.7 µF/400 V capacitor C1 with a temperature class of 105 °C. To minimize the probability of shock to the operator during service operations, a resistor R2 with a resistance of 1 MΩ and a power of 0.25 W was used to discharge capacitor C1. In the application, the rectified and smoothed voltage waveform is used to power the serially connected LEDs D1–D16. In series with the LEDs, a current stabilizer IC2 with the manufacturer’s designation 9203E has been incorporated. The role of this component is to stabilize the current flowing through the chain of serially connected LEDs. Regardless of the supply voltage, which can vary within the limits declared by the electricity supplier, a constant value of the DC current will always flow through the chained diodes. In the case of the tested lamp, this value was 22 mA. In the 9203E controller, the required value is programmed by the parallel connected resistors R3 and R4. The resulting resistance of the parallel connected resistors R3 and R4 has a value of 22 Ω. Relating this value to the current value, it can be seen that it remains directly proportional to the resultant resistance value.
A set of 400 lamps from the same production series was purchased for testing. The aspect of components belonging to the same production batch is very important for obtaining correct, statistically significant results. The set of 400 lamps was divided into three test batches. The first 200 pieces were disassembled to obtain individual components for testing. The second batch of 150 pieces was used to determine the immunity factor. The test results for this lamp were presented in a publication [1]. The remaining 50 pieces, on the other hand, were used in preliminary tests to determine, among other things, the impact reference values for which the tests were initiated. Mathematical tools were used to determine the minimum batch of items that would yield a statistically significant result during testing. Statistica software version 13.3 was used to determine the minimum random sample size. A random sample size of 127 pieces was determined for an assumed significance level of α = 0.05 and an accuracy of damage estimation of d = 1. We decided to select a random sample of 200 pieces for the study. During the study, the batch of 200 pieces of each test item was divided into ten random series of 20 pieces each.
3. Test Methodology
The process of the damage to electronic components under the influence of electromagnetic disturbances is a stochastic process, but one characterized by certain regularities. In the case of electromagnetic disturbances that do not have enough power to permanently damage the elements in an electronic system, there are identified states in which the device loses certain functional characteristics and, after the disturbance ceases, it returns to its original state. High-energy disturbances that are generated during switching processes, short circuits, or lightning can lead to permanent damage to electronic components. The energy carried by the disturbance causes parametric changes in the components and, at critical values, can lead to mechanical damage.
According to the methodology presented in [2], in order to determine the function that defines the immunity or sensitivity of both individual components and the complete system to a standardized type of disturbance, the first step is to select components/systems from the same production batch. This is a crucial factor in the method. When attempting to determine the durability coefficient for any type of disturbance, it is necessary to identify which parameters of the component or system will be sensitive to the given type of disturbance.
In the next step, based on the assumed significance level, the size of the test batch must be determined to achieve statistically significant results. For each tested component, the minimum and maximum disturbance levels must be identified. The minimum value represents the resistance threshold at which the first elements from the test batch start to fail. This step is not easy, but it can be accomplished by incrementally increasing the disturbance level from the minimum value allowed by the disturbance simulator to the value at which the analyzed parameter of the component/device shows sensitivity. The disturbance level at which all components/tested devices are sensitive is determined experimentally for three test batches of components, using three mutually correlated disturbance values with increasing magnitude.
By analyzing the number of damaged components in the tested batches, trend lines can be drawn, and the probable disturbance value at which all components will fail can be estimated.
After determining the maximum and minimum disturbance levels, the group of test components/systems is divided into batches of n elements. The number of batches is selected depending on the precision with which the empirical distribution function needs to be fitted to the theoretical distribution function. From the authors’ experience, a batch size of n = 10 already yields satisfactory results. Finally, each batch of n elements is subjected to a surge of the same magnitude. For each batch, the number of damaged components is counted and related to the total number of elements in the entire test batch. Repeating this process for i random trials allows for the calculation of the probability of failure for the components in the tested population.
These probabilities, when plotted on a graph (where the ordinate is the exposure level and the abscissa is the probability of component failure), form the empirical distribution function. Since the distribution of the empirical distribution function is described by a normal distribution, it is possible to deduce the theoretical distribution function based on the obtained values. Knowing the course of the theoretical distribution allows for the expression of the immunity/sensitivity coefficient of the component/system to a standardized type of disturbance in numerical terms.
By knowing the value of this coefficient and understanding that the failure process of components in the population follows a normal distribution, it is possible to use statistical methods to determine the probability of component/device failure for a given disturbance level.
In EMC tests conducted according to the guidelines of the relevant standards, only the required immunity threshold of the tested device is verified. If the device passes the tests successfully, it is not possible to determine the margin to the disturbance level at which the device could potentially fail. Conversely, in the case of failure, it is also not possible to identify the distance from the disturbance level at which the system would still be immune. The proposed method, however, provides a way to obtain this answer.
To study how each component of the test lamp reacts to a surge, a test batch of 200 lamps was selected for testing. Each lamp contained 23 electronic components in its structure in five assortment categories (Figure 1): four resistors R1, R2, R3, and R4, electrolytic capacitor C1, rectifier bridge IC1, driver IC2, and 16 LEDs. These lamps were disassembled on a specially prepared stand. Since aluminium PCB substrates were used to integrate the lamp components, the disassembly process was subjected to pulse heating at a temperature of approximately 280 °C and the rapid disassembly of the components. A batch of 200 disassembled components of a given type was divided into ten test trials. Each test sample of 20 components was exposed to a surge of 1.2/50 µs (8/20 µs) of the same value. After the test piece was exposed once, its functional characteristics were analyzed. After the tests and the analysis of the parameters, they were divided into the functional and defective categories.
The number of elements damaged for a given impact level zi, m(zi) related to the number of elements tested n(zi) allows determining the probability of failure of the tested element. By repeating this activity in the range from the minimum value for which, in the population under test, an element begins to fail to the maximum value for which all values fail, it was possible to determine the empirical distribution of resistance F*(z):
With reference to the assumptions of the method as described in the publication [2], the resistance index R(z) of an element to a specific type of disturbance is defined as the probability that the element will meet the assumed functions Φ at a certain level of disturbance z, under certain operating conditions χ:
Knowing the values of the empirical distribution F*(z), the empirical immunity function can be determined according to the relationship:
On the other hand, if a system loses its ability to perform its assigned function, then this indicates its sensitivity. Since vulnerability is the opposite of resilience, mathematically, the index of vulnerability can be expressed by the empirical distribution of immunity:
Knowing the distribution of the empirical distribution, the parameters for the theoretical distribution can be determined. Given that the damage process of elements in the population follows a normal distribution [2], knowing its parameters, further derived parameters can be determined, i.e., the damage intensity function or damage intensity factor, theoretical cumulative distribution function, immunity function, and sensitivity function.
If a given characteristic follows a normal distribution, the course of its empirical cumulative distribution function can be approximated by a function expressed as follows:
where Z is the expected value of the disturbance level for this distribution, and σ is the standard deviation of the expected value.
To avoid the problem of calculating the integral expression, the cumulative distribution function for the normal distribution is often written using the tabulated Laplace integral Φ(z) in the following form:
In order to use the relationship (5) or (6) and determine the probability of component (system) failure for a given disturbance level, it is necessary to estimate the unknown parameters Z and σ for the theoretical distribution based on the course of the empirical cumulative distribution function.
In order to carry out tests for individual integral, AC/DC converter components, test benches were configured so that, when the tested component was exposed, its operating conditions were similar to those in the real application. The EMTest/Ametek (Berwyn, USA) professional UCS 500N5 simulator was used for surge generation. Each component, in order to test it individually, required the development of special adapters to inject an impactor into it.
The photos of the test setups for the SMD components, bridge, and controller are presented in Figure 2.
Figure 2.
The photos of the adapters used for mounting components during surge exposure: (a) SMD components, (b) Graetz bridge and controller, and (c) THT components.
To determine whether an element is operational or defective after being exposed to impact in the cases of resistors tested from R1 to R4, the resistance value was checked (Figure 3a). If its value exceeded the value specified by the tolerance, then the element was considered defective. If the value was within the tolerance, the element was counted as functional. In the case of a capacitor, its capacitance was analyzed using an RLC bridge (Figure 3b). As in the case of resistors, the element was considered operational when its value was within tolerance. In the case of rectifier bridge IC1, an LED was used, which was powered from its DC terminals (Figure 3d), to check its operational status. Its going out indicated that the bridge under test was defective. However, the final state of the bridge was checked with a tester by checking the threshold voltages for each of the four diodes. LEDs, due to their very low surge sensitivity, were tested in chains of 16 LEDs (Figure 3d). Their sensitivity to surges was identified directly. The dimming or complete extinguishing of the LEDs was synonymous with their failure. To test the IC2 controller, a test circuit was built in which an LED was used to identify the controller’s fitness state (Figure 3e). The fading of the LED gave an initial indication that the controller was damaged after being exposed to a surge. Finally, the driver’s fitness was checked in a custom-built tester built according to the application of the lamp under test. After the IC2 driver was inserted into the tester’s cradle, it was considered functional if the indicator light DH shone with a full stream of light.
Figure 3.
Configuration of test circuits for measuring the shock resistance of components at 1.2/50 µs/(8/20 µs): (a) resistors from R1 to R4, (b) capacitor C1, (c) LEDs, (d) rectifier bridge IC1, and (e) driver IC2.
For the tests, a professional UCS500N5 generator from EMTest/Ametek (Berwyn, USA) with a 2022 calibration certificate from an accredited laboratory was used as the source of the 1.2/50 µs (8/20 µs) surges. An internal coupling network was used to inject pulses into the test components. In each case, efforts were made to reproduce near-real conditions when testing individual components. To this end, according to the schematics in Figure 3, in the case of the resistors, capacitor, and driver, a programmable AC/DC source ASR-2100 from GW Instek (New Taipei City, Taiwan) was used to power them. The voltage value was set to emit admissive power on the resistors. For the LEDs, a current of 22 mA flowed through their series circuit. The IC2 element was configured so that the current stabilized by the driver had a value of 22 mA. A DH diode was used to signal the operating status of the controller. An LED with a surge immunity of 1.5 kV was selected to perform this function. The selected element had an immunity almost twice that of the tested controller. This gave a guarantee of correct identification of the damage state of the driver after it was exposed to a surge. In the case of the tested capacitor C1, it was supplied with a rectified sinusoidal waveform. For this purpose, an isolation transformer and an auxiliary BR Greatz bridge were used in the circuit. During the tests, the capacitor under test was bypassed with a 15 kΩ resistor of 10 W. This resistor provided a circuit load similar to the target application. In the case of the IC1 bridge under test, an isolation transformer was used on the primary side of the artificial network, while, to force a current flow of 22 mA on the DC side, the bridge was loaded with an RH resistor with a resistance of 15 kΩ and a power of 10 W. A resistor of this power gave an adequate safety margin for testing the bridge and gave confidence that it would not fail before the bridge under test. The diode DH switched in series with the resistor RH signalled the correct operating state of the bridge under test. During preliminary tests for the individual LEDs used in the lamp, it was found that, at the minimum possible surge of 160 V that the UCS 500N5 simulator generates, each exposed diode was permanently damaged. Therefore, the decision was made to expose, as in the lamp, an array of 16 connected LEDs in series during the testing. During pulse injection, a current of 22 mA flowed through the diodes. For this current value, the diodes emitted a full light output as in the lamp. The failure of even one diode in their chain was treated as the failure of all 16 diodes. Since, in the model lamp, all 16 diodes are connected in series, the failure of one diode means the failure of the entire lamp.
The process of the failure of the electronic components when exposed to standardized types of disturbances is, in addition to the disturbance level itself, also influenced by environmental parameters such as temperature, humidity, and atmospheric pressure. To minimize the impact of environmental factors on the measurement results, the tests for the components were conducted in a shielded chamber where the temperature was maintained at 22 ± 2 °C and the humidity at 52 ± 5%. Environmental parameters were controlled using a Testo 622 (Pruszków, Poland) measuring instrument, with a calibration certificate issued by an accredited unit.
4. Analysis of Immunity Coefficients for Integral Components of the Model Inverter
By conducting the tests according to the concept, the number m(zi) of damaged elements in the population n(zi) was obtained for a given surge value zi for each of the tested elements. For all elements tested, n(zi) had a value of 20, while measurements were carried out for ten stroke values (i = 10). Knowing the number of defective elements allows us to determine the distribution of the empirical distribution, which is the starting point for the statistical analysis of the probabilistic properties of the population of elements represented by the study sample, and in the final stage to determine the mathematical model for the study population. The mathematical model of the population under study is the theoretical distribution of a random variable.
The tests for each element began by determining the minimum value of the disturbance from which permanent damage to the elements could occur. When the impact level was increased for each element, such a value was determined for which permanent damage was observed to the tested element. Then, this value was increased by 20% and a test batch of elements was examined. By analyzing the number of damaged elements and relating this value to the size of the test sample, the first point on the characteristic of the distribution can be determined. When two more tests were performed, the step with which the surge voltage would be incremented was determined for the test batch.
Due to the fact that the procedure for estimating the sensitivity coefficient for each element follows the same scheme, this chapter presents considerations for resistor R1 with a resistance of 10 Ω. In the case of resistor R1, the measurement of its resistance was carried out in the test setup presented in Figure 3a. During the tests, a voltage was set using a power supply such that the current flowing through it had a value of 22 mA. The tested resistor was exposed to a surge directly from a UCS 500N5 simulator. After a single exposure, the resistance value of the test element was controlled using an impedance bridge. Dividing the set of 200 tested elements into ten series, measurements were made for ten shock values. The results obtained for the resistor tested are shown in Table 1.
Table 1.
Results of measurements and calculations of the empirical distribution for the resistor R1 10 Ω.
According to the idea of the method presented in the publication [2], the values obtained from the theoretical distribution were plotted on a graph using a function grid (Figure 4).
Figure 4.
The course of the empirical distribution in Laplace-regular grid coordinates (a), and the waveform of the theoretical distribution and immunity function for resistor R1 (b).
After plotting the obtained values of the empirical distribution on a graph with a Laplace-regular grid, it can be seen that the points have a course close to a linear function. The discrepancies in the lower and upper parts of the graph are determined by the number of elements in the series. In the case where 20 elements of the series were studied, a precision of 0.05 was obtained. The estimation of the empirical distribution at this level is the reason for its poorer fit to the theoretical distribution function. When estimating the parameters of the theoretical distributant, the course of the straight line was fitted to the point system using the least squares method, and, then, using the principles of graphical inference, the unknown parameters Z and σ for the theoretical distribution were estimated. The estimate of Z of the unknown value of Z is the abscissa of z, corresponding to the distribution F(zi) = 0.5, and the estimate of σ of the unknown value of σ is half of the difference of the values of the argument of z, corresponding to the values of the distribution F(z) = 0.84 and F(z) = 0.16. For the resistor tested, R1 values were obtained: Z = 2040 V and σ = 300 V. According to the idea of the method, the parameters determined determine the 1.2/50 µs (8/20 µs) surge immunity factor of 1.2/50 s (8/20 s) of the element.
Implementing this procedure for the remaining seven inverter elements (results in Table 2, Table 3, Table 4, Table 5, Table 6, Table 7 and Table 8), the coefficients of the similarly empirical distribution were determined using a Laplace-regular grid (Figure 5, Figure 6, Figure 7, Figure 8, Figure 9, Figure 10 and Figure 11).
Table 2.
Results of the test of the immunity R2 1 MΩ to a 1.2/50 µs surge.
Table 3.
Results of the test of the immunity R3 36 Ω to a 1.2/50 µs surge.
Table 4.
Results of the test of the immunity R4 56 Ω to a 1.2/50 µs surge.
Table 5.
Results of the test of the immunity of the capacitor C1 4.7 µF to a 1.2/50 µs surge.
Table 6.
Test results of the IC1 MB10F bridge’s immunity for 1.2/50 µs surge.
Table 7.
Test results of the IC2 9203E bridge’s immunity to a 1.2/50 µs surge.
Table 8.
Test results for 16 LEDs for a 1.2/50 µs surge.
Figure 5.
The course of the empirical distribution in Laplace-regular grid coordinates for the resistor R2.
Figure 6.
The course of the empirical distribution in Laplace-regular grid coordinates for the resistor R3.
Figure 7.
The course of the empirical distribution in Laplace-regular grid coordinates for the resistor R4.
Figure 8.
The course of the empirical distribution in Laplace-regular grid coordinates for the capacitor C1.
Figure 9.
The course of the empirical distribution in Laplace-regular grid coordinates for Greatz bridge IC1.
Figure 10.
The course of the empirical distribution in Laplace-regular grid coordinates for the IC2 controller.
Figure 11.
The course of the empirical distribution in Laplace-regular grid coordinates for an array of 16 serially connected LEDs.
The determined values of the parameters for the tested elements are summarized in Table 9. To determine the position of the straight line in the functional grid coordinates, the MathCad program was used. Using linear regression with the least squares method, the coefficients of the line were adjusted so that the squared differences between the empirical values and the calculated values from the line for each point were minimized. This operation was carried out for each component. By tracking the point distribution for each component in the Laplace-regular grid system, it was observed that the points were better fitted in the middle part of the line, while less so for the minimum and maximum disturbance values. This effect was influenced by the precision of the probability estimation. The selection of a batch of 20 components allowed for an uncertainty estimation with a precision of 0.05. To achieve greater accuracy in probability estimation, it would be necessary to increase the sample size to 100 or 1000 components. Such an increase in the sample size would, however, significantly raise the cost of the tests.
Table 9.
Determined sensitivity coefficient indices for individual components of the LED lamp AC/DC converter circuit.
Analyzing the immunity coefficients obtained for the individual components, one can find a significant range of their values. The smallest immunity was characterized by the resistors R3 and R2 and the next in order was the IC2 driver circuit. These values are below the immunity threshold specified for this class of devices in EN IEC 61547:2023. In the case of lamps up to 25 W, it must have a surge immunity of 0.5 kV. In that case, the results obtained would suggest that the first elements to fail in the tested lamp would be the resistor R3, which had the lowest immunity. However, as indicated by the test results presented in the next section and in [2], this critical element was the resistor R1. Its immunity played the most important role in the immunity of the entire lamp in the vast majority of tested lamps.
The answer to why this is so was obtained after performing an analysis of the surge propagation in the tested lamp. For this purpose, a suitably prepared lamp model with derived measurement points was exposed to a pulse of 0.5 kV. A stroke of this level tested the lamp during laboratory tests. According to the provisions of the standard in question, each lamp must demonstrate immunity to a level of 0.5 kV for five pulses of positive polarity injected at the top of the sine wave and five pulses of negative polarity injected at the top of the negative half of the supply voltage waveform before issuing a CE declaration. This level of surge also provided a guarantee that none of the integral components of the LED lamp would be damaged.
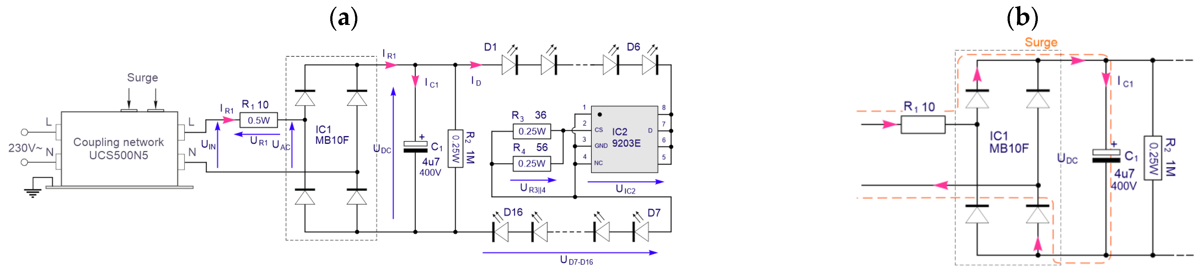
Tests were conducted in order to determine in what proportion the injected pulse reaches the individual integral components of the lamp. Using a Tektronix (Beaverton, USA) TDS4104 digital oscilloscope with a measurement bandwidth of 1 GHz and a set of four P5205A differential voltage probes and two TCP030A current probes, we analyzed how the surge penetrates and is attenuated by the individual components in the circuit. During the tests as specified in the standard, it was injected at the peak of the sinusoid. During each test, the reference point in the analysis was the voltage waveform Uin at the terminals of the model lamp (Figure 12).
Figure 12.
Configuration of the test system for the analysis of the surge propagation process in the model inverter system with marked points of analysis of current and voltage waveforms (a), and surge flow path 1.2/50 μs (b).
The analysis of the recorded waveforms provided important information. A surge injected into the line voltage waveform induces a dynamic transient in each part of it. For the circuit analyzed, this state lasted for up to three periods of the line voltage. The waveforms presented in Figure 13a show what happens in the lamp supply input circuit. The surge Uin summed with the value of the instantaneous voltage injected at the input induces the flow of pulsed current IR1 with a peak value of, for example, 30 A through resistor R1. This current flowing through resistor R1 generates a voltage drop UR1 on it. This drop has the effect of reducing the amplitude of the maximum stroke to the value of UAC at the IC1 bridge terminals. In this case, at its terminals, we have, for example, a 35% reduced pulse value compared to the waveform at the input of the circuit. The waveforms shown in Figure 13b show the proportion of the surge that penetrates to the DC side. On the DC side, the surge can flow through three paths: through capacitor C1, resistor R2, and a chain of LEDs. Since capacitor C1 has the smallest impedance of these components, the current of the highest value, therefore, will flow through it in part. This is confirmed by the maximum value of the current recorded by the current probe placed in the circuit of capacitor C1. The voltage waveform of the UDC surge was minimally reduced and stretched in time. This condition allows us to conclude that, in principle, energetically exposed to the stroke are the elements R1, IC1, and C1. The impact energy flows through these elements. The ID current waveform flowing through the series-connected diodes D1–D16 and driver IC2 repositioned in Figure 13c does not contain the current component of the surge. When the surge occurs, the IC2 controller reduces the value of the current flowing through the diodes very quickly. This condition justifies the dimming effect of the lamp observed during testing at the time of surge injection. Figure 13c also shows the voltage waveform on the midchain of LEDs (D16–D8). As its analysis shows, when the stroke occurs, the value of the voltage polarizing the diodes is quickly reduced. This waveform does not show any surge characteristic of the surge. Figure 13d presents the relevant waveforms for the elements having the smallest value of the immunity factor, i.e., for the terminals of the IC2 controller (UIC2) and the parallel connected resistors R3 and R4. From the analysis of the voltage prevailing at the terminals of the IC2 controller, it can be seen that, at the time of the surge, the capacitor C1 momentarily takes over the energy carried by the surge. This condition causes the voltage at its terminals to rise. In the normal state of operation, there is a voltage of 50 V at the terminals of the IC2 controller with the characteristic pulsing due to the charging state of capacitor C1. At the moment of the occurrence of a surge, it increases by the amount that the voltage on the capacitor C1 increases. As the capacitor will drain the excess energy, for example, it returns to its normal operating state. In the case of the waveform of the voltage measured at the terminals of the resistors R3 and R4, it can be seen that, with the occurrence of a surge, there is a step change in this voltage, and, after the surge at the terminals of capacitor C1 has ceased, gently, this voltage increases to the value that prevails at lead 2 in the normal operating state of the controller. The absence of any overvoltage in this waveform testifies to the minimal impact of the surge on the operation of the elements R3 and R4. Despite the small value of the immunity coefficients of these elements (Table 9), in a real application, they are affected very little by the surge and will have a marginal impact on the reliability of the entire system.
Figure 13.
Voltage and current waveforms recorded at the measurement points marked in Figure 12 when a 1.2/50 μs (8/20 μs) surge of 0.5 kV was injected: injection moment in input circuits (a), voltage on IC2 pin 1 and C1 current (b), D8-D16 diodes voltage and current (c), IC2 voltages (d).
5. Estimating the Immunity Factor for a Complete LED Lamp
The AC/DC converter system under study, applied to a model LED lamp, is an unrepairable system. In reliability theory, when an object is unrepairable, it has a serial reliability structure. Such a system, consisting of N elements, is in a fit state only if all its elements are in a fit state to perform their assigned function. The failure of just one of them involves the failure of the entire system.
The immunity function for the entire system R(z) with a serial reliability structure is related to the immunity functions Rn(z) for n = 1,…, N elements, by the following relation:
To determine the immunity coefficient for the entire system, we need to know the values of the coefficients for all its components, and, if we want to estimate the probability of failure of the entire system for a given value of the disturbance, we need to know the value of the surge that reaches its individual components. The form and value of the disturbance signal from zi, which reaches a given system component, are strictly dependent on the interconnection of the system components, described graphically by a wiring diagram. Therefore, before determining the value of the immunity function, it is necessary to determine the value of the disturbance signal zi that reaches individual circuit elements after injecting a disturbance signal of z value, for example, into the power terminals of communication ports.
If the impacter had the ability to penetrate each component, the immunity functions would take the shape and position associated with the immunity index for each component (Figure 14). Under real conditions, the impacter propagating through the system is modified and loses its power. Reaching the elements farthest from the point of its penetration, it can become “imperceptible” to them. In addition, many elements, especially passive ones, with the ability to store energy (inductors, capacitors, and chokes, for example), accumulate the energy of the surge, and thus reduce its ability to interfere with its correct operation. In the model circuit, such an element was the capacitor C1.
Figure 14.
Immunity functions R(z) for inverter components.
Simulation packages (Pspice, Protel, and Omega, for example) can be used to determine the value of the interference signal propagated through the circuit, or it can be measured directly in the designed circuit using, for example, an oscilloscope. The use of either method involves certain inconveniences. In the case of simulation, in order to ensure the sufficient accuracy of the calculations, it is necessary to take into account the real models of the components when building the circuit model. The more the disturbance signal is characterized by a wider spectrum of harmonics in the frequency domain, the more accurate the element models must be. Parasitic elements of capacitors, resistors, inductances, conducting paths, and active elements take an active part in the transmission of interference, especially fast-variable and high-frequency interference. In the case of measurements on a real object, the problem of measuring impulsive, fast-variable signals with large amplitudes arises (e.g., 0.2 kV–10 kV for a 1.2/50 µs surge, or a series of fast nanosecond EFT/B disturbances; and 0.2 kV–30 kV for an electrostatic discharge). In this case, the risk of serious damage to the measuring equipment is very high. In systems where there are no voltage-dependent components, measurements can be carried out at a reduced value of the interference signal, and, based on the results, we can infer the actual values of the interference at its various points.
In the case under study, a technical method was used to determine the extent to which the surge penetrates its individual components. By injecting a surge of 0.5 kV into the power ports of the inverter under test (Figure 12a), we analyzed how it penetrates into its individual components. The chosen level was correlated with the surge level required by EN IEC 61547:2023 [27] for lamps up to 25 W. The results of the measurements are presented in Chapter 4 of the publication. Using the measured values for a surge level of u = 0.5 kV, it is possible to determine new locations of the immunity function for individual components, depending on the level of surge voltage injected into the power port. When transforming the immunity function R(u) for individual elements, the expected value of U changes according to the following relation:
where U′ is the new expected value of the immunity function, related to the signal level at the point of surge injection into the system, U is the expected value, determined by the value of the immunity index, and ux is the value measured at the terminals of the component at the surge level u.
The obtained values of the post-transformation immunity coefficients for individual elements are given in Table 10, and the waveforms of their functions for the elements that shape the immunity of the tested inverter are given in Figure 15.
Table 10.
Immunity index for the most sensitive components of the AC/DC converter system.
Figure 15.
Immunity functions R*(z) for the elements modelling the immunity of the LED lamp under study.
From the calculations, it can be seen that, after transforming the indicators’ values to the side of the power terminals, resistor R1 has the lowest immunity value. It is this element that influences the final immunity of the lamp to a surge of 1.2/50 µs (8/20 µs). The next element in the immunity hierarchy is the 16 LEDs, driver IC2, and Greatz bridge IC1. These components have the potential to fail when exposed to a surge of critical value. Knowing its value, the value of the immunity coefficient for the complete circuit was calculated according to the following relation:
The resistor R1 shapes the immunity of the circuit. The calculated value of the product of the immunity function for resistor R1, the array of 16xLEDs, the driver IC2, and the Greatz bridge IC1 shows that, only for the limit values of the disturbance, it is modified by the LEDs, the driver, or the bridge. This condition makes it possible to write down the immunity factor for the whole system.
RIS LC = WIS LC = (2040 V, 300 V)
In this case, the immunity function can be expressed by the following relation:
and the sensitivity function as follows:
These values were related to the results obtained when complete lamps were tested [1]. During the tests, 150 lamps were tested, divided into 10 batches of 15 units each. Similar to the tested components, each batch of lamps was exposed to a surge of the same value, injected once according to the guidelines of the standard [3] at the peak of the sinusoidal AC voltage waveform (Figure 16).
Figure 16.
Test setup for testing the immunity of LED lamps to a 1.2/50 µs (8/20 µs) surge.
By relating the number of damaged lamps to the total number of lamps in the batch for each exposure level, the value of the empirical cumulative distribution function was determined. Knowing this allowed for the calculation of the theoretical cumulative distribution function and, ultimately, the immunity coefficient for the lamps selected for testing.
In the case where complete lamps were tested, an immunity factor of the value was equal:
RIS LA = WIS LA = (2250 V, 303 V)
Comparing the values of these coefficients, it can be concluded that they are close in value within the error of the method. The slightly higher value obtained for complete lamps may also be determined by the greater ability to dissipate impact energy compared to the case of testing individual components.
6. Conclusions
The purpose of the research was to show how to use the developed method of estimating the immunity coefficient to determine it for the elements of which the object under study is built and then, on this basis, to determine the immunity for the entire system.
The basis for assessing whether an element is operational or damaged was its characteristic parameters and its operating condition. For the values obtained for the probability of failure of the tested element, using the graphical method, the functional relations for the empirical distribution were plotted. Its parameters allowed us to determine the resistance coefficients for the tested elements. The obtained values of the resistance coefficients were analyzed. In the course of the analysis, it was observed that these coefficients are characterized by a significant range of impact values for which permanent damage to the element is possible. In the case of some elements, that is, resistors R3, R4, driver IC2, and individual LEDs, it was noted that they have coefficient values lower than the strength required for the lamp in the standard in question [22]. The main influence on the immunity of the tested system is the path by which the surge propagates. In the case of the analyzed AC/DC converter, the energy carried by the surge flowed through the elements R1, IC1, and C1. The weakest link in this series was the resistor R1. This was also confirmed when testing for complete lamps. This condition is justified by the values of the immunity coefficients for these elements.
The last stage of the research referred to the question of estimating the total immunity factor for the test lamp using the experimentally determined immunity factors for its individual components. Since, in terms of reliability, the test object is a series-design device, the function that describes its immunity will be the product of the immunity of its components. Having the values of the immunity coefficients for each of the integral components of the lamp under test, the immunity and sensitivity coefficients and the mathematical functions describing them were determined for it. The similar values of the immunity coefficient determined on the basis of the information possessed for its individual components and for the complete lamp testify to the correctness of the assumptions for the proposed method.
The proposed technique for constructing the immunity model of an electronic component and a complete system, presented using the example of a converter dedicated to powering LEDs in an LED lamp, can be generalized for any system or device. Introducing a durability indicator into the set of parameters that characterize the properties of electronic components would enable the forecasting and modelling of the system’s immunity according to the environmental class requirements it must meet. As demonstrated in the article, by selecting components with known durability indicator values for the designed system, it is possible to determine the probabilities of system failure for any disturbance level.
Expanding the group of reliability indicators for components by including a measure that characterizes their immunity to defined types of electromagnetic disturbances would significantly shorten the design and verification cycle. This indicator, similar to the rated voltage, current, or admissible power of a component, would serve as a criterion when selecting components for the environmental class in which the designed device will operate.
Author Contributions
Writing—original draft preparation, conceptualization, and methodology, W.S.; writing—review and editing, D.K.; resources, validation, formal analysis, investigation, data creation, and visualization, W.S., D.K., K.K. (Kazimierz Kamuda), P.J.-M. and K.K. (Kazimierz Kuryło). All authors have read and agreed to the published version of the manuscript.
Funding
This research was financed by the Minister of Science and Higher Education of the Republic of Poland within the “Regional Initiative of Excellence” program for the years 2019–2022: Project number 027/RID/2018/19, amount granted 11 999 900 PLN. The work was developed by using equipment purchased in the programs EU: POPW.01.03.00-18-012/09-00; and UDA-RPPK.01.03.00-18-003/10-00.
Data Availability Statement
The original contributions presented in the study are included in the article, further inquiries can be directed to the corresponding authors.
Conflicts of Interest
The authors declare no conflicts of interest. The funders had no role in the design of the study; in the collection, analyses, or interpretation of the data; in the writing of the manuscript, or in the decision to publish the results.
References
- Sabat, W.; Klepacki, D.; Kamuda, K.; Kuryło, K. Analysis of LED Lamps’ Sensitivity to Surge Impulse. Electronics 2022, 11, 1140. [Google Scholar] [CrossRef]
- Sabat, W.; Klepacki, D.; Kuryło, K.; Kamuda, K. Mathematical Model of the Susceptibility of an Electronic Element to a Standardised Type of Electromagnetic Disturbance. Energies 2023, 16, 7022. [Google Scholar] [CrossRef]
- EN 61000-4-5:2014; Electromagnetic Compatibility (EMC)-Part 4–5. Testing and Measurement Techniques-Surge Immunity Test. European Committee for Electrotechnical Standardization: Brussels, Belgium, 2009.
- Villanueva, I.; Juarez, M.A.; Martinez, P.R.; Sosa, J.M.; Vazquez, G. Comparative analysis of the reliability of drivers for power LED. In Proceedings of the 2015 IEEE International Autumn Meeting on Power, Electronics and Computing (ROPEC), Ixtapa, Mexico, 4–6 November 2015; pp. 1–6. [Google Scholar] [CrossRef]
- Fan, L.; Wang, K.; Fan, D. A combined universal generating function and physics of failure Reliability Prediction Method for an LED driver. Maint. Reliab. 2021, 23, 74–83. [Google Scholar] [CrossRef]
- Zhang, H. A Viable Non-Testing Method to Predict the Lifetime of LED Drivers. IEEE J. Emerg. Sel. Top. Power Electron. 2018, 6, 1246–1251. [Google Scholar] [CrossRef]
- Li, X.; Jiang, T.; Sun, F.; Ma, J. Constant Stress adt for Superluminescent Diode and Parameter Sensitivity Analysis. Maint. Reliab. 2010, 23, 21–26. [Google Scholar]
- Sun, B.; Fan, X.; Li, L.; Ye, H.; van Driel, W.; Zhang, G. A Reliability Prediction for Integrated LED Lamp With Electrolytic Capacitor-Free Driver. IEEE Trans. Compon. Packag. Manuf. Technol. 2017, 7, 1081–1088. [Google Scholar] [CrossRef]
- Sun, B.; Fan, X.; Qian, C.; Zhang, G. PoF-Simulation-Assisted Reliability Prediction for Electrolytic Capacitor in LED Drivers. IEEE Trans. Ind. Electron. 2016, 63, 6726–6735. [Google Scholar] [CrossRef]
- Meneghini, M.; Dal Lago, M.; Trivellin, N.; Meneghesso, G.; Zanoni, E. Degradation Mechanisms of High-Power LEDs for Lighting Applications: An Overview. IEEE Trans. Ind. Appl. 2014, 50, 78–85. [Google Scholar] [CrossRef]
- Harms, J.W. Revision of MIL-HDBK-217, Reliability Prediction of Electronic Equipment. In Proceedings of the 2010 Annual Reliability and Maintainability Symposium (RAMS), San Jose, CA, USA, 25–28 January 2010; pp. 1–3. [Google Scholar] [CrossRef]
- McLeish, J.G. Enhancing MIL-HDBK-217 reliability predictions with physics of failure methods. In Proceedings of the 2010 Annual Reliability and Maintainability Symposium (RAMS), San Jose, CA, USA, 25–28 January 2010; pp. 1–6. [Google Scholar] [CrossRef]
- Ghavami, M.; Singh, C. Reliability evaluation of plug-in hybrid electric vehicle chargers. In Proceedings of the 2017 IEEE International Conference on Environment and Electrical Engineering and 2017 IEEE Industrial and Commercial Power Systems Europe (EEEIC/I&CPS Europe), Milan, Italy, 6–9 June 2017; pp. 1–6. [Google Scholar] [CrossRef]
- Ghavami, M.; Singh, C. Reliability evaluation of electric vehicle charging systems including the impact of repair. In Proceedings of the 2017 IEEE Industry Applications Society Annual Meeting, Cincinnati, OH, USA, 1–5 October 2017; pp. 1–9. [Google Scholar] [CrossRef]
- Harb, S.; Zhang, H.; Balog, R.S. AC-link, single-phase, photovoltaic Module Integrated Inverter. In Proceedings of the 2013 Twenty-Eighth Annual IEEE Applied Power Electronics Conference and Exposition (APEC), Long Beach, CA, USA, 17–21 March 2013; pp. 177–182. [Google Scholar] [CrossRef]
- Yokwana, X.P.; Yusuff, A.A.; Ntombela, M.; Mosetlhe, T.C. Fault detection scheme for a large-scale photovoltaic installation based on frequency response analysis. In Proceedings of the 2021 IEEE 6th International Forum on Research and Technology for Society and Industry (RTSI), Naples, Italy, 6–9 September 2021; pp. 24–29. [Google Scholar] [CrossRef]
- Harb, S.; Mirjafari, M.; Balog, R.S. Ripple-Port Module-Integrated Inverter for Grid-Connected PV Applications. IEEE Trans. Ind. Appl. 2013, 49, 2692–2698. [Google Scholar] [CrossRef]
- Paś, J.; Rosiński, A.; Chrzan, M.; Białek, K. Reliability-Operational Analysis of the LED Lighting Module Including Electromagnetic Interference. IEEE Trans. Electromagn. Compat. 2020, 62, 2747–2758. [Google Scholar] [CrossRef]
- Sakar, S.; Rönnberg, S.; Bollen, M. Interferences in AC–DC LED Drivers Exposed to Voltage Disturbances in the Frequency Range 2–150 kHz. IEEE Trans. Power Electron. 2019, 34, 11171–11181. [Google Scholar] [CrossRef]
- Yang, L.; Yu, W.; Zhang, J. Variable Frequency Constant Current Control Method for Switched-Capacitor Converter Based Automotive LED Driver. IEEE Access 2019, 7, 42094–42106. [Google Scholar] [CrossRef]
- Tošić, N.M.; Samčović, A.; Nikolić, D.; Drajić, D.; Lekić, N. An Algorithm for Detection of Electromagnetic Interference in High Frequency Radar Range-Doppler Images Caused by LEDs. IEEE Access 2019, 7, 84413–84419. [Google Scholar] [CrossRef]
- Li, S.; Tan, S.-C.; Lee, C.K.; Waffenschmidt, E.; Hui, S.Y.; Tse, C.K. A survey, classification, and critical review of light-emitting diode drivers. IEEE Trans. Power Electron. 2016, 31, 1503–1516. [Google Scholar] [CrossRef]
- Zhonghong, S.; Chunxia, W.; Xiaoqun, D.; Jianyao, H.; Huawei, X.; Jiang, X. Research on Reliability of LED Luminaires in Extreme Natural Environment. In Proceedings of the 19th International Conference on Electronic Packaging Technology (ICEPT), Shanghai, China, 8–11 August 2018; pp. 31–35. [Google Scholar] [CrossRef]
- Locke, A.; Prendergast, J.; Riordan, D.; Walsh, J.; Grattan, D. Reliability prediction and analysis of LED luminaires. In Proceedings of the 2016 27th Irish Signals and Systems Conference (ISSC), Lundonderry, UK, 21–22 June 2016; pp. 1–6. [Google Scholar] [CrossRef]
- Kumar, K.J.; Kumar, R.S. Surge Immunity Protection in AC LED Street Lights. In Proceedings of the 2020 IEEE International Conference for Innovation in Technology (INOCON), Bangluru, India, 6–8 November 2020; pp. 1–4. [Google Scholar] [CrossRef]
- Gonschorek, K.-H.; Vick, R. Electromagnetic Compatibility for Device Design and System Integration; Springer: Berlin/Heidelberg, Germany, 2009. [Google Scholar] [CrossRef]
- EN IEC 61547:2023; Equipment for General Lighting Purposes—EMC Immunity Requirements. European Committee for Electrotechnical Standardization: Brussels, Belgium, 2013.
Disclaimer/Publisher’s Note: The statements, opinions and data contained in all publications are solely those of the individual author(s) and contributor(s) and not of MDPI and/or the editor(s). MDPI and/or the editor(s) disclaim responsibility for any injury to people or property resulting from any ideas, methods, instructions or products referred to in the content. |
© 2024 by the authors. Licensee MDPI, Basel, Switzerland. This article is an open access article distributed under the terms and conditions of the Creative Commons Attribution (CC BY) license (https://creativecommons.org/licenses/by/4.0/).















