A Programmable Gate Driver Module-Based Multistage Voltage Regulation SiC MOSFET Switching Strategy
Abstract
1. Introduction
2. The Principles of the Optimised Switching Strategy and Double-Pulse Test
2.1. The Principles of the Optimised Switching Strategy
- t0→t1: The driver starts to output the forward drive voltage after receiving the open signal, at which time VGS rises from VMIN to VTH. During this period, the ID and VDS remain basically unchanged because VGS is still lower than VTH, and most of the current in this phase is used to charge Cgs and Cgd.
- t1→t2: VGS rises from VTH to the Miller platform (Vmiller). During this period, ID begins to gradually increase. VDS is slightly reduced but still maintains a high voltage, because ID is small and RDS is large. At this time, the intrinsic diode of the SiC MOSFET is blocked.
- t2→t3: VGS is located at the Miller platform. For the SiC MOSFET, during this period, the full Iload flows to RDS, and the diode is no longer in a blocked state, such that the drain voltage drops, and the on-resistance continues to decrease. Despite the full load current flowing through the MOSFET drain, RDS remains high during this period.
- t3→t4: VDS continues to decline at Vmiller, near the end of Miller’s platform. Because when VGS > VMILLER, the SiC MOSFET is close to full conduction. The remaining gate current IG is distributed to Cgd and Cgs charging.
- t5→t6: VGS drops to Vmiller. Drain current ID remains unchanged. As VGS decreases, the channel resistance increases, resulting in a slight increase in VDS.
- t6→t7: During this period, since VGS remains almost constant, the size of the gate current is mainly determined by Cgd. Throughout the Miller platform, VDS rises to the VDC source voltage. ID remains unchanged.
- t7→t8: As VGS continues to drop from the Miller platform voltage to VMIN, ID drops to near-zero amperes in this interval. VDS is clamped to the drain voltage via the body diode inherent in the SiC MOSFET, which also means that the Cgd capacitor is fully charged.
- t8→t9: ID and VDS remain unchanged. During the final shutdown interval, the internal input capacitor of the SiC MOSFET will not be fully discharged until VGS drops below 0 V. For Ciss to discharge completely, VGS must complete the device shutdown at a negative voltage.
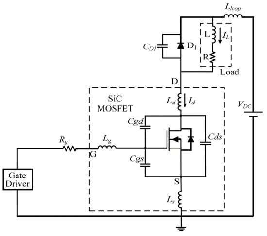
2.2. The Principles of the Double-Pulse Test
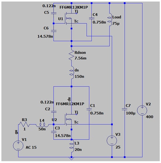
3. Simulation Verification of the Optimised Switching Strategy
Simulation Verification and Results
4. Experimental Verification of the Optimised Switching Strategy
4.1. Turn-On Stage
4.2. Turn-Off Stage
5. Discussion and Conclusions
Author Contributions
Funding
Data Availability Statement
Conflicts of Interest
References
- Tan, J.; Zhou, Z. An Optimized Switching Strategy Based on Gate Drivers with Variable Voltage to Improve the Switching Performance of SiC MOSFET Modules. Energies 2023, 16, 5984. [Google Scholar] [CrossRef]
- Iannaccone, G.; Sbrana, C.; Morelli, I.; Strangio, S. Power Electronics Based on Wide-Bandgap Semiconductors: Opportunities and Challenges. IEEE Access 2021, 9, 139446–139456. [Google Scholar] [CrossRef]
- Yu, S.; Wang, J.; Zhang, X.; Liu, Y.; Jiang, N.; Wang, W. The Potential Impact of Using Traction Inverters with SiC MOSFETs for Electric Buses. IEEE Access 2021, 9, 51561–51572. [Google Scholar] [CrossRef]
- Xue, Y.; Lu, J.; Wang, Z.; Tolbert, L.M.; Blalock, B.J.; Wang, F. Active compensation of current unbalance in paralleled silicon carbide MOSFETs. In Proceedings of the 2014 IEEE Applied Power Electronics Conference and Exposition—APEC 2014, Fort Worth, TX, USA, 16–20 March 2014; pp. 1471–1477. [Google Scholar]
- Xue, Y.; Lu, J.; Wang, Z.; Tolbert, L.M.; Blalock, B.J.; Wang, F. A compact planar Rogowski coil current sensor for active current balancing of parallel-connected Silicon Carbide MOSFETs. In Proceedings of the 2014 IEEE Energy Conversion Congress and Exposition (ECCE), Pittsburgh, PA, USA, 14–18 September 2014; pp. 4685–4690. [Google Scholar]
- Wen, Y.; Yang, Y.; Gao, Y. Active Gate Driver for Improving Current Sharing Performance of Paralleled High-Power SiC MOSFET Modules. IEEE Trans. Power Electron. 2021, 36, 1491–1505. [Google Scholar] [CrossRef]
- Lu, S.; Deng, X.; Li, S.; Rong, E. A Passive Transient Current Balancing Method for Multiple Paralleled SiC-MOSFET Half-Bridge Modules. In Proceedings of the 2019 IEEE Applied Power Electronics Conference and Exposition (APEC), Anaheim, CA, USA, 17–21 March 2019; pp. 349–353. [Google Scholar]
- Li, H.; Zhou, W.; Wang, X.; Munk-Nielsen, S.; Li, D.; Wang, Y.; Dai, X. Influence of Paralleling Dies and Paralleling Half-Bridges on Transient Current Distribution in Multichip Power Modules. IEEE Trans. Power Electron. 2018, 33, 6483–6487. [Google Scholar] [CrossRef]
- Mao, Y.; Miao, Z.; Wang, C.M.; Ngo, K.D.T. Balancing of Peak Currents Between Paralleled SiC MOSFETs by Drive-Source Resistors and Coupled Power-Source Inductors. IEEE Trans. Ind. Electron. 2017, 64, 8334–8343. [Google Scholar] [CrossRef]
- Zeng, Z.; Zhang, X.; Zhang, Z. Imbalance Current Analysis and Its Suppression Methodology for Parallel SiC MOSFETs with Aid of a Differential Mode Choke. IEEE Trans. Ind. Electron. 2020, 67, 1508–1519. [Google Scholar] [CrossRef]
- Ahmed, M.R.; Todd, R.; Forsyth, A. Analysis of SiC MOSFETs under hard and soft-switching. In Proceedings of the IEEE Energy Conversion Congress and Exposition (ECCE), Virtual, 10–14 October 2015; pp. 2231–2238. [Google Scholar]
- Yuan, D.; Zhang, Y.; Wang, X.; Gao, J. A Detailed Analytical Model of SiC MOSFETs for Bridge-Leg Configuration by Considering Staged Critical Parameters. IEEE Access 2021, 9, 24823–24847. [Google Scholar] [CrossRef]
- Wei, Y.; Mantooth, A. Subcircuit Based Modelling of SiC MOSFET in MATLAB/SIMULINK. In Proceedings of the IEEE 12th Energy Conversion Congress & Exposition Asia (ECCE-Asia), Singapore, 24–27 May 2021; pp. 2339–2344. [Google Scholar]
- Plotdigitizer. Available online: https://plotdigitizer.com/app (accessed on 20 April 2022).
- Wolfspeed CREESiCMOSFETC3M0015065K. Available online: https://assets.wolfspeed.com/uploads/2020/12/C3M0015065K.pdf (accessed on 6 March 2022).
- Mao, S.; Popovic, J.; Ferreira, J.A. Switching Characterization and Low Inter-winding Capacitance Gate Driver Power Supply of 1200 V SIC MOSFET for the 300 kHz 10 kW Inverter. In Proceedings of the 1st Workshop Wide Bandgap Power Devices Applications Asia (WiPDA Asia), Xi’an, China, 16–18 May 2018; pp. 270–275. [Google Scholar]
- Li, S.T.; Wang, P.Y.; Chen, C.J.; Hsu, C.C. A 10 MHz GaN Driver with Gate Ringing Suppression and Active Bootstrap Control. In Proceedings of the IEEE Workshop Wide Bandgap Power Devices Applications Asia (WiPDA Asia), Taipei, Taiwan, 23–25 May 2019; pp. 1–4. [Google Scholar]
- Oswald, N.; Anthony, P.; McNeill, N.; Stark, B.H. An experimental investigation of the trade off between switching losses and EMI generation with hard-switched all-Si, Si-SiC, and all-SiC device combinations. IEEE Trans. Power Electron. 2013, 29, 2393–2407. [Google Scholar] [CrossRef]
- Qu, J.; Zhang, Q.; Yuan, X.; Cui, S. Design of a paralleled SiC MOSFET half-bridge unit with distributed arrangement of DC capacitors. IEEE Trans. Power Electron. 2020, 35, 10879–10891. [Google Scholar] [CrossRef]
- Zhu, Y.; Huang, Y.; Wu, H.; Din, Z.; Zhang, J. A Multi-Level Gate Driver for Crosstalk Suppression of Silicon Carbide MOSFETs in Bridge Arm. IEEE Access 2021, 9, 100185–100196. [Google Scholar] [CrossRef]
- Wang, G.; Mookken, J.; Rice, J.; Schupbach, M. Dynamic and static behavior of packaged silicon carbide MOSFETs in paralleled applications. In Proceedings of the 2014 IEEE Applied Power Electronics Conference and Exposition—APEC 2014, Fort Worth, TX, USA, 16–20 March 2014; pp. 1478–1483. [Google Scholar]
- Zhang, J.; Lei, E.; Jin, L.; Ma, K.; Li, Y.; Li, X.; Xia, C.; Wang, X. Variable Amplitude Gate Voltage Synchronous Drive Technique for Improving Dynamic Current Balancing in Paralleled IGBTs. Energies 2023, 16, 5306. [Google Scholar] [CrossRef]
- Aeloiza, E.; Kadavelugu, A.; Rodrigues, R. Novel Bipolar Active Miller Clamp for Parallel SiC MOSFET Power Modules. In Proceedings of the 2018 IEEE Energy Conversion Congress and Exposition (ECCE), Portland, OR, USA, 23–27 September 2018; pp. 401–407. [Google Scholar]
- Ceralink Capacitor. Available online: https://product.tdk.com/en/search/capacitor/ceramic/ceralink/info?part_no=B58031U5105M062 (accessed on 10 March 2022).
- Diao, F.; Zhu, G.; Wu, Y.; Li, Y.; Ma, Z.; Zhao, Y. A Modular and Performance-Tunable Silicon Carbide Half-Bridge Building Block with Digital Gate Driver. In Proceedings of the 2022 IEEE Applied Power Electronics Conference and Exposition (APEC), Houston, TX, USA, 20–24 March 2022; pp. 251–258. [Google Scholar]
- Albanna, A.; Malburg, A.; Anwar, M.; Guta, A.; Tiwari, N. Performance comparison and device analysis Between Si IGBT and SiC MOSFET. In Proceedings of the 2016 IEEE Transportation Electrification Conference and Expo (ITEC), 27–29 June 2016; pp. 1–6. [Google Scholar]
- Balcells, J.; Bogónez-Franco, P. Effect of driver to gate coupling circuits on EMI produced by SiC MOSFETS. In Proceedings of the 2013 International Symposium on Electromagnetic Compatibility, Brugge, Belgium, 2–6 September 2013. [Google Scholar]
- Bogónez-Franco, P.; Sendra, J.B. EMI comparison between Si and SiC technology in a boost converter. In Proceedings of the International Symposium on Electromagnetic Compatibility—EMC EUROPE, Rome, Italy, 17–21 September 2012. [Google Scholar]
- Fang, Z.; Jiang, D.; Shen, Z.; Qu, R. Impact of application of SiC devices in motor drive on EMI. In Proceedings of the 2017 IEEE Applied Power Electronics Conference and Exposition (APEC), Tampa, FL, USA, 26–30 March 2017. [Google Scholar]











| Symbol | Parameter | Value | Unit |
|---|---|---|---|
| Ciss | Input capacitance | 14.7 | nF |
| VGS | Gate-source voltage | −10/+20 | V |
| Coss | Output capacitance | 0.88 | nF |
| VTH | Gate threshold voltage | 4.5 | V |
| Crss | Reverse transfer capacitance | 0.122 | nF |
| VDS | Drain-source voltage | 1200 | V |
| tr | Rise time | 32 | ns |
| tf | Fall time | 45.2 | ns |
| RDS(on) | Drain-source on-state resistance | 7.56 | mΩ |
| RG(int) | Internal gate resistance | 1 | Ω |
| ID | Continuous drain current | 250 | A |
| QG | Total gate charge | 0.496 | µC |
| Unit | Rated Value | Peak Value | Overshoot (%) |
|---|---|---|---|
| IDS(OSS) | 30 A | 34.74 A | 15.80% |
| IDS(HS) | 30 A | 40.82 A | 36.07% |
| Unit | Rated Value | Peak Value | Overshoot (%) |
|---|---|---|---|
| VDS(OSS) | 400 V | 483.64 V | 20.91% |
| VDS(HS) | 400 V | 552.74 V | 38.19% |
Disclaimer/Publisher’s Note: The statements, opinions and data contained in all publications are solely those of the individual author(s) and contributor(s) and not of MDPI and/or the editor(s). MDPI and/or the editor(s) disclaim responsibility for any injury to people or property resulting from any ideas, methods, instructions or products referred to in the content. |
© 2024 by the authors. Licensee MDPI, Basel, Switzerland. This article is an open access article distributed under the terms and conditions of the Creative Commons Attribution (CC BY) license (https://creativecommons.org/licenses/by/4.0/).
Share and Cite
Tan, J.; Zhou, Z.; Zou, G. A Programmable Gate Driver Module-Based Multistage Voltage Regulation SiC MOSFET Switching Strategy. Electronics 2024, 13, 4379. https://doi.org/10.3390/electronics13224379
Tan J, Zhou Z, Zou G. A Programmable Gate Driver Module-Based Multistage Voltage Regulation SiC MOSFET Switching Strategy. Electronics. 2024; 13(22):4379. https://doi.org/10.3390/electronics13224379
Chicago/Turabian StyleTan, Jixiang, Zhongfu Zhou, and Gongjie Zou. 2024. "A Programmable Gate Driver Module-Based Multistage Voltage Regulation SiC MOSFET Switching Strategy" Electronics 13, no. 22: 4379. https://doi.org/10.3390/electronics13224379
APA StyleTan, J., Zhou, Z., & Zou, G. (2024). A Programmable Gate Driver Module-Based Multistage Voltage Regulation SiC MOSFET Switching Strategy. Electronics, 13(22), 4379. https://doi.org/10.3390/electronics13224379

