A Practical Pole-to-Ground Fault Current Calculation Method for Symmetrical Monopole DC Grids
Abstract
1. Introduction
- (1)
- A simplified fault current analysis method for SMDC systems that is based on DC grid equivalation and impedance simplification in the frequency domain is studied. The simplified calculation method is suitable for different SMDC grids with varied topologies.
- (2)
- Based on impedance analyses and high-frequency characteristic studies, key impact factors of PTG fault currents are made clear; using these factors, an index to evaluate PTG fault levels is also proposed. The index not only considers the parameters of the SMDC system, but also considers the system’s initial operational state prior to the fault.
- (3)
- Based on the proposed index, the topology of a DC grid can be optimized and the PTG fault level of the SMDC system can also be limited. A six-terminal SMDC grid case study shows that the PTG fault level can be reduced by 40% with the help of the proposed index.
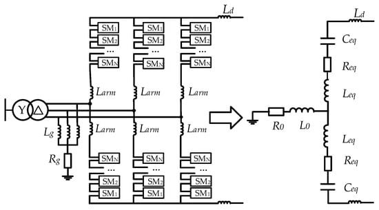
2. PTG Fault Analysis in an SMDC System
2.1. The Hydropower Generator Model
2.2. Discharge Circuit for the PTG Fault
3. The Simplification Methodology for the PTG Fault
3.1. Superposition Theorem Application in Pole-to-Ground Fault Calculation
3.2. Simplification of the Fault Circuit
3.3. Fault Circuit Simplification for Ring Topology
4. Practical PTG Fault Calculation Methodology
4.1. Equivalent Impedance Characterization
4.2. Practical Calculations Through Taylor Expansions
5. Verification via Simulations
5.1. Equivalent Circuit and Calculation Method Verification
5.2. Assessment Index Verification
5.3. Topology Optimization for Fault Current Limitation
5.4. Topology Optimization for Practical Applications
- (1)
- Converters were operated within their rated conditions;
- (2)
- Connectivity between each converter station was always ensured;
- (3)
- N-1 connectivity was also ensured, meaning that, when any one of the transmission lines was disconnected, the converters were still connected.
6. Conclusions
- (1)
- A DC grids’ topology has a great impact on the PTG fault current value, and the high-frequency part of the equivalent circuit determines the fault current.
- (2)
- The simplified equivalent circuit method for complex DC grids is proved to be correct, and the simplified fault current calculation method based on high-frequency signals and the equivalent circuit is also precise and correct.
- (3)
- A fault current level assessment index is also derived, and it can estimate various DC grids’ potential fault currents.
- (4)
- The fault current level of a six-terminal DC grid can decrease by at least 26% through topology optimization, whereas a 40% reduction in the fault current can also be achieved if some practical constraints are added.
- (5)
- A radial topology always experiences the worst case, being its fault current level the highest. Also, the lines near the DC voltage-controlled converter have higher fault current levels because of their higher active power levels.
Author Contributions
Funding
Data Availability Statement
Conflicts of Interest
References
- Taherzadeh, E.; Radmanesh, H.; Javadi, S.; Gharehpetian, G.B. Circuit breakers in HVDC systems: State-of-the-art review and future trends. Prot. Control Mod. Power Syst. 2023, 8, 1–16. [Google Scholar] [CrossRef]
- Wachal, R.; Jindal, A.; Dennetiere, S.; Saad, H. Guide for the Development of Models for HVDC Converters in a HVDC Grid; Working Group B4. 57; CIGRE: Paris, France, 2014. [Google Scholar]
- Li, Q.; Li, B.; Jiang, Q.; Liu, T.; Yue, Y.; Zhang, Y. A Novel Location Method for Interline Power Flow Controllers Based on Entropy Theory. Prot. Control. Mod. Power Syst. 2024, 9, 70–81. [Google Scholar] [CrossRef]
- Akhmatov, V.; Callavik, M.; Franck, C.; Rye, S.E.; Ahndorf, T.; Bucher, M.K.; Müller, H.; Schettler, F.; Wiget, R. Technical guidelines and prestandardization work for first HVDC grids. IEEE Trans. Power Deliv. 2013, 29, 327–335. [Google Scholar] [CrossRef]
- Li, C.; Hu, X.; Guo, J.; Liang, J. The DC grid reliability and cost evaluation with Zhoushan five-terminal HVDC case study. In Proceedings of the 2015 50th International Universities Power Engineering Conference (UPEC), Stoke on Trent, UK, 1–4 September 2015; pp. 1–6. [Google Scholar] [CrossRef]
- 4coffshore. Project Details for BARD Offshore 1[EB/OL]. Available online: http://www.4coffshore.com/windfarms/bard-offshore-1-germany-de23.html (accessed on 29 August 2024).
- Hou, C.; Ye, Z.; Zhang, X.; Huang, J. Calculation of Transient Current of Rectifier Generator with DC Grid Faults. In Proceedings of the 2020 7th International Forum on Electrical Engineering and Automation (IFEEA), Hefei, China, 25–27 September 2020; pp. 294–299. [Google Scholar] [CrossRef]
- Li, J.; Li, Y.; Xiong, L.; Jia, K.; Song, G. DC Fault Analysis and Transient Average Current Based Fault Detection for Radial MTDC System. IEEE Trans. Power Deliv. 2020, 35, 1310–1320. [Google Scholar] [CrossRef]
- Hou, J.; Song, G.; Fan, Y. Fault identification scheme for protection and adaptive reclosing in a hybrid multi-terminal HVDC system. Prot. Control Mod. Power Syst. 2023, 8, 23. [Google Scholar] [CrossRef]
- Ahmad, M.; Gong, C.; Nadeem, M.H.; Chen, H.; Wang, Z. A hybrid circuit breaker with fault current limiter circuit in a VSC-HVDC application. Prot. Control Mod. Power Syst. 2022, 7, 43. [Google Scholar] [CrossRef]
- Ning, L.; Zheng, X.; Tai, N.; Huang, W.; Chen, J.; Wu, Z. A novel pilot protection scheme for MMC-HVDC transmission lines. In Proceedings of the 2017 IEEE Energy Conversion Congress and Exposition (ECCE), Chongqing, China, 23–25 April 2017; pp. 105–110. [Google Scholar] [CrossRef]
- Lv, C.; Tai, N.; Zheng, X.; Zha, K. Protection scheme for MMC-HVDC DC lines based on boundary current signals. In Proceedings of the 2017 IEEE PES Innovative Smart Grid Technologies Conference Europe (ISGT-Europe), Turin, Italy, 26–29 September 2017; pp. 1–5. [Google Scholar] [CrossRef]
- Wang, Y.; Qiu, F.; Zhu, L.; Wei, T.; Li, W.; Zhu, Z. Coordination Control of Resistive SFCL and Hybrid DC Circuit Breaker in HB-MMC-HVDC System. In Proceedings of the 2020 IEEE International Conference on Applied Superconductivity and Electromagnetic Devices (ASEMD), Tianjin, China, 16–18 October 2020; pp. 1–2. [Google Scholar] [CrossRef]
- Peng, G.; Wang, Y.; Chen, S.; Wang, Y. MMC-HVDC Fault Ride-through Coordination Control Strategy at Both Ends. In Proceedings of the 2019 IEEE Innovative Smart Grid Technologies—Asia (ISGT Asia), Chengdu, China, 21–24 May 2019; pp. 434–438. [Google Scholar] [CrossRef]
- Li, C.; Zhao, C.; Xu, J.; Ji, Y.; Zhang, F.; An, T. A Pole-to-Pole Short-Circuit Fault Current Calculation Method for DC Grids. IEEE Trans. Power Syst. 2017, 32, 4943–4953. [Google Scholar] [CrossRef]
- Langwasser, M.; De Carne, G.; Liserre, M.; Biskoping, M. Improved Fault Current Calculation Method for Pole-to-Pole Faults in MMC Multi-Terminal HVDC Grids Considering Control Dynamics. In Proceedings of the 2018 IEEE Energy Conversion Congress and Exposition (ECCE), Portland, OR, USA, 23–27 September 2018; pp. 5529–5535. [Google Scholar] [CrossRef]
- Tao, Y.; Li, B.; Dragičević, T.; Liu, T.; Blaabjerg, F. HVDC Grid Fault Current Limiting Method through Topology Optimization Based on Genetic Algorithm. IEEE J. Emerg. Sel. Top. Power Electron. 2020, 9, 7045–7055. [Google Scholar] [CrossRef]
- Shuo, Z.; Yongli, L. Simulation and analysis of HVDC line protection under the single pole to ground fault with high transition resistance. In Proceedings of the 2011 4th International Conference on Electric Utility Deregulation and Restructuring and Power Technologies (DRPT), Weihai, China, 6–9 July 2011; pp. 926–929. [Google Scholar] [CrossRef]
- Liang, G.; Rodriguez, E.; Zeng, Y.; Farivar, G.; Lam, H.S.; Yuan, H.; Pou, J. Reactive power distribution in the cascaded H-bridge converter with unbalanced submodule active power for capacitance reduction. IEEE Trans. Ind. Electron. 2024, 71, 14186–14196. [Google Scholar] [CrossRef]
- Zeng, Y.; Zou, G.; Zhang, X.; Wei, X.; Jiang, L.; Sun, C. Faulty feeder selection and segment location method for SPTG fault in radial MMC-MVDC distribution grid. IET Gener. Transm. Distrib. 2020, 14, 223–233. [Google Scholar] [CrossRef]
- Tao, Y.; Li, B.; Liu, T. Pole-to-ground Fault Current Estimation in Symmetrical Monopole HVDC Grid Considering MMC Control. Electron. Lett. 2020, 56, 392–395. [Google Scholar] [CrossRef]
- Tao, Y.; Li, B.; Liu, T.; Jiang, Q.; Blaabjerg, F. Practical Fault Current Level Evaluation and Limiting Method of Bipolar HVdc Grid Based on Topology Optimization. IEEE Syst. J. 2021, 16, 4466–4476. [Google Scholar] [CrossRef]
- Pang, H.; Wei, X. Research on Key Technology and Equipment for Zhangbei 500kV DC Grid. In Proceedings of the 2018 International Power Electronics Conference (IPEC-Niigata 2018-ECCE Asia), Niigata, Japan, 20–24 May 2018; pp. 2343–2351. [Google Scholar] [CrossRef]



















| Converter No. | Control Modes and References | Larm /mH | CSM /μF | RON /mΩ | NSM |
|---|---|---|---|---|---|
| MMC1 | P = 1100 MVA Q = 0 MVAR | 66.81 | 16,300 | 1.3 | 495 |
| MMC2 | P = 1100 MVA Q = 0 MVAR | 66.81 | 16,300 | 1.3 | 495 |
| MMC3 | P = −1000 MVA Q = 0 MVAR | 66.81 | 16,300 | 1.3 | 495 |
| MMC4 | P = 800 MVA Q = 0 MVAR | 66.81 | 16,300 | 1.3 | 495 |
| MMC5 | P = 1000 MVA Q = 0 MVAR | 66.81 | 16,300 | 1.3 | 495 |
| MMC6 | Udc = ±500 kV Q = 0 MVAR | 66.81 | 16,300 | 1.3 | 495 |
| Ld | Resistance | Inductance | |
|---|---|---|---|
| Parameter | 150 mH | 0.995 Ω/100 km | 0.082 H/100 km |
| Line Name | Fault Current | Absolute Error/kA | Relative Error |
|---|---|---|---|
| l12 | I12 | 0.043 | 1.5% |
| I21 | 0.041 | 1% | |
| l16 | I16 | 0.064 | 1.2% |
| I61 | 0.033 | 1.9% | |
| l23 | I23 | 0.037 | 0.96% |
| I32 | 0.043 | 1.5% | |
| l34 | I34 | 0.039 | 1.3% |
| I43 | 0.016 | 0.4% | |
| l45 | I45 | 0.039 | 1.4% |
| I54 | 0.04 | 1% | |
| l56 | I56 | 0.063 | 1.2% |
| I65 | 0.033 | 1.8% |
Disclaimer/Publisher’s Note: The statements, opinions and data contained in all publications are solely those of the individual author(s) and contributor(s) and not of MDPI and/or the editor(s). MDPI and/or the editor(s) disclaim responsibility for any injury to people or property resulting from any ideas, methods, instructions or products referred to in the content. |
© 2024 by the authors. Licensee MDPI, Basel, Switzerland. This article is an open access article distributed under the terms and conditions of the Creative Commons Attribution (CC BY) license (https://creativecommons.org/licenses/by/4.0/).
Share and Cite
Xu, Y.; Kuang, W.; Li, B.; Li, X.; Zou, T.; Jiang, Q.; Luo, Y. A Practical Pole-to-Ground Fault Current Calculation Method for Symmetrical Monopole DC Grids. Electronics 2024, 13, 4245. https://doi.org/10.3390/electronics13214245
Xu Y, Kuang W, Li B, Li X, Zou T, Jiang Q, Luo Y. A Practical Pole-to-Ground Fault Current Calculation Method for Symmetrical Monopole DC Grids. Electronics. 2024; 13(21):4245. https://doi.org/10.3390/electronics13214245
Chicago/Turabian StyleXu, Ying, Wei Kuang, Baohong Li, Xiaopeng Li, Tierui Zou, Qin Jiang, and Yiping Luo. 2024. "A Practical Pole-to-Ground Fault Current Calculation Method for Symmetrical Monopole DC Grids" Electronics 13, no. 21: 4245. https://doi.org/10.3390/electronics13214245
APA StyleXu, Y., Kuang, W., Li, B., Li, X., Zou, T., Jiang, Q., & Luo, Y. (2024). A Practical Pole-to-Ground Fault Current Calculation Method for Symmetrical Monopole DC Grids. Electronics, 13(21), 4245. https://doi.org/10.3390/electronics13214245

