A Dual-Polarized CTS Array Antenna with Four Reconfigurable Beams for mm-Wave Wind Profile Radar
Abstract
1. Introduction
2. Antenna Design and Analysis
2.1. CTS Radiation Stub
2.2. 1-to-14 Linear Source Generator Feed Structure
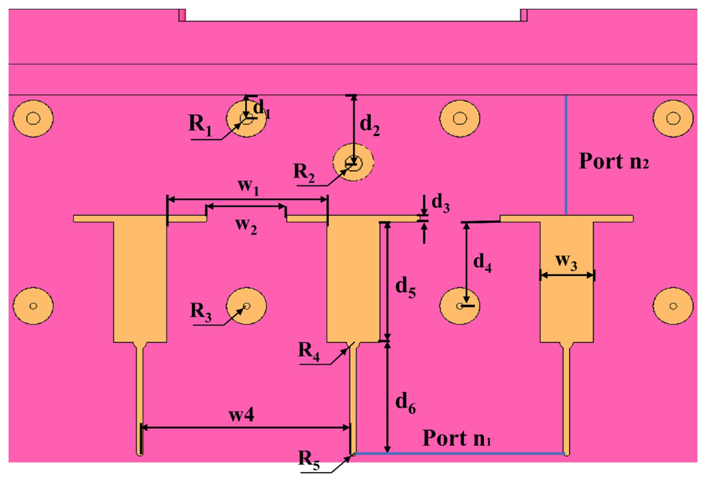
2.3. Waveguide Transition Structure
3. Experimental Results and Discussion
3.1. Reflection Coefficient and Isolation
3.2. Antenna Gain
3.3. Comparison with Other Works
3.4. Experiments on the Radar System
4. Conclusions
Author Contributions
Funding
Data Availability Statement
Conflicts of Interest
References
- Algarni, A.S.; Suryanarayanan, S.; Siegel, H.J.; Maciejewski, A.A. Combined Impact of Demand Response Aggregators and Carbon Taxation on Emissions Reduction in Electric Power Systems. IEEE Trans. Smart Grid 2021, 12, 1825–1827. [Google Scholar] [CrossRef]
- Brigada, D.J.; Ryvkina, J. Radar-Optimized Wind Turbine Siting. IEEE Trans. Sustain. Energy 2022, 13, 403–413. [Google Scholar] [CrossRef]
- Dolatabadi, A.; Mohammadi-Ivatloo, B.; Abapour, M.; Tohidi, S. Optimal stochastic design of wind integrated energy hub. IEEE Trans. Ind. Inf. 2017, 13, 2379–2388. [Google Scholar] [CrossRef]
- Dolatabadi, A.; Abdeltawab, H.; Mohamed, Y.A.-R.I. Deep Spatial-Temporal 2-D CNN-BLSTM Model for Ultrashort-Term LiDAR-Assisted Wind Turbine’s Power and Fatigue Load Forecasting. IEEE Trans. Ind. Inform. 2022, 18, 2342–2353. [Google Scholar] [CrossRef]
- Spinato, F.; Tavner, P.J.; van Bussel, G.J.W.; Koutoulakos, E. Reliability of wind turbine subassemblies. IET Renew. Power Gener. 2009, 3, 387–401. [Google Scholar] [CrossRef]
- Choi, D.; Shin, W.; Ko, K.; Rhee, W. Static and Dynamic Yaw Misalignments of Wind Turbines and Machine Learning Based Correction Methods Using LiDAR Data. IEEE Trans. Sustain. Energy 2019, 10, 971–982. [Google Scholar] [CrossRef]
- Rundong, Q.; Changcheng, H.; Wenbin, T. Wind Measurement with a Wind Profiling Radar. Syst. Eng. Electron. 1991, 2, 81–88. [Google Scholar]
- Sterlyadkin, V.V.; Gorelik, A.G.; Kulikovskii, K.V.; Kalmykov, V.M.; Ermilov, D.V.; Khomyakov, A.V. Field measurements of the wind profile using millimeter Doppler radar. In Proceedings of the 2017 Progress in Electromagnetics Research Symposium—Spring (PIERS), St. Petersburg, Russia, 22–25 May 2017; pp. 897–901. [Google Scholar]
- Zhou, W.; Wu, L.; Wang, H.; Li, F.; Yang, X.; Li, R. Improvement of L-band Wind Profile Radar System. In Proceedings of the International Conference on Meteorology Observations (ICMO), Chengdu, China, 28–31 December 2019. [Google Scholar]
- Sinha, S.; Regeena, M.L.; Sarma, C.T.V.; Hashiguchi, H.; Tuckley, K.R. Doppler Profile Tracing Using MPCF on MU Radar and Sodar: Performance Analysis. IEEE Geosci. Remote Sens. Lett. 2018, 15, 508–511. [Google Scholar] [CrossRef]
- Röttger, J.; Ierkic, H.M. Postset beam steering and interferometer applications of VHF radars to study winds, waves, and turbulence in the lower and middle atmosphere. Radio Sci. 1985, 20, 1461–1480. [Google Scholar] [CrossRef]
- Doviak, R.J.; Zhang, G.; Cohn, S.A.; Brown, W.O.J. Comparison of spaced-antenna baseline wind estimators: Theoretical and simulated results. Radio Sci. 2004, 39, RS100. [Google Scholar] [CrossRef]
- Venkatesh, V.; Orzel, K.; Frasier, S. Spaced-Antenna Aperture Synthesis Using an X-Band Active Phased-Array. IEEE Geosci. Remote Sens. Lett. 2021, 18, 1194–1198. [Google Scholar] [CrossRef]
- Domps, B.; Marmain, J.; Guérin, C.A. Rapid Scale Wind Profiling with Autoregressive Modeling and L-Band Doppler Radar. IEEE Trans. Geosci. Remote Sens. 2022, 60, 4110010. [Google Scholar] [CrossRef]
- Nishizawa, K.; Miyashita, H.; Wakayama, T.; Matsuda, T.; Hashiguchi, H.; Fukao, S. A 1.3 GHz active phased array antenna for wind profiling boundary layer radar. In Proceedings of the IEEE International Symposium on Phased Array Systems and Technology, Boston, MA, USA, 14–17 October 2003; pp. 142–145. [Google Scholar]
- Krasnov, O.A.; Yarovoy, A.G. Radar micro-Doppler of wind turbines: Simulation and analysis using slowly rotating linear wired constructions. In Proceedings of the 2014 11th European Radar Conference, Rome, Italy, 8–10 October 2014; pp. 73–76. [Google Scholar]
- Lindseth, B.; Brown, W.O.; Jordan, J.; Law, D.; Hock, T.; Cohn, S.A.; Popovic, Z. A New Portable 449-MHz Spaced Antenna Wind Profiler Radar. IEEE Trans. Geosci. Remote Sens. 2012, 50, 3544–3553. [Google Scholar] [CrossRef]
- Matos, S.A.; Costa, J.R.; Fernandes, C.A.; Alves, A.A.; Fonseca, N.J.G. Reducing Beam Aberrations of Mechanical Scanning Transmit-array Antennas. In Proceedings of the 2020 IEEE International Symposium on Antennas and Propagation and North American Radio Science Meeting, Montreal, QC, Canada, 5–10 July 2020; pp. 1785–1786. [Google Scholar]
- Samson, T.K.; Kottayil, A.; Manoj, M.G.; Binoy, B.B.; Rakesh, V.; Rebello, R.; Vasudevan, K.; Mohanan, P.; Santosh, K.R.; Mohankumar, K. Technical Aspects of 205 MHz VHF Mini Wind Profiler Radar for Tropospheric Probing. IEEE Geosci. Remote Sens. Lett. 2016, 13, 1027–1031. [Google Scholar] [CrossRef]
- Samson, T.K.; Babu, B.; Anandan, V.K.; Rakesh, V.; Rebello, R.; Mohanakumar, K.; Mohanan, P. Phased array of 619-element Yagi-Uda antenna for Wind Profiler Radar at Cochin University of Science and Technology. In Proceedings of the 2019 URSI Asia-Pacific Radio Science Conference (AP-RASC), New Delhi, India, 9–15 March 2019; pp. 1–4. [Google Scholar]
- Srinivasulu, P.; Yasodha, P.; Kamaraj, P.; Rao, T.N.; Jayaraman, A.; Reddy, S.N.; Satyanarayana, S. 1280-MHz Active Array Radar Wind Profiler for Lower Atmosphere: System Description and Data Validation. J. Atmos. Ocean. Technol. 2012, 29, 1455–1470. [Google Scholar] [CrossRef]
- Hong, W.; Jiang, Z.H.; Yu, C.; Hou, D.; Wang, H.; Guo, C.; Hu, Y.; Kuai, L.; Yu, Y.; Jiang, Z.; et al. The Role of Millimeter-Wave Technologies in 5G/6G Wireless Communications. IEEE J. Microw. 2021, 1, 101–122. [Google Scholar] [CrossRef]
- Ku, B.H.; Schmalenberg, P.; Inac, O.; Gurbuz, O.D.; Lee, J.S.; Shiozaki, K.; Rebeiz, G.M. A 77–81-GHz 16-Element Phased-Array Receiver With ±50° Beam Scanning for Advanced Automotive Radars. IEEE Trans. Microw. Theory Technol. 2014, 62, 2823–2832. [Google Scholar] [CrossRef]
- Wu, Y.W.; Miao, Z.W.; Luo, G.Q.; Hao, Z.C. Planar Millimeter-Wave Shared-Aperture Self-Duplexing Antenna with Small Frequency Ratio and High Isolation. IEEE Trans. Antennas Propag. 2021, 69, 8979–8984. [Google Scholar] [CrossRef]
- Zhu, G.; Ding, Y.; Yang, G. Design of Shaped Dielectric Lens Antenna for Millimeter Wave Wind Profile Radar. In Proceedings of the 2021 International Conference on Microwave and Millimeter Wave Technology (ICMMT), Nanjing, China, 23–26 May 2021; pp. 1–3. [Google Scholar]
- Manzillo, F.F.; Ettorre, M.; Casaletti, M.; Capet, N.; Sauleau, R. Active impedance of infinite parallel-fed continuous transverse stub arrays. IEEE Trans. Antennas Propag. 2015, 63, 3291–3297. [Google Scholar] [CrossRef]
- Ettorre, M.; Manzillo, F.F.; Casaletti, M.; Sauleau, R.; Le Coq, L.; Capet, N. Continuous Transverse Stub Array for Ka-Band Applications. IEEE Trans. Antennas Propag. 2015, 63, 4792–4800. [Google Scholar] [CrossRef]
- Milroy, W.W. The continuous transverse stub (CTS) array: Basic theory, experiment, and application. Proc. Antenna Appl. Symp. 1991, 2, 253–283. [Google Scholar]
- Milroy, W.W. Planar Antenna Radiating Structure Having Quasi-Scan, Frequency-Independent Driving-Point Impedance. U.S. Patent 5 995 055A, 1999. [Google Scholar]
- Lu, X.; Gu, S.; Wang, X.; Liu, H.; Lu, W. Beam-Scanning Continuous Transverse Stub Antenna Fed by a Ridged Waveguide Slot Array. IEEE Antennas Wirel. Propag. Lett. 2017, 16, 1675–1678. [Google Scholar] [CrossRef]
- Samardzija, M.; Kai, T.; Hirokawa, J.; Ando, M. Single-layer waveguide feed for uniform plane TEM-wave in oversized rectangular waveguide with hard-surface sidewalls. IEEE Trans. Antennas Propag. 2006, 54, 2813–2819. [Google Scholar] [CrossRef]
- Potelon, T.; Ettorre, M.; Le Coq, L.; Bateman, T.; Francey, J.; Lelaidier, D.; Seguenot, E.; Devillers, F.; Sauleau, R. A Low-Profile Broadband 32-Slot Continuous Transverse Stub Array for Backhaul Applications in E-Band. IEEE Trans. Antennas Propag. 2017, 65, 6307–6316. [Google Scholar] [CrossRef]
- Mastro, M.D.; Mahmoud, A.; Potelon, T.; Sauleau, R.; Quagliaro, G.; Grbic, A.; Ettorre, M. Ultra-Low-Profile Continuous Transverse Stub Array for SatCom Applications. IEEE Trans. Antennas Propag. 2022, 70, 4459–4471. [Google Scholar] [CrossRef]
- Potelon, T.; Ettorre, M.; Coq, L.L.; Bateman, T.; Francey, J.; Sauleau, R. Reconfigurable CTS Antenna Fully Integrated in PCB Technology for 5G Backhaul Applications. IEEE Trans. Antennas Propag. 2019, 67, 3609–3618. [Google Scholar] [CrossRef]
- Potelon, T.; Ettorre, M.; Sauleau, R. Long Slot Array Fed by a Nonuniform Corporate Feed Network in PPW Technology. IEEE Trans. Antennas Propag. 2019, 67, 5436–5445. [Google Scholar] [CrossRef]
- Sun, S.; Zhao, Y.; Zheng, Y.; Zhou, N.; Ban, Y. A continuous transverse stub array with parabolic reflector for Ka-band multibeam application. AEU Int. J. Electron. Commun. 2023, 170, 154818. [Google Scholar] [CrossRef]
- You, Y.; Lu, Y.; Wang, Y.; Xu, J.; Huang, J.; Hong, W. Enhanced Pencil-Beam Scanning CTS Leaky-Wave Antenna Based on Meander Delay Line. IEEE Antennas Wirel. Propag. Lett. 2021, 20, 1760–1764. [Google Scholar] [CrossRef]
















| Ref | BW (GHz) | Gain (dBi) | SLLs (dB) | Polarization | Scanning Range |
|---|---|---|---|---|---|
| [32] | 71~86 | >29.3 | <−13.3 | Single | N/A |
| [33] | 19~31 | >19.7 | <−15 | Dual | ±22.5° |
| [34] | 71~86 | >17.5 | N/A | Single | −14~14° |
| [35] | 71~86 | >23.9 | <−18 | Single | N/A |
| [36] | 33~37 | >20.9 | <−10.6 | Single | ±38° |
| [37] | 26~34 | >22.5 | <−13.5 | Single | −68~42° |
| This work | 23~25 | >31.0 | <−17.6 | Dual | ±15° |
Disclaimer/Publisher’s Note: The statements, opinions and data contained in all publications are solely those of the individual author(s) and contributor(s) and not of MDPI and/or the editor(s). MDPI and/or the editor(s) disclaim responsibility for any injury to people or property resulting from any ideas, methods, instructions or products referred to in the content. |
© 2024 by the authors. Licensee MDPI, Basel, Switzerland. This article is an open access article distributed under the terms and conditions of the Creative Commons Attribution (CC BY) license (https://creativecommons.org/licenses/by/4.0/).
Share and Cite
Yan, L.; Zou, W.; Zheng, K.; Yang, G.; Luo, Y. A Dual-Polarized CTS Array Antenna with Four Reconfigurable Beams for mm-Wave Wind Profile Radar. Electronics 2024, 13, 238. https://doi.org/10.3390/electronics13010238
Yan L, Zou W, Zheng K, Yang G, Luo Y. A Dual-Polarized CTS Array Antenna with Four Reconfigurable Beams for mm-Wave Wind Profile Radar. Electronics. 2024; 13(1):238. https://doi.org/10.3390/electronics13010238
Chicago/Turabian StyleYan, Lei, Wenbin Zou, Kaihong Zheng, Guangli Yang, and Yong Luo. 2024. "A Dual-Polarized CTS Array Antenna with Four Reconfigurable Beams for mm-Wave Wind Profile Radar" Electronics 13, no. 1: 238. https://doi.org/10.3390/electronics13010238
APA StyleYan, L., Zou, W., Zheng, K., Yang, G., & Luo, Y. (2024). A Dual-Polarized CTS Array Antenna with Four Reconfigurable Beams for mm-Wave Wind Profile Radar. Electronics, 13(1), 238. https://doi.org/10.3390/electronics13010238
