A Comprehensive Review on Matrix-Integrated Single-Stage Isolated MF/HF Converters
Abstract
1. Introduction
- Until now, no review article has successfully classified all three matrix-integrated single-stage isolated AC-AC/DC-AC/AC-DC circuit configurations within a single report, which is a gap that our work seeks to fill.
- Our in-depth study focuses on versatile matrix-integrated single-stage isolated AC-AC/DC-AC/AC-DC topologies, providing valuable insights into its various configurations and characteristics, thereby enriching the existing knowledge in the field. Additionally, three tables have been incorporated to facilitate a detailed comparison and contrast of each topology with a focus on performance analysis as well.
- A broad overview and summary of various control strategies, modulation schemes, and applications for the three highlighted topologies is presented in a tabulated format. The table encompasses a complete system design specifications and various features of the converter system, such as front-end and rear-end converter types, the number of semiconductor devices utilized, input–output voltage levels, and efficiency etc. These aspects can be a valuable guide for engineers or design professionals.
- Several unique converter control methods and modulation techniques have been identified and thoroughly detailed. Additionally, key operating waveforms for some converter types have been illustrated and analyzed.
2. Matrix-Integrated Single-Stage Isolated MF/HF Converter Topologies
2.1. Matrix-Integrated Single-Stage Isolated AC-AC Converter Topology
2.1.1. 1P AC-1P AC Circuit
2.1.1.1. Resonance-Based Converter
2.1.1.2. Resonance-Less Converter
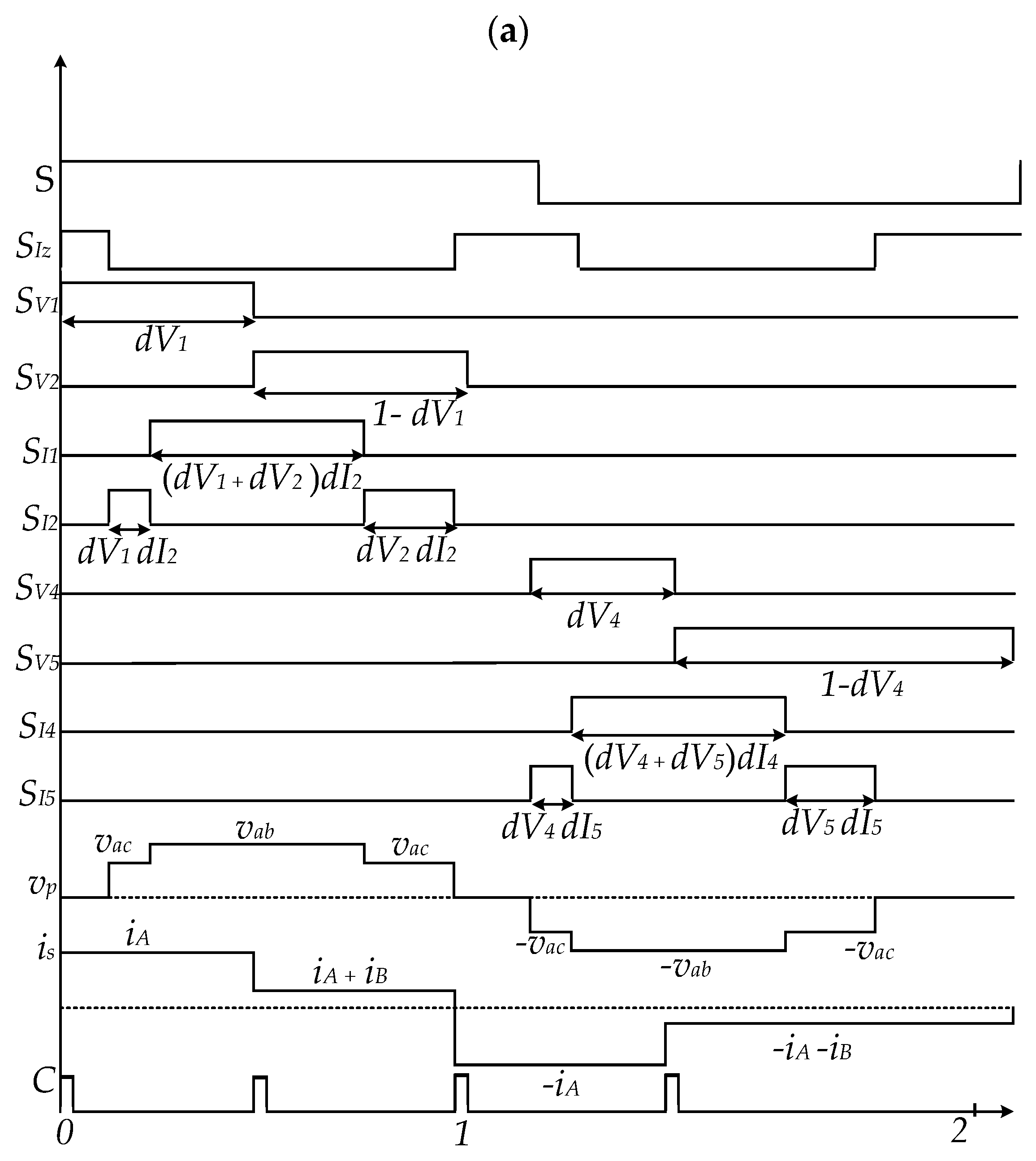
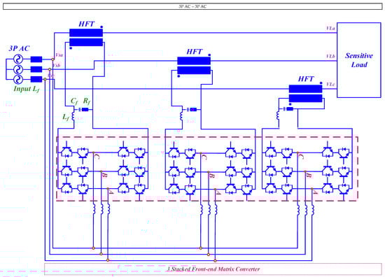
2.1.2. 3P AC-3P AC Circuit
2.1.2.1. CT-HFT Converter
2.1.2.2. Single Converter
2.1.2.3. Cascaded Converter
2.2. Matrix-Integrated Single-Stage Isolated DC-AC Inverter Topology
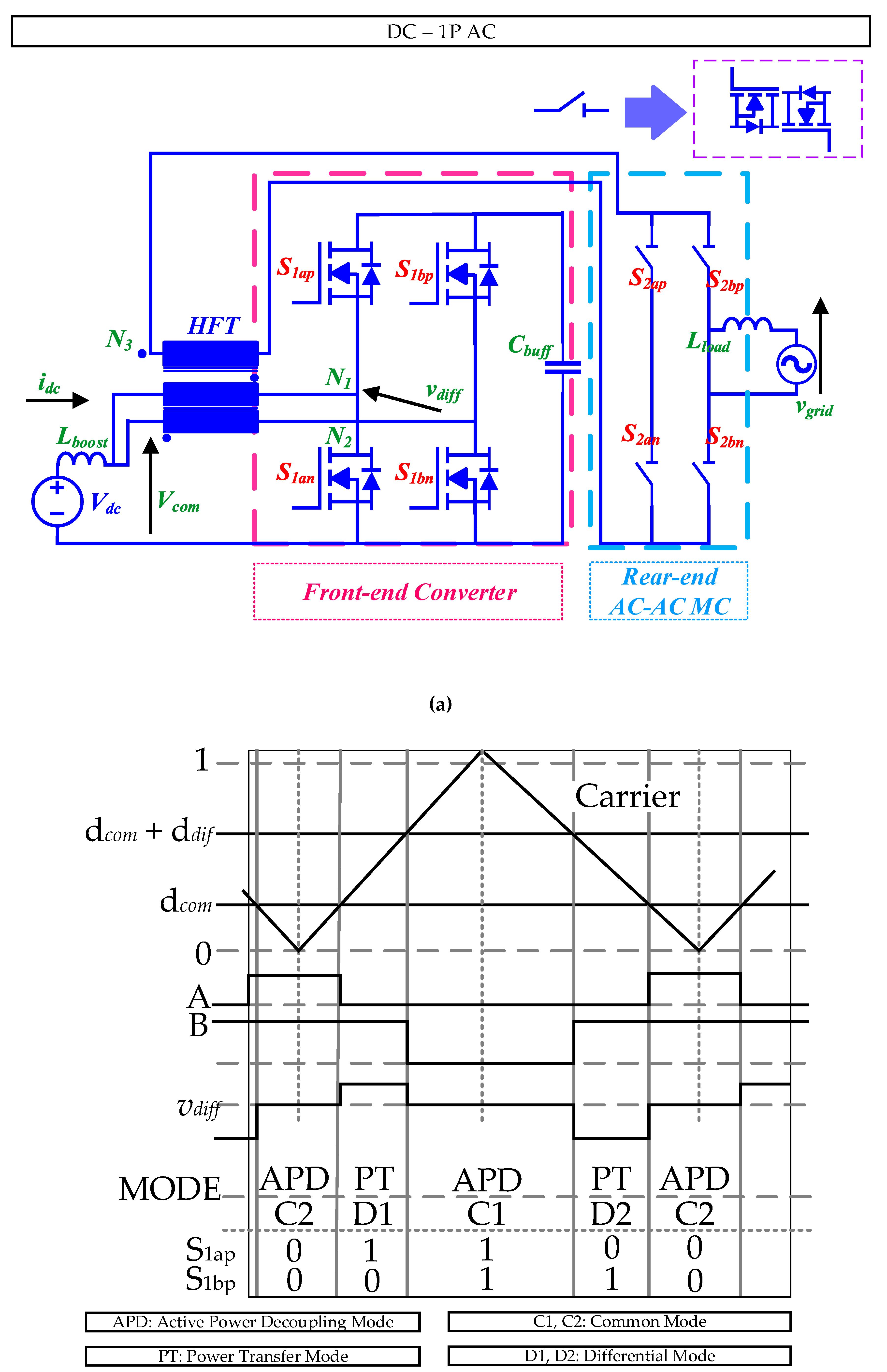
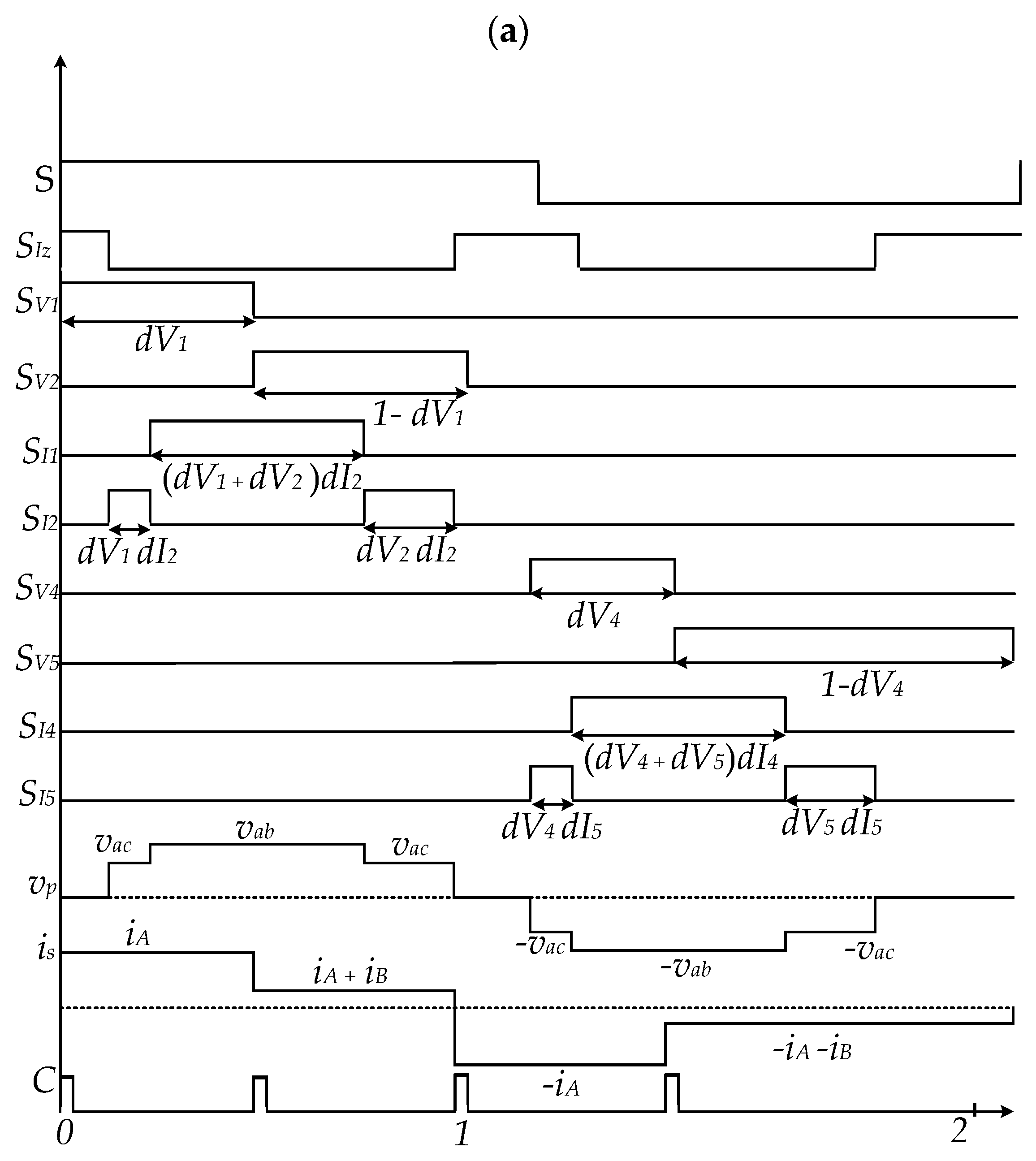
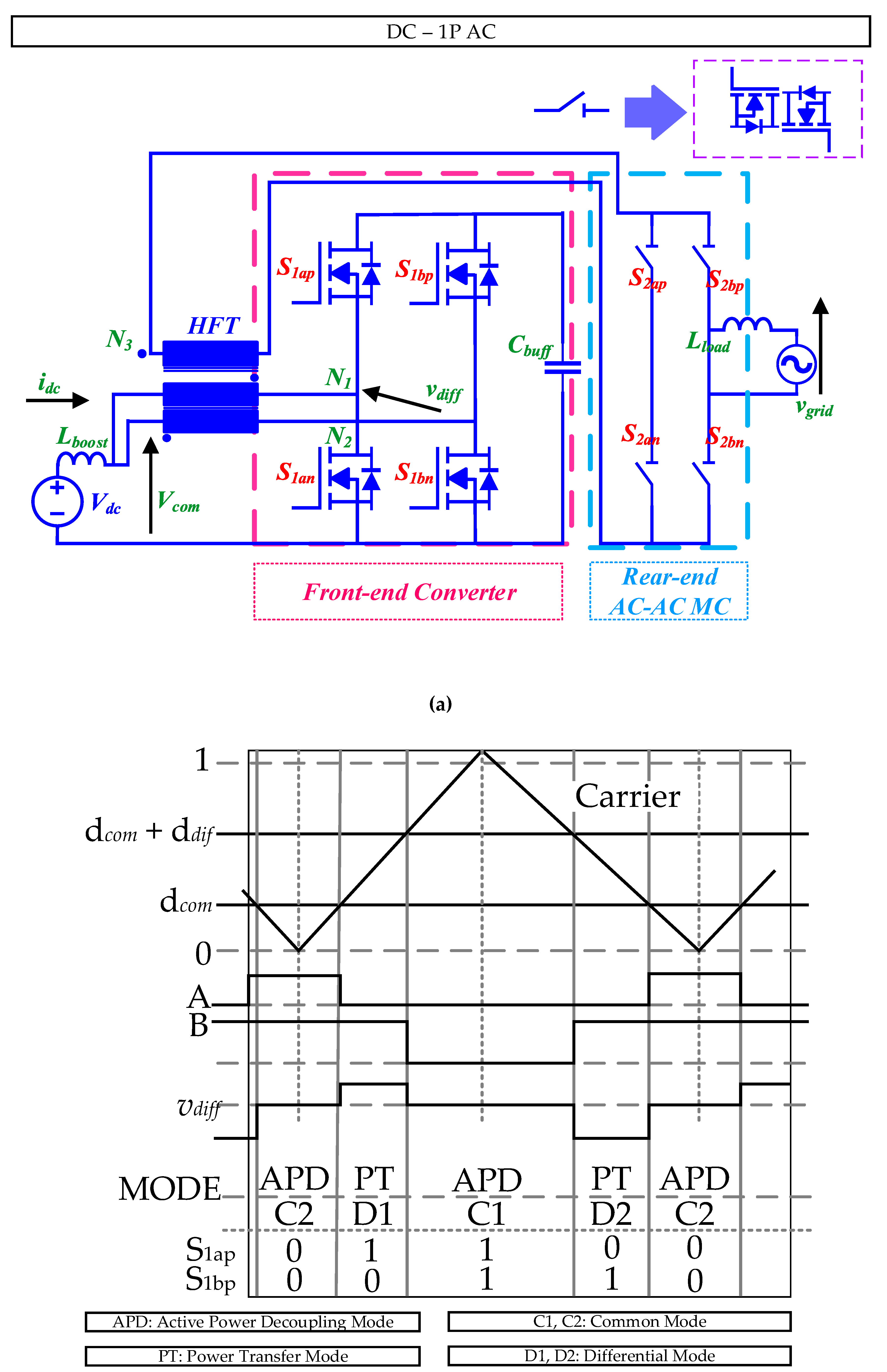
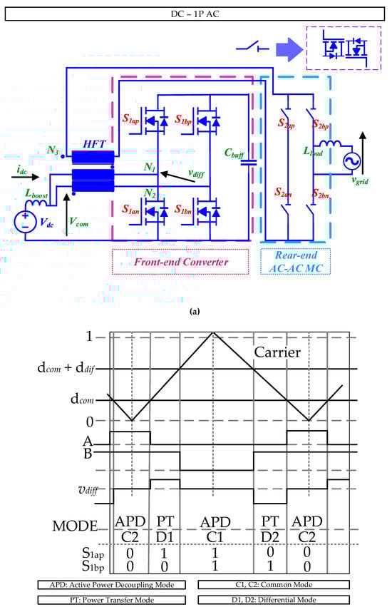
2.2.1. DC-1P AC Circuit
2.2.1.1. Single Inverter
2.2.1.2. Cascaded Inverter
2.2.2. DC-3P AC Circuit
Single Inverter


2.3. Matrix-Integrated Single-Stage Isolated AC-DC Rectifier Topology
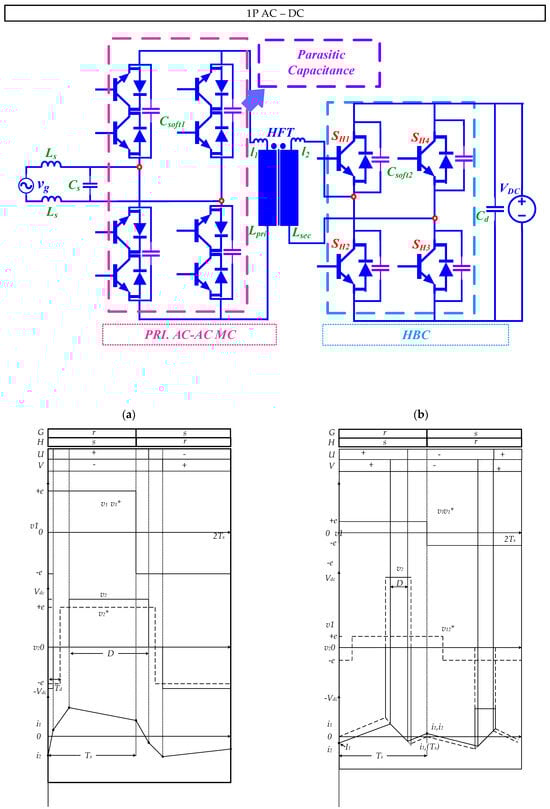
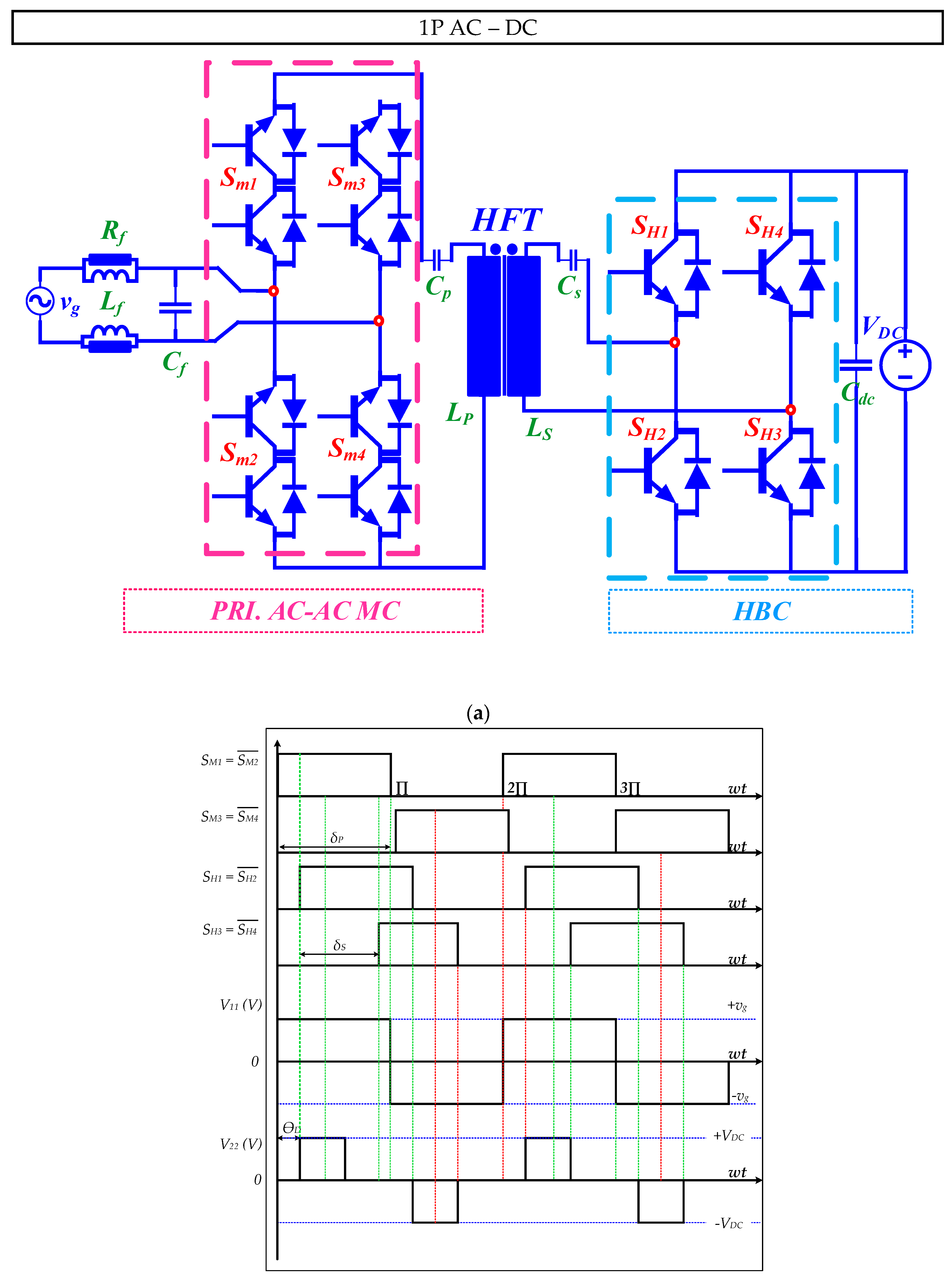
2.3.1. 1P AC-DC Circuit
2.3.1.1. Resonance-Based Rectifier
2.3.1.2. Resonance-Less Rectifier
2.3.1.3. Flyback-Integrated Rectifier
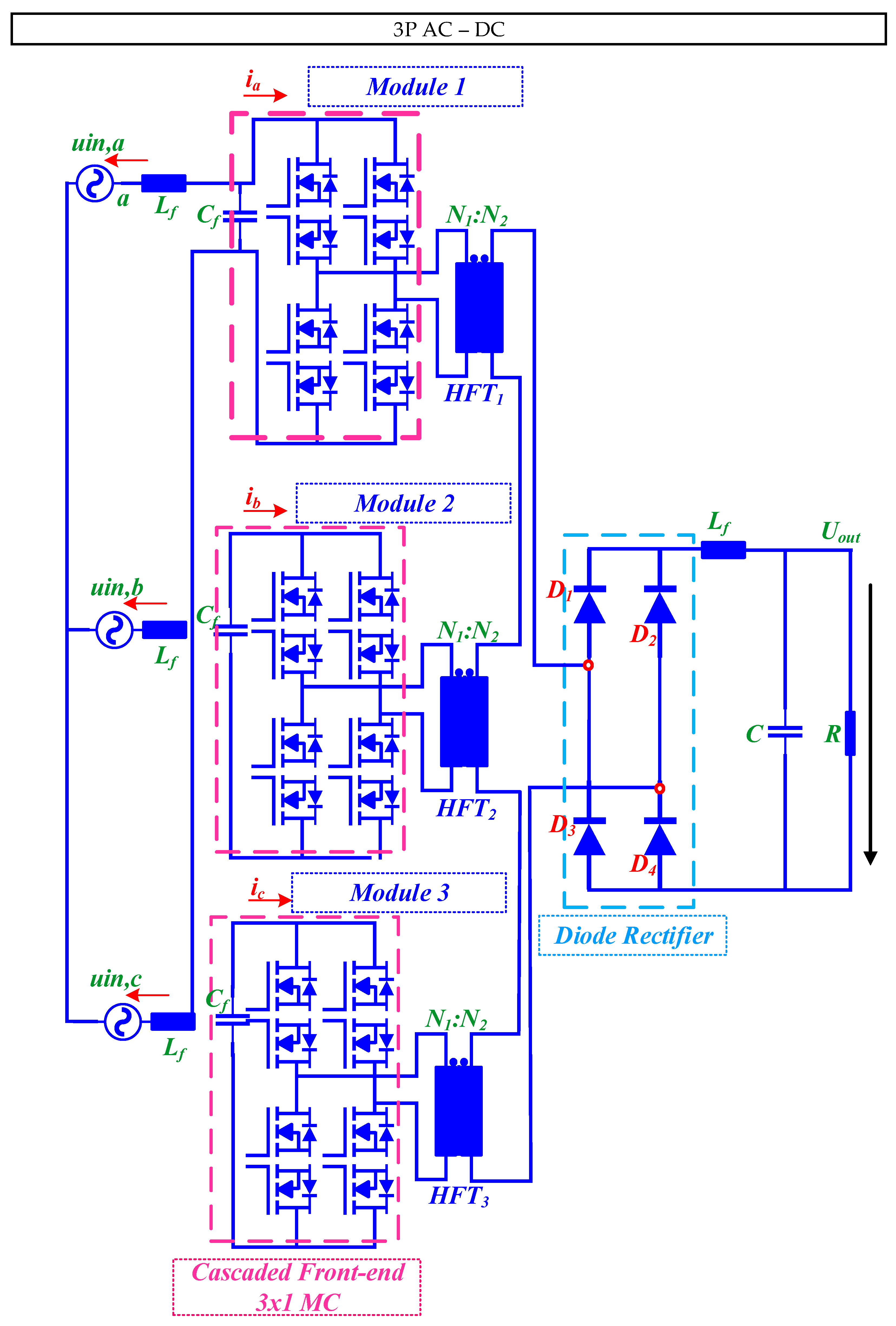
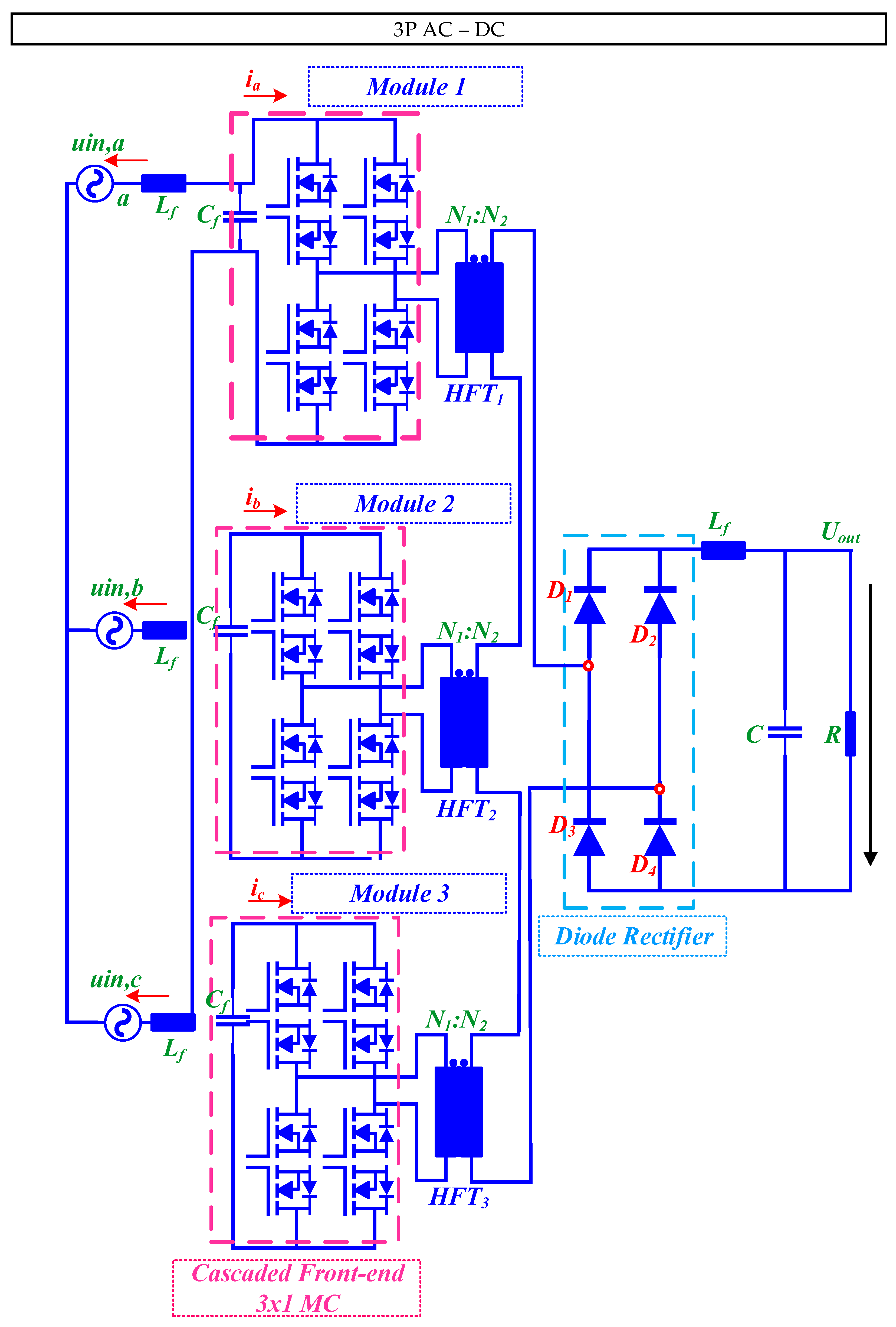
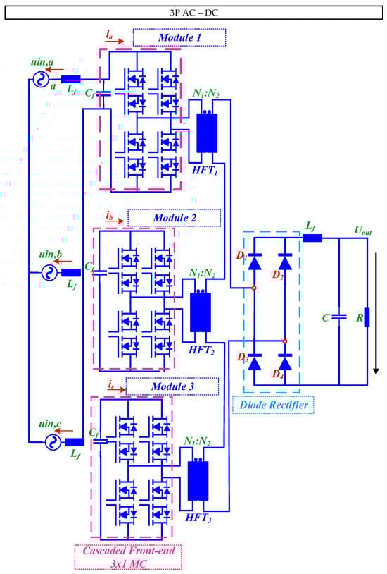
2.3.2. 3P AC-DC Circuit
2.3.2.1. Single Rectifier
2.3.2.2. Cascaded Rectifier
2.3.2.3. MMxC Rectifier
2.3.2.4. 3P VSC-Based MC-Type AC-DC Rectifier
3. Modulation Techniques and Control Method of Matrix-Integrated Single-Stage Isolated MF/HF Converters
4. State of the Art for 2023 and Beyond: Isolated MC-Based Networks in Industrial/Residential Applications
| PCT | CM | Ref./Year | MT | 1S CT | 2S CT | 1S ASC | 2S ASC | PL (kW) | VDC (V) | VAC (Vrms) | Fsw (kHz) | Applications | Efficiency |
|---|---|---|---|---|---|---|---|---|---|---|---|---|---|
| AC-AC | EIC | [21]/2020 | ZVS+ZCS | Front-end & Rear-end MC | 8 | 8 | 5 | - | 208 | 17 | SST-based 1P-1P AC Drive | Eff. 98.6% | |
| [22]/2016 | - | 1P AC-AC MC | 4 | 4 | - | - | 311 | - | EPT-based Applications | - | |||
| LITC | [23]/2019 | ZVS+ZCS | 1P AC-AC MC | 8 | 8 | 3kVA | - | 200 | 10 | GI & RE Applications | - | ||
| SBC | [25]/2014 | 3P PWM | 3 × 1 MC | HF AC-DC + DC-AC Inverter | 12 | 12 | - | - | 85 | 5 | Motor Drives | Eff. 92.22% | |
| PSVDC | [29]/2017 | Modified SVM | 3 × 1 MC | 1 × 3 MC | 18 | 18 | 20kV | - | 380 | 5 | AC-AC 3P Conversion, SST-based AC Drive | - | |
| PEC | [30]/2015 | SVM | 1 × 3 MC | - | 6 | 0 | - | - | - | 0.0083 | DVR | - | |
| DC-AC | DMO+ZVS | [32]/2019 | PDM-based delta-sigma conv. | FBC | 1x1 MC | 4 | 4 | 1 | 200 | 200 | 100 & 10 | PHEV & EVC | - |
| CCS | [33]/2019 | - | Six-switch Inverter | 1x1 MC | 6 | 8 | - | 350 | 148 & 100 | 10 | V2G, EVC, DC-Microgrid to AC Household Connection | - | |
| FCS MPC | [34]/2021 | SVM | FBC | 1 × 3 MC | 4 | 12 | 0.3 | 70 | - | 10 | WPT-based Applications | Transmission Eff. 91.12% & 87.93% (0.3kW exp.) | |
| PSC | [36]/2014 | PDM | FBC | 1 × 3 MC | 4 | 12 | 3 | 200 | 180 | 50 & 5 | ESS, DC-AC GI, Battery | Eff. 90.9% (1.5kW exp.) | |
| [43]/2018 | Duty Ratio & ZVS | HBC | 1 × 3 MC | 4 | 12 | 1 | - | - | - | V2G, EVC, PHEV, GI. | - | ||
| [44]/2017 | Modified PWM | HB PWM Rectifier | 1 × 3 MC | 4 | 12 | 0.9 | 230 | 200 | 20 | Distributed Generation System, Wind Turbine, Solar PV, etc. | Eff. 96.4% (Sim.) | ||
| [45]/2015 | ZVS & PDM | FBC | 1 × 3 MC | 4 | 12 | 3 | 200 | 200 | 10 | RE-based GI Appl., Battery Charging | Improves Eff. by 2% | ||
| PFC | [38]/2021 | Modified SVM | HBC | 1 × 3 MC | 4 | 12 | - | 180 | 380 | 10 | EVC, Hybrid DC-AC Micro-GI | - | |
| [39]/2021 | Modified PWM | HBC | 1 × 3 MC | 4 | 12 | - | 200 | 300 | 20 | RE-based Applications, BESS, WECS. | Eff. 93% (Case Study) | ||
| [40]/2019 | Modified PWM | HBC | 1 × 3 MC | 4 | 12 | 2 | 240 | 200 | 20 | GI Appl. | - | ||
| DCC | [41]/2018 | Modified PWM | HBC | 1 × 3 MC | 4 | 12 | 1 | 230 | 200 | 20 | Wind Turbines, Solar PV, RE-based Appl. | Eff. 96% (Sim.) | |
| Acom. | [42]/2012 | Modified SPWM | HBC/FBC | 1 × 3 MC | 4 | 12 | 2.5kVA | 48 | 110 | 12 | Naval, Aerospace, Space, UPS etc. | - | |
| AC-DC | PSC | [51]/2019 | Sine-Triangle PWM | 1x1 MC | HBC | 8 | 4 | 1.05 | 200 | 230 | 80 | PHEV, V2G-G2V, WPT-based Applications | - |
| [55]/2019 | Nonlinear PWM | 3 × 1 MC | FBC | 12 | 4 | - | 220 | 325 | 20 | BESS | - | ||
| [56]/2020 | DLVM | 3 × 1 MC | FBC | 12 | 4 | - | - | - | - | BESS & RE-based Applications | - | ||
| [58]/2023 | Optimized SVM | 3 × 1 MC | FBC | 12 | 4 | 3.5 | 350 | 230 | 50 | RE-based Applications, PV & EVC | - | ||
| IPOPC | [52]/2017 | Staircase Mod. | 1x1 MC | 2 Series/Parallel IGBTs | 4 | 2 | 0.2 | - | 136 | 20 | DVRs, IMD, Audio Power Amplification | - | |
| SSC | [53]/2017 | SVM | 1x1 MC | HB/FB PWM Inverter | 8 | 4 | - | 283 | 200 | 10 | PHEV, EVC, H2V-V2H, etc. | Eff. 94.3% (Charging) & 95% (Discharging) | |
| EIC | [54]/2019 | ZVS+ZCS | MC-based Flyback Integrated Circuit | HB/FB PWM Inverter | 10 | 4 | 1.5 | 300 | 120 | 50 | EVC, BESS & G2V-V2G | Eff. count 95% & 96% (G2V & V2G) mode | |
| DPC | [57]/2018 | - | 3 × 1 MC | FBC | 12 | 4 | 1 | 0.05 | 200 | 15 | RE-based Applications & EVC | - | |
| UPFC | [59]/2020 | BCSVM | 3 × 1 MC | FBC | 12 | 4 | - | - | 220 | 10 | ESS. Wind Power System, Solar PV | - | |
| LOHMC | [60]/2021 | Modified SVM | 3 × 1 MC | HBC | 12 | 4 | - | 48 | 120 | 10 | AC-DC GI Applications | - | |
| BPFC | [61]/2016 | PWM | 3 × 1 MC | HBC | 12 | 4 | 1 | 230 | 200 | 20 | GI Applications | Eff. count 95.3% (prototype) | |
| [68]/2018 | SPWM | 3 × 1 MC | HBC | 12 | 4 | - | 300 | 415 | 40 & 10 | Distributed Generation, GI Applications, & Utility Grid | - | ||
| [69]/2013 | Modified SVM | Cascaded Boost-Type IMY-MC | - | 24 | - | 7.5 | 400 | 400 | 72 | PFC Rectifier Applications | - | ||
| LITC | [85]/2023 | VVBM | VSC-based MC | FBC | 11 | 4 | 1 | 130 | 70 | 20 | WECS | Eff. count 93.5% | |
- Electric Vehicles (EVs): Isolated MC-based circuits are used in EV motor drives, battery chargers, and regenerative braking systems, contributing to increased efficiency and longer driving ranges.
- RE Systems: Isolated MC-based circuits are employed in solar inverters, wind turbine converters, and ES systems to efficiently convert and manage energy from renewable sources.
- Aerospace and Drones: Isolated MC-based circuits are used in aircraft and drone power distribution systems, where lightweight and efficient power conversion is crucial.
- Industrial Drives: Isolated MC-based circuits play a significant role in variable frequency drives for industrial motors, contributing to energy savings and precise control.
- Residential and Commercial Power Supplies: Isolated MC-based circuit networks are used in UPS and power conditioners, ensuring reliable and high-quality power delivery to critical loads.
- Marine and Offshore Applications: Isolated MC-based circuit networks are applied in ship propulsion systems and offshore RE-based installations, where reliability and compact design are essential.
5. Conclusions
- High Switching Frequency: Single-stage MCs often require higher switching frequencies to achieve high-quality output waveforms and reduce input/output harmonic distortion. High switching frequencies can lead to increased switching losses and thermal stresses on the semiconductor devices, affecting the overall efficiency of the converter.
- Complexity of Control Algorithms: The control algorithms for single-stage MCs are often more complex compared to traditional converters. Achieving bidirectional power flow and seamless transitions between rectification and inversion modes require sophisticated control strategies.
- Limited Voltage and Current Levels: Single-stage MCs may face limitations in terms of voltage and current handling capabilities, e.g., high dv/dt or di/dt, especially when compared to multi-stage converters. This can affect their suitability for high-power applications.
- EMI and Noise: High switching frequencies in single-stage MCs can result in increased EMI and noise. Effective EMI filtering and shielding are essential to meet regulatory requirements and ensure reliable operation of the converter.
- Commutation Issues: MCs rely on commutation to control power flow, and improper commutation can lead to voltage sags, current surges, and increased stress on components.
- Reliability and Fault Tolerance: Single-stage MCs are more susceptible to faults due to their complex control and switching mechanisms. Implementing fault-tolerant features and protection mechanisms is crucial and needs careful consideration to ensure reliable and safe operation.
- Heat Dissipation: High switching frequencies and compact designs can lead to higher heat-dissipation requirements, necessitating efficient thermal management techniques.
Author Contributions
Funding
Data Availability Statement
Conflicts of Interest
Nomenclature
| Acom. | adaptive commutation control |
| b2b | back-to-back |
| BESS | battery energy storage system |
| BPFC | bidirectional-power-flow control |
| CCM | continuous current mode |
| CMV | common mode voltage |
| CSC | current source converter |
| CT-HFT | center-tapped high-frequency transformer |
| DAB | dual-active bridge |
| DCC | duty cycle control |
| DFIG | doubly fed induction generator |
| DLVM | dual line voltage modulation |
| DMC | direct matrix converter |
| DMO | differential mode operation control |
| DPC | decoupled power control |
| Dual-CBM | dual cascaded bridge multilevel |
| DVR | dynamic voltage restorer |
| EIC | energy injection control |
| EPT | electronic power transformer |
| EVC | electric vehicle charging |
| EMI | electromagnetic interference |
| EV | electric vehicle |
| ES | energy storage |
| FB | full-bridge |
| FC | fuel-cell |
| FCS-MPC | finite control set model predictive control |
| G2V | grid-to-vehicle |
| HB | half-bridge |
| HF | high frequency |
| HFT | high-frequency transformer |
| HV | high voltage |
| HVDC | high-voltage direct current |
| IMC | indirect matrix converter |
| IPT | inductive power transfer |
| IPOPC | in phase and out-of-phase control |
| LITC | leakage inductance tolerant control |
| LOHMC | low order harmonic mitigation control |
| LV | low-voltage |
| MC | matrix converter |
| MEA | more electric aircraft |
| MF | medium frequency |
| MFT | medium-frequency transformer |
| MMxC | modular multilevel matrix converter |
| MMPC | multiport modular power converter |
| MV | medium voltage |
| MTBF | mean time between failure |
| PDM | pulse density modulation |
| PEBB | power electronic building block |
| PECC | pitch error compensation control |
| PET | power electronic transformer |
| PF | power filtering |
| PFC | power factor control |
| PHEV | plug-in hybrid vehicle |
| PS | phase-shift |
| PSC | phase-shift control |
| PSVDC | power switch voltage drop control |
| PV | photovoltaics |
| PWM | pulse-width modulation |
| RE | renewable energy |
| SBCC | source-based commutation control |
| SCC | soft-switching control |
| SR | series-resonant |
| SSPS | solid-state power substations |
| SST | solid state transformer |
| SVM | space vector modulation |
| SVPWM | space vector pulse width modulation |
| Ts | sampling period |
| UPS | uninterruptible power supplies |
| UPFC | unity power factor control |
| v/f | variable-frequency |
| V2G | vehicle-to-grid |
| VSC | voltage-source converter |
| VVBM | variable-voltage-based modulation |
| WECS | wind-energy-conversion systems |
| WF | wind-farms |
| WPA | wind power applications |
| WPT | wireless power transfer |
| ZCS | zero current switching |
| ZVS | zero voltage switching |
| 1 × 3 | single-phase-to-three-phase |
| 1P | single phase |
| 3P | three phase |
| 3 × 1 | three-phase-to-single-phase |
| 3 × 3 | three-phase-to-three-phase |
| 4Q | four-quadrant |
References
- Alesina, A.A.; Venturini, M. Solid-State Power Conversion: A Fourier Analysis Approach to Generalized Transformer Synthesis. IEEE Trans. Circuits Syst. 1981, 28, 319–330. [Google Scholar] [CrossRef]
- Kolar, J.W.; Friedli, T.; Rodriguez, J.; Wheeler, P.W. Review of Three-Phase PWM AC–AC Converter Topologies. IEEE Trans. Ind. Electron. 2011, 58, 4988–5006. [Google Scholar] [CrossRef]
- Alammari, R.; Aleem, Z.; Iqbal, A.; Winberg, S. Matrix Converters for Electric Power Conversion: Review of Topologies and Basic Control Techniques. Int. Trans. Electr. Energy Syst. 2019, 29, e12063. [Google Scholar] [CrossRef]
- Khanday, S.A.; Sekhar, O.C.; Mir, T.N. Comparative Study of Three Phase AC/AC in-Direct Matrix Converters: A Review. In Proceedings of the 2022 International Conference for Advancement in Technology (ICONAT), Goa, India, 21–22 January 2022; IEEE: Piscataway, NJ, USA, 2022. [Google Scholar]
- Kumar Rasappan, S.; Babu Williams, R.; Muthusamy, S.; Pandiyan, S.; Panchal, H.; Shyam Meena, R. A Novel Ultra Sparse Matrix Converter as a Power Transferring Device for Gearless Wind Energy Conversion Systems Based on Renewable Energy Applications. Sustain. Energy Technol. Assess. 2022, 50, 101830. [Google Scholar] [CrossRef]
- Bedoud, K.; Rhif, A.; Bahi, T.; Merabet, H. Study of a Double Fed Induction Generator Using Matrix Converter: Case of Wind Energy Conversion System. Int. J. Hydrog. Energy 2018, 43, 11432–11441. [Google Scholar] [CrossRef]
- A New Family of Multilevel Matrix Converters for Wind Power Applications [Electronic Resource]: Final...—Catalogue. Available online: https://catalogue.nla.gov.au/catalog/4386398 (accessed on 17 November 2023).
- Kandaswamy, K.V.; Sahoo, S.K. Harmonic Control Using Matrix Converter of Unbalanced Input Voltage Supplied from Solar Power System. Appl. Sol. Energy 2017, 53, 199–207. [Google Scholar] [CrossRef]
- Diaz, M.; Espinoza, M.; Mora, A.; Cardenas, R.; Wheeler, P. The Application of the Modular Multilevel Matrix Converter in High-Power Wind Turbines. In Proceedings of the 2016 18th European Conference on Power Electronics and Applications (EPE’16 ECCE Europe), Karlsruhe, Germany, 5–9 September 2016; IEEE: Piscataway, NJ, USA, 2016. [Google Scholar]
- Rivera, M.; Castro, G.; Wheeler, P. Design, Assembly and Startup of a Single-Phase Multi-Modular Matrix Converter for Grid Interconnection. In Proceedings of the 2018 IEEE International Conference on Automation/XXIII Congress of the Chilean Association of Automatic Control (ICA-ACCA), Concepcion, Chile, 17–19 October 2018; IEEE: Piscataway, NJ, USA, 2018. [Google Scholar]
- Liu, S.; Zhao, B.; Chen, Y.; Wang, G.; Wang, X. Optimal Arm Current Reallocation of Modular Multilevel Matrix Converter Dedicated for Power Grid Interconnection. IEEE Trans. Power Deliv. 2022, 37, 3477–3490. [Google Scholar] [CrossRef]
- Li, J.; Cui, M.; Du, T.; Sun, C.; Huang, X. Modeling and Analyzing an Optimal Control Method for Parallel Multi-Matrix Converter Systems in Intelligent Micro-Grid. In Proceedings of the 2019 IEEE International Conference on Sustainable Energy Technologies (ICSET), Kazimierz Dolny, Poland, 21–23 November 2019; IEEE: Piscataway, NJ, USA, 2019. [Google Scholar]
- Haque, M.M.; Wolfs, P.; Alahakoon, S. Dual Active Bridge and Matrix Converter Based Three-Port Converter Topology for Grid Interactive PV-Battery System. In Proceedings of the 2017 Australasian Universities Power Engineering Conference (AUPEC), Melbourne, Australia, 19–22 November 2017; IEEE: Piscataway, NJ, USA, 2017. [Google Scholar]
- Mirzaeva, G.; Seron, M.; Carter, D. Advanced Hybrid Models for Control of Matrix Converters in Mining Vehicle Applications. In Proceedings of the 2021 IEEE Industry Applications Society Annual Meeting (IAS), Virtual, 10–14 October 2021; IEEE: Piscataway, NJ, USA, 2021. [Google Scholar]
- Liu, Y.; Liu, Y.; Abu-Rub, H.; Ge, B.; Balog, R.S.; Xue, Y. Model Predictive Control of a Matrix-Converter Based Solid State Transformer for Utility Grid Interaction. In Proceedings of the 2016 IEEE Energy Conversion Congress and Exposition (ECCE), Milwaukee, WI, USA, 18–22 September 2016; IEEE: Piscataway, NJ, USA, 2016. [Google Scholar]
- Yilmaz, M.; Krein, P.T. Review of Battery Charger Topologies, Charging Power Levels, and Infrastructure for Plug-in Electric and Hybrid Vehicles. IEEE Trans. Power Electron. 2013, 28, 2151–2169. [Google Scholar] [CrossRef]
- Wu, F.; Wang, K.; Hu, G.; Shen, Y.; Luo, S. Overview of Single-Stage High-Frequency Isolated AC–DC Converters and Modulation Strategies. IEEE Trans. Power Electron. 2023, 38, 1583–1598. [Google Scholar] [CrossRef]
- Korkh, O.; Blinov, A.; Vinnikov, D.; Chub, A. Review of Isolated Matrix Inverters: Topologies, Modulation Methods and Applications. Energies 2020, 13, 2394. [Google Scholar] [CrossRef]
- Li, L.; Xu, G.; Sha, D.; Liu, Y.; Sun, Y.; Su, M. Review of Dual-Active-Bridge Converters with Topological Modifications. IEEE Trans. Power Electron. 2023, 38, 9046–9076. [Google Scholar] [CrossRef]
- Olowu, T.O.; Moghaddami, M.; Sarwat, A.I. Soft-Switching, Self-Tuning and Optimization Technique for Solid State Transformers Based on Direct AC-AC Matrix Converter Topology. In Proceedings of the 2020 IEEE Industry Applications Society Annual Meeting, Detroit, MI, USA, 10–16 October 2020; IEEE: Piscataway, NJ, USA, 2020. [Google Scholar]
- Zhao, Z.; Yang, J.; Zhu, Q.; Wang, C.; Jian, F. A Direct AC-AC Converter for Electronic Power Transformer Based on Energy Injection Control. In Proceedings of the 2016 2nd International Conference on Control Science and Systems Engineering (ICCSSE), Pudukkottai, India, 24–26 February 2016; IEEE: Piscataway, NJ, USA, 2016. [Google Scholar]
- Nasir, U.; Costabeber, A.; Rivera, M.; Wheeler, P.; Clare, J. A Leakage-Inductance-Tolerant Commutation Strategy for Isolated AC/AC Converters. IEEE J. Emerg. Sel. Top. Power Electron. 2019, 7, 467–479. [Google Scholar] [CrossRef]
- Rivera, M.; Toledo, S.; Nasir, U.; Costabeber, A.; Wheeler, P. New Configurations of Power Converters for Grid Interconnection Systems. In Proceedings of the 2016 IEEE International Conference on Automatica (ICA-ACCA), Curico, Chile, 19–21 October 2016; IEEE: Piscataway, NJ, USA, 2016. [Google Scholar]
- Basu, K.; Shahani, A.; Sahoo, A.K.; Mohan, N. A Single-Stage Solid-State Transformer for PWM AC Drive with Source-Based Commutation of Leakage Energy. IEEE Trans. Power Electron. 2015, 30, 1734–1746. [Google Scholar] [CrossRef]
- Basu, K.; Mohan, N. A Single-Stage Power Electronic Transformer for a Three-Phase PWM AC/AC Drive with Source-Based Commutation of Leakage Energy and Common-Mode Voltage Suppression. IEEE Trans. Ind. Electron. 2014, 61, 5881–5893. [Google Scholar] [CrossRef]
- Nair, H.S.; Ramchand, R. A New Switching Algorithm for an AC-AC Converter with High Frequency Link. In Proceedings of the IECON 2015—41st Annual Conference of the IEEE Industrial Electronics Society, Yokohama, Japan, 9–12 November 2015; IEEE: Piscataway, NJ, USA, 2015. [Google Scholar]
- Keyhani, H.; Toliyat, H.A.; Harfman-Todorovic, M.; Lai, R.; Datta, R. An Isolated Resonant AC-Link Three-Phase AC–AC Converter Using a Single HF Transformer. IEEE Trans. Ind. Electron. 2014, 61, 5174–5183. [Google Scholar] [CrossRef]
- Pipolo, S.; Bifaretti, S.; Lidozzi, A.; Solero, L.; Crescimbini, F.; Zanchetta, P. The ROMAtrix Converter: Concept and Operation. In Proceedings of the 2017 IEEE Southern Power Electronics Conference (SPEC), Puerto Varas, Chile, 4–7 December 2017; IEEE: Piscataway, NJ, USA, 2017. [Google Scholar]
- Zargar, A.; Barakati, S.M. A New Dynamic Voltage Restorer Structure Based on Three-Phase to Single-Phase AC/AC Matrix Converter. In Proceedings of the 2015 20th Conference on Electrical Power Distribution Networks Conference (EPDC), Zahedan, Iran, 28–29 April 2015; IEEE: Piscataway, NJ, USA, 2015. [Google Scholar]
- Monteiro, V.; Pedrosa, D.; Coelho, S.; Sousa, T.; Machado, L.; Afonso, J.L. A Novel Multilevel Solid-State Transformer for Hybrid Power Grids. In Proceedings of the 2021 International Conference on Smart Energy Systems and Technologies (SEST), Vaasa, Finland, 6–8 September 2021; IEEE: Piscataway, NJ, USA, 2021. [Google Scholar]
- Takaoka, N.; Watanabe, H.; Itoh, J.-I. Isolated DC to Single-Phase AC Converter with Active Power Decoupling Capability for Battery Storage System. In Proceedings of the 2019 8th International Conference on Renewable Energy Research and Applications (ICRERA), Brasov, Romania, 3–6 November 2019; IEEE: Piscataway, NJ, USA, 2019. [Google Scholar]
- Haruna, J.; Miura, K.; Funato, H. A Consideration of Multi-Port Six-Switch Single-Phase Inverter Using Matrix Converters. In Proceedings of the 2019 IEEE 4th International Future Energy Electronics Conference (IFEEC), Singapore, 25–28 November 2019; IEEE: Piscataway, NJ, USA, 2019. [Google Scholar]
- Jin, P.; Xia, Z.; Chang, L.; Guo, Y.; Lei, G.; Zhu, J. Model predictive current control scheme for high frequency chain matrix DC/AC converter with loosely coupled transformer. CSEE J. Power Energy Syst. 2023, 1–10. [Google Scholar] [CrossRef]
- Yu, X.; Wang, M. An Isolated Bi-Directional Soft-Switched Three-Phase DC-AC Matrix-Based Converter with Novel Unipolar SPWM and Synchronous Rectification. In Proceedings of the 2016 IEEE Transportation Electrification Conference and Expo (ITEC), Busan, Korea, 1–4 June 2016; IEEE: Piscataway, NJ, USA, 2016. [Google Scholar]
- Itoh, J.-I.; Oshima, R.; Takahashi, H. Experimental Verification of High Frequency Link DC-AC Converter Using Pulse Density Modulation at Secondary Matrix Converter. In Proceedings of the 2014 International Power Electronics Conference (IPEC-Hiroshima 2014—ECCE ASIA), Hiroshima, Japan, 18–21 May 2014; IEEE: Piscataway, NJ, USA, 2014. [Google Scholar]
- Nayak, P.; Rajashekara, K. An Asymmetrical Space Vector PWM Scheme for a Three Phase Single-Stage DC-AC Converter. In Proceedings of the 2019 IEEE Energy Conversion Congress and Exposition (ECCE), Baltimore, MA, USA, 29 September–3 October 2019; IEEE: Piscataway, NJ, USA, 2019. [Google Scholar]
- Fang, F.; Tian, H.; Li, Y. A New Space Vector Modulation Strategy to Enhance AC Current Quality of Isolated DC–AC Matrix Converter. IEEE Trans. Ind. Appl. 2021, 57, 2602–2612. [Google Scholar] [CrossRef]
- Sayed, M.A.; Takeshita, T.; Iqbal, A.; Alaas, Z.M.; Ahmed, M.M.R.; Dabour, S.M. Modulation and Control of a DC-AC Converter with High-Frequency Link Transformer for Grid-Connected Applications. IEEE Access 2021, 9, 166058–166070. [Google Scholar] [CrossRef]
- Sayed, M.A.; Takeshita, T.; Kitagawa, W. Advanced PWM Switching Technique for Accurate Unity Power Factor of Bidirectional Three-Phase Grid-Tied DC–AC Converters. IEEE Trans. Ind. Appl. 2019, 55, 7614–7627. [Google Scholar] [CrossRef]
- Sayed, M.A.; Suzuki, K.; Takeshita, T.; Kitagawa, W. PWM Switching Technique for Three-Phase Bidirectional Grid-Tie DC–AC–AC Converter with High-Frequency Isolation. IEEE Trans. Power Electron. 2018, 33, 845–858. [Google Scholar] [CrossRef]
- Yan, Z.; Jia, M.; Zhang, C.; Wu, W. An Integration SPWM Strategy for High-Frequency Link Matrix Converter with Adaptive Commutation in One Step Based on DE-Re-Coupling Idea. IEEE Trans. Ind. Electron. 2012, 59, 116–128. [Google Scholar] [CrossRef]
- Sal y Rosas, D.; Andrade, J.; Frey, D.; Ferrieux, J.-P. Single Stage Isolated Bidirectional DC/AC Three-Phase Converter with a Series-Resonant Circuit for V2G. In Proceedings of the 2017 IEEE Vehicle Power and Propulsion Conference (VPPC), Belfort, France, 14–17 December 2017; IEEE: Piscataway, NJ, USA, 2017. [Google Scholar]
- Sayed, M.A.; Suzuki, K.; Takeshita, T.; Kitagawa, W. Soft-Switching PWM Technique for Grid-Tie Isolated Bidirectional DC–AC Converter with SiC Device. IEEE Trans. Ind. Appl. 2017, 53, 5602–5614. [Google Scholar] [CrossRef]
- Takuma, S.; Orikawa, K.; Itoh, J.-I.; Oshima, R.; Takahashi, H. Isolated DC to Three-Phase AC Converter Using Indirect Matrix Converter with ZVS Applied to All Switches. In Proceedings of the 2015 IEEE Energy Conversion Congress and Exposition (ECCE), Montreal, QC, Canada, 20–24 September 2015; IEEE: Piscataway, NJ, USA, 2015. [Google Scholar]
- Tomida, K.; Natori, K.; Xu, J.; Shimosato, N.; Sato, Y. A New Control Method to Realize Wide Output Voltage Range for Three Phase AC/DC Converter Based on Matrix Converter. In Proceedings of the 2022 International Power Electronics Conference (IPEC-Himeji 2022—ECCE Asia), Himeji, Japan, 15–19 May 2022; IEEE: Piscataway, NJ, USA, 2022. [Google Scholar]
- Sumiya, K.; Naito, Y.; Xu, J.; Shimosato, N.; Sato, Y. An Advanced Commutation Method for Bidirectional Isolated Three-Phase AC/DC Dual-Active-Bridge Converter Based on Matrix Converter. In Proceedings of the 2020 IEEE Energy Conversion Congress and Exposition (ECCE), Detroit, MI, USA, 11–15 October 2020; IEEE: Piscataway, NJ, USA, 2020. [Google Scholar]
- Saha, J.; Kumar Singh, R.; Kumar Panda, S. Three-Phase Matrix-Based Isolated AC-DC Converter for Battery Energy Storage System. In Proceedings of the 2021 IEEE 12th International Symposium on Power Electronics for Distributed Generation Systems (PEDG), Virtual, 28 June–1 July 2021; IEEE: Piscataway, NJ, USA, 2021. [Google Scholar]
- Xu, Y.; Wang, Z.; Zou, Z.; Buticchi, G.; Liserre, M. Voltage-Fed Isolated Matrix-Type AC/DC Converter for Wind Energy Conversion System. IEEE Trans. Ind. Electron. 2022, 69, 13056–13068. [Google Scholar] [CrossRef]
- Shigeuchi, K.; Xu, J.; Shimosato, N.; Sato, Y. A Modulation Method to Realize Sinusoidal Line Current for Bidirectional Isolated Three-Phase AC/DC Dual-Active-Bridge Converter Based on Matrix Converter. IEEE Trans. Power Electron. 2021, 36, 6015–6029. [Google Scholar] [CrossRef]
- Vardani, B.; Tummuru, N.R. Bidirectional Wireless Power Transfer Using Single Phase Matrix Converter for Electric Vehicle Application. In Proceedings of the TENCON 2019—2019 IEEE Region 10 Conference (TENCON), Kochi, India, 17–20 October 2019; IEEE: Piscataway, NJ, USA, 2019. [Google Scholar]
- Ahmed, H.F.; Cha, H.; Khan, A.A. A Single-Phase Buck Matrix Converter with High-Frequency Transformer Isolation and Reduced Switch Count. IEEE Trans. Ind. Electron. 2017, 64, 6979–6988. [Google Scholar] [CrossRef]
- Iwata, Y.; Suzuki, K.; Takeshita, T.; Hayashi, Y.; Iyasu, S. Isolated Bidirectional Single-Phase AC/DC Converter Using a Soft-Switching Technique. In Proceedings of the 2017 IEEE 6th International Conference on Renewable Energy Research and Applications (ICRERA), San Diego, CA, USA, 5–8 November 2017; IEEE: Piscataway, NJ, USA, 2017. [Google Scholar]
- Nayak, P.; Rajashekara, K. Single-Stage Bi-Directional Matrix Converter with Regenerative Flyback Clamp Circuit for EV Battery Charging. In Proceedings of the 2019 IEEE Transportation Electrification Conference and Expo (ITEC), Detroit, MI, USA, 19–21 June 2019; IEEE: Piscataway, NJ, USA, 2019. [Google Scholar]
- Mei, Y.; Liu, Z.; Huang, W. A Coordination Control Strategy for an Isolated Bidirectional AC/DC Matrix Converter. In Proceedings of the 2019 22nd International Conference on Electrical Machines and Systems (ICEMS), Harbin, China, 11–14 August 2019; IEEE: Piscataway, NJ, USA, 2019. [Google Scholar]
- Mei, Y.; Lu, Q.; Liu, Z. A Novel Partition-Phase-Shift Control Strategy for the Isolated Bidirectional AC/DC Matrix Converter. In Proceedings of the 2020 IEEE 9th International Power Electronics and Motion Control Conference (IPEMC2020-ECCE Asia), Nanjing, China, 29 November–2 December 2020; IEEE: Piscataway, NJ, USA, 2020. [Google Scholar]
- Sakuma, K.; Shigeuchi, K.; Xu, J.; Shimosato, N.; Sato, Y. Decoupling Control Method for Eliminating DC Bias Flux of High Frequency Transformer in a Bidirectional Isolated AC/DC Converter. In Proceedings of the 2018 International Power Electronics Conference (IPEC-Niigata 2018—ECCE Asia), Niigata, Japan, 20–24 May 2018; IEEE: Piscataway, NJ, USA, 2018. [Google Scholar]
- Carvalho, E.L.; Blinov, A.; Emiliani, P.; Chub, A.; Vinnikov, D. Three-Phase Bidirectional Isolated AC–DC Matrix-Converter with Full Soft-Switching Range. IEEE Access 2023, 11, 119270–119283. [Google Scholar] [CrossRef]
- Deng, W.; Jiang, P.; Chen, Z. Virtual Capacitors and Resistors Control for Isolated AC-DC Matrix Converter. In Proceedings of the IECON 2020 the 46th Annual Conference of the IEEE Industrial Electronics Society, Singapore, 18–21 October 2020; IEEE: Piscataway, NJ, USA, 2020. [Google Scholar]
- Fang, F.; Tian, H.; Li, Y. SVM Strategy for Mitigating Low-Order Harmonics in Isolated AC–DC Matrix Converter. IEEE Trans. Power Electron. 2021, 36, 583–596. [Google Scholar] [CrossRef]
- Sayed, M.A.; Suzuki, K.; Takeshita, T.; Kitagawa, W. Modeling and Control of Bidirectional Isolated Battery Charging and Discharging Converter Based High-Frequency Link Transformer. In Proceedings of the 2016 IEEE 7th International Symposium on Power Electronics for Distributed Generation Systems (PEDG), Delhi, India, 4–6 July 2016; IEEE: Piscataway, NJ, USA, 2016. [Google Scholar]
- Jha, P.K.; Reddy Tummuru, N. Modified Space Vector Modulation Scheme and Control Strategy for Isolated Bidirectional Three-Phase AC-DC Matrix Converter. In Proceedings of the 2021 IEEE 12th Energy Conversion Congress & Exposition—Asia (ECCE-Asia), Singapore, 24–27 May 2021; IEEE: Piscataway, NJ, USA, 2021. [Google Scholar]
- Mei, Y.; Huang, W.; Liu, Z. Research on Control Strategy of Bidirectional Isolated AC/DC Matrix Converter. In Proceedings of the 2018 IEEE International Power Electronics and Application Conference and Exposition (PEAC), Shenzhen, China, 4–7 November 2018; IEEE: Piscataway, NJ, USA, 2018. [Google Scholar]
- Fang, F.; Tian, H.; Li, Y. An SVM Strategy with Two-Step Commutation for Isolated AC-DC Matrix Converter. In Proceedings of the 2020 IEEE Applied Power Electronics Conference and Exposition (APEC), New Orleans, LO, USA, 15–19 March 2020; IEEE: Piscataway, NJ, USA, 2020. [Google Scholar]
- Yadav Gorla, N.B.; Saha, J.; Jayraman, K.; Panda, S.K. Analysis and Implementation of a Three-Phase Matrix-Based Isolated AC-DC Converter with Transformer Leakage Energy Management. In Proceedings of the 2020 IEEE International Conference on Power Electronics, Drives and Energy Systems (PEDES), Jaipur, India, 16–19 December 2020; IEEE: Piscataway, NJ, USA, 2020. [Google Scholar]
- Rovere, L.; Pipolo, S.; Formentini, A.; Zanchetta, P. AC-DC Isolated Matrix Converter Charger: Topology and Modulation. In Proceedings of the 2020 IEEE Energy Conversion Congress and Exposition (ECCE), Detroit, MI, USA, 11–15 October 2020; IEEE: Piscataway, NJ, USA, 2020. [Google Scholar]
- Deshpande, P.P.; Singh, A.K.; Panda, S.K. A Matrix Based Isolated Bidirectional AC-DC Converter with LCL Type Input Filter for Energy Storage Application. In Proceedings of the 2018 International Power Electronics Conference (IPEC-Niigata 2018—ECCE Asia), Niigata, Japan, 20–24 May 2018; IEEE: Piscataway, NJ, USA, 2018. [Google Scholar]
- Cortes, P.; Huber, J.; Silva, M.; Kolar, J.W. New Modulation and Control Scheme for Phase-Modular Isolated Matrix-Type Three-Phase AC/DC Converter. In Proceedings of the IECON 2013—39th Annual Conference of the IEEE Industrial Electronics Society, Vienna, Austria, 10–13 November 2013; IEEE: Piscataway, NJ, USA, 2013. [Google Scholar]
- Lan, D.; Das, P.; Sahoo, S.K. A High-Frequency Link Matrix Rectifier with a Pure Capacitive Output Filter in a Discontinuous Conduction Mode. IEEE Trans. Ind. Electron. 2020, 67, 4–15. [Google Scholar] [CrossRef]
- Hu, W.; Xie, Y.; Guan, Y.; Wang, Z.; Zhang, Z.; Xu, J. A Novel Volt-Second Self-Balancing SVPWM Scheme to Eliminate Steady-State DC Bias for a Three-Phase Isolated AC–DC Matrix Converter. IEEE Trans. Power Electron. 2020, 35, 11518–11532. [Google Scholar] [CrossRef]
- Kodaka, W.; Ogasawara, S.; Orikawa, K.; Takemoto, M.; Tokusaki, H. An Isolated AC/DC Converter Using a Matrix Converter: A Feedback Control Method Considering the Non-Linearity of a Diode Rectifier. In Proceedings of the IECON 2020 The 46th Annual Conference of the IEEE Industrial Electronics Society, Singapore, 18–21 October 2020; IEEE: Piscataway, NJ, USA, 2020. [Google Scholar]
- Afsharian, J.; Xu, D.; Wu, B.; Gong, B.; Yang, Z. Analysis of One Phase Loss Operation of Three-Phase Isolated Buck Matrix-Type Rectifier with a Boost Switch. In Proceedings of the 2018 IEEE Applied Power Electronics Conference and Exposition (APEC), San Antonio, TX, USA, 4–8 March 2018; IEEE: Piscataway, NJ, USA, 2018. [Google Scholar]
- Kodaka, W.; Ogasawara, S.; Orikawa, K. Power Decoupling Method Using Input Filters in a Matrix Converter for Isolated AC-DC Converters Fed by Single- or Three-Phase Supply. In Proceedings of the 2021 IEEE Energy Conversion Congress and Exposition (ECCE), Virtual, 10–14 October 2021; IEEE: Piscataway, NJ, USA, 2021. [Google Scholar]
- Li, C.; Zhang, Y.; Xu, D. Soft-Switching Single Stage Isolated AC-DC Converter for Single-Phase High Power PFC Applications. In Proceedings of the 2015 9th International Conference on Power Electronics and ECCE Asia (ICPE-ECCE Asia), Seoul, Korea, 1–5 June 2015; IEEE: Piscataway, NJ, USA, 2015. [Google Scholar]
- Takuma, S.; Kusaka, K.; Itoh, J.-I.; Ohnuma, Y.; Miyawaki, S. A Novel Current Ripple Cancellation PWM for Isolated Three-Phase Matrix DAB AC-DC Matrix Converter. In Proceedings of the 2019 21st European Conference on Power Electronics and Applications (EPE ’19 ECCE Europe), Genova, Italy, 3–5 September 2019; IEEE: Piscataway, NJ, USA, 2019. [Google Scholar]
- Nakamura, S.; Watanabe, H.; Takuma, S.; Kiri, K.; Itoh, J.-I. Isolated Three-Phase AC to DC Converter with Matrix Converter Applying Compensation for Voltage Error by Voltage-Based Commutation. In Proceedings of the 2021 IEEE Energy Conversion Congress and Exposition (ECCE), Virtual, 10–14 October 2021; IEEE: Piscataway, NJ, USA, 2021. [Google Scholar]
- Kumar, R.; Singh, B. Matrix Converter Based Three Phase Isolated EV Charger with Direct Power Control. In Proceedings of the 2020 IEEE International Conference on Power Electronics, Drives and Energy Systems (PEDES), Jaipur, India, 16–19 December 2020; IEEE: Piscataway, NJ, USA, 2020. [Google Scholar]
- Budo, K.; Takeshita, T. Capacitor-Voltage-Balancing Control for an Isolated Secondary-Resonant AC-DC Modular Matrix Converter. In Proceedings of the 2022 International Power Electronics Conference (IPEC-Himeji 2022—ECCE Asia), Himeji, Japan, 15–19 May 2022; IEEE: Piscataway, NJ, USA, 2022. [Google Scholar]
- Budo, K.; Takeshita, T. A Unidirectional Isolated Secondary-Resonant Medium-Voltage AC-DC Converter. In Proceedings of the 2022 IEEE Applied Power Electronics Conference and Exposition (APEC), Houston, TX, USA, 20–24 March 2022; IEEE: Piscataway, NJ, USA, 2022. [Google Scholar]
- Budo, K.; Takeshita, T. Experimental Characteristics of Capacitor Voltage Balancing Control in Modular Matrix Converter for Isolated Medium-Voltage AC-DC Converter. In Proceedings of the 2021 23rd European Conference on Power Electronics and Applications (EPE’21 ECCE Europe), Virtual, 6–10 September 2021; IEEE: Piscataway, NJ, USA, 2021. [Google Scholar]
- Budo, K.; Takeshita, T. An Isolated Medium-Voltage AC-DC Converter Using Level-Shifted PWM Control of a Modular Matrix Converter. In Proceedings of the 2020 22nd European Conference on Power Electronics and Applications (EPE’20 ECCE Europe), Lyon, France, 7–11 September 2020; IEEE: Piscataway, NJ, USA, 2020. [Google Scholar]
- Xu, Y.; Wang, Z.; Shen, Y.; Zou, Z.; Liserre, M. A VSC-Based Isolated Matrix-Type AC/DC Converter without Bidirectional Power Switches. IEEE Trans. Ind. Electron. 2023, 70, 12442–12452. [Google Scholar] [CrossRef]
- Fuji Electric FA Components & Systems Releases next Generation Matrix Converter FRENIC-Mx Series. Available online: https://www.fujielectric.com/about/news/detail/06030601.html (accessed on 30 December 2023).
- U1000 Industrial MATRIX Drive. Available online: https://www.yaskawa.com/products/drives/industrial-ac-drives/general-purpose-drives/u1000-industrial-matrix-drive (accessed on 17 November 2023).
- AC7 Matrix Drive. Available online: https://www.yaskawa.com/products/drives/industrial-ac-drives/general-purpose-drives/ac7-matrix-drive (accessed on 17 November 2023).
- Available online: https://www.hitachi.com/rev/archive/2022/r2022_01/pdf/01a03.pdf (accessed on 17 November 2023).
- Hitachi, Ltd. Development of Smart Power Management for Achieving Carbon Neutrality by 2050. Available online: https://www.hitachi.com/rev/archive/2022/r2022_01/01a03/index.html (accessed on 17 November 2023).
- Bonfiglioli. Available online: https://www.bonfiglioli.com/usa/en (accessed on 17 November 2023).
- Available online: https://www.pes-publications.ee.ethz.ch/uploads/tx_ethpublications/13_Milestones_Matrix_Converter_Friedli_01.pdf (accessed on 17 November 2023).
- University of Bologna. Available online: http://www.die.ing.unibo.it/dottorato_it/Matteini/Matteini_PhD_part1.pdf (accessed on 17 November 2023).
- Bento, A.; Paraíso, G.; Costa, P.; Zhang, L.; Geury, T.; Pinto, S.F.; Silva, J.F. On the Potential Contributions of Matrix Converters for the Future Grid Operation, Sustainable Transportation and Electrical Drives Innovation. Appl. Sci. 2021, 11, 4597. [Google Scholar] [CrossRef]
- Ali, M.; Iqbal, A.; Khalid, M. A Review on Recent Advances in Matrix Converter Technology: Topologies, Control, Applica-tions, and Future Prospects. Int. J. Energy Res. 2023, 2023, 6619262. [Google Scholar] [CrossRef]
- Moghaddami, M.; Sarwat, A.I. Single-Phase Soft-Switched AC–AC Matrix Converter with Power Controller for Bidirectional Inductive Power Transfer Systems. IEEE Trans. Ind. Appl. 2018, 54, 3760–3770. [Google Scholar] [CrossRef]
- Jafari, H.; Olowu, T.O.; Mahmoudi, M.; Sarwat, A. AC-AC Matrix Converter Using Lookup-Based PWM for Inductive Power Transfer Systems. In Proceedings of the 2021 IEEE Transportation Electrification Conference & Expo (ITEC), Chicago, IL, USA, 21–25 June 2021; IEEE: Piscataway, NJ, USA, 2021. [Google Scholar]
- Moghaddami, M.; Moghadasi, A.; Sarwat, A.I. A Single-Stage Three-Phase AC-AC Converter for Inductive Power Transfer Systems. In Proceedings of the 2016 IEEE Power and Energy Society General Meeting (PESGM), Boston, MA, USA, 17–21 July 2016; IEEE: Piscataway, NJ, USA, 2016. [Google Scholar]
- Moghaddami, M.; Sarwat, A. A Three-Phase AC-AC Matrix Converter with Simplified Bidirectional Power Control for In-ductive Power Transfer Systems. In Proceedings of the 2018 IEEE Transportation Electrification Conference and Expo (ITEC), Long Beach, CA, USA, 13–15 June 2018; IEEE: Piscataway, NJ, USA, 2018. [Google Scholar]
























| Power Conversion | Ref. | Type of Converter | Advantages | Disadvantages | Performance Analysis | ||
|---|---|---|---|---|---|---|---|
| Efficiency | Cost Analysis | Control Complexity | |||||
| AC-AC | [20] | SST (Front-end & Rear-end MC) | i. Improved reliability via DC-Link capacitor elimination ii. Higher efficiency using direct AC-AC conversion iii. Ease of control and integration of RE sources iv. Cost-efficient | Higher control complexity and lengthy calculation burden for switching logic design | The simulation results show that the proposed controller achieves soft-switching and high efficiency at various loading conditions | The proposed control circuit for the matrix converter consists of logic gates, minimizing costs and eliminating the need for complex programming of micro-controllers | By using logic gates, the control circuit achieves soft-switching and self-tuning of the converter switches based on the resonant frequency, polarity of the applied AC voltage, and direction of power flow. Overall, the control complexity is reduced, making the converter more cost-effective and easier to implement. |
| [21] | Basic 1P AC-AC MC-based EPT | i. The converter successfully achieves soft-switching in all conditions while the output current remains unchanged irrespective of load variation | Employment of energy injection control requires a keen understanding of the converter topology via area equivalence principle | Simulation result verifies that when the load RL changes from 400 Ω to 200 Ω, the peak output voltage drops from 856 V to 460 V and output current remains constant which is the main control objective of this converter | Only 4 set of bidirectional switches have been used in the whole converter system, which further makes the system compact and cost-efficient | Conventional DC transformer-based DC-DC converter fails to accommodate single-stage power conversion due to the absence of an AC-link. The proposed converter in this study successfully adopts direct EPT-based AC-AC conversion derived from the concept of Matrix-integrated converter. | |
| [22] | DAB-based SST with rear-end 1 × 3 MC | i. The proposed strategy addresses the issue of leakage inductance in the isolation transformer, allowing for efficient commutation without the need for overrated switching devices or dissipative snubbers ii. The strategy is applicable to a topology that has been identified as a potential building block for future multimodular AC/AC converters for grid applications | i. SSTs including matrix-based isolated AC/AC converters, tend to have higher complexity and cost compared to traditional low-frequency transformers ii. SSTs may have lower efficiency and reliability compared to low-frequency transformers. iii. SSTs may have lower overload capability compared to low-frequency transformers | The proposed leakage-inductance-tolerant commutation strategy is expected to reduce switching losses compared to the traditional 4-step commutation method. The simulation results show a reduction in switching losses with the proposed method compared to the 4-step method. Additionally, a dataset has been included that shows the total losses with the 4-step commutation and the proposed method in both the experimental setup and the simulation model, indicating the improvements achievable with the proposed leakage-inductance-tolerant commutation method. | The cost of developing such a converter would depend on various factors, including the design complexity, choice of components, manufacturing processes, and scale of production. Implementing the proposed leakage-inductance-tolerant commutation strategy may require additional considerations in terms of component selection and control algorithms, which could impact the overall cost. | The main control complexity of the proposed converter lies in the implementation of the leakage-inductance-tolerant commutation strategy. The commutation strategy is designed to address the issue of leakage inductance in the isolation transformer. The control algorithm needs to ensure proper commutation of the switches in the converter to maintain the desired output current waveform while avoiding short-circuiting the input voltage. | |
| [24] | Type-I/II/III SST | i. High-power density. ii. SST provides isolation between the input and output, ensuring safety and protection. iii. SST allows for BPF, enabling energy to be transferred in both directions. iv. Input PF correction, fewer switches and minimum copper usage. | Large number of semiconductor switches increase switching power losses and additional thermal management requirement | The efficiency of the single-stage SST has been experimentally observed to be 92.22%. However, the specific improvement in efficiency compared to other topologies or conventional methods is not explicitly mentioned in this study. | SST-based Matrix-integrated converter topologies have larger switch counts which leads to an increased converter pricing. | The primary control complexity of the SST lies in the modulation technique and commutation strategy employed. The proposed modulation method and commutation technique require careful control of the switching signals in both the grid-side and load-side converters. The modulation of the load-side converter is related to the indirect modulation of a matrix converter. Additionally, the commutation of leakage energy without using additional snubber circuits and the recovery of leakage energy require precise control. Overall, the control complexity of the SST is influenced by the modulation and commutation techniques used in the converter. | |
| [28] | SST “ROMAtrix Converter” (Front-end 3 × 1 MC & Rear-end 1 × 3 MC) | i. Supports MV ratings. ii. Modularity iii. Large system integration. | i. High switching power loss ii. Complex switching states approximation | The proposed modulation technique has been verified via software analysis. Simulation results show that the ROMAtrix converter works properly. | Cascaded & modular converter architecture has many semiconductor power switches, which is generally expensive. | The SVM technique must accurately perform flux-balancing of the MF transformer as well as reduce switching power losses in the parasitic inductance. | |
| [29] | Cascaded 1P 1 × 3 AC-AC MC with 6 two-way switches for 3 × 3 Drive | i. Elimination of voltage limitations ii. Improved output voltage quality iii. Faster response and smaller physical converter size iv. Compensation of voltage sag and swell | Modular architecture requires careful understanding of the converter connection | Simulation results verify that the proposed converter structure successfully compensates voltage sag and swell. No efficiency count has been explicitly mentioned. | Large number of semiconductor switching devices typically contributes to the higher cost of this converter. | The control strategy used in this converter is called pitch error compensation. This method is primarily used for loads susceptible to phase jump, such as drive control thyristors. It involves compensating both the amount and phase of the load voltage. | |
| Power Conversion | Ref. | Type of Converter | Advantages | Disadvantages | Performance Analysis | ||
|---|---|---|---|---|---|---|---|
| Efficiency | Cost Analysis | Control Complexity | |||||
| DC-AC | [30] | Front-end DC-AC Inverter & Rear-end AC-AC MC | i. Multilevel operation ii. Balanced and Sinusoidal Currents and Voltages iii. SST offers improved power controllability and power quality in the grid-side and load-side iv. Reduced volume and weight | i. A multilevel SST topology may require complex power electronics converters and control systems, which could increase the complexity of the overall system. ii. The cost can be higher compared to traditional transformers | Obtained results, both in steady-state and transient-state, prove the correct functioning of the proposed SST. While the specific efficiency improvement values are not mentioned, it can be inferred that the proposed SST topology demonstrates satisfactory performance and characteristics. | Cost analysis typically involves considering factors such as the cost of components, manufacturing processes, design complexity, and market factors. This converter has the highest number of power switches results in an increased budget. | The control algorithms mentioned include strategies such as Fryze-Buchholz-Depenbrock theory for determining power grid current references, phase-shift strategy for the isolated dc-dc converter, voltage feedback control for the dc-ac converter, and voltage or current feedback control for the dc-dc converter on the secondary-side. The control algorithms for each converter involve considerations of voltage and current feedback, as well as the use of differential equations and digital control equations. |
| [31] | Front-end Six Switch 1P Inverter & Rear-end 1P AC-AC MC | i. Simplified circuit design. ii. No passive components required iii. Power decoupling using a coupled inductor iv. PDM+ZVS reduces switching losses | Boost converter inductor sizing needs to be accurate for maintaining a proper ripple ratio | The double-line frequency power ripple component on the input current is reduced by 79.2% as compared to that without the power decoupling method. Simulation result also verifies that the output voltage is lower than 3.0% overwide load range. | Total switch count for this inverter is 12, which leads to a minimum price for the converter design. | Accurately balancing the synchronization between the differential mode operation and the common mode operation for the power decoupling control. | |
| [39,40] | Front-end HBC Cascaded with Rear-end 1 × 3 Matrix-based HFL Inverter | i. Smaller footprint, lower cost, higher efficiency, voltage step up/down adaptation, noise elimination, and reliability for grid-tied applications [39] ii. Compact size, high efficiency, high power density, galvanic isolation, UPF [40] | i. Understanding the PWM Switching patterns need careful consideration [39] | i. According to the results, the system achieved a maximum efficiency of 97.3% at 0.8 kW power flow and a maximum efficiency of 97.6% at 800 W power flow when using the proposed [39] ii. The system overall efficiency is approximately 96% [40] | In this inverter, total switch count is 16. Thus, the converter price will be slightly higher as opposed to other converters. | i. The system was controlled by a digital controller based on TMS320C6657, which was linked with a field-programmable gate array (FPGA) card. [39] ii. The proposed PWM switching technique minimizes the number of switching transitions of the matrix converter. [40] | |
| Power Conversion | Ref. | Type of Converter | Advantages | Disadvantages | Performance Analysis | ||
|---|---|---|---|---|---|---|---|
| Efficiency | Cost Analysis | Control Complexity | |||||
| AC-DC | [50] | WPT (Front-end 1x1 MC & Rear-end HBC) | i. Single-stage conversion ii. Reduced size and cost iii. High Efficiency | i. Switching losses ii. Limited reported applications | Steady state analysis and transient analysis of battery current iDC, was done through the MATLAB/Simulink. No specific efficiency count was mentioned. | Total switch count for this rectifier is 12, which leads to a minimum price for the converter design. | The primary control complexity of the bidirectional WPT converter using a 1P MC in the control strategy employed for the matrix converter and H-bridge topology. The control method involves coordinating the operation of the bidirectional switches in the primary and secondary sides of the MC, as well as controlling the PS angle between the primary and secondary voltages of the HFT. The control strategy needs to ensure efficient bidirectional power transfer and proper synchronization between the AC source, MC, HBC, and battery. |
| [51] | AC-DC Buck MC Rectifier (Front-end 1x1 MC & Rear-end 2 Series/Parallel IGBTs) | i. Step-down operation ii. HFT isolation iii. Reduced switch count | The proposed converter has a commutation problem due to the limited speed of switching devices and different time delays of gate driving circuits. | The efficiency of the proposed converter topology with continuous output current is lower than that without continuous output current. | Only 6 switches required for the converter, making it a cost-efficient solution. | The main control objective for this converter is to mitigate the overlap-time and dead-time compensation via soft-commutation. The process is shown through in-phase and out-of-phase operation. | |
| [52] | Front-end AC-AC MC & Rear-end HBC | i. BPF capability ii. Soft-switching | Large calculation burden | The efficiencies of the soft switching control in the charging and discharging operations at the rated power of 1 kW rise by 0.3% and 0.4% as opposed to the hard-switching scheme. | Although, total 12 semiconductor switches have been employed, additional parasitic capacitors have been inserted for avoiding shoot-through current. This increases the converter’s budget. | Different operations have been reported in this paper e.g., voltage and current waveforms, soft switching conditions, and primary and secondary converter behavior. These factors suggest that the control complexity of the converter may involve managing and coordinating these different aspects to achieve desired performance. | |
| [53] | Front-end Flyback Integrated AC-AC MC & Rear-end FBC | i. High efficiency ii. BPF capability iii. PFC iv. Reduced power loss | i. Commutation issues ii. Limited power rating | SiC MOSFET based 1.5 kW prototype unit was developed to evaluate the converter performance with the proposed modulation scheme. However, the exact efficiency improvement achieved by the proposed topology is not mentioned in the study. | Building this converter will require careful attention because it requires additional passive components, which will definitely put pressure on the cost. | A soft-switched unipolar pulse width modulation (UPWM) scheme is presented for both G2V and V2G modes of operation. The control complexity of the converter is likely to be influenced by the implementation of this modulation scheme and the associated control algorithms. | |
| [54,55] | Front-end 3 × 1 MC & Rear-end FBC | i. High efficiency ii. High power density iii. Low current THDs iv. UPF and Wide range of applications. | Complex calculation and estimation of switching states for line-voltages | i. Simulation results verify that the waveforms of the output voltage and current are steady with small ripples, and the voltage achieves the reference. [54] ii. THD of ia is 1.05%. The peak value of ripple voltage is 0.65V for 0.208% THD. [55] | This converter has 16 switches leading to a high initial design cost. | The control principle of the DAB is introduced to coordinate the front 3 × 1 MC stage and the back FBC stage. [54,55] | |
| [66] | LCL-input filter-based Front-end 3 × 1 MC & Rear-end HBC | i. Galvanic isolation ii. Power quality iii. Improved power conversion efficiency iv. BPF capability v. Compact size | i. Complexity ii. Additional components iii. Modulation requirements iv. Simulation-based results. | The proposed converter offers improved power conversion efficiency compared to conventional converters. | Additional cost burden due to LCL-input filter. | A closed-loop control is developed for the matrix-type AC-AC converter. It can be inferred that the control system for this converter involves managing the switching of the matrix switches, implementing modulation techniques such as SVM and SPWM, and ensuring bidirectional operation of the system | |
| [67] | Cascaded Isolated IMY Rectifier | i. Sinusoidal input currentsii. Controlled output voltage iii. Potential control of the star point iv. Constant power flow | Modular system architecture requires careful circuit connection. | A voltage with a constant magnitude is drawn from the load, which is independent of the load value R. | High initial design cost | The main control complexity is the adjustment of three stacked front-end cascaded converters. | |
| [73] | Front-end 3 × 1 MC & Rear-end Diode Bridge Rectifier | i. Minimized conduction loss ii. Soft-switching for all switches iii. Compatibility with traditional PWM iv. Avoidance of problems experienced in resonance-based soft-switching | No critical disadvantage has been mentioned in this paper. | Inductor current iLin, which restricts the THD within 6.5%, further optimization can be made to improve the current waveform shape. | Although this converter has only 10 switches but additional passive components and diode sizing is important to design different logic gates. | The realization of soft-switching for all switches and the design of control diagram for the proposed circuit is the main control objective. | |
| [77,78,79,80] | Front-end MMxC Rectifier & Rear-end Diode-Rectifier/HBC | UPF capability | Complex integration of front-end MMxC with rear-end converter | HF waveforms generated by software simulation analysis matches with theoretical assumption. | High initial design cost | The smooth operation of capacitor-voltage-balancing control is the primary control complexity of this converter. | |
| [81] | Front-end 3P VSC-based AC-AC MC & Rear-end FBC | i. Elimination of bidirectional power switches ii. Increased power density and reliability iii. Simplified commutation process | Unique converter architecture requires careful design process | The efficiency improvement of the proposed topology has been validated through software and experimental analysis. In simulation, the efficiency of the proposed topology was reported to be 95.9%. | The total switch count is 15, which somewhat makes the converter expensive. | The main control complexity of this converter is reduced compared to conventional isolated matrix converters. The proposed topology simplifies the commutation process and control scheme, allowing for the use of a single DSP for control and gating pulse generation. | |
| Ref. | Modulation Technique | Features | Applications |
|---|---|---|---|
| [29] | Space Vector Modulation (SVM) | i. Precise control ii. Reduced harmonic distortion iii. Efficient use of DC bus voltage | Motor drives, UPS, where precise control of output voltage is essential. |
| [33] | |||
| [52] | |||
| [60] | Pulse Width Modulation (PWM) | i. Widely used ii. Simple implementation iii. Efficient power regulation | Inverters, motor drives, power supplies. |
| [31] | Pulse Density Modulation (PDM) | i. Controls power by varying pulse density ii. Potential for high resolution | High-resolution applications, digital communication. |
| [35] | |||
| [50] | Sine-Triangle Pulse Width Modulation (STPWM) | i. Utilizes sine and triangle waveforms ii. Improves harmonic performance | Inverters, motor drives, where harmonic distortion needs reduction. |
| [66] | Sinusoidal Pulse Width Modulation (SPWM) | i. Emphasizes sinusoidal output ii. Minimizes harmonic distortion | Motor drives, audio amplifiers, where sinusoidal waveforms are critical. |
| [55] | Dual Line Voltage Modulation (DLVM) | i. Applies dual-line voltage control ii. Potential for improved performance | Inverters, AC motor drives. |
| [51] | Staircase Modulation | i. Simplified modulation technique ii. Leads to increased harmonic content | Low-cost applications, where complexity is a concern. |
| [81] | Variable-voltage-based Modulation (VVBM) | i. Adapts output voltage based on system requirements ii. Potential for versatile control | Various power electronics applications requiring adaptable voltage. |
| Power Conversion | Ref. | Control Method | Control Objective | Major Challenges |
|---|---|---|---|---|
| AC-AC | [20] | Energy Injection Control (EIC) | EIC, as proposed in these papers, is a control strategy designed for SSTs. This strategy entails the control of energy injection and regeneration within the converter's LC tank, taking into account factors such as the applied AC voltage polarity, power flow direction, and resonant current. Notably, EIC utilizes logic gates for implementation, eliminating the necessity for intricate programming of DSPs and FPGAs. Through precise control of energy dynamics, this strategy facilitates soft-switching and automatic self-tuning of the converter's switching based on its resonant frequency. [20] Top of Form | Key challenge of the EIC method proposed in the paper is its inability to achieve soft switching, which can potentially increase switching losses, especially at high frequencies. [20] |
| [21] | ||||
| [22] | Leakage-Inductance Tolerant Control (LITC) | The LITC proposed in this paper is a commutation strategy for isolated AC-AC converters in SSTs. It addresses the issue of leakage inductance in the isolation transformer during the commutation process. The control strategy introduces an intermediate state called the current decoupling phase, where the leakage inductance current is modified to match the required magnitude and direction after commutation. This is achieved by driving the commutation using a controllable voltage source, eliminating the need for additional ES components and avoiding resonance-related problems. | One critical challenge of the LITC method is effectively managing potential current mismatches caused by nonnegligible transformer leakage inductance during the commutation process in matrix-integrated or hybrid converters. | |
| [24] | Source-based Commutation Control (SBCC) | SBCC, as described in the paper, is a technique that uses the source-side converter to apply the necessary voltage required for commutation, resulting in complete recovery of leakage energy and soft switching of the load-side converter. | The major challenge of the SBCC method is the requirement for additional hard switching of the source-side converter. | |
| [29] | Pitch Error Compensation Control (PECC) | According to this study, PECC is a control method used in DVRs that compensates for both the amplitude and phase of the load voltage by minimizing the difference between the desired output voltage and input voltage for each admissible converter switching state. | The primary challenge associated with the PECC method is to ensure that the switches in the converter do not create short circuits for the resource voltage or open circuits for the resource current. | |
| DC-AC | [32] | Carrier Comparison Scheme Control (CCSC) | The carrier comparison scheme control proposed in this paper is a control strategy that selects switching patterns directly from two output voltage references to reduce the number of switching in the multi-port six-switch single-phase inverter. | As mentioned in this paper, the main control challenge associated with the CCSC method is that it increases the number of switching at the middle switches, which directly affects the switching loss of the converter. |
| [33] | Finite Control Set Model Predictive Control (FCS-MPC) | FCS-MPC is a predictive control strategy introduced in the paper that uses a predictive model to accurately control the currents by generating optimum gatings via cost function optimization. These gatings are sent in a HF chain matrix-integrated DC/AC converter with a loosely coupled HFT. | Based on this study. the major challenge of the FCS-MPC method is the decline in control system accuracy due to control target errors and environmental factors. | |
| AC-DC | [50] | Phase Shift Control (PSC) | PSC in this paper refers to the use of a PS angle between the primary and secondary voltages of a HFT to control the BPF between the grid and the EV. [50] | A major challenge of this control method is the misalignment problem caused by changes in self-inductance and resonating frequency, which can reduce efficiency and cause power loss if not compensated by a compensating capacitor. [50] |
| [54] | ||||
| [55] | ||||
| [57] | ||||
| [51] | In-phase & Out-of-Phase Control (IPOPC) | In-phase control compensates for voltage sags, while out-of-phase control compensates for voltage swells. | A critical issue of this control method is the commutation problem, which refers to the safe and efficient switching of the converter's switches. | |
| [56] | Decoupled Power Control (DPC) | The DPC proposed in this paper aims to eliminate the DC bias-flux in a bidirectional isolated AC-DC converter by decoupling the front-end and rear-end of the HFT using a physical model, resulting in improved control of the exciting current. | A major setback of the DPC is that the cross-coupling between the primary and secondary sides of the transformer, which can cause LF pulsation and affect the effectiveness of DC bias flux elimination. | |
| [58] | Unity Power Factor Control (UPFC) | Based on this paper, the UPFC involves using virtual capacitors to compensate for the phase difference between the grid voltage and current, allowing the isolated AC-DC MC to operate at a PF of 1. | The major complication of this control method is addressing the resonance produced by the filter capacitors and inductors. | |
| [59] | Low Order Harmonic Mitigation Control (LOHMC) | The paper proposes an improved SVM strategy to mitigate low-order harmonics in isolated AC-DC MCs by designing the SVM switching sequence and redistributing the zero vectors. | A major challenge of this control method is achieving both HP quality and a low number of switching actions simultaneously. | |
| [60] | Bidirectional Power Flow Control (BPFC) | The BPFC based on this paper utilizes a new PWM technique to control the DC voltage and current, achieving UPF at the grid side. | One serious problem of this control method is the need for a bulky isolation transformer, which increases the system size and reduces overall efficiency due to its high leakage inductance. | |
| [66] |
Disclaimer/Publisher’s Note: The statements, opinions and data contained in all publications are solely those of the individual author(s) and contributor(s) and not of MDPI and/or the editor(s). MDPI and/or the editor(s) disclaim responsibility for any injury to people or property resulting from any ideas, methods, instructions or products referred to in the content. |
© 2024 by the authors. Licensee MDPI, Basel, Switzerland. This article is an open access article distributed under the terms and conditions of the Creative Commons Attribution (CC BY) license (https://creativecommons.org/licenses/by/4.0/).
Share and Cite
Mahmud, T.; Gao, H. A Comprehensive Review on Matrix-Integrated Single-Stage Isolated MF/HF Converters. Electronics 2024, 13, 237. https://doi.org/10.3390/electronics13010237
Mahmud T, Gao H. A Comprehensive Review on Matrix-Integrated Single-Stage Isolated MF/HF Converters. Electronics. 2024; 13(1):237. https://doi.org/10.3390/electronics13010237
Chicago/Turabian StyleMahmud, Tahmin, and Hang Gao. 2024. "A Comprehensive Review on Matrix-Integrated Single-Stage Isolated MF/HF Converters" Electronics 13, no. 1: 237. https://doi.org/10.3390/electronics13010237
APA StyleMahmud, T., & Gao, H. (2024). A Comprehensive Review on Matrix-Integrated Single-Stage Isolated MF/HF Converters. Electronics, 13(1), 237. https://doi.org/10.3390/electronics13010237

