Performance Improvement of DTC-SVM of PMSM with Compensation for the Dead Time Effect and Power Switch Loss Based on Extended Kalman Filter
Abstract
1. Introduction
2. Direct Torque Control of PMSM
2.1. Mathematical Model of PMSM
2.2. Conventional DTC of PMSM
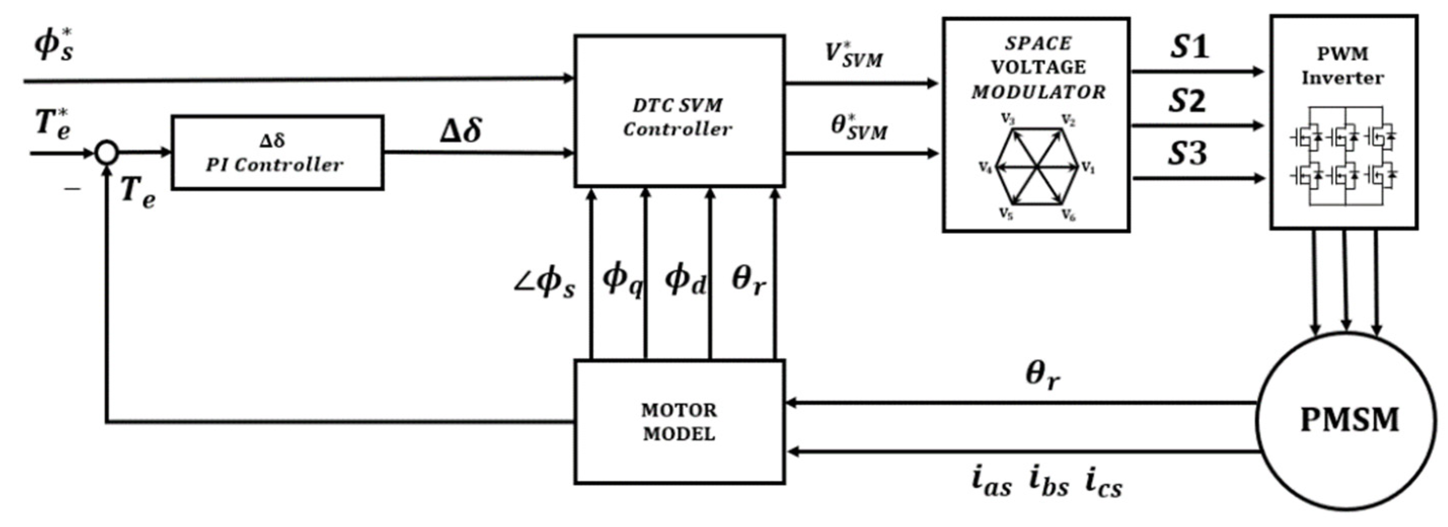
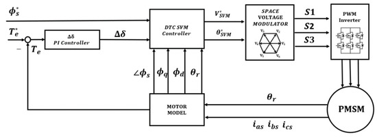
2.3. DTC-SVM of PMSM
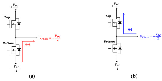
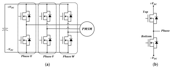
3. Problems Caused by Dead-Time and Power-Switch Losses in DTC-SVM
4. Proposed Disturbance Voltage Compensation Method
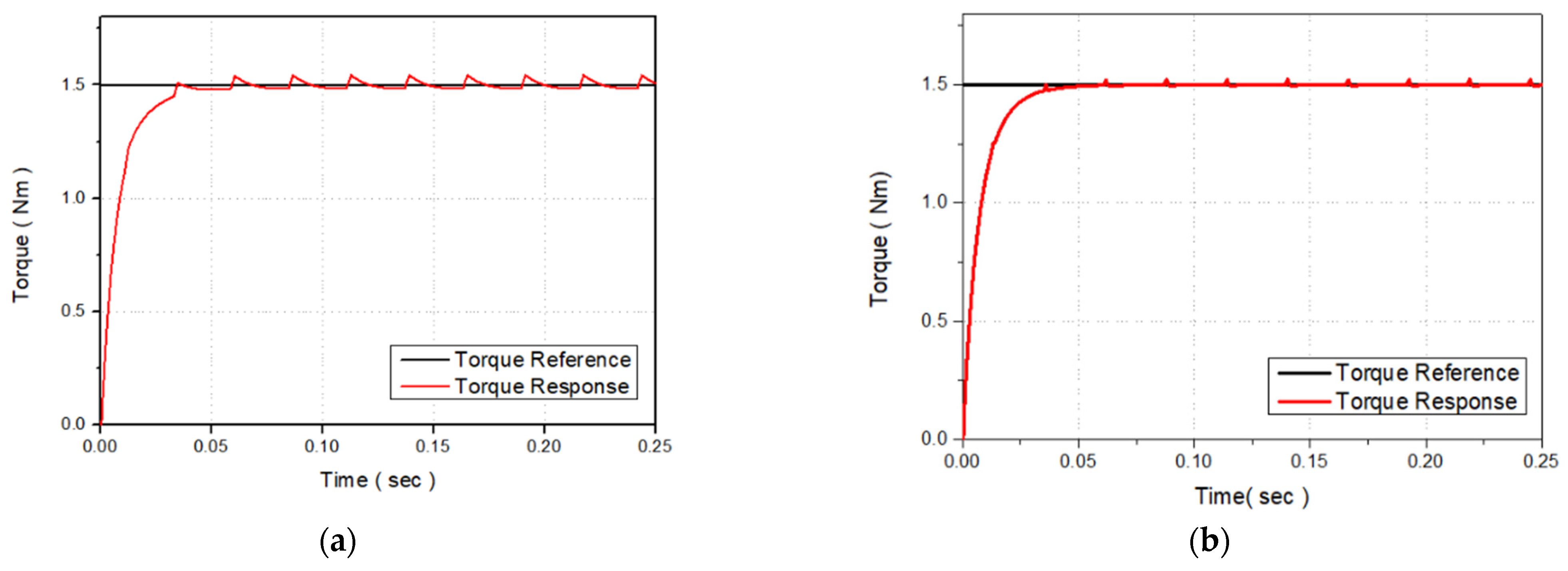
5. Simulation and Experiment Result of Proposed Algorithm
6. Conclusions
Author Contributions
Funding
Data Availability Statement
Conflicts of Interest
References
- Takahashi, I.; Noguchi, T. A New Quick-Response and High-Efficiency Control Strategy of an Induction Motor. IEEE Trans. Ind. Appl. 1986, IA-22, 820–827. [Google Scholar] [CrossRef]
- Depenbrock, M. Direct self-control (DSC) of inverter-fed induction machine. IEEE Trans. Power Electron. 1988, 3, 420–429. [Google Scholar] [CrossRef]
- Kang, J.-K.; Chung, D.-W.; Sul, S.K. Direct torque control of induction machine with variable amplitude control of flux and torque hysteresis bands. In Proceedings of the IEMDC’99—IEEE International Electric Machines and Drives Conference, Proceedings (Cat. No.99EX272), Seattle, WA, USA, 9–12 May 1999; pp. 640–642. [Google Scholar]
- Swierczynski, D.; Kazmierkowski, M.P. Direct torque control of permanent magnet synchronous motor (PMSM) using space vector modulation (DTC-SVM)-simulation and experimental results. In Proceedings of the IECON 02—IEEE 2002 28th Annual Conference of the Industrial Electronics Society, Seville, Spain, 5–8 November 2002; Volume 1, pp. 751–755. [Google Scholar]
- Hiba, H.; Ali, H.; Othmen, H. DTC-SVM control for three phase induction motors. In Proceedings of the 2013 International Conference on Electrical Engineering and Software Applications, Hammamet, Tunisia, 21–23 March 2013; pp. 1–7. [Google Scholar]
- Swierczynski, D.; Kazmierkowski, M.P.; Blaabjerg, F. DSP based direct torque control of permanent magnet synchronous motor (PMSM) using space vector modulation (DTC-SVM). In Proceedings of the 2002 IEEE International Symposium on, L’Ayuila, Italy, 8–11 July 2002; Volume 3, pp. 723–727. [Google Scholar]
- Zelechowski, M.; Kazmierkowski, M.P.; Blaabjerg, F. Controller design for direct torque controlled space vector modulated (DTC-SVM) induction motor drives. In Proceedings of the ISIE 2005—IEEE International Symposium on Industrial Electronics, 2005, Dubrovnik, Croatia, 20–23 June 2005; Volume 3, pp. 951–956. [Google Scholar]
- Sadat, A.R.; Ahmadian, S.; Vosoughi, N. A novel torque ripple reduction of switched reluctance motor based on DTC-SVM method. In Proceedings of the 2018 IEEE Texas Power and Energy Conference (TPEC), Memorial Student Center, Texas A & M University, College Station, TA, USA, 8–9 February 2018; pp. 1–6. [Google Scholar]
- Shinohara, A.; Yamamoto, K. Estimation Error Analysis of Stator Flux Observer for DTC-Based PMSM Drives. In Proceedings of the 2018 International Power Electronics Conference (IPEC-Niigata 2018-ECCE Asia), Niigata, Japan, 20–24 May 2018; pp. 1308–1314. [Google Scholar]
- Shinohara, A.; Inoue, Y.; Morimoto, S.; Sanada, M. Comparison of stator flux linkage estimators for PWM-based direct torque controlled PMSM drives. In Proceedings of the 2015 IEEE 11th International Conference on Power Electronics and Drive Systems, Sydney, Australia, 9–12 June 2015; pp. 1035–1040. [Google Scholar]
- Rahman, M.F.; Zhong, L. Problems of stator flux oriented torque controllers for the interior permanent magnet motor. In Proceedings of the IPEMC 2000—Third International Power Electronics and Motion Control Conference (IEEE Cat. No.00EX435), Beijing, China, 15–18 August 2000; Volume 1, pp. 342–345. [Google Scholar]
- Kadjoudj, M.; Golea, N.; Benbouzid, M.E. Problems of Stator Flux Estimation in DTC of PMSM Drives. J. Electr. Eng. Technol. 2007, 2, 468–477. [Google Scholar] [CrossRef]
- Kim, S.Y.; Lee, W.; Rho, M.S.; Park, S.Y. Effective Dead-Time Compensation Using a Simple Vectorial Disturbance Estimator in PMSM Drives. IEEE Trans. Ind. Electron. 2010, 57, 1609–1614. [Google Scholar]
- Urasaki, N.; Senjyu, T.; Uezato, K.; Funabashi, T. Adaptive Dead-Time Compensation Strategy for Permanent Magnet Synchronous Motor Drive. IEEE Trans. Energy Convers. 2007, 22, 271–280. [Google Scholar] [CrossRef]
- Urasaki, N.; Senjyu, T.; Uezato, K.; Funabashi, T. An adaptive dead-time compensation strategy for voltage source inverter fed motor drives. IEEE Trans. Power Electron. 2005, 20, 1150–1160. [Google Scholar] [CrossRef]
- Urasaki, N.; Senjyu, T.; Uezato, K.; Funabashi, T. A dead-time compensation strategy for permanent magnet synchronous motor drive suppressing current distortion. In Proceedings of the IECON’03—29th Annual Conference of the IEEE Industrial Electronics Society (IEEE Cat. No.03CH37468), Roanoke, VA, USA, 2–6 November 2003; Volume 2, pp. 1255–1260. [Google Scholar]
- Chen, H.; Yao, Z.; Liu, Y.; Lin, J.; Wang, P.; Gao, J.; Zhu, S.; Zhou, R. PMSM Adaptive Sliding Mode Controller Based on Improved Linear Dead Time Compensation. Actuators 2022, 11, 267. [Google Scholar] [CrossRef]
- Urasaki, N.; Senjyu, T.; Uezato, K.; Funabashi, T. On-line dead-time compensation method for permanent magnet synchronous motor drive. In Proceedings of the 2002 IEEE International Conference on Industrial Technology (IEEE ICIT’02), Bangkok, Thailand, 11–14 December 2002; Volume 1, pp. 268–273. [Google Scholar]
- Kim, H.; Moon, H.; Youn, M. A Novel Dead-Time Compensation Method using Disturbance Observer. J. Power Electron. 2002, 2, 55–66. [Google Scholar]
- Sayeef, S.; Rahman, M.F. Improved Flux and Torque Estimators of a Direct Torque Controlled Interior PM Machine with Compensations for Dead-time Effects and Forward Voltage Drops. J. Power Electron. 2009, 9, 438–446. [Google Scholar]
- Borrero, A.J. Assessing Kalman Filter in the Identification of Synchronous Machine Stability Parameters. Master’s Thesis, Ohio University, Athens, OH, USA, 1983. [Google Scholar]
- Bolognani, S.; Tubiana, L.; Zigliotto, M. Extended Kalman filter tuning in sensorless PMSM drives. IEEE Trans. Ind. Appl. 2003, 39, 1741–1747. [Google Scholar] [CrossRef]
- Quang, N.K.; Hieu, N.T.; Ha, Q.P. FPGA-Based Sensorless PMSM Speed Control Using Reduced-Order Extended Kalman Filters. IEEE Trans. Ind. Electron. 2014, 61, 6574–6582. [Google Scholar] [CrossRef]
- Zedong, Z.; Yongdong, L.; Fadel, M.; Xi, X. A Rotor Speed and Load Torque Observer for PMSM Based on Extended Kalman Filter. In Proceedings of the 2006 IEEE International Conference on Industrial Technology, Mumbai, India, 15–17 December 2006; pp. 233–238. [Google Scholar]
- Li, X.; Kennel, R. General Formulation of Kalman-Filter-Based Online Parameter Identification Methods for VSI-Fed PMSM. IEEE Trans. Ind. Electron. 2021, 68, 2856–2864. [Google Scholar] [CrossRef]
- Zitzelsberger, J.; Hofmann, W. Space Vector Modulation with Current Based Dead Time Compensation using Kalman-Filter. In Proceedings of the IECON 2006—32nd Annual Conference on IEEE Industrial Electronics, Paris, France, 7–10 November 2006; pp. 1533–1538. [Google Scholar]
- Buchta, L.; Bartik, O. Dead-Time Compensation Strategies Based on Kalman Filter Algorithm for PMSM Drives. In Proceedings of the IECON 2019—45th Annual Conference of the IEEE Industrial Electronics Society, Lisbon, Portugal, 14–17 October 2019; pp. 986–991. [Google Scholar]
- Buchta, L.; Otava, L. Adaptive compensation of inverter non-linearities based on the Kalman filter. In Proceedings of the IECON 2016—42nd Annual Conference of the IEEE Industrial Electronics Society, Florence, Italy, 23–26 October 2016; pp. 4301–4306. [Google Scholar]
- Bialkowski, W. Application of Kalman filters to the regulation of dead time processes. IEEE Trans. Autom. Control. 1983, 28, 400–406. [Google Scholar] [CrossRef]
- Diallo, D.; Arias, A.; Cathelin, J. An inverter dead-time feedforward compensation scheme for PMSM sensorless drive operation. In Proceedings of the 2014 First International Conference on Green Energy ICGE 2014, Sfax, Tunisia, 25–27 March 2014; pp. 296–301. [Google Scholar]



















| Flux | Torque | Stator Flux Section | |||||
|---|---|---|---|---|---|---|---|
| 1 | 1 | V2 | V3 | V4 | V5 | V6 | V1 |
| 0 | V7 | V0 | V7 | V0 | V7 | V0 | |
| −1 | V6 | V1 | V2 | V3 | V4 | V5 | |
| −1 | 1 | V3 | V4 | V5 | V6 | V1 | V2 |
| 0 | V0 | V7 | V0 | V7 | V0 | V7 | |
| −1 | V5 | V6 | V1 | V2 | V3 | V4 | |
| Parameter | Value | Unit |
|---|---|---|
| Motor Pole | 8 | |
| DC-Voltage | 48 | V |
| Max. Torque | 2.0 | Nm |
| Phase Resistance | 0.295 | Ω |
| -axis Inductance | 0.22 | mH |
| -axis Inductance | 0.29 | mH |
| Magnetic Flux | 0.0273 | Wb |
Disclaimer/Publisher’s Note: The statements, opinions and data contained in all publications are solely those of the individual author(s) and contributor(s) and not of MDPI and/or the editor(s). MDPI and/or the editor(s) disclaim responsibility for any injury to people or property resulting from any ideas, methods, instructions or products referred to in the content. |
© 2023 by the authors. Licensee MDPI, Basel, Switzerland. This article is an open access article distributed under the terms and conditions of the Creative Commons Attribution (CC BY) license (https://creativecommons.org/licenses/by/4.0/).
Share and Cite
Son, D.-I.; Han, J.-S.; Park, J.-S.; Lim, H.-S.; Lee, G.-H. Performance Improvement of DTC-SVM of PMSM with Compensation for the Dead Time Effect and Power Switch Loss Based on Extended Kalman Filter. Electronics 2023, 12, 966. https://doi.org/10.3390/electronics12040966
Son D-I, Han J-S, Park J-S, Lim H-S, Lee G-H. Performance Improvement of DTC-SVM of PMSM with Compensation for the Dead Time Effect and Power Switch Loss Based on Extended Kalman Filter. Electronics. 2023; 12(4):966. https://doi.org/10.3390/electronics12040966
Chicago/Turabian StyleSon, Doo-Il, Jun-Seo Han, Je-Suk Park, Hee-Sun Lim, and Geun-Ho Lee. 2023. "Performance Improvement of DTC-SVM of PMSM with Compensation for the Dead Time Effect and Power Switch Loss Based on Extended Kalman Filter" Electronics 12, no. 4: 966. https://doi.org/10.3390/electronics12040966
APA StyleSon, D.-I., Han, J.-S., Park, J.-S., Lim, H.-S., & Lee, G.-H. (2023). Performance Improvement of DTC-SVM of PMSM with Compensation for the Dead Time Effect and Power Switch Loss Based on Extended Kalman Filter. Electronics, 12(4), 966. https://doi.org/10.3390/electronics12040966

