A Fully Differential Difference Transconductance Amplifier Topology Based on CMOS Inverters
Abstract
1. Introduction
2. Materials and Methods
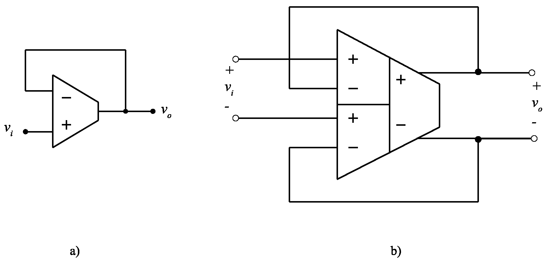
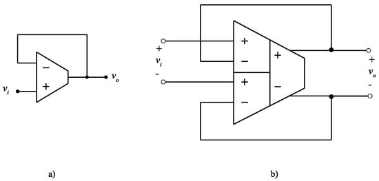
2.1. The Conceptual FDDTA
2.2. Weak Inversion Operation
2.3. CMOS Inverter
2.3.1. Transconductance of the CMOS Inverter
2.3.2. Small-Signal AC Model
3. Results
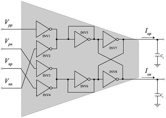
3.1. The FDDTA
3.1.1. Transconductance of the FDDTA
3.1.2. Small-Signal AC Model
4. Discussion
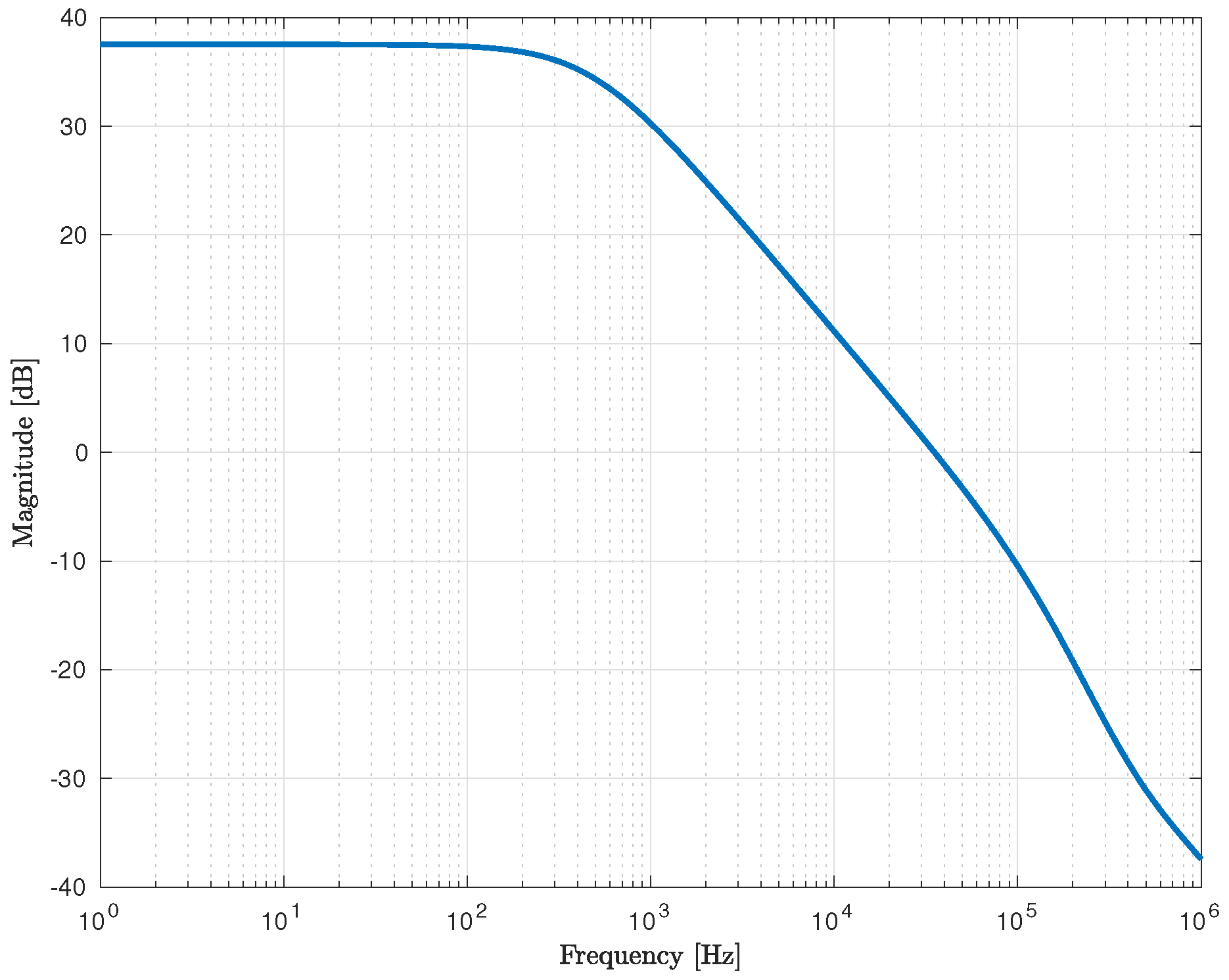
4.1. Simulated Results
4.2. Measured Results
5. Conclusions
Author Contributions
Funding
Data Availability Statement
Conflicts of Interest
References
- Bae, W. CMOS Inverter as Analog Circuit: An Overview. J. Low Power Electron. Appl. 2019, 9, 26. [Google Scholar] [CrossRef]
- Tsividis, Y.; McAndrew, C. Operation and Modeling of the MOS Transistor; Oxford University Press: Oxford, UK, 2011. [Google Scholar]
- Crovetti, P.S. A Digital-Based Virtual Voltage Reference. IEEE Trans. Circuits Syst. I Regul. Pap. 2015, 62, 1315–1324. [Google Scholar] [CrossRef]
- Ballo, A.; Pennisi, S.; Scotti, G. 0.5 V CMOS Inverter-Based Transconductance Amplifier with Quiescent Current Control. J. Low Power Electron. Appl. 2021, 11, 37. [Google Scholar] [CrossRef]
- Grasso, A.D.; Pennisi, S.; Scotti, G.; Trifiletti, A. 0.9-V Class-AB Miller OTA in 0.35-μm CMOS With Threshold-Lowered Non-Tailed Differential Pair. IEEE Trans. Circuits Syst. I Regul. Pap. 2017, 64, 1740–1747. [Google Scholar] [CrossRef]
- Ballo, A.; Grasso, A.D.; Pennisi, S. Active load with cross-coupled bulk for high-gain high-CMRR nanometer CMOS differential stages. Int. J. Circuit Theory Appl. 2019, 47, 1700–1704. [Google Scholar] [CrossRef]
- Duque-Carrillo, J.F.; Torelli, G.; Perez-Aloe, R.; Valverde, J.M.; Maloberti, F. A class of fully-differential basic building blocks based on unity-gain difference feedback. In Proceedings of the ISCAS’95–International Symposium on Circuits and Systems, Seattle, WA, USA, 30 April–3 May 1995; Volume 3, pp. 2245–2248. [Google Scholar]
- Allen, P.E.; Holberg, D.R. CMOS Analog Circuit Design; Oxford University Press: Oxford, UK, 2002. [Google Scholar]
- Nauta, B. A CMOS transconductance-C filter technique for very high frequencies. IEEE J.-Solid-State Circuits 1992, 27, 142–153. [Google Scholar] [CrossRef]
- Braga, R.A.; Ferreira, L.H.C.; Colletta, G.D.; Dutra, O.O. Calibration-less Nauta OTA operating at 0.25-V power supply in a 130-nm digital CMOS process. In Proceedings of the 2017 IEEE 8th Latin American Symposium on Circuits & Systems (LASCAS), Bariloche, Argentina, 20–23 February 2017; pp. 1–4. [Google Scholar]
- Pinto, P.M.; Ferreira, L.H.; Colletta, G.D.; Braga, R.A. A 0.25-V fifth-order Butterworth low-pass filter based on fully differential difference transconductance amplifier architecture. Microelectron. J. 2019, 92, 104606. [Google Scholar] [CrossRef]
- Palani, R.; Harjani, R. Inverter-Based Circuit Design Techniques for Low Supply Voltages; Analog Circuits and Signal Processing; Springer: Cham, Switzerland, 2017; pp. 1–126. [Google Scholar]
- Cotrim, E.D.C.; de Carvalho Ferreira, L.H. An ultra-low-power CMOS symmetrical OTA for low-frequency Gm-C applications. Analog. Integr. Circuits Signal Process. 2012, 71, 275–282. [Google Scholar] [CrossRef]
- Toledo, P.; Crovetti, P.S.; Klimach, H.D.; Musolino, F.; Bampi, S. Low-Voltage, Low-Area, nW-Power CMOS Digital-Based Biosignal Amplifier. IEEE Access 2022, 10, 44106–44115. [Google Scholar] [CrossRef]
- Sackinger, E.; Guggenbuhl, W. A versatile building block: The CMOS differential difference amplifier. IEEE J.-Solid-State Circuits 1987, 22, 287–294. [Google Scholar] [CrossRef]
- Mincey, J.S.; Briseno-Vidrios, C.; Silva-Martinez, J.; Rodenbeck, C.T. Low-Power Gm-C Filter Employing Current-Reuse Differential Difference Amplifiers. IEEE Trans. Circuits Syst. II Express Briefs 2017, 64, 635–639. [Google Scholar]
- Czarnul, Z.; Takagi, S.; Fujii, N. Common-mode feedback circuit with differential-difference amplifier. IEEE Trans. Circuits Syst. I Fundam. Theory Appl. 1994, 41, 243–246. [Google Scholar] [CrossRef]
- Du, D.; Odame, K.M. A bandwidth-adaptive preamplifier. IEEE J.-Solid-State Circuits 2013, 48, 2142–2153. [Google Scholar]
- Huang, S.C.; Ismail, M. Design of a CMOS Differential Difference Amplifier and its Applications in A/D and D/A Converters. In Proceedings of the APCCAS’94—1994 Asia Pacific Conference on Circuits and Systems, Taipei, Taiwan, 5–8 December 1994; pp. 478–483. [Google Scholar]
- Alzaher, H.; Ismail, M. A CMOS fully balanced differential difference amplifier and its applications. IEEE Trans. Circuits Syst. II Analog. Digit. Signal Process. 2001, 48, 614–620. [Google Scholar] [CrossRef]
- Ferreira, L.H.C.; Sonkusale, S.R. A 60-dB gain OTA operating at 0.25-V power supply in 130-nm digital CMOS process. IEEE Trans. Circuits Syst. I Regul. Pap. 2014, 61, 1609–1617. [Google Scholar] [CrossRef]
- Galup-Montoro, C.; Schneider, M.C.; Loss, I.J. Series-parallel association of FET’s for high gain and high frequency applications. IEEE J.-Solid-State Circuits 1994, 29, 1094–1101. [Google Scholar] [CrossRef]
- Khateb, F.; Kumngern, M.; Kulej, T.; Biolek, D. 0.5 V differential difference transconductance amplifier and its application in voltage-mode universal filter. IEEE Access 2022, 10, 43209–43220. [Google Scholar] [CrossRef]
- Kumngern, M.; Suksaibul, P.; Khateb, F.; Kulej, T. 1.2 V differential difference transconductance amplifier and its application in mixed-mode universal filter. Sensors 2022, 22, 3535. [Google Scholar] [CrossRef] [PubMed]
- Khateb, F.; Kulej, T. Design and implementation of a 0.3-V differential difference amplifier. IEEE Trans. Circuits Syst. I Regul. Pap. 2018, 66, 513–523. [Google Scholar] [CrossRef]
- Kumngern, M.; Khateb, F. Fully differential difference transconductance amplifier using FG-MOS transistors. In Proceedings of the 2015 International Symposium on Intelligent Signal Processing and Communication Systems (ISPACS), Nusa Dua Bali, Indonesia, 9–12 November 2015; pp. 337–341. [Google Scholar]
- Kumngern, M. CMOS differential difference voltage follower transconductance amplifier. In Proceedings of the 2015 IEEE International Circuits and Systems Symposium (ICSyS), Langkawi, Malaysia, 2–4 September 2015; pp. 133–136. [Google Scholar]



















| Parameter | Value |
|---|---|
| 9.46-n | |
| 9.45-n | |
| n | 1.26 |
| SS | SF | TT | FS | FF | |
|---|---|---|---|---|---|
| Gain (dB) | 22.11 | 24.89 | 28.20 | 27.08 | 29.31 |
| GBW (Hz) | 308.40 | 401.19 | 479.75 | 298.57 | 515.62 |
| CMRR (dB) | 51.97 | 56.12 | 54.98 | 53.43 | 58.07 |
| PSRR (dB) | 34.85 | 21.97 | 37.52 | 42.22 | 38.09 |
| SS | TT | FF | |||||||
|---|---|---|---|---|---|---|---|---|---|
| Temp | −20 | 27 | 100 | −20 | 27 | 100 | −20 | 27 | 100 |
| Gain (dB) | 29.43 | 29.33 | 28.34 | 19.33 | 28.20 | 25.34 | 26.15 | 27.31 | 25.99 |
| GBW (Hz) | 479.19 | 480.15 | 481.20 | 451.19 | 479.75 | 471.20 | 430.28 | 464.42 | 480.00 |
| CMRR (dB) | 54.20 | 55.01 | 56.96 | 51.28 | 54.98 | 58.36 | 55.28 | 52.57 | 58.36 |
| PSRR (dB) | 35.96 | 34.85 | 27.27 | 39.24 | 37.52 | 26.52 | 41.23 | 38.09 | 24.21 |
| VDD (mV) | 225 | 250 | 275 |
|---|---|---|---|
| Gain (dB) | 27.45 | 28.20 | 31.36 |
| GBW (Hz) | 469.32 | 479.75 | 480.98 |
| CMRR (dB) | 53.01 | 54.98 | 55.30 |
| PSRR (dB) | 28.98 | 37.52 | 38.35 |
| Parameters | This Work | IEEE Access 2022 [23] | Sensors 2022 [24] | IEEE TCAS I 2018 [25] | IEEE 2015 [26] | IEEE 2015 [27] |
|---|---|---|---|---|---|---|
| Technology | 0.13 m | 0.18 m | 0.18 m | 0.18 m | 0.18 m | 0.5 m |
| Supply voltage | 0.25 V | 0.5 V | 1.2 V (±0.6 V) | 0.3 V | ±0.4 V | ±2 V |
| Gain | 28.20 dB | 93 dB | - | 60 dB | 1-20 dB | - |
| Transconductance | 2.26 S | 10.7 nS | 66 S | 67.7 nS | - | 24 S to 468 S |
| −3 dB bandwidth | 480 Hz | <1 Hz | 6.4 MHz | <10 Hz | 23 MHz | 1 GHz |
| Output conductance | 18.91 nS | - | - | - | 111 nS | - |
| Power consumption | 75.30 nW | 205.5 nW | 6 W | 22 nW | 20 W | l.66 mW |
| CMRR | 54.98 dB | 67.19 dB | - | 82 dB | - | - |
| PSRR | 37.52 dB | 81.52 dB | - | 57 dB | - | - |
| GBW | 479.75 Hz | 18.02 kHz | - | 1.85 kHz | - | - |
| DR | 40.52 dB | 49.7 dB | 63.59 dB | 57 dB | - | - |
Disclaimer/Publisher’s Note: The statements, opinions and data contained in all publications are solely those of the individual author(s) and contributor(s) and not of MDPI and/or the editor(s). MDPI and/or the editor(s) disclaim responsibility for any injury to people or property resulting from any ideas, methods, instructions or products referred to in the content. |
© 2023 by the authors. Licensee MDPI, Basel, Switzerland. This article is an open access article distributed under the terms and conditions of the Creative Commons Attribution (CC BY) license (https://creativecommons.org/licenses/by/4.0/).
Share and Cite
Silva, O.S.; Braga, R.A.d.S.; Pinto, P.M.; Ferreira, L.H.d.C.; Colletta, G.D. A Fully Differential Difference Transconductance Amplifier Topology Based on CMOS Inverters. Electronics 2023, 12, 963. https://doi.org/10.3390/electronics12040963
Silva OS, Braga RAdS, Pinto PM, Ferreira LHdC, Colletta GD. A Fully Differential Difference Transconductance Amplifier Topology Based on CMOS Inverters. Electronics. 2023; 12(4):963. https://doi.org/10.3390/electronics12040963
Chicago/Turabian StyleSilva, Otávio Soares, Rodrigo Aparecido da Silva Braga, Paulo Marcos Pinto, Luís Henrique de Carvalho Ferreira, and Gustavo Della Colletta. 2023. "A Fully Differential Difference Transconductance Amplifier Topology Based on CMOS Inverters" Electronics 12, no. 4: 963. https://doi.org/10.3390/electronics12040963
APA StyleSilva, O. S., Braga, R. A. d. S., Pinto, P. M., Ferreira, L. H. d. C., & Colletta, G. D. (2023). A Fully Differential Difference Transconductance Amplifier Topology Based on CMOS Inverters. Electronics, 12(4), 963. https://doi.org/10.3390/electronics12040963

