Robust Control of SEDCM by Fuzzy-PSO
Abstract
1. Introduction
Literature Review
2. Mathematical Model of SEDM Motor
2.1. Double Feedback Control of the SEDC Motor
2.2. Chopper-Fed PID Controller for Speed Governing of SEDC Motors
3. Fuzzy Controller
Configuration of FLC
- Preprocessing: This is the process of normalization or scaling onto a particular range.
- Fuzzification: This process is used to produce multiple fuzzy inputs.
- Rule Base: This consists of all rules prepared by using the membership function.
- Interface Engine: This is the mapping of input data to outputs using fuzzy rules. In the mapping used to input and output membership functions, consider suitable FL operators and implement logic.
- De-fuzzification: This is the process of converting fuzzy rules to output electrical signals.
4. Novel PSO
Algorithm for New PSO
- Select the number of particles.
- Define the minimum and maximum limits of the membership function considered in the fuzzy controller.
- Create the group of swarms using such a limited, as explained above.
- Define the velocity of the particles.
- Define the initial value of local best, called Pbest.
- Define the initial value of global best, called Gbest.
- Set the objective.
- Select the number of iterations.
- Select the value of acceleration parameters.
- Randomly start the swarm movement as given in Equation (10).
- Update the velocity of the particles using Equation (11).
- Update the position of the particles with the new velocity using Equation (12).
- Check whether the particles are in defined space limits or not.
- If particles are in limits, select the global best value as a final solution.
- If it crosses the search space limit, start the program again.
- When the iteration is completed automatically, stop the operation.
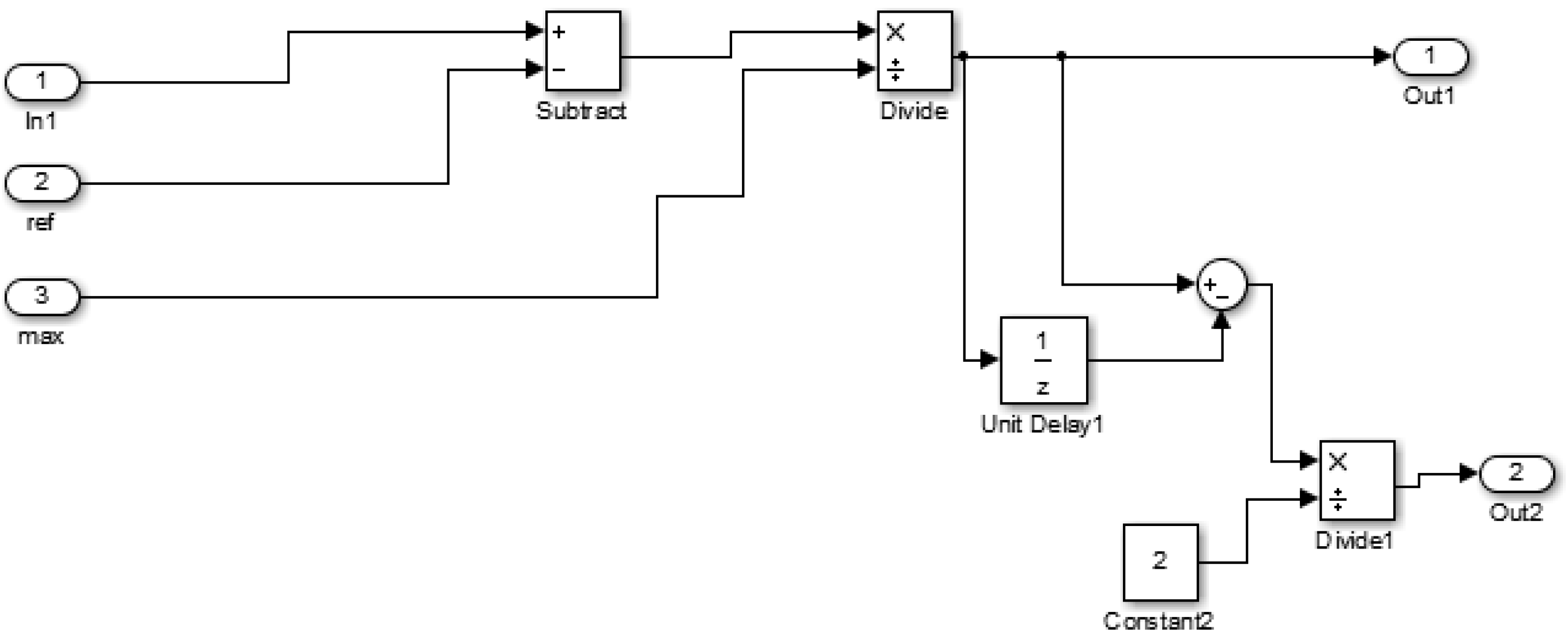
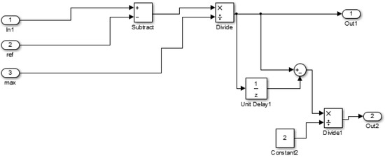
5. MATLAB Simulink of Proposed Control Scheme
6. Results and Discussion
7. Conclusions
Author Contributions
Funding
Data Availability Statement
Conflicts of Interest
Abbreviations and Symbols
| Va | armature voltage (in volt) |
| Eb | back emf the motor (in volt) |
| Ia | armature current (in ampere) |
| Ra | armature resistance (in ohm) |
| La | armature inductance (in Henry) |
| Tm | mechanical torque developed (in Nm) |
| Jm | moment of inertia (in kg/m²) |
| B | friction coefficient of the motor (in Nm/(Rad./s)) |
| ωm | angular velocity (in Rad./s) |
| TL | load torque in Nm. |
| flux generated on motor | |
| and | proportional constants |
| Ra | armature resistance |
| Rf | field resistance |
| Ia | armature current |
| If | field Current |
| La | armature inductance |
| Lf | field inductance |
| Vavg | average value of chopper output |
References
- George, M.K. Speed control of the separately excited DC motor. Am. J. Appl. Sci. 2008, 5, 227–233. [Google Scholar] [CrossRef]
- Sukumar, K. A PID controller for real-time dc motor speed control using the c505c microcontroller. In Proceedings of the ISCA International Conference on Computer Applications in Industry and Engineering, Orlando, FL, USA, 17–19 November 2004; pp. 34–39. [Google Scholar]
- Sahana, M.; Angadi, S.; Raju, A.B. Speed control of separately excited DC motor using class a chopper. In Proceedings of the IEEE International Conference on Circuits, Controls, Communications and Computing, Bangalore, India, 4–6 October 2016; pp. 32–39. [Google Scholar]
- Sathish Kumar, S.; Ramkumar, R.; Sivarajeswari, S.; Ramya, D.; Subburaj, T.; Sankoh, M. Performance Enhancement of a Three Phase Boost-Cascaded Fifteen Level Inverter Using the PI Controller. Math. Probl. Eng. 2022, 2022, 3888571. [Google Scholar] [CrossRef]
- Wisnu, D. Speed control DC motor under varying load using phase-locked loop system. In Proceedings of the International Conference on Electrical, Electronics, Communication and Information, Jakarta, Indonesia, 7–8 March 2001; pp. 67–73. [Google Scholar]
- Liu, Z.Z.; Lin, L.F.; Rashid, M.H. Speed Nonlinear Control of DC Motor Drive with Field Weakening. IEEE Trans. Ind. Appl. 2003, 39, 417–424. [Google Scholar]
- Ramkmar, R.; Vikram, A.A. Wind energy based asymmetrical half bridge flyback converter for BLDC motor. In Proceedings of the Third International Conference on Science Technology Engineering & Management (ICONSTEM), Chennai, India, 23–24 March 2017; pp. 605–610. [Google Scholar]
- Usman, O.A.; Ayuba, A.P.; Benjamin, A.K. DC Motor Speed Control using Internal Model Controller. Industrial Transformation Strategy. Int. J. Eng. Adv. Technol. 2020, 9, 125–137. [Google Scholar]
- Yodyium, T. A Neuro-Fuzzy network-based controller for dc motor speed control. In Proceedings of the 31st Annual Conference of IEEE Industrial Electronics Society, Raleigh, NC, USA, 6–10 November 2005; pp. 2433–2438. [Google Scholar]
- Parrazales, R.U. A fuzzy logic controller applied to a d.c. Motor. In Proceedings of the IEEE 38th Midwest Symposium on Circuits and Systems, Rio de Janeiro, Brazil, 13–16 August 1995; pp. 653–656. [Google Scholar]
- Ahmed, M.M.R. Fuzzy logic speed control of D.C. motors fed by single-ended primary inductance converters. In Proceedings of the IEEE 41st International Universities Power Engineering Conference, Newcastle upon Tyne, UK, 6–8 September 2006; pp. 343–347. [Google Scholar]
- Arrofiq, M. A Simulation of PLC-based Self-tuning PI—Fuzzy logic controller for DC motor. In Proceedings of the IEEE 2008 International Symposium on Information Technology, Kuala Lumpur, Malaysia, 26–28 August 2008; pp. 978–1065. [Google Scholar]
- Uma, G.; Latha, J. A fuzzy-based speed controller for soft switched dc to dc converter fed dc servomotor for aerospace applications. In Proceedings of the 2000 IEEE International Symposium on Industrial Electronics, Cholula, Puebla, Mexico, 4–8 December 2000; pp. 730–734. [Google Scholar]
- Maher Algreer, M.F. Design fuzzy self-tuning of PID controller for chopper-fed DC motor drive. Al-Rafidain Eng. 2008, 16, 54–66. [Google Scholar]
- Hakan, Z. Non-singleton fuzzy logic control of a DC motor. J. Appl. Sci. 2005, 5, 887–891. [Google Scholar] [CrossRef]
- Yodyium, T. Fuzzy logic microcontroller implementation for DC motor speed control. In Proceedings of the IECON’99 25th Annual Conference of the IEEE Industrial Electronics Society, San Jose, CA, USA, 29 November–3 December 1999; pp. 840–846. [Google Scholar]
- Farahani, G.; Rahmani, K. Speed Control of a Separately Excited DC Motor Using New Proposed Fuzzy Neural Algorithm Based on FOPID Controller. J. Control. Autom. Electr. Syst. 2019, 30, 728–740. [Google Scholar] [CrossRef]
- Sarah, N.; Al-Bargothi, G.M.Q.; Qazem, M.J. DC motor speed control using conventional and adaptive PID controllers. Indones. J. Electr. Eng. Comput. Sci. 2019, 16, 1221–1228. [Google Scholar]
- Sagar, J.D. DC Motor Control using PID Controller. Int. Res. J. Eng. Technol. 2020, 7, 1765–1769. [Google Scholar]
- Wati, T.; Subiyanto; Sutarno. Simulation model of speed control DC motor using fractional order PID controller. J. Phys. Conf. Ser. 2020, 1444, 012022. [Google Scholar] [CrossRef]
- Guerrero, E.; Linares, J.; Guzmán, E.; Sira, H.; Guerrero, G.; Martínez, A. DC Motor Speed Control through Parallel DC/DC Buck Converters. IEEE Lat. Am. Trans. 2017, 15, 819–826. [Google Scholar] [CrossRef]
- Yang, J.; Han, W.; Liang, H.; Shihua, L. Robust Predictive Speed Regulation of Converter-Driven DC Motors via a Discrete-Time Reduced-Order GPIO. IEEE Trans. Ind. Electron. 2019, 66, 7893–7903. [Google Scholar] [CrossRef]
- Mohammad, H.G.; Younes, N.; Rahim, Z. Optimal site selection and sizing of solar EV charge stations. J. Energy Storage 2022, 56, 105904. [Google Scholar]
- Mohammad, V.K.; Hamidreza, A.; Sareh, D.; Rahim, Z. Thermal analysis and optimization of indirect flat evaporative coolers. Int. J. Thermofluids 2022, 16, 100246. [Google Scholar]
- Kaviani, A.; Aslani, A.; Zahedi, R.; Mohammad, H.A.; Malekli, R. A new approach for energy optimization in dairy industry. Clean. Eng. Technol. 2022, 8, 100498. [Google Scholar] [CrossRef]
- Majd, H.; Mohamed, E.; Fathi, H. Separately Excited DC Motor Speed Control Simulation Case Studies. In Proceedings of the IEEE 1st International Maghreb Meeting of the Conference on Sciences and Techniques of Automatic Control and Computer Engineering MI-STA, Tripoli, Libya, 25–27 May 2021; pp. 47–51. [Google Scholar]
- Ramkumar, R.; Kumar, M.V.; Sivamani, D. Fuzzy Logic based Soft Switched Active Clamped Boost Converter Charging Strategy for Electric Vehicles. In Proceedings of the 4th International Conference on Electronics, Communication and Aerospace Technology (ICECA), Coimbatore, India, 5–7 November 2020; pp. 1334–1339. [Google Scholar]
- Pandian, S.; Muthu, V.; Thanushkodi, K. An evolutionary programming based efficient particle swarm optimization for economic dispatch problem with valve-point loading. Eur. J. Sci. Res. 2011, 52, 385–397. [Google Scholar]
- Ayam, M.; liqaa, S.M.; Raoof, T.H. speed control for separately excited dc motor with pid controller, ga, and pso. Int. J. Recent Sci. Res. 2016, 7, 12673–12678. [Google Scholar]
- Kathamuthu, M. DC Motor Speed Control Using PSO Tunned PID Fuzzy Controller. Int. J. Adv. Res. Sci. Commun. Technol. 2020, 9, 40–48. [Google Scholar]
- Sharma, N.; Litoriya, R.; Sharma, A. Application and Analysis of K-Means Algorithms on a Decision Support Framework for Municipal Solid Waste Management. In Advanced Machine Learning Technologies and Applications. AMLTA 2020. Advances in Intelligent Systems and Computing; Springer: Singapore, 2021; Volume 1141. [Google Scholar]
- Ramani, P.; Pradhan, N.; Sharma, A.K. Classification Algorithms to Predict Heart Diseases—A Survey. In Computer Vision and Machine Intelligence in Medical Image Analysis. Advances in Intelligent Systems and Computing; Gupta, M., Konar, D., Bhattacharyya, S., Biswas, S., Eds.; Springer: Singapore, 2020; Volume 992. [Google Scholar]
















| S. No. | Fuzzy Controller | Conventional Controller |
|---|---|---|
| 1 | It has a special future and universal structure so used for all plants | Its structure should be changed for the plant to plant |
| 2 | In the fuzzy controller, generally used plant dynamics and control strategies found by human knowledge and skill. | Here human’s skill and knowledge not considered. |
| 3 | It can control the nonlinear operated load | It can use but is not effective |
| 4 | Its performance cannot be change if variable parameters are used | It is very sensitive for parameters variation |
| 5 | Smooth and accurate controlling possible | At the starting produce over damping |
| S. No. | Parameters | Tuning Range of the Parameters | Final Values Taken |
|---|---|---|---|
| 1 | Kp | 1.5–1.7 | 1.588 |
| 2 | KI | 23–25 | 23.89 |
| 3 | KD | 0.015–0.05 | 0.027 |
| S. No. | Parameters | Values |
|---|---|---|
| 1 | Number of iterations | 100 |
| 2 | Population size (number of particles) | 50 |
| 3 | C1i | 2.5 |
| 4 | C1f | 0.2 |
| 5 | C2i | 0.2 |
| 6 | C2f | 2.5 |
| 7 | Inertia constant (w) | Wmax = 3.5 and Wmin = 0.5 |
| 8 | Random values generated in MATLAB | R1 = 0.64 and R2 = 0.57 |
| Membership Name | Limits Taken for Optimization | Convergence Limits Obtained |
|---|---|---|
| LN (Large negative) | −0.180 to 0.25 | 0 to 0.1666 |
| MN (Medium Negative) | 0.00 to 0.40 | 0.0 to 0.332 |
| SN (Small negative) | 0.10 to 0.5 | 0.166 to 0.496 |
| Z (zero) | 0.2 to 0.7 | 0.332 to 0.665 |
| SP (small positive) | 0.4 to 0.9 | 0.498 to 0.832 |
| MP (medium positive) | 0.5 to 1 | 0.666 to 1 |
| LP (large positive) | 0.70 to 1 | 0.832 to 1 |
| Types of Controllers | Measured Parameters | |||
|---|---|---|---|---|
| Rise Time (s) | Maximum Overshoot % | Settling Time (s) | Time Delay (s) | |
| PID controller with constant torque | 0.2 | 5.48% | 0.04 | 0.04 |
| Fuzzy PSO controller with constant torque | 0.000264 | 0 | 0.00024 | 0.031 |
| PID controller with variable torque | 0.31 | 5.428 | 0.04 | 0.034 |
| Fuzzy PSO controller with variable torque | 0.00026 | 0 | 0.000214 | 0.016 |
| PID fuzzy [30] | 1.4 | 11.2 | 2.1 | - |
| PID controller [29] | 0.874 | 8.0298 | 0.3687 | 0.0528 |
| PID-GA [29] | 3.77×10−4 | 0 | 6.9 × 10−4 | 0.0502 |
Disclaimer/Publisher’s Note: The statements, opinions and data contained in all publications are solely those of the individual author(s) and contributor(s) and not of MDPI and/or the editor(s). MDPI and/or the editor(s) disclaim responsibility for any injury to people or property resulting from any ideas, methods, instructions or products referred to in the content. |
© 2023 by the authors. Licensee MDPI, Basel, Switzerland. This article is an open access article distributed under the terms and conditions of the Creative Commons Attribution (CC BY) license (https://creativecommons.org/licenses/by/4.0/).
Share and Cite
Singh, N.; Sharma, A.K.; Tiwari, M.; Jasiński, M.; Leonowicz, Z.; Rusek, S.; Gono, R. Robust Control of SEDCM by Fuzzy-PSO. Electronics 2023, 12, 335. https://doi.org/10.3390/electronics12020335
Singh N, Sharma AK, Tiwari M, Jasiński M, Leonowicz Z, Rusek S, Gono R. Robust Control of SEDCM by Fuzzy-PSO. Electronics. 2023; 12(2):335. https://doi.org/10.3390/electronics12020335
Chicago/Turabian StyleSingh, Nagendra, Akhilesh Kumar Sharma, Manish Tiwari, Michał Jasiński, Zbigniew Leonowicz, Stanislav Rusek, and Radomir Gono. 2023. "Robust Control of SEDCM by Fuzzy-PSO" Electronics 12, no. 2: 335. https://doi.org/10.3390/electronics12020335
APA StyleSingh, N., Sharma, A. K., Tiwari, M., Jasiński, M., Leonowicz, Z., Rusek, S., & Gono, R. (2023). Robust Control of SEDCM by Fuzzy-PSO. Electronics, 12(2), 335. https://doi.org/10.3390/electronics12020335

