Next Article in Journal
Evo-MAML: Meta-Learning with Evolving Gradient
Previous Article in Journal
Development of Temperature Sensor Based on AlN/ScAlN SAW Resonators
 
 
Font Type:
Arial Georgia Verdana
Font Size:
Aa Aa Aa
Line Spacing:
Column Width:
Background:
Article

Study of Bipolar Inductively Isolated High-Voltage Pulse Source

1
School of Equipment Engineering, Shenyang Ligong University, Shenyang 110159, China
2
School of Automation and Electrical Engineering, Shenyang Ligong University, Shenyang 110159, China
*
Author to whom correspondence should be addressed.
Electronics 2023, 12(18), 3864; https://doi.org/10.3390/electronics12183864
Submission received: 27 July 2023 / Revised: 22 August 2023 / Accepted: 2 September 2023 / Published: 13 September 2023

Abstract

:
To meet the application requirements of pulsed power technology in wastewater treatment and other aspects (for example, a scenario that requires a high-voltage pulse source that can output a pulse with a rising edge in the nanosecond range and a device that can stabilize the pulse under high-frequency conditions), this paper designed an inductively isolated bipolar high-voltage pulse source. It consists of three parts: the primary charging power supply, the isolated driver circuit, and the pulse-forming circuit. By using inductance instead of traditional resistance isolation, using the inductance for charging and isolation, the inductance can increase the charging voltage of the capacitor, so the circuit can achieve a higher voltage output. The dual-Marx generator parallel connection design of the pulsed power supply topology, using a primary charging power supply for positive and negative polarity charging, can simultaneously output the reverse polarity and size of high-voltage pulses to achieve a bipolar output, so the load has an effect on the pulse. The equipment was selected on the basis of the design of the isolated driver circuit, primary charging power supply circuit, and pulse-forming circuit for the corresponding simulation, and in the experiment to build a principle model, the tests showed that the pulse source output pulse amplitude range was 0~10 kV (the positive pulse voltage was 5 kV, and the negative pulse voltage was −5 kV), the pulse rising edge was approximately 200 ns, the pulse width was 1 μs, and the frequency range was 0~1 kHz for the pulse source frequency. The power supply was designed to be used in applications such as wastewater treatment.

1. Introduction

With the development of pulsed power technology, the prospects for high-voltage pulse applications are becoming more and more widespread, such as in astronautics, biomedicine [1,2], sewage treatment [3], and other fields with a wide range of applications, and current high-voltage pulsed power supplies are moving in the direction of high-efficiency, miniaturization, narrow pulses, and other development areas. In addition, pulse waveforms and circuit structures are more demanding in different application scenarios. In some specific application scenarios, such as sewage treatment and rock crushing, high-voltage bipolar pulses can achieve better results than unipolar pulses. Therefore, the research on bipolar pulse sources has a bright future [4].
There has always been a major problem in wastewater treatment, both economically and technically, concerning how to effectively treat high-concentration, difficult-to-degrade organic wastewater. Traditional treatment methods such as ultrasonics, thermal hydrolysis, etc., cannot be widely applied due to costs and other limitations [5]. The use of high-pressure pulse technology for wastewater treatment research has attracted a lot of attention from scholars at home and abroad. In comparison with traditional treatment means, high-pressure pulse treatment of wastewater has the advantages of low energy consumption, high efficiency, process simplicity, and so on. The main mechanism of the high-pressure pulse treatment of wastewater is the killing of microorganisms by applying an external electric field to the microbial cell membrane, thus forming “electroporation”, which has more requirements for high-pressure pulses, such that studies have shown that compared with unipolar pulses, bipolar pulses have a more pronounced treatment effect [6,7,8].
The Marx structure mainly adopts the form of “parallel charging and series discharging” to realize the output of high-voltage pulsed waveforms [9,10]. With a Marx structure and semiconductor switch composition, a pulsed power supply can output the amplitude, frequency, and other parameters of an arbitrary nanosecond pulsed power [11,12,13,14]. However, all solid-state pulse sources have some problems, such as their circuit structures being more complex, their stability not being good, the limitations of the solid-state switch voltage withstand value generally being a low charging voltage, etc. The existing research has not fully met the specific needs of high-voltage pulsed sources in the field of wastewater treatment. Andras Kuthi et al. designed two high-voltage pulse generators based on diode open-circuit switches for biological and medical applications, including three parts, an LC resonance charging stage, a magnetic pulse compression stage, and a diode switch stage, which could generate 4.5 kV, 20 ns and 7.5 kV, 5 ns pulses, respectively [15]. However, the pulses output from this device are unipolar pulses. L. M. Redondo developed a bipolar Marx generator with an output pulse of ±5 kV, a pulse width of 2.5 μs, and a leading edge of 200 ns using a cascade of Marx units [16]. However, the study was not optimized for the heat generation problem. J. Health et al. designed a nanosecond solid-state Marx generator based on a compact high-repetition frequency generator using IGBTs as switching tubes and a multi-output magnetic loop transformer to provide drive signals for the IGBTs to obtain high-voltage pulses with an amplitude of 10 kV and a minimum pulse width of 400 ns [17]. However, the use of IGBTs as switches is expensive.
The research objectives of this paper were as follows:
  • The design of a bipolar high-voltage pulsed power supply based on a dual-Marx structure.
  • The design of a bipolar DC charging power supply based on a dual-Marx structure.
  • The use of an inductor instead of a resistor as the isolation device and the investigation of the design principle of the inductor parameters.
  • Designing a switch that can be switched on and off quickly (nanoseconds).
For wastewater treatment, which requires a high-voltage pulse source with high stability, a fast rising edge, bipolar pulses, and other special needs, based on the principle of a double-Marx-type topology, this paper proposes an inductance-isolated bipolar pulse source design scheme to design a high-voltage pulse source that can output high-voltage pulses with an amplitude of 10 kV, with a low cost, fewer heat-generating devices, and high stability, which can output bipolar pulses at the same time and can obtain pulses with larger amplitudes provided that the peaks of the pulses remain unchanged. The use of positive and negative polarity charging can improve the charging efficiency and can also reduce the circuit inductance to obtain a faster rising edge of the pulse. A primary charging power supply circuit, an isolated driver circuit, and a pulse-forming circuit were designed, and a MOSFET was used as a circuit charge/discharge switch to optimize the whole circuit with a simple structure, where the use of a MOSFET also reduces the cost of the device. Charge/discharge signals were provided using a DSP. The use of inductors instead of traditional resistors improves the charging efficiency and reduces the size of the heating element in the Marx generator itself. The developed prototype pulse source has an output voltage amplitude range of 0–10 kV, a pulse rising edge of approximately 200 ns, a pulse width of approximately 1 μs, and a maximum frequency of 1 kHz.

2. Materials and Methods

2.1. Pulse-Forming Circuit

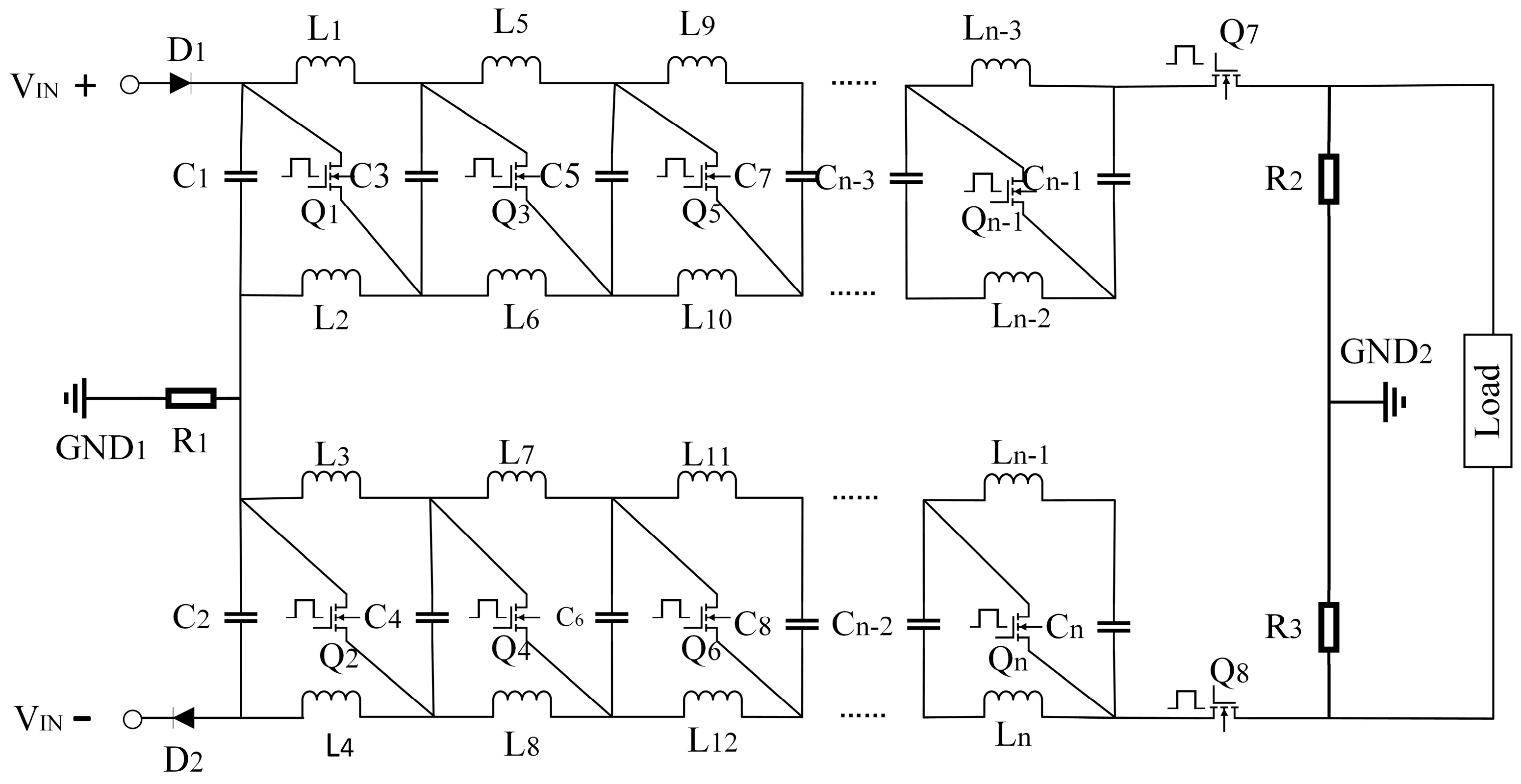
In this paper, the dual-Marx structure is used as the main circuit topology of the bipolar inductively isolated pulse source, and each stage consists of two inductors, a main capacitor, and a semiconductor switch. The inductively isolated all-solid-state Marx generator’s main circuit topology is shown in Figure 1. The circuit’s basic working principle is “parallel charging, series discharging”, and the use of inductors instead of a traditional resistor can shorten the charging time, greatly improve the charging efficiency, reduce the heating element of the Marx generator itself, and play the role of isolation in the capacitor discharge.
When the circuit is in a charging state, the switching tube Q1~Qn is in an off state, and the positive and negative outputs of the DC charging power supply are charged via diodes D1 and D2, respectively, to the main capacitor C1~Cn of the Marx generator circuit. Currently, the inductor L1~Ln plays the role of isolation and boosts the capacitor through the diode.
When the pulse source is discharged, the switching tube conducts, and the energy storage capacitor is connected in series. At this time, the inductor L1~Ln plays the role of isolation and boosting, and the upper and lower Marx circuits simultaneously output high-voltage pulses of opposite polarities and equal size.
In addition to playing the role of isolation at the same time as the capacitor to form an LC circuit, they also store a portion of their own energy, and their stored energy is released to the energy storage capacitor, which is equivalent to a boosting circuit, whereby there is a certain boosting effect, so the capacitor voltage on both sides of the capacitor is higher than the charging voltage V0 when the device is in a discharging state, the switching tube is conducting, and the capacitor is discharging in series. The voltage obtained across the load is higher than nV0 and can be expressed as
V out ± ( n + 1 ) V 0
where n is the number of bipolar pulse source stages, and V out is the pulse output voltage.

2.2. Primary Charging Power

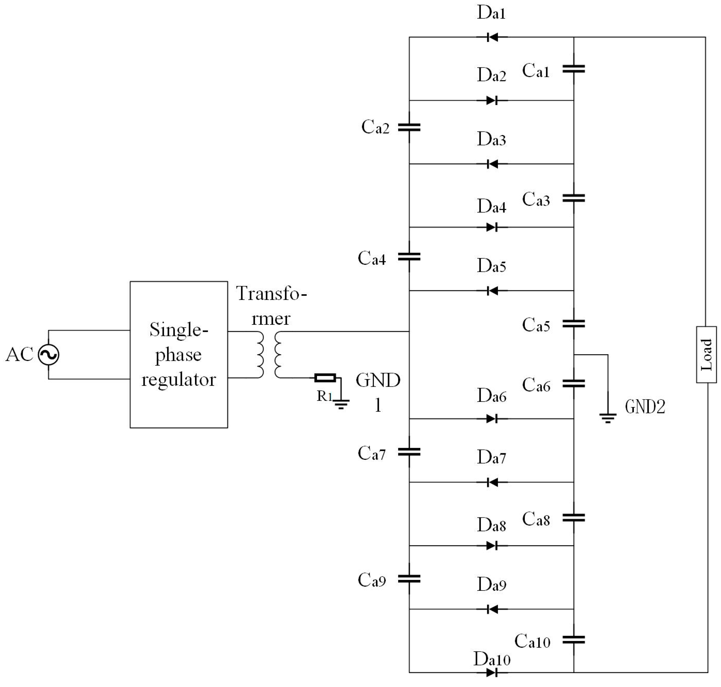
The bipolar primary DC charging power supply, which relies on a 220 V, 50 Hz AC power supply with a single-phase regulator, a transformer, high-tension diodes, and high-tension capacitors, with the input alternating current (AC), the output direct current (DC), and the topology of the circuit is shown in Figure 2. The living electricity is first regulated via a single-phase regulator, the regulated voltage is increased with the transformer to the output AC power, and the increased AC power is input to the 5-fold voltage rectifier circuit composed of diodes Da1~Da10 and energy storage capacitors Ca1~Ca10 to output a bipolar DC voltage.
When the single-phase regulator is controlled to output 50 V AC, it can output ±500 V DC after being boosted with the transformer and the 5-fold rectifier [18].

2.3. Isolated Driver Circuit

To ensure stable circuit operation, the main circuit MOS tubes must be synchronized and fast triggering, and all levels of the switching tube driver circuit must not only be isolated from each other [19], but the output drive signal should also have a faster rise and fall speed. The isolated driver circuit is shown in Figure 3.
The isolated driver scheme is simple and reliable. The lower side of the driver circuit is powered with a 30 V DC power supply, the PWM control signal generated by the DSP is amplified via the power amplifier chip through the transformer’s isolation of the MOS tube driver, and the MOS tube gate source is bipolar parallel between the two poles of a bi-directional voltage regulator [20], a 13 V forward regulator and a 10 V reverse voltage regulator. Cb1 is the isolation capacitor. From the working principle of the LC oscillator circuit, we can obtain the value resistor Rb1 should satisfy
R b 1 2 L C
where L is the primary inductance of the drive isolation transformer, and C is the capacitance value of capacitor C b 1 . The drive isolation transformer’s ratio of original to secondary coil turns is set to 1:1, and the number of turns of the original and secondary coils is set to 7. The number of turns of the coils should satisfy [21]
N V d t on A e Δ B
where Vd is the drive voltage, ton is the MOS tube’s conduction time in the driver circuit [21], Ae is the core area, and ΔB is the flux density variation.

2.4. Component Selection

The discharge tube chosen was CREE’s C2M0080120D model MOSFET. The model of the discharge tube has tens-of-nanoseconds-fast rising and falling edges, a 1200 V withstand voltage, and an 80 A maximum pulse current, with a pulse current of up to 250 A. It can meet the pulsed power supply needed for the discharge tube.
The fast recovery isolation diode provides a conduction path during the charging of the energy storage capacitor, and the conditions under which it can withstand the forward conduction current I e should satisfy [17]
I e = f τ V o u t I out V m a x
where I out is the pulse output current; V out is the pulse output voltage; V m a x is the maximum charging voltage; f is the pulse frequency; and τ is the pulse width. The diode was selected as a fast recovery diode with a withstand voltage of 1 kV because the maximum reverse breakdown voltage of the diode should be greater than the maximum charging voltage of the pulse source, V m a x , during the discharge of the storage capacitor.
A reasonable capacitance value ensures that the pulse output from the Marx generator is approximately a square wave, so the capacitance value should be as large as possible within a limited range. However, the capacitance size of the main capacitor also affects the charging and discharging time of the Marx generator. The maximum charging voltage of each capacitor stage is V m a x , so the rated operating voltage of the capacitor should be greater than or equal to V m a x . Assuming that the peak drop of the square wave pulse is less than 10%, the value of the main capacitor should meet the following requirements: [17].
C e τ V out R load d V
where C e is the equivalent capacitance when discharged; τ is the maximum pulse width; V out is the output voltage; d V denotes the acceptable voltage drop; and R load is the load resistance value. At the maximum pulse width of 1 μs, the load is 1 kΩ under high-impedance load conditions, and the main capacitor can withstand a voltage value of 20,000 V with a capacitance value of 130 nF for the metalized film capacitors.
An inductor used as an isolated Marx generator can output a pulse similar to a resistor-isolated Marx generator [22], and reasonable parameters settings for the inductor can make the capacitor discharge in parallel to achieve a larger voltage superposition to achieve a higher output voltage amplitude, and the isolating inductance can be varied over a wide range with a small effect on the pulse waveform [22], and using too small an inductor will result in low inductive resistance during discharging, and the circuit will not be in an underdamped state. If the inductance is too small, it will result in low inductive resistance during discharge, the circuit will be underdamped, and the inductor will not be able to perform good isolation. Therefore, an inductance-isolated Marx generator should be designed according to the principle that the circuit is in a critically damped or overdamped state; however, if the inductance is too large, it will affect the stabilization of the output of the pulse source in a high-frequency state. The resulting conditions to be satisfied for the value of the inductance are
L c T s R load 2 D m i n 1 D m i n 2
where R load is the load resistance; T s is the pulse period; and D m i n is the minimum duty cycle. The designed pulse source has an adjustable pulse period of 1~2 ms, a pulse width of 1 μs, a duty cycle of approximately 0.1%~0.05%, and a pure resistive load of 1 kΩ. Therefore, the isolation inductor can use a 1.2 mH I-beam inductor.
The shortcomings of the research methodology used in this paper are that the theoretical analysis and parameter calculations ignore the parasitic parameters of each device, the control signal, and the delayed effect of switching, and it does not conduct an in-depth study of the influence of mutual inductance between the inductors in the actual circuit, and the possible influence of these factors on the pulse source needs to be further explored.

3. Simulation Results

Pspice was used to simulate the primary charging power supply circuit, the isolated driver circuit, and the pulse-forming circuit to verify the reliability of the designed primary charging power supply circuit, the isolated driver circuit, and the pulse-forming circuit. First of all, the primary charging power supply circuit was built, the output voltage of the first stage was set to 50 V, and it was amplified with the transformer and fed into the quintuple rectifier circuit, and the positive output DC voltage was 500 V, and the negative output DC voltage was −500 V, and the output voltage curves are shown in Figure 4. The simulation results show that when the circuit enters a steady state, the designed primary charging power supply circuit can stably output ±500 V DC, which meets the design requirements. The designed isolated driver circuit was built and simulated, and the output voltage amplitude changed with the supply voltage, as shown in Figure 5. The supply voltage was 30 V, the driver output positive voltage was approximately 16 V, and the negative voltage was approximately −14 V.
To simulate the designed pulse-forming circuit, a dual five-stage circuit was built, and the specific parameters of the simulation are shown in Table 1. The load resistance was set to 1 kΩ, the switching frequency was 1 kHz, the pulse width of the control signal was 1 μs, the positive charging voltage gradually increased from 100 V to 550 V (the negative charging voltage increased from −100 V to −550 V), and the output voltage varied with different input voltages, as shown in Figure 6.
The simulation results show that when the positive charging voltage was 510 V and the negative charging voltage was −510 V, the output pulse voltage acting on the load had a voltage amplitude of 5.2 kV, which indicates that the LC circuit formed with the capacitor and inductor had a boosting effect, and the designed double-Marx-type structure of the pulse-forming circuit basically realized a doubling effect, and the waveforms of the circuit’s output voltage from the positive and negative electrodes are shown in Figure 7.
The pulse waveforms for the positive and negative outputs are shown in Figure 8 and Figure 9.
The simulation results verify that the designed primary charging power supply, isolated driver circuit, and high-voltage pulse-forming circuit meet the expected results of the design.

4. Experimental Results

The designed isolated driver circuit, primary charging power supply, and pulse-forming circuit were experimentally verified, and the load voltage was measured using an oscilloscope and a high-voltage probe.
The drive pulse output from the isolated driver circuit is shown in Figure 10 and Figure 11, and the drive signal was set to have a pulse width of 1 μs. A 30 V DC regulated power supply was used to supply power to the driver circuit, and when the PWM output from the DSP was at a low level, the drive voltage output from the driver circuit was approximately −13.6 V, which controlled the discharge tube to turn off, and when the PWM output was at a high level, the drive voltage output from the driver circuit was approximately 16 V, and the discharge tube was on.
To verify whether the design of the designed pulse-forming circuit and its simulation results were appropriate, a 10-step pulse-forming circuit with a dual-Marx structure and an experimental test platform was built, and the experimental parameters are shown in Table 2. The experimental verification of the designed pulse-forming circuit was performed using a DSP to produce PWM control signals. Since the circuit had a dual-Marx structure, the positive and negative poles were discharged simultaneously to output high-voltage pulses at the instant of discharge so that the voltage amplitude acting on the load was the superposition of the peak values of the positive and negative polarity pulse voltages. The construction of the bipolar pulse source prototype and experimental test platform is shown in Figure 12, with the selected pulse-forming circuit load resistance value of a 1 kΩ high-tension resistor. Figure 11 shows the output voltage waveform with a bipolar output amplitude of 9.8 kV, a frequency of 1 kHz, and a pulse width of 1 μs. The rising edge of the pulse is approximately 200 ns. Table 3 shows the input voltage and output voltage of the circuit.
The output pulse amplitude of the 5-stage circuit built in the simulation was approximately 5.2 kV under a 500 V (−500 V) input, and the output pulse amplitude of the 10-stage principle prototype built under a 500 V (−500 V) input was approximately 9.2 kV, and the errors of the two were within reasonable limits. Comparing the simulation results with the test results verifies the reasonableness of the design scheme. By analyzing the error, it can be seen that the error between the simulation results and the experimental results was mainly due to the existence of inductive mutual inductance between the inductors in the actual circuit, as well as the existence of some internal resistances in the actual circuit, which were not taken into account in the simulation.
Via experimental verification, the designed high-voltage pulsed power supply prototype can stably output high-voltage pulses with a maximum frequency of 1 kHz, a voltage amplitude of 9.8 kV, and a pulse width of approximately 1 μs, which basically meets the expected targets.

5. Discussion

In this paper, a bipolar inductively isolated high-voltage pulse source was designed based on the double-Marx structure, and the principal prototype constructed in the experiments outputted a pulse amplitude of up to 10 kV, and the error between the measured results and the simulation data in the experiments was within the permissible range, which verifies the reasonableness of the theoretical analysis. The high-voltage pulse source designed by Ruchiharchandani et al. has a maximum output voltage of 92 V in a two-stage circuit with an input voltage of 50 V [23], and the device’s pulse rising edge is greater than 500 ns. The four-stage circuit designed by Dwarakanath et al. has an output voltage of 30 V with an input voltage of 12 V [24]. The maximum output voltage of the four-stage circuit designed by Saraf et al. is 41.2 V at an input voltage of 12 V [25]. The output voltage of the five-stage (comprising nine storage capacitors discharged in series) hybrid isolated all-solid-state Marx generator designed by Cheng Hsien et al. is approximately 800 V with an input voltage of 100 V [26], and the rising edge of the pulse output from the device is approximately 42 ns. The maximum output voltage of the five-stage Marx generator designed by Selvakumar Ganesan et al. is 49 V with an input voltage of 12 V [27], and the rising edge of the pulse output from the device is approximately 9.93 ns. Table 4 lists the methods used in these studies and their conclusions.
All the Marx generators designed in the literature [28,29,30,31,32,33,34,35] are isolated with resistors or diodes, and none of them have a dual-Marx structure. The 10-stage circuit developed in the experiments in this paper can simultaneously output two output voltages with a positive input of 100 V and a negative input of −100 V. The output voltage of the 10-stage circuit can be reduced to 1 V with an input of 100 V and a negative input of −100 V. The output voltage of the 10-stage circuit can be increased to 2 V at the same time. At 100 V and with a negative input of −100 V, two high-voltage pulses with a peak value of approximately 1 kV and opposite polarities can be simultaneously output, and the amplitude of the high-voltage pulse voltage between the positive and negative electrodes is approximately 2.03 kV, which indicates that the inductor in the circuit not only plays the role of isolation during the discharge period but also raises the voltage at the two ends of the energy storage capacitors, thus obtaining higher outputs, and this also verifies that the dual-Marx structure ensures the output of a higher voltage amplitude under the condition that the peak value of the pulse voltage remains unchanged.
However, the study carried out in this paper also has some limitations. Comparing the experimentally measured data with the simulation data, the amplification effect of the inductor was reduced compared with an ordinary resistive Marx generator, and the amplification effect of the inductor was limited. The reason for this situation is that the theoretical analysis of this paper ignored the effect of each parasitic parameter of the actual circuit and the default circuit of each switch without delay, and it also did not address the effect of inductive mutual inductance on the circuit. This problem should be analyzed in the theoretical analysis of the device parasitic parameters of an equivalent circuit in the experiment and analysis, and the design of the circuit should try to ensure the symmetry of the circuit as much as possible to avoid inductive mutual inductance.
In addition, although the double-Marx structure used in this design can achieve a larger voltage amplitude output, it doubles the number of semiconductor switches, making the circuit structure more complex, which also reduces the circuit reliability to some extent. To solve this problem, based on the double-Marx structure, the circuit design should be optimized to share some switching tubes between the upper and lower circuits. This will achieve the purpose of reducing the number of switches and improving the stability of the circuit.

6. Conclusions

A bipolar inductively isolated high-voltage pulse source based on a dual-Marx structure was designed for the special needs of applications such as wastewater treatment, and the following conclusions have been drawn: The use of an inductor as an isolation device not only reduces the heating device of the pulse source itself and improves the reliability of the high-voltage pulse source under high-frequency conditions, but also increases the output voltage, and a higher output voltage can be obtained by increasing the number of pulse-forming circuit stages. The charging efficiency is increased, and the loop inductance is reduced to some extent by adopting the dual-Marx topology with the primary charging power supply designed for positive and negative polarity charging.
An inductively isolated bipolar high-voltage pulse source with an adjustable output voltage amplitude, a 1 μs output pulse width, a 0~10 kV output pulse amplitude range, a 1 kHz maximum output frequency, and a compact structure was designed adopting a dual-Marx structure.
However, the scheme designed in this paper has deficiencies, such as neglecting the effect of each parasitic parameter when performing the theoretical analysis and parameter calculations.

Author Contributions

Conceptualization, S.S. and G.Z.; methodology, H.L.; software, L.C. and S.L.; validation, H.L., B.Z., S.S., L.C., G.Z., S.L. and Z.J.; formal analysis, B.Z. and S.L.; investigation, S.S. and G.Z.; resources, L.C. and Z.J.; data curation, S.L.; writing—original draft preparation, H.L. and Z.J.; writing—review and editing, B.Z. and G.Z.; visualization, L.C. and Z.J.; supervision, H.L.; project administration, B.Z.; funding acquisition, S.S. All authors have read and agreed to the published version of the manuscript.

Funding

This research was funded by project no. 51974063 and project no. XLYC1902047.

Data Availability Statement

All data generated or analyzed during this study are included in this published article.

Conflicts of Interest

The authors declare no conflict of interest.

References

  1. Cui, S.; Wang, S.; Ma, Z. Research on development status of pulse current shunts. J. Astronaut. Metrol. Meas. 2016, 36, 82–88. [Google Scholar] [CrossRef]
  2. Chen, X.; Sun, J.; Yin, S.; Zheng, S. Interaction of pulsed electric field and biomedicine technology and the influence on solid tumor therapy. High Volt. Eng. 2014, 40, 3746–3754. [Google Scholar]
  3. Xiong, Q.; Dong, Z.; Zhu, F. Progress in the application of pulsed electric field in food industry. Mod. Food Sci. Technol. 2022, 38, 326–339. [Google Scholar]
  4. Rao, J.F.; Wang, W.C.; Shi, F.K. Self-Triggered Driven Bipolar Pulse Superposition; High Voltage Technology: Midrand, South Africa, 2023. [Google Scholar]
  5. Yang, S.-B.; Liu, Z.-X. Treatment of coking wastewater by A2 O/high pressure pulsed electroflocculation/O3—BAC/membrane method. China Water Wastewater 2020, 36, 60–64. [Google Scholar]
  6. Sritakaew, P.; Silapunt, R. Pulse electric field by half bridge modular multilevel inverter for liquid food sterilization. In Proceedings of the 2019 10th International Conference on Power Electronics and ECCE Asia (ICPE 2019-ECCE Asia), Busan, Republic of Korea, 27–31 May 2019; IEEE: Piscataway, NJ, USA, 2019; pp. 2122–2125. [Google Scholar] [CrossRef]
  7. Li, X.; Farid, M. A review on recent development in non-conventional food sterilization technologies. J. Food Eng. 2016, 182, 33–45. [Google Scholar] [CrossRef]
  8. Wang, M.S.; Wang, L.H.; Bekhit, A.E.D.A.; Yang, J.; Hou, Z.P.; Wang, Y.Z.; Dai, Q.Z.; Zeng, X.A. A review of sublethal effects of pulsed electric field on cells in food processing. J. Food Eng. 2018, 223, 32–41. [Google Scholar] [CrossRef]
  9. Liu, K. Research progress in solid-state Marx generators. High Volt. Eng. 2015, 41, 1781–1787. [Google Scholar]
  10. Yao, C.; Zhang, X.; Li, C.; Mi, Y.; Guo, F.; Sun, C. All solid-state high-voltage nanosecond pulse generator based on FPGA. High Volt. Eng. 2012, 38, 929–934. [Google Scholar]
  11. Rao, J.F.; Li, Z.; Xia, K.; Xin, S. An all solid-state repetitive high-voltage rectangular pulse generator based on magnetic switch. IEEE Trans. Dielectr. Electr. Insul. 2015, 22, 1976–1982. [Google Scholar] [CrossRef]
  12. Taherian, M.; Allahbakhshi, M.; Farjah, E.; Givi, H. A modular topology of Marx generator using buck-boost converter. IEEE Trans. Plasma Sci. 2019, 47, 549–558. [Google Scholar] [CrossRef]
  13. Yan, M.; Jiacheng, C.; Ning, X. High frequency nanosecond pulse generator based on modular multilevel converter structure with auxiliary charging branch. Trans. China Electrotech. Soc. 2021, 36, 435–444. [Google Scholar]
  14. Wang, Y.G.; Tong, L.Q.; Liu, K.F.; Huang, Y. Repetitive high-voltage pulse modulator using bipolar Marx generator combined with pulse transformer. IEEE Trans. Plasma Sci. 2018, 46, 3340–3347. [Google Scholar] [CrossRef]
  15. Tang, T.; Wang, F.; Kuthi, A.; Gundersen, M.A. Diode opening switch based nanosecond high voltage pulse generators for biological and medical applications. IEEE Trans. Dielectr. Electr. Insul. 2007, 14, 878–883. [Google Scholar] [CrossRef]
  16. Chaoqun, Y.; Baojian, J.; Ke, S. Design of high voltage pulsed power generator based on technology of phase-shifted control. Adv. Technol. Electr. Eng. Energy 2016, 35, 55–59. [Google Scholar]
  17. Baojian, J.; Ruobing, W.; Feng, H. Design of nanosecond high-voltage pulsed power source based on Marx generator. High Volt. Eng. 2016, 42, 3758–3762. [Google Scholar]
  18. Qin, Y.; Zhang, N.; Gao, P. Development and application of new high-voltage electric pulse crushing equipment based on Marx generator. Met. Min. 2020, 7, 170–177. [Google Scholar]
  19. Zhang, M.; Zhang, B. Optimal design of IR2110 driver circuit. Electron. Des. Eng. 2009, 12, 66–67. [Google Scholar]
  20. Junfeng, R.; Ziming, S.; Yonggang, W.; Song, J.; Zi, L. Sub-microsecond high voltage pulse power supply based on magnetic isolated driving. High Power Laser Part. Beams 2021, 33, 115002. [Google Scholar] [CrossRef]
  21. Dong, S.; Chen, H.; Xu, J.; Lu, W.; Wang, Z. Design of MOS tube driving circuit for starboard DC-DC power supply. Commun. Power Technol. 2015, 32, 12–19. [Google Scholar]
  22. Zeng, D.; Guo, Z.; Ping, J. Study of inductively isolated Marx generators. Nucl. Sci. Eng. 1983, 3, 276–280. [Google Scholar]
  23. Chaugule, R.V.; Ruchiharchandani; Bindu, S. Design and hardware implementation of two stage solid state bipolar Marx generator. In Proceedings of the 2016 IEEE International Conference on Recent Trends in Electronics, Information & Communication Technology (RTEICT), Bangalore, India, 20–21 May 2016; IEEE: Piscataway, NJ, USA, 2016; pp. 683–687. [Google Scholar] [CrossRef]
  24. Dwarakanath, S.; Raj, P.; Praveen, K.; Saurabh, S. Generation of HVDC from voltage multiplier using Marx generator. Int. J. Adv. Res. Electr. Electron. Instrum. Eng. 2016, 5, 4329–4330. [Google Scholar]
  25. Saraf, G.; Bansode, A.; Khule, A.; Rangari, S.; Shinde, S. High voltage Dc generation using Marx generator. IJARCEE 2017, 6, 611–645. [Google Scholar] [CrossRef]
  26. Cheng, X.; Zhuo, Y.; Lu, Y. All-solid-state Marx generator using hybrid isolation mode. High Volt. Technol. 2022, 48, 1582–1589. [Google Scholar]
  27. Ganesan, S.; Ghosh, D.; Taneja, A.; Saluja, N.; Rani, S.; Singh, A.; Elkamchouchi, D.H.; Noya, I.D. A modified Marx generator circuit with enhanced tradeoff between voltage and pulse width for electroporation applications. Electronics 2022, 11, 2013. [Google Scholar] [CrossRef]
  28. Xiqin, L.; Hongguang, W.; Chongbiao, L.; Jinshui, X.; Min, X.; Hongtao, L.; Chenggang, M. Design of nanosecond all-solid-state pulse source based on MOSFET. Intense Laser Part. Beam 2017, 29, 86–90. [Google Scholar] [CrossRef]
  29. Rao, J.F.; Li, C.J.; Li, Z. All-solid-state high-heavy-frequency high-voltage pulsed power supply. Intense Laser Part. Beam 2019, 31, 40–44. [Google Scholar]
  30. Zhu, B.; Fang, Z.; Wu, G. Development of a new high-voltage pulsed electric field sterilization power supply. J. Electr. Mach. Control 2022, 26, 69–76. [Google Scholar]
  31. Rao, J.F.; Hong, L.F.; Guo, L.Y. Research on multiple Marx parallel high-voltage pulsed power supply. Intense Laser Part. Beam 2020, 32, 96–101. [Google Scholar]
  32. Davies, I.; Merla, C.; Casciati, A.; Tanori, M.; Zambotti, A.; Mancuso, M.; Bishop, J.; White, M.; Palego, C.; Hancock, C. Push–pull configuration of high-power MOSFETs for generation of nanosecond pulses for electropermeabilization of cells. Int. J. Microw. Wirel. Technol. 2019, 11, 645–657. [Google Scholar] [CrossRef]
  33. Wu, Q.; Wang, H.; Zhang, L. Plasma reactive species diffusion and the inactivation of bacteria. High Volt. Eng. 2021, 47, 826–831. [Google Scholar]
  34. Yin, S.; Chen, X.; Hu, C.; Zhang, X.; Hu, Z.; Yu, J.; Feng, X.; Jiang, K.; Ye, S.; Shen, K.; et al. Nanosecond pulsed electric field (nsPEF) treatment for hepatocellular carcinoma: A novel locoregional ablation decreasing lung metastasis. Cancer Lett. 2014, 346, 285–291. [Google Scholar] [CrossRef] [PubMed]
  35. Zhou, C.; Yan, Z.; Liu, K. Pulsed electrical field-assisted extraction of tanshinones from salvia miltiorrhiza. Trans. China Electrotech. Soc. 2022, 37, 1041–1050. [Google Scholar]
Figure 1. Pulse-forming circuit topology. Source: elaborated by the authors.
Figure 1. Pulse-forming circuit topology. Source: elaborated by the authors.
Electronics 12 03864 g001
Figure 2. Primary charging power circuit topology. Source: elaborated by the authors.
Figure 2. Primary charging power circuit topology. Source: elaborated by the authors.
Electronics 12 03864 g002
Figure 3. MOSFET isolated driver schematic. Source: elaborated by the authors.
Figure 3. MOSFET isolated driver schematic. Source: elaborated by the authors.
Electronics 12 03864 g003
Figure 4. Charging power output waveform. Source: elaborated by the authors.
Figure 4. Charging power output waveform. Source: elaborated by the authors.
Electronics 12 03864 g004
Figure 5. Driver circuit input–output relationship. Source: elaborated by the authors.
Figure 5. Driver circuit input–output relationship. Source: elaborated by the authors.
Electronics 12 03864 g005
Figure 6. Voltage output results. Source: elaborated by the authors.
Figure 6. Voltage output results. Source: elaborated by the authors.
Electronics 12 03864 g006
Figure 7. Output voltage waveform. Source: elaborated by the authors.
Figure 7. Output voltage waveform. Source: elaborated by the authors.
Electronics 12 03864 g007
Figure 8. Positive pulse waveform. Source: elaborated by the authors.
Figure 8. Positive pulse waveform. Source: elaborated by the authors.
Electronics 12 03864 g008
Figure 9. Negative pulse waveform. Source: elaborated by the authors.
Figure 9. Negative pulse waveform. Source: elaborated by the authors.
Electronics 12 03864 g009
Figure 10. Driver circuit test waveform. Source: elaborated by the authors.
Figure 10. Driver circuit test waveform. Source: elaborated by the authors.
Electronics 12 03864 g010
Figure 11. Pulse waveform. Source: elaborated by the authors.
Figure 11. Pulse waveform. Source: elaborated by the authors.
Electronics 12 03864 g011
Figure 12. Experimental test rigs. Source: elaborated by the authors.
Figure 12. Experimental test rigs. Source: elaborated by the authors.
Electronics 12 03864 g012
Table 1. Simulation parameters.
Table 1. Simulation parameters.
No.ParameterValue
1DC input voltage/V0~550 (−550~0)
2Marx series (math.)5
3Capacitor/nF130
4Inductor/mH1.2
5Load/kΩ1
Source: elaborated by the authors.
Table 2. Experimental parameters.
Table 2. Experimental parameters.
No.ParameterValue
1DC input voltage/V0~550 (−550~0)
2Marx series (math.)10
3Capacitor/nF130
4Inductor/mH1.2
5Load/kΩ1
Source: elaborated by the authors.
Table 3. Different input voltages and output results.
Table 3. Different input voltages and output results.
No.Input Voltage/VOutput Voltage Amplitude/kV
11002.03
22003.95
33005.77
44007.50
55009.20
654510.00
Source: elaborated by the authors.
Table 4. Comparison of results of different studies.
Table 4. Comparison of results of different studies.
Ref. No.Number of StagesInput Voltage/VOutput Voltage Amplitude /VOutput/InputPulse Width
[23]250921.84300 μs
[24]412302.5\
[25]41241.23.4\
[26]5 (9 capacitors in series)1008008300 ns~1 μs
[27]512494.08\
Proposed10 (dual-Marx structure)100 (−100)203020.31 μs
Source: elaborated by the authors.
Disclaimer/Publisher’s Note: The statements, opinions and data contained in all publications are solely those of the individual author(s) and contributor(s) and not of MDPI and/or the editor(s). MDPI and/or the editor(s) disclaim responsibility for any injury to people or property resulting from any ideas, methods, instructions or products referred to in the content.

Share and Cite

MDPI and ACS Style

Li, H.; Zhang, B.; Sosnovskiy, S.; Che, L.; Zhang, G.; Liu, S.; Jin, Z. Study of Bipolar Inductively Isolated High-Voltage Pulse Source. Electronics 2023, 12, 3864. https://doi.org/10.3390/electronics12183864

AMA Style

Li H, Zhang B, Sosnovskiy S, Che L, Zhang G, Liu S, Jin Z. Study of Bipolar Inductively Isolated High-Voltage Pulse Source. Electronics. 2023; 12(18):3864. https://doi.org/10.3390/electronics12183864

Chicago/Turabian Style

Li, Hongda, Bo Zhang, Sergey Sosnovskiy, Long Che, Guimao Zhang, Shuaishuai Liu, and Zhao Jin. 2023. "Study of Bipolar Inductively Isolated High-Voltage Pulse Source" Electronics 12, no. 18: 3864. https://doi.org/10.3390/electronics12183864

APA Style

Li, H., Zhang, B., Sosnovskiy, S., Che, L., Zhang, G., Liu, S., & Jin, Z. (2023). Study of Bipolar Inductively Isolated High-Voltage Pulse Source. Electronics, 12(18), 3864. https://doi.org/10.3390/electronics12183864

Note that from the first issue of 2016, this journal uses article numbers instead of page numbers. See further details here.

Article Metrics

Back to TopTop