Low-Cost Real-Time Control Platform with Embedded Isolated Electrical Sensors for Power Electronics
Abstract
1. Introduction
2. Low-Cost Real-Time Control Platform
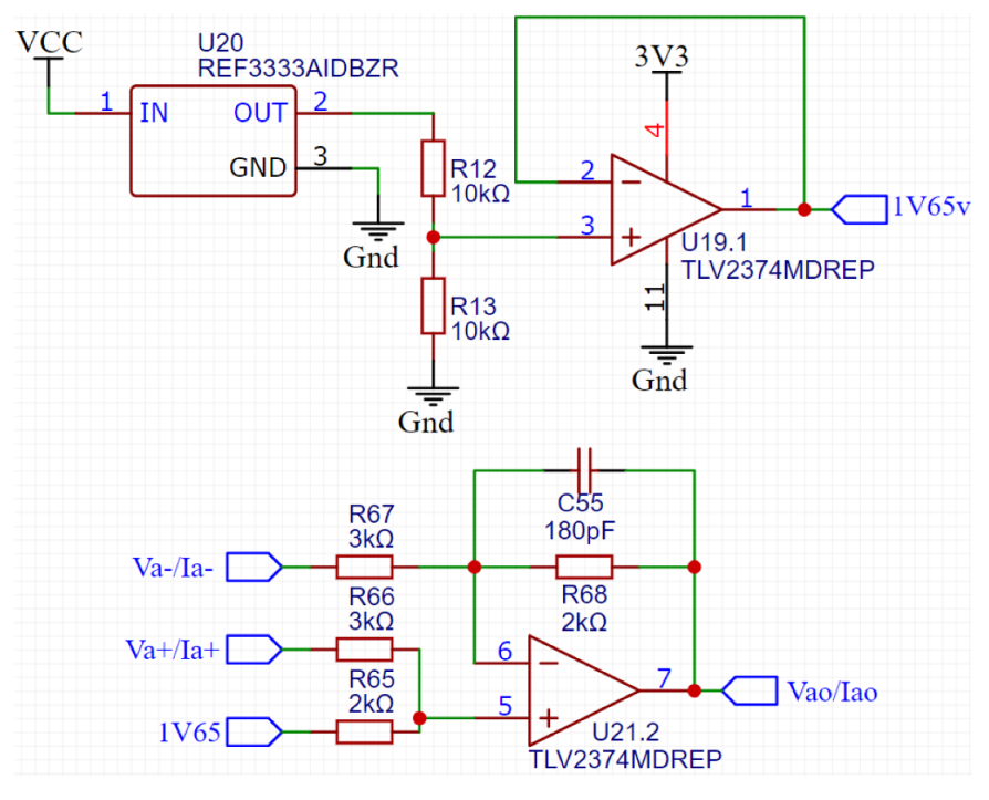
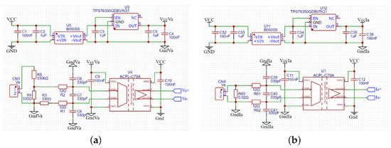
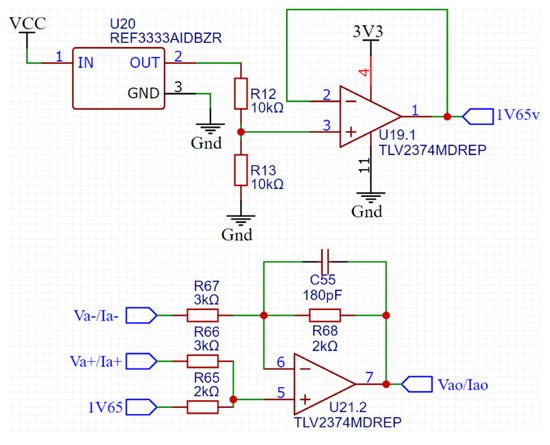
2.1. Isolated Sensor
2.2. Isolated Digital Output
2.3. Microcontroller Unit
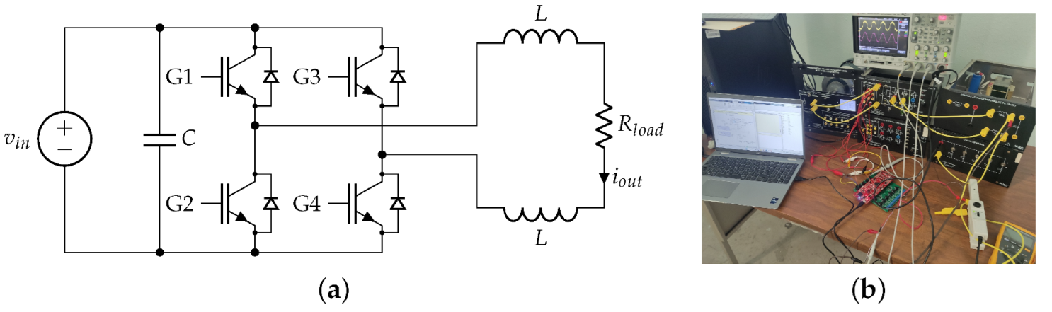
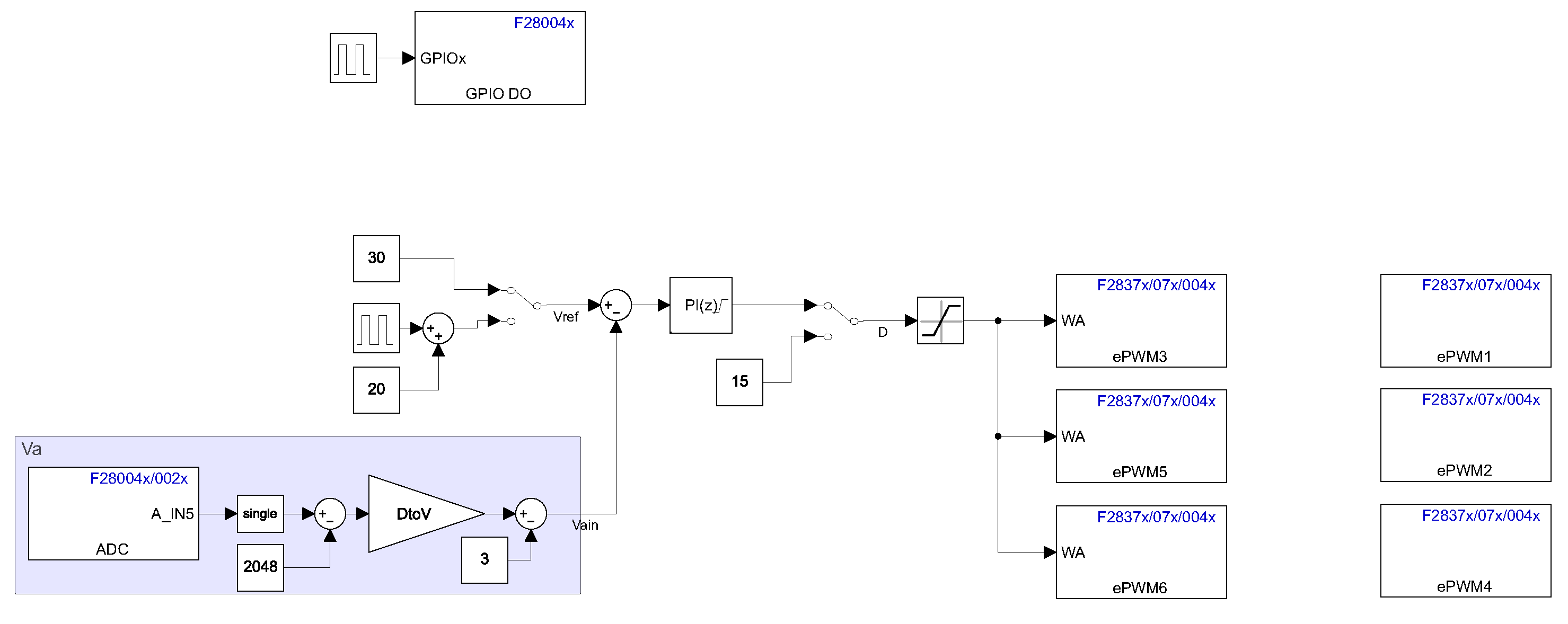
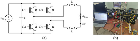
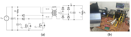
3. Real-Time Control Platform Prototype
4. Results
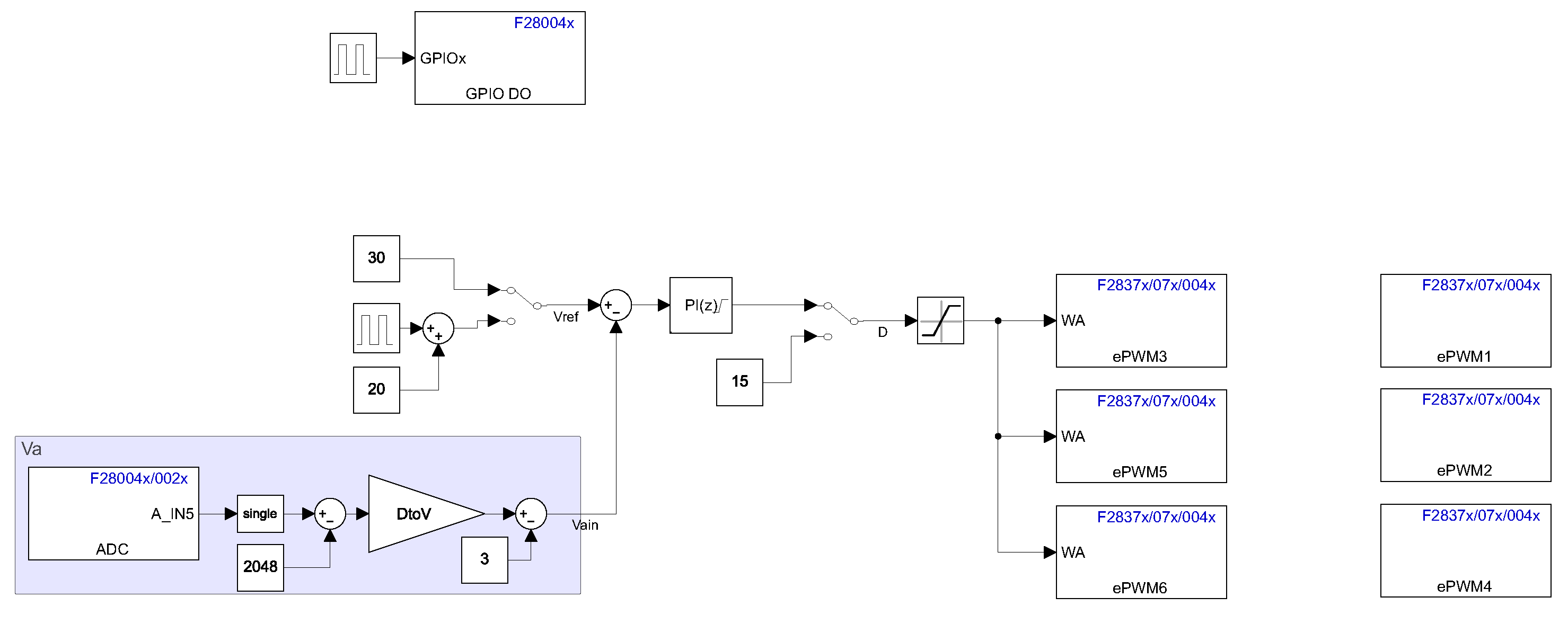
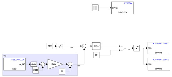
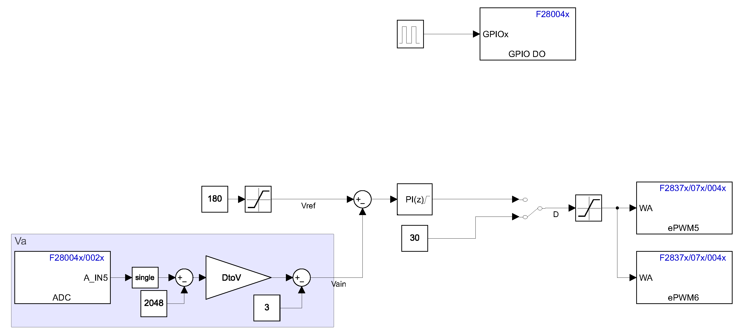
4.1. Test 1
4.2. Test 2
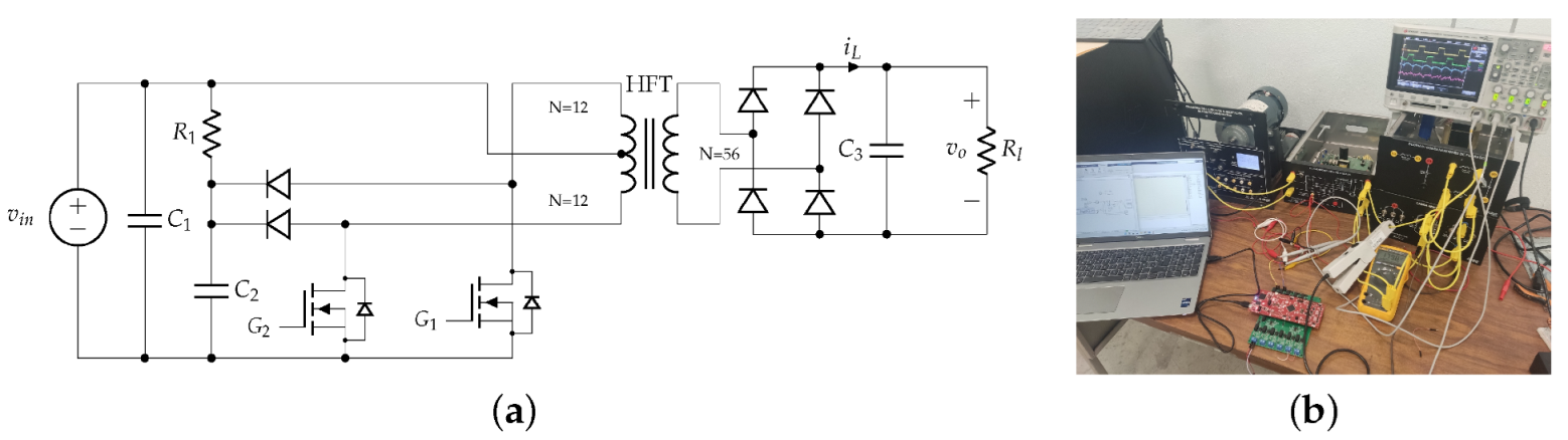
4.3. Test 3
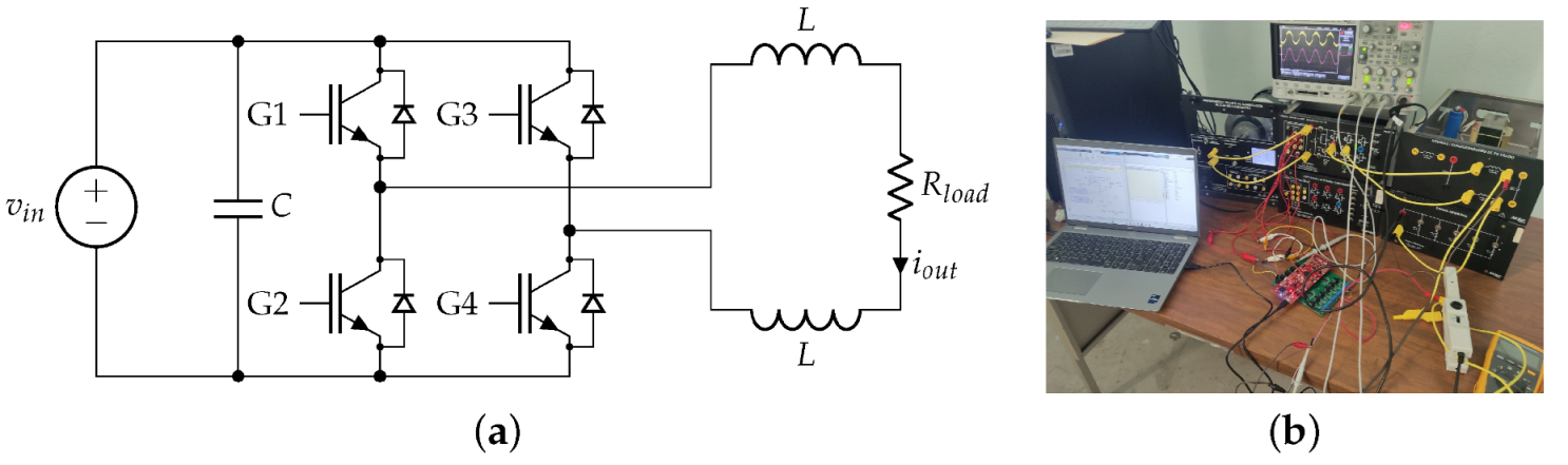
4.4. Test 4
5. Discussion
6. Conclusions
Author Contributions
Funding
Institutional Review Board Statement
Data Availability Statement
Acknowledgments
Conflicts of Interest
References
- MathWorks—Makers of MATLAB and Simulink—MATLAB & Simulink. Available online: https://www.mathworks.com/ (accessed on 4 July 2023).
- Dassault Systèmes. Scilab | ESI Group. 2023. Available online: https://www.scilab.org/ (accessed on 4 July 2023).
- GNU Octave. GNU Octave. 2023. Available online: https://www.gnu.org/software/octave/ (accessed on 4 July 2023).
- Kamis, Z.; Topcu, E.E.; Yuksel, I. Computer-aided automatic control education with a real-time development system. Comput. Appl. Eng. Educ. 2005, 13, 181–191. [Google Scholar] [CrossRef]
- dSPACE. Home-dSPACE. 2023. Available online: https://www.dspace.com/en/pub/home.cfm (accessed on 4 July 2023).
- Typhoon HIL Inc. Typhoon HIL—The Perfect Balance of Speed, Power and Flexibility. 2023. Available online: https://www.typhoon-hil.com/ (accessed on 4 July 2023).
- PLEXIM. RT Box | Plexim. 2023. Available online: https://www.plexim.com/products/rt_box (accessed on 4 July 2023).
- Imperix. Power Electronic Controllers—Programmable Digital Controllers—IMPERIX. 2023. Available online: https://imperix.com/products/power-electronic-controllers/ (accessed on 4 July 2023).
- Husain, A.R.; Hadad, Y.; Zainal Alam, M.N.H. Development of Low-Cost Microcontroller-Based Interface for Data Acquisition and Control of Microbioreactor Operation. J. Lab. Autom. 2016, 21, 660–670. [Google Scholar] [CrossRef] [PubMed]
- Adam, G.K.; Petrellis, N.; Kontaxis, P.A.; Stylianos, T. COTS-based real-time system development: An effective application in pump motor control. Computers 2020, 9, 97. [Google Scholar] [CrossRef]
- Krauss, R.W. Evaluation of a low-cost microcontroller for real-time control education and prototyping. In Proceedings of the ASME 2014 Dynamic Systems and Control Conference, DSCC 2014, San Antonio, TX, USA, 22–24 October 2014; Volume 1, pp. 1–10. [Google Scholar] [CrossRef]
- Zhong, Q.C.; Matthews, C.; Nguyen, P.L.; Clarke, S. Low-cost rapid control prototyping paradigm. IET Semin. Dig. 2010, 2010, 1269–1273. [Google Scholar] [CrossRef]
- Vargas-Salgado, C.; Aguila-Leon, J.; Chiñas-Palacios, C.; Hurtado-Perez, E. Low-cost web-based Supervisory Control and Data Acquisition system for a microgrid testbed: A case study in design and implementation for academic and research applications. Heliyon 2019, 5, e0247. [Google Scholar] [CrossRef] [PubMed]
- Chon, S. What It Takes to Do Efficient and Cost-Effective Real-Time Control with a Single Microcontroller: The C2000™ Advantage. Texas Instrument 2011, pp. 1–12. Available online: https://www.electronicproducts.com/what-it-takes-to-do-efficient-and-cost-effective-real-time-control-with-a-single-microcontroller-the-c2000-advantage/ (accessed on 4 July 2023).
- Texas Instruments. Code Composer Studio™ Integrated Development Environment (IDE). 2023. Available online: https://www.ti.com/tool/CCSTUDIO (accessed on 4 July 2023).
- Texas Instruments. Embedded Coder Support Package for TI C2000—Hardware Support—MATLAB & Simulink. Available online: https://www.mathworks.com/hardware-support/ti-c2000-embedded-coder.html (accessed on 4 July 2023).
- Chen, X.M.; Gong, X.L.; Zhou, H.X.; Xu, Z.B.; Xu, Y.G.; Kang, C.J. An economical rapid control prototyping system design with MATLAB/Simulink and TMS320F2812 DSP. In Proceedings of the International MultiConference of Engineers and Computer Scientists 2010, IMECS 2010, Hong Kong, China, 17–19 March 2010; Volume II, pp. 951–956. [Google Scholar]
- Quintero-Manriquez, E.; Sanchez, E.N.; Harley, R.G.; Li, S.; Felix, R.A. Neural Inverse Optimal Control Implementation for Induction Motors via Rapid Control Prototyping. IEEE Trans. Power Electron. 2019, 34, 5981–5992. [Google Scholar] [CrossRef]
- Prasannakumar, N.; Nagamani, C. C2000 LaunchPad Based Generic Motor Control System. In Proceedings of the 2014 Texas Instruments India Educators’ Conference (TIIEC), Bangalore, India, 4–5 April 2014; pp. 165–168. [Google Scholar] [CrossRef]
- Aravena, J.; Carrasco, D.; Diaz, M.; Uriarte, M.; Rojas, F.; Cardenas, R.; Travieso, J.C. Design and implementation of a low-cost real-time control platform for power electronics applications. Energies 2020, 13, 1527. [Google Scholar] [CrossRef]
- Pate, M. The Essential Guide for Developing with C2000™Real-Time Microcontrollers. 2023. Available online: https://www.ti.com/lit/an/spracn0f/spracn0f.pdf?ts=1690396194748&ref_url=https%253A%252F%252Fwww.ti.com%252Fes-mx%252Fmicrocontrollers-mcusprocessors%252Fc2000-real-time-control-mcus%252Foverview.html (accessed on 4 July 2023).
- Athalye, A. Real-Time Benchmarks Showcasing C2000™ Control MCU’s Optimized Signal Chain. 2021. Available online: https://www.ti.com/lit/an/spracw5a/spracw5a.pdf?ts=1690368602388 (accessed on 4 July 2023).
- Texas Instruments. C2000 Real-Time Control Peripherals Reference Guide. 2018. Available online: https://www.ti.com/lit/ug/spru566q/spru566q.pdf?ts=1688466585196 (accessed on 4 July 2023).
- Rossi, M.; Toscani, N.; Mauri, M.; Dezza, F.C. Introduction to Microcontroller Programming for Power Electronics Control Applications; CRC Press: Boca Raton, FL, USA, 2021. [Google Scholar] [CrossRef]
- Xie, M.; Wen, H.; Zhu, C.; Yang, Y. DC Offset Rejection Improvement in Single-Phase SOGI-PLL Algorithms: Methods Review and Experimental Evaluation. IEEE Access 2017, 5, 12810–12819. [Google Scholar] [CrossRef]




























Disclaimer/Publisher’s Note: The statements, opinions and data contained in all publications are solely those of the individual author(s) and contributor(s) and not of MDPI and/or the editor(s). MDPI and/or the editor(s) disclaim responsibility for any injury to people or property resulting from any ideas, methods, instructions or products referred to in the content. |
© 2023 by the authors. Licensee MDPI, Basel, Switzerland. This article is an open access article distributed under the terms and conditions of the Creative Commons Attribution (CC BY) license (https://creativecommons.org/licenses/by/4.0/).
Share and Cite
Merchan-Villalba, L.R.; Lozano-Garcia, J.M.; Gonzalez-Longatt, F.; Ramirez-Arredondo, J.M.; Pizano-Martinez, A.; Avina-Cervantes, J.G. Low-Cost Real-Time Control Platform with Embedded Isolated Electrical Sensors for Power Electronics. Electronics 2023, 12, 3320. https://doi.org/10.3390/electronics12153320
Merchan-Villalba LR, Lozano-Garcia JM, Gonzalez-Longatt F, Ramirez-Arredondo JM, Pizano-Martinez A, Avina-Cervantes JG. Low-Cost Real-Time Control Platform with Embedded Isolated Electrical Sensors for Power Electronics. Electronics. 2023; 12(15):3320. https://doi.org/10.3390/electronics12153320
Chicago/Turabian StyleMerchan-Villalba, Luis Ramon, Jose Merced Lozano-Garcia, Francisco Gonzalez-Longatt, Juan Manuel Ramirez-Arredondo, Alejandro Pizano-Martinez, and Juan Gabriel Avina-Cervantes. 2023. "Low-Cost Real-Time Control Platform with Embedded Isolated Electrical Sensors for Power Electronics" Electronics 12, no. 15: 3320. https://doi.org/10.3390/electronics12153320
APA StyleMerchan-Villalba, L. R., Lozano-Garcia, J. M., Gonzalez-Longatt, F., Ramirez-Arredondo, J. M., Pizano-Martinez, A., & Avina-Cervantes, J. G. (2023). Low-Cost Real-Time Control Platform with Embedded Isolated Electrical Sensors for Power Electronics. Electronics, 12(15), 3320. https://doi.org/10.3390/electronics12153320

