Auxiliary Power Supply System with Parallel-Connected DC–AC Inverters for Low-Floor Light Rail Vehicle
Abstract
1. Introduction
2. Low-Floor Light Rail Vehicle
2.1. Design of Low-Floor Light Rail Vehicle
2.2. Overhead Contact System of Low-Floor Light Rail Vehicle
2.3. Connecting Diagram of Roof-Mounted Auxiliary Power Supply System
2.4. Power Consumption of Auxiliary Power Supply System in Light Rail Vehicle
2.5. Efficiency of Auxiliary Power Supply System in Light Rail Vehicle
2.6. Passenger Room Temperature Control in Light Rail Vehicle
2.7. Air Pressure Control in the Air Supply System of Light Rail Vehicle
2.8. Variable Voltage and Variable Frequency Control Method
3. Development of Auxiliary Power Supply System for Low-Floor Light Rail Vehicle
3.1. Topology of Three-Phase DC–AC Inverter
3.2. Development of Three-Phase DC–AC Inverter Modules
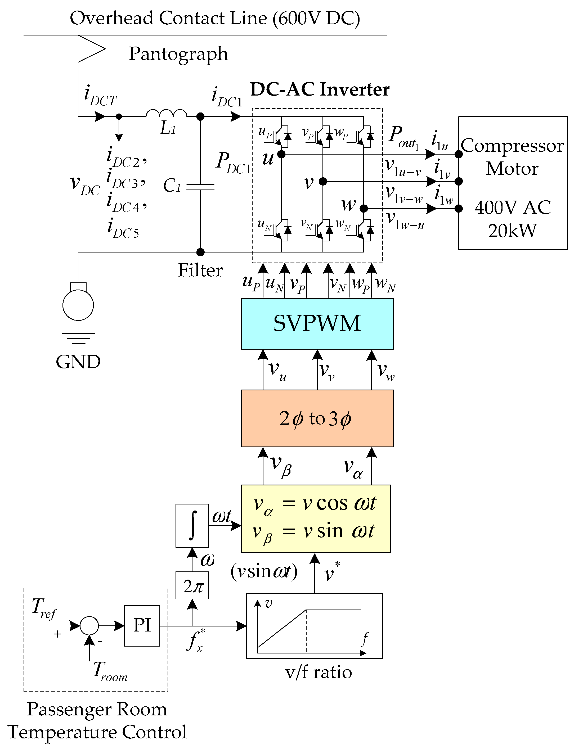
3.2.1. Three-Phase dc–ac Inverters for the Compressor Motors (Inverter Modules 1 and 2)
3.2.2. Three-Phase dc–ac Inverters for the Air Pump Motors (Inverter Modules 3 and 4)
3.3. Development of Single-Phase DC–AC Inverter Module
- The input command voltage () is 220 VAC;
- The input command voltage () is compared against the amplitude of the measured output voltage (), and the difference between voltages and () is controlled by the proportional-integral (PI) controller. The feedforward voltage () is the summation of and and is expressed as
- The command frequency () is 50 Hz, and through the integrator, the angular speed () and time () are obtained;
- The overhead contact line voltage () is converted to single-phase 220 VAC (i.e., the output voltage of the dc–ac inverter) by SVPWM with , , and as the inputs;
- The output voltage of the dc–ac inverter is converted into sinusoidal waveform by using the LC low-pass filter;
- The switching frequency () of the single-phase dc–ac inverter is 10 kHz.
4. Experimental Results of Auxiliary Power Supply System
4.1. Manufacturing of the APS System
4.2. Experiment of the Proposed APS System Using Simulated Loads
4.3. Simulation and Experimental Results
4.3.1. Three-Phase dc–ac Inverters for the Compressor Motors (Inverter Modules 1 and 2)
4.3.2. Three-Phase dc–ac Inverters for the Air Pump Motors (Inverter Modules 3 and 4)
4.3.3. The dc–ac Inverter for 220 VAC Single-Phase Power Supply (Inverter Module 5)
4.3.4. Maximum Input Power Consumption of the Auxiliary Power Supply System
4.4. Efficiency of the Proposed APS System
4.5. Application of the Proposed APS System in Low-Floor Light Rail Vehicle
5. Conclusions and Future Research
Author Contributions
Funding
Data Availability Statement
Conflicts of Interest
References
- Fang, Y.; Jiang, Y.; Fei, W. Disruption Recovery for Urban Public Tram System: An Analysis of Replacement Service Selection. IEEE Access 2020, 8, 31633–31646. [Google Scholar] [CrossRef]
- Guerrieri, M. Tramways in Urban Areas: An Overview on Safety at Road Intersections. Urban Rail Transit 2018, 4, 223–233. [Google Scholar] [CrossRef]
- Swanson, J.D.; Thornes, C. Light-Rail Transit Systems. IEEE Veh. Technol. Mag. 2010, 5, 22–27. [Google Scholar] [CrossRef]
- Glickenstein, H. Extension of the hudson bergen light rail. IEEE Veh. Technol. Mag. 2006, 1, 40–43. [Google Scholar] [CrossRef]
- Chan, H.Y.; Chen, A.; Li, G.; Xu, X.; Lam, W. Evaluating the value of new metro lines using route diversity measures: The case of Hong Kong’s Mass Transit Railway system. J. Transp. Geogr. 2020, 91, 102945. [Google Scholar] [CrossRef]
- Gunduz, M.; Ugur, L.O.; Ozturk, E. Parametric cost estimation system for light rail transit and metro trackworks. Expert Syst. Appl. 2011, 38, 2873–2877. [Google Scholar] [CrossRef]
- Song, H.; Schnieder, E. Development and Validation of a Distance Measurement System in Metro Lines. IEEE Trans. Intell. Transp. Syst. 2018, 20, 441–456. [Google Scholar] [CrossRef]
- Yang, X.; Ning, B.; Li, X.; Tang, T. A two-objective timetable optimization model in subway systems. IEEE Trans. Intell. Transp. Syst. 2014, 15, 1913–1921. [Google Scholar] [CrossRef]
- Dolgushin, A.S.; Ganshin, A.A.; Meleshin, V.I.; Zhiklenkov, D.V. Auxiliary Large Power Converter Supplying with 2.1... 4.7 kV DC Contact Line for Russian Railways. In Proceedings of the 2018 20th European Conference on Power Electronics and Applications (EPE’18 ECCE Europe), Riga, Latvia, 17–21 September 2018. [Google Scholar]
- Rufer, A.; Schibli, N.; Chabert, C.; Zimmermann, C. Configurable front-end converters for multicurrent locomotives operated on 16 2/3 Hz AC and 3 kV DC systems. IEEE Trans. Power Electron. 2003, 18, 1186–1193. [Google Scholar] [CrossRef]
- Vinnikov, D.; Laugis, J.; Jalakas, T. Development of auxiliary power supplies for the 3.0 kV DC rolling stock. In Proceedings of the 2007 IEEE International Symposium on Industrial Electronics, Vigo, Spain, 4–7 June 2007. [Google Scholar] [CrossRef]
- Deblecker, O.; Moretti, A.; Vallee, F. Comparative study of soft-switched isolated dc-dc converters for auxiliary railway supply. IEEE Trans. Power Electron. 2008, 23, 2218–2229. [Google Scholar] [CrossRef]
- Vinnikov, D.; Laugis, J. High voltage auxiliary power supply with the simplified power circuit topology for the DC trains. In Proceedings of the 2007 9th International Conference on Electrical Power Quality and Utilisation, Barcelona, Spain, 9–11 October 2007. [Google Scholar] [CrossRef]
- Vos, P.G.E. The Auxiliary Power Supply System for Double Deck Trains. In Proceedings of the IEEE Colloquium on Auxiliary Power Supplied for Rolling Stock, London, UK, 24 February 1992. [Google Scholar]
- Baars, N.H.; Everts, J.; Huisman, H.; Duarte, J.L.; Lomonova, E.A. A 80-kW Isolated DC-DC Converter for Railway Applications. IEEE Trans. Power Electron. 2015, 30, 6639–6647. [Google Scholar] [CrossRef]
- Mishima, T.; Koji, Y. Zero voltage soft-switching phase-shift PWM controlled three-level DC-DC converter for railway auxiliary electric power unit. In Proceedings of the 2019 IEEE Applied Power Electronics Conference and Exposition (APEC), Anaheim, CA, USA, 17–21 March 2019. [Google Scholar] [CrossRef]
- Ocklenburg, M.A.; Dohmen, M.; Wu, X.Q.; Helsper, M. Next generation DC-DC converters for Auxiliary Power Supplies with SiC MOSFETs. In Proceedings of the 2018 IEEE International Conference on Electrical Systems for Aircraft, Railway, Ship Propulsion and Road Vehicles & International Transportation Electrification Conference (ESARS-ITEC), Nottingham, UK, 7–9 November 2018. [Google Scholar] [CrossRef]
- Helsper, M.; Ocklenburg, M.A. SiC MOSFET based auxiliary power supply for rail vehicles. In Proceedings of the 2018 20th European Conference on Power Electronics and Applications (EPE’18 ECCE Europe), Riga, Latvia, 17–21 September 2018. [Google Scholar]
- Ocklenburg, M.A.; Helsper, M.; Siemer, H.; Gusek, A. Potentials and requirements of silicon carbide hybrid power modules for railway onboard auxiliary power supplies. In Proceedings of the International Exhibition and Conference for Power Electronics, Intelligent Motion, Renewable Energy and Energy Management (PCIM Europe 2014), Nuremberg, Germany, 20–22 May 2014. [Google Scholar]
- März, A.; Bakran, M.M. Designing a low weight low loss auxiliary converter for railway application. In Proceedings of the International Exhibition and Conference for Power Electronics, Intelligent Motion, Renewable Energy and Energy Management (PCIM Europe 2014), Nuremberg, Germany, 20–22 May 2014. [Google Scholar]
- Cobanov, N.; Tezak, N. Soft-switching converter for tram auxiliary power supply. In Proceedings of the 2014 16th International Power Electronics and Motion Control Conference and Exposition, Antalya, Turkey, 21–24 September 2014. [Google Scholar] [CrossRef]
- Martinez, C.; Vazquez, R.; Quesada, I.; Lucena, C.; Lazaro, A.; Barrado, A. PWM-VSI overmodulation technique with carrier harmonics reduction for auxiliary railway power supply. In Proceedings of the 2011 7th International Conference-Workshop Compatibility and Power Electronics (CPE), Tallinn, Estonia, 1–3 June 2011. [Google Scholar] [CrossRef]
- Nguyen, P.; Gerth, A. Softswitching with SiC-devices for compact onboard railway power supplies. In Proceedings of the 2012 15th International Power Electronics and Motion Control Conference (EPE/PEMC), Novi Sad, Serbia, 4–6 September 2012. [Google Scholar] [CrossRef]
- Zhu, W.; Luo, D.; Shu, Z. Bidirectional Dual-active DC-DC Converter Based on Traction Auxiliary Power Supply System. In Proceedings of the 2019 IEEE 4th International Future Energy Electronics Conference (IFEEC), Singapore, 25–28 November 2019. [Google Scholar] [CrossRef]
- Pons, E.; Tommasini, R.; Colella, P. Fault current detection and dangerous voltages in DC urban rail traction systems. IEEE Trans. Ind. Appl. 2017, 53, 4109–4115. [Google Scholar] [CrossRef]
- Polater, N.; Tricoli, P. Technical Review of Traction Drive Systems for Light Railways. Energies 2022, 15, 3187. [Google Scholar] [CrossRef]
- Yıldırım, D.; Akşit, M.H.; Çadırcı, I.; Ermiş, M. All-SiC Traction Converter for Light Rail Transportation Systems: Design Methodology and Development of 165 kVA Prototype. Electronics 2022, 11, 1438. [Google Scholar] [CrossRef]
- Calleja, C.; Lopez-De-Heredia, A.; Gaztanaga, H.; Aldasoro, L.; Nieva, T. Validation of a Modified Direct-Self-Control Strategy for PMSM in Railway-Traction Applications. IEEE Trans. Ind. Electron. 2016, 63, 5143–5155. [Google Scholar] [CrossRef]
- Youssef, M.Z.; Woronowicz, K.; Aditya, K.; Azeez, N.A.; Williamson, S.S. Design and development of an efficient multilevel DC/AC traction inverter for railway transportation electrification. IEEE Trans. Power Electron. 2016, 31, 3036–3042. [Google Scholar] [CrossRef]
- Zhang, B.; Yang, P.; Ge, Q.; Wang, X.; Li, Y. A New High Output Frequency Multilevel Inverter Topology of Traction Converter for Superspeed Maglev Train. In Proceedings of the 2021 13th International Symposium on Linear Drives for Industry Applicaitions (LDIA), Wuhan, China, 1–3 July 2021. [Google Scholar] [CrossRef]
- Li, K.; Cheng, S.; Yu, T.; Wu, X.; Xiang, C.; Bilal, A. An On-Line Multiple Open-Circuit Fault Diagnostic Technique for Railway Vehicle Air-Conditioning Inverters. IEEE Trans. Veh. Technol. 2020, 69, 7026–7039. [Google Scholar] [CrossRef]
- Poorfakhraei, A.; Narimani, M.; Emadi, A. A review of multilevel inverter topologies in electric vehicles: Current status and future trends. IEEE Open J. Power Electron. 2021, 2, 155–170. [Google Scholar] [CrossRef]
- Pangestu, R.; Harini, B.W.; Yusivar, I.F. Temperature Control of Air Conditioning Compressor System on Electric Vehicles. In Proceedings of the 2019 IEEE Conference on Energy Conversion (CENCON), Yogyakarta, Indonesia, 16–17 October 2019. [Google Scholar] [CrossRef]
- Tehrani, K.; Weber, M.; Rasoanarivo, I. Hybrid Power System Optimization for Microgrids. In Proceedings of the 2021 23rd European Conference on Power Electronics and Applications (EPE’21 ECCE Europe), Ghent, Belgium, 6–10 September 2021. [Google Scholar] [CrossRef]
- Rasoanarivo, I.; Tehrani, K.; Scalcon, F.P.; Nahid-Mobarakeh, B. A Dual Multilevel Adaptive Converter for Microgrid Applications. In Proceedings of the 48th Annual Conference of the IEEE Industrial Electronics Society (IECON 2022), Brussels, Belgium, 17–20 October 2022. [Google Scholar] [CrossRef]
- Yi, J.; Li, C.; Zhang, D.; Li, X.; Jiang, M.; Zhao, H.; Zhang, Y.; Wu, X. A Fast and Accurate Loss Model of Converter-Fed Induction Motor in Central Air-Conditioning System. IEEE Trans. Power Electron. 2023, 38, 3689–3699. [Google Scholar] [CrossRef]
- Reisinger, M.; Amrhein, W.; Silber, S. Single phase PWM controlled voltage converter for pumps and fans without DC link electrolytic capacitors. In Proceedings of the 2005 International Conference on Power Electronics and Drives Systems, Kuala Lumper, Malaysia, 28 November–1 December 2005. [Google Scholar] [CrossRef]







































| Low-Floor Light Rail Vehicle Specifications | |
|---|---|
| Vehicle type | Low-Floor LRV |
| Vehicle configuration | 2 cars/3 cars |
| Axial load | 5 tons |
| Track gauge | 1435 mm |
| Overhead contact line voltage | 600 VDC |
| Vehicle length | 20,350 mm |
| Vehicle width | 2540 mm |
| Vehicle height | 3580 mm |
| Wheel diameters | 600/520 mm (new/worn) |
| Maximum speed | 80 km/h |
| Design speed | 50 km/h |
| Traction inverter power rating | 4 × 100 kW |
| Traction motor type | PMSM |
| Traction motor power rating | 4 × 90 kW |
| Number of passenger (4 persons/m2) | 80 persons/120 persons |
| Total weight (Empty weight) | 35 tons (approximated) |
| Onboard Electric Loads of Low-Floor Light Rail Vehicle | ||
|---|---|---|
| Air conditioning (2 sets) | Cooling capacity | 150,000 btu |
| Input voltage | 3-phase 380–400 Vrms AC | |
| Input frequency | 50 Hz | |
| Compressor type | Scroll Type, 3-phase induction motor | |
| Rated power | 20 kW | |
| Rated current | 40 Arms | |
| Air pumps (2 sets) | Input voltage | 3-phase 380–400 Vrms AC |
| Input frequency | 50 Hz | |
| Motor type | 3-phase induction motor | |
| Rated power | 10 kW | |
| Rated current | 14.4 Arms | |
| Fans | Input voltage | 1-phase 220 Vrms AC |
| Input frequency | 50 Hz | |
| Lighting | Input voltage | 1-phase 220 Vrms AC |
| Input frequency | 50 Hz | |
| Electric doors | Input voltage | 1-phase 220 Vrms AC |
| Input frequency | 50 Hz | |
| Battery charging system | Input voltage | 1-phase 220 Vrms AC |
| Input frequency | 50 Hz | |
| Output voltage | 24 VDC | |
| Modulation Index | ||||
|---|---|---|---|---|
| 0 | 600 | 0 | 0 | 0 |
| 0.1 | 600 | 42.18 | 42.18 | 42.18 |
| 0.2 | 600 | 84.75 | 84.75 | 84.75 |
| 0.3 | 600 | 127.2 | 127.2 | 127.2 |
| 0.4 | 600 | 169.3 | 169.3 | 169.3 |
| 0.5 | 600 | 212.3 | 212.3 | 212.3 |
| 0.6 | 600 | 253.2 | 253.2 | 253.2 |
| 0.7 | 600 | 297.0 | 297.0 | 297.0 |
| 0.8 | 600 | 338.9 | 338.9 | 338.9 |
| 0.9 | 600 | 381.6 | 381.6 | 381.6 |
| 1.0 | 600 | 424.1 | 424.1 | 424.1 |
| Onboard Electric Loads | Details | |
|---|---|---|
| Compressor motors | Load type | 3-phase induction motor |
| Output voltage | 0–400 V | |
| Output frequency | 0–50 Hz | |
| Rated power | 20 kW | |
| Air pump motors | Load type | 3-phase induction motor |
| Output voltage | 0–400 V | |
| Output frequency | 0–50 Hz | |
| Rated power | 10 kW | |
| Lighting, | Load type | 1-phase |
| fans, | Output voltage | 220 V |
| electric doors, | Output frequency | 50 Hz |
| and battery charging system | Rated power | 5.5 kW |
| Onboard Electric Loads | Details | Measured | Simulated | % Error |
|---|---|---|---|---|
| Compressor motors | 37.9 A | 37 A | 2.37 | |
| (2 units; modules 1 and2) | 22.81 kW | 22.2 kW | 2.67 | |
| 37.9 A | 37 A | 2.37 | ||
| 22.81 kW | 22.2 kW | 2.67 | ||
| Air pump motors | 14.4 A | 14 A | 2.77 | |
| (2 units; modules 3 and 4) | 8.67 kW | 8.4 kW | 3.11 | |
| 14.4 A | 14 A | 2.77 | ||
| 8.67 kW | 8.4 kW | 3.11 | ||
| Resistive load | 9.76 A | 10 A | 2.45 | |
| (Module 5) | 5.87 kW | 6.0 kW | 2.56 |
| DC–AC Inverters | Value | DC Input | AC Output | Unit |
|---|---|---|---|---|
| Compressor motors | V(rms) | 602.0 | 380.76 | V |
| (2 units; modules 1 and 2) | I(rms) | 37.9 | 39.9 | A |
| Frequency | - | 50 | Hz | |
| Active Power (P) | 22.815 | 22.366 | kW | |
| PF | - | 0.85 | - | |
| Power Loss | 449 | W | ||
| ) | 98.04 | % | ||
| Air pump motors | V(rms) | 602.0 | 380.75 | V |
| (2 units; modules 3 and 4) | I(rms) | 14.4 | 14.2 | A |
| Frequency | - | 50 | Hz | |
| Active Power (P) | 8.668 | 8.240 | kW | |
| PF | - | 0.88 | - | |
| Power Loss | 428 | W | ||
| ) | 95.07 | % | ||
| Resistive load | V(rms) | 602.0 | 222.11 | V |
| (module 5) | I(rms) | 9.76 | 25.18 | A |
| Frequency | - | 50 | Hz | |
| Active Power (P) | 5.875 | 5.592 | kW | |
| PF | - | 1.00 | - | |
| Power Loss | 283 | W | ||
| ) | 95.19 | % | ||
| THDv | 9.062 | % | ||
| THDi | 13.4 | % | ||
| DC–AC inverters (modules 1–5) | Active Power (P) | 68.841 | 66.804 | kW |
| ) | 97.05 | % |
Disclaimer/Publisher’s Note: The statements, opinions and data contained in all publications are solely those of the individual author(s) and contributor(s) and not of MDPI and/or the editor(s). MDPI and/or the editor(s) disclaim responsibility for any injury to people or property resulting from any ideas, methods, instructions or products referred to in the content. |
© 2023 by the authors. Licensee MDPI, Basel, Switzerland. This article is an open access article distributed under the terms and conditions of the Creative Commons Attribution (CC BY) license (https://creativecommons.org/licenses/by/4.0/).
Share and Cite
Kerdtuad, P.; Chaiamarit, K.; Kittiratsatcha, S. Auxiliary Power Supply System with Parallel-Connected DC–AC Inverters for Low-Floor Light Rail Vehicle. Electronics 2023, 12, 3117. https://doi.org/10.3390/electronics12143117
Kerdtuad P, Chaiamarit K, Kittiratsatcha S. Auxiliary Power Supply System with Parallel-Connected DC–AC Inverters for Low-Floor Light Rail Vehicle. Electronics. 2023; 12(14):3117. https://doi.org/10.3390/electronics12143117
Chicago/Turabian StyleKerdtuad, Paiwan, Kunjana Chaiamarit, and Supat Kittiratsatcha. 2023. "Auxiliary Power Supply System with Parallel-Connected DC–AC Inverters for Low-Floor Light Rail Vehicle" Electronics 12, no. 14: 3117. https://doi.org/10.3390/electronics12143117
APA StyleKerdtuad, P., Chaiamarit, K., & Kittiratsatcha, S. (2023). Auxiliary Power Supply System with Parallel-Connected DC–AC Inverters for Low-Floor Light Rail Vehicle. Electronics, 12(14), 3117. https://doi.org/10.3390/electronics12143117

