A Low-Latency, Low-Jitter Retimer Circuit for PCIe 6.0
Abstract
1. Introduction
2. Retimer Circuit Latency and Jitter Performance Analysis
3. The Retimer Circuit Architecture Proposed in This Paper
3.1. Low-Delay, Low-Jitter Retimer Circuit Based on CDR + PLL Architecture
3.2. CDR Design
3.2.1. CDR Key Circuit Design
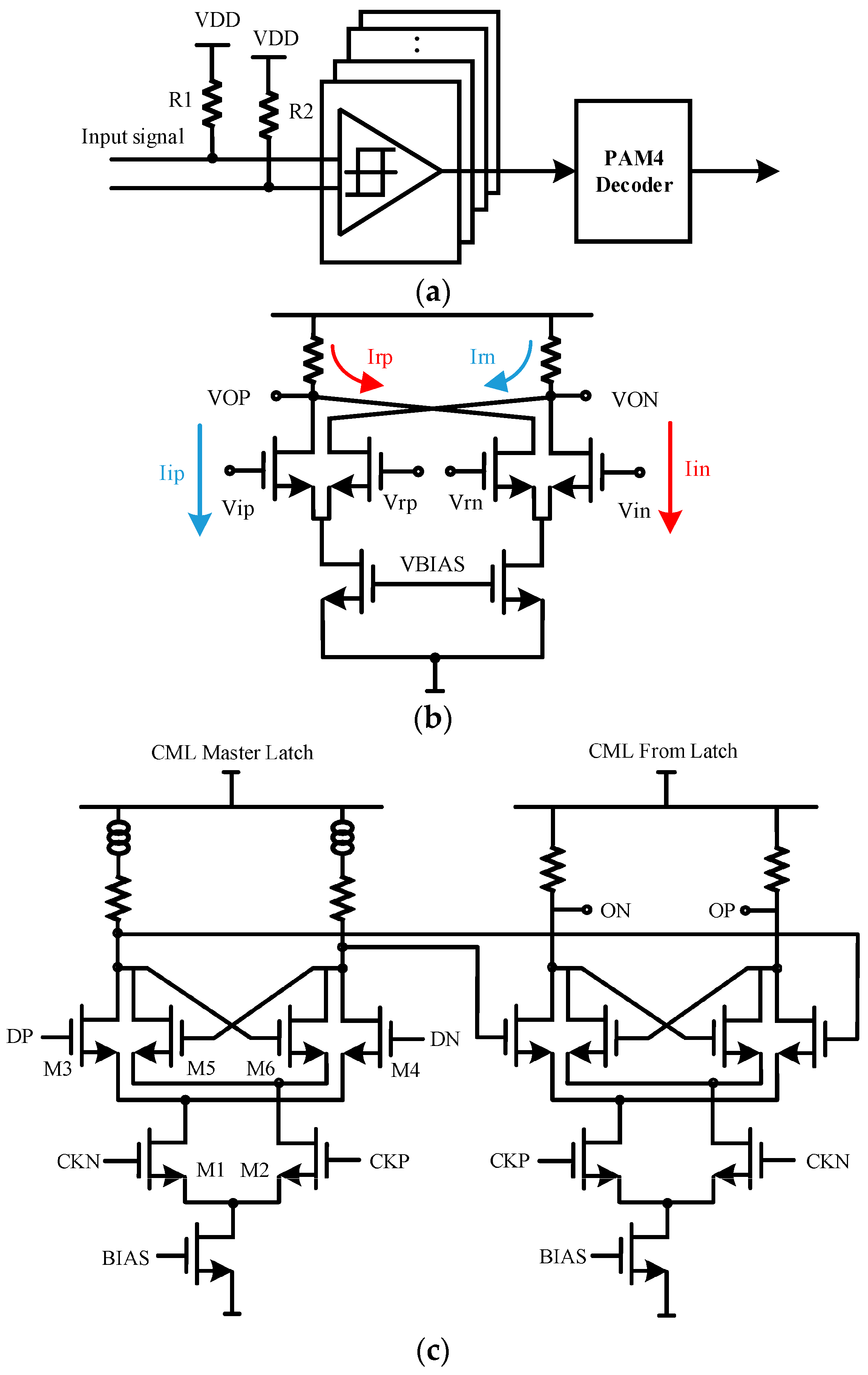
- Sampling module circuit
- 2.
- BRPD
- 3.
- PI
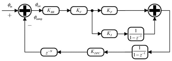
3.2.2. Modeling Analysis and Parameter Design of CDR
3.2.3. Simulation Verification of CDR
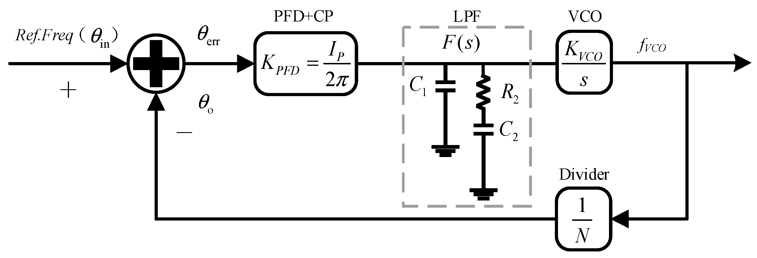
3.3. PLL Design
3.3.1. PLL Linear Model Analysis
3.3.2. PLL Parameter Design
4. Retimer Circuit Simulation
5. Conclusions
Author Contributions
Funding
Data Availability Statement
Conflicts of Interest
Appendix A
Mathematical Proof of Equations (9)–(11)
Appendix B
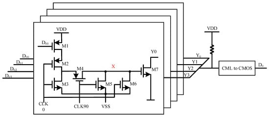
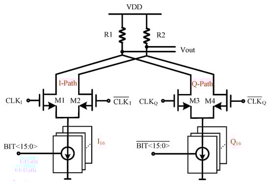
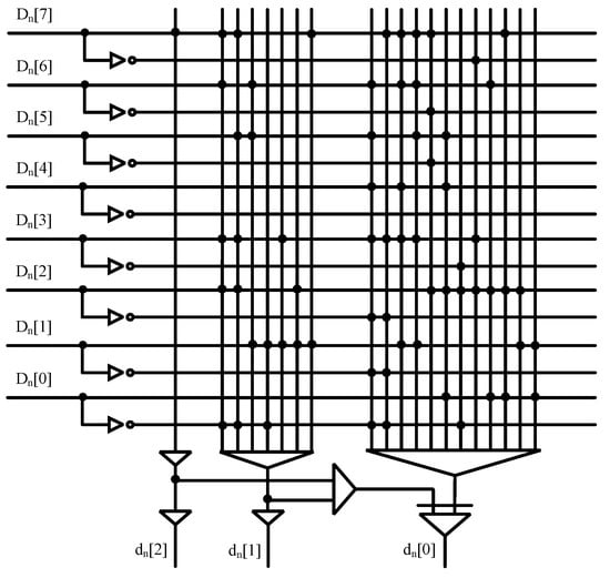
The MUX Circuit Design and Description

References
- Loi, C.; Mellati, A.; Tan, A.; Farhoodfar, A.; Tiruvur, A.; Helal, B.; Killips, B.; Rad, F.; Riani, J.; Pernillo, J.; et al. 6.5 A 400Gb/s Transceiver for PAM-4 Optical Direct-Detect Application in 16 nm FinFET. In Proceedings of the 2019 IEEE International Solid-State Circuits Conference (ISSCC), San Francisco, CA, USA, 17–21 February 2019; pp. 120–122. [Google Scholar] [CrossRef]
- Reutemann, R.; Ruegg, M.; Keyser, F.; Bergkvist, J.; Dreps, D.; Toifl, T.; Schmatz, M. A 4.5 mW/Gb/s 6.4 Gb/s 22+1-Lane Source Synchronous Receiver Core with Optional Cleanup PLL in 65 nm CMOS. IEEE J. Solid-State Circuits 2010, 45, 2850–2860. [Google Scholar] [CrossRef]
- Ng, H.T.; Farjad-Rad, R.; Lee, M.J.; Dally, W.J.; Greer, T.; Poulton, J.; Edmondson, J.H.; Rathi, R.; Senthinathan, R. A second-order semidigital clock recovery circuit based on injection locking. IEEE J. Solid-State Circuits 2003, 38, 2101–2110. [Google Scholar] [CrossRef]
- Tamer, A.; Robert, D.; Ron, H.; Chih-Kong, K.Y. A 100+ Meter 12 Gb/s/Lane Copper Cable Link Based on Clock-Forwarding. IEEE J. Solid-State Circuits 2013, 48, 1085–1098. [Google Scholar] [CrossRef]
- Nakasha, Y.; Suzuki, T.; Kano, H.; Tsukashima, K.; Ohya, A.; Sawada, K.; Makiyama, K.; Takahashi, T.; Nishi, M.; Hirose, T.; et al. A 43-Gb/s full-rate-clock 4:1 multiplexer in InP-based HEMT technology. IEEE J. Solid-State Circuits 2002, 37, 1703–1709. [Google Scholar] [CrossRef]
- Hu, S.; Yao, T.; Yin, B.; Song, C.; Zhao, L.; Wang, J.; Wang, L.; Bai, R.; Wang, X.; Xia, T.; et al. A 50Gb/s PAM-4 Retimer-CDR + VCSEL Driver with Asymmetric Pulsed Pre-Emphasis Integrated into a Single CMOS Die. In Proceedings of the 2019 Optical Fiber Communications Conference and Exhibition (OFC), San Diego, CA, USA, 3–7 March 2019; pp. 1–3. [Google Scholar]
- Tang, T.; Wray, B.; Murugan, R. Die-Package-PCB Signal Integrity Performance Debug of a High-Speed (25 Gbps) Retimer: Simulation to Measurement Correlation. In Proceedings of the 2020 IEEE International Symposium on Electromagnetic Compatibility & Signal/Power Integrity (EMCSI), Reno, NV, USA, 27–31 July 2020; pp. 170–175. [Google Scholar] [CrossRef]
- Mishra, P.; Tan, A.; Helal, B.; Ho, C.R.; Loi, C.; Riani, J.; Sun, J.; Mistry, K.; Raviprakash, K.; Tse, L.; et al. A 112Gb/s ADC-DSP-Based PAM-4 Transceiver for Long-Reach Applications with >40 dB Channel Loss in 7nm FinFET. In Proceedings of the 2021 IEEE International Solid- State Circuits Conference (ISSCC), San Francisco, CA, USA, 13–22 February 2021; pp. 138–140. [Google Scholar] [CrossRef]
- Zhao, L.W. The Low Latency of Data Transmission Design Based on FPGA. Master’s Thesis, Zhengzhou University, Zhengzhou, China, 2017. Available online: https://kns.cnki.net/KCMS/detail/detail.aspx?dbname=CMFD201702&filename=1017128975.nh (accessed on 1 June 2023).
- Wang, C. Design and Implementation of Low-Latency Error Correction Coding for Ultra-High-Speed Interconnection Transmission Links. Master’s Degree Thesis, National University of Defense Technology, Changsha, China, 2020. [Google Scholar] [CrossRef]
- Guo, K.-L.; Wang, H.-M.; Liu, T. A Non-Equivalent Tail Current Source Based New Phase Interpolator with High Linearity for High-Speed SerDes. J. Air Force Eng. Univ. (Nat. Sci. Ed.) 2020, 21, 61–67. [Google Scholar] [CrossRef]
- Li, T.J.; Zhang, G.; Zhang, J.M.; Xin, K.W. A Novel High-Gain PAM4 Baud-Rate Phase Detector for ADC-Based CDR. In Proceedings of the 2022 7th International Conference on Integrated Circuits and Microsystems (ICICM), Xi’an, China, 28–31 October 2022; pp. 606–609. [Google Scholar] [CrossRef]
- Luan, W.H.; Wang, D.J.; Chen, J. Modeling Analysis and Circuit Design of Second-Order Clock Data Recovery Circuit Applied to 10 Gbase-KR. Microelectron. Comput. 2020, 37, 1–4. [Google Scholar] [CrossRef]
- Jeff, L.S.; John, S. A digital clock and data recovery architecture for multi-gigabit/s binary links. In Proceedings of the IEEE 2005 Custom Integrated Circuits Conference (CICC), San Jose, CA, USA, 18–21 September 2005; pp. 537–544. [Google Scholar] [CrossRef]
- Xin, K.W.; Lyu, F.X.; Wang, J.Y. A Low Noise Clock Generator for High-Speed Serial Interface. Microelectronics 2019, 49, 817–823. [Google Scholar] [CrossRef]
- Zhang, G. Design of COMS Integrated Phase Locked Loop Circuit, 1st ed.; Tsinghua University Press: Beijing, China, 2013; pp. 15–17. [Google Scholar]
- Yang, C. Research and Design of Fast-Locked, High-Speed and Low-Jitter Clock Generation. Master’s Thesis, University of Electronic Science and Technology of China, Chongqing, China, 2015. [Google Scholar]


















| CDR Parameters | Design Value |
|---|---|
| PD gain (KBR) | 0.56 |
| Voting gain (KV) | 0.54 × 64 = 34.65 |
| Proportional path gain (KP) | 1 |
| Integral path gain (KI) | 2−14 |
| Digital phase converter gain (KDPC) | 2−9 |
| Loop latency (N) | 4 |
| PLL Parameters | Design Value |
|---|---|
| Charge pump current (IP) | 0.15 mA |
| Filter capacitance (C1) | 2.2616 nF |
| Filter capacitance (C2) | 34.119 nF |
| Filter resistance (R2) | 187.09 Ohms |
| VCO gain (KVCO) | 600 MHz/V |
| Divider (N) | 4 |
| Parameters | Solution 1 | Solution 2 | Solution 3 |
|---|---|---|---|
| Source | A 4:1 MUX scheme based on the literature [5] | Retimer scheme based on the literature [7] | The Retimer scheme proposed in this paper |
| Structural features | Phase Adjuster + Retimer + Clock Distributor | CDR + DFF | CDR + PLL + DFF |
| Modulation | NRZ | PAM4 | PAM4 |
| Output data rate | 43 Gbps | 112 Gbps | 112 Gbps |
| Output data rms jitter | 0.94 ps | 1.08 ps | 0.741 ps |
| Jitter attenuation | −0.87 dB | −10.38 dB | −13.66 dB |
| Penetration latency | 5.6 ps | 165.3 ps | 27.3 ps |
Disclaimer/Publisher’s Note: The statements, opinions and data contained in all publications are solely those of the individual author(s) and contributor(s) and not of MDPI and/or the editor(s). MDPI and/or the editor(s) disclaim responsibility for any injury to people or property resulting from any ideas, methods, instructions or products referred to in the content. |
© 2023 by the authors. Licensee MDPI, Basel, Switzerland. This article is an open access article distributed under the terms and conditions of the Creative Commons Attribution (CC BY) license (https://creativecommons.org/licenses/by/4.0/).
Share and Cite
Liu, Q.; Wang, H.; Lyu, F.; Zhang, G.; Lyu, D. A Low-Latency, Low-Jitter Retimer Circuit for PCIe 6.0. Electronics 2023, 12, 3102. https://doi.org/10.3390/electronics12143102
Liu Q, Wang H, Lyu F, Zhang G, Lyu D. A Low-Latency, Low-Jitter Retimer Circuit for PCIe 6.0. Electronics. 2023; 12(14):3102. https://doi.org/10.3390/electronics12143102
Chicago/Turabian StyleLiu, Qing, Heming Wang, Fangxu Lyu, Geng Zhang, and Dongbin Lyu. 2023. "A Low-Latency, Low-Jitter Retimer Circuit for PCIe 6.0" Electronics 12, no. 14: 3102. https://doi.org/10.3390/electronics12143102
APA StyleLiu, Q., Wang, H., Lyu, F., Zhang, G., & Lyu, D. (2023). A Low-Latency, Low-Jitter Retimer Circuit for PCIe 6.0. Electronics, 12(14), 3102. https://doi.org/10.3390/electronics12143102
