Disturbance Decoupling for a Single-Phase Pulse Width Modulation Rectifier Based on an Extended H-Infinity Filter
Abstract
1. Introduction
- enhancing the effects of faults on the residual;
- decreasing the effects of disturbances on the residual;
- stabilizing the gain observer [20].
- (1)
- computation of a novel filter that eliminates the impact of perturbations on the residual signal, contrary to the standard filter which minimizes only the impacts of disturbances;
- (2)
- application of the developed strategy on a single-phase PWM rectifier for sensor fault detection;
- (3)
- implementation of the proposed algorithm in an experimental test with the HIL platform to validate the effectiveness of this method.
2. Materials and Methods
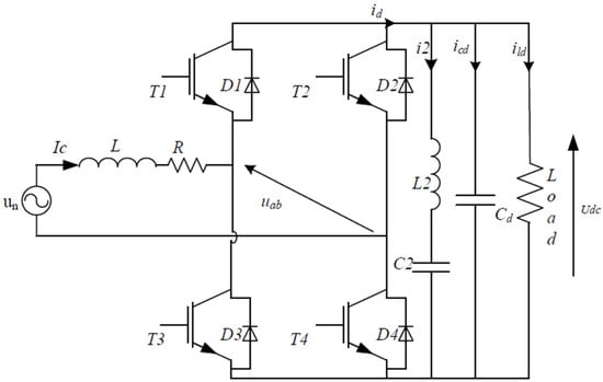
2.1. State Space Representation of a Single-Phase Pulse Width Modulation Rectifier
2.2. Filter Design via LMI Approach
3. Experimental Setup
4. Results and Discussion
4.1. Simulation Result
4.2. Experiment Results
5. Discussion
6. Conclusions
Author Contributions
Funding
Data Availability Statement
Conflicts of Interest
References
- Gou, B.; Ge, X.; Wang, S.; Feng, X.; Kuo, J.B.; Habetler, T.G. An Open-Switch Fault Diagnosis Method for Single-Phase PWM Rectifier Using a Model-Based Approach in High-Speed Railway Electrical Traction Drive System. IEEE Trans. Power Electron. 2015, 31, 3816–3826. [Google Scholar] [CrossRef]
- Ben, A.; El Khil, S.K.; Slama-Belkhodja, I. State observer-based sensor fault detection and isolation, and fault tolerant control of single-phase PWM rectifier for electric railway traction. IEE Trans. Power Electron. 2013, 28, 12. [Google Scholar]
- Ge, X.-L.; Liu, Y.-C.; Pu, J.-K. Online open-switch fault diagnosis method in single-phase PWM rectifiers. Electron. Lett. 2015, 51, 1920–1922. [Google Scholar] [CrossRef]
- Xia, Y.; Gou, B.; Xu, Y. A new ensemble-based classifier for IGBT open-circuit fault diagnosis in three-phase PWM converter. Springer Prot. Control Mod. Power Syst. 2018, 3, 33. [Google Scholar] [CrossRef]
- Gao, Z.; Cecati, C.; Ding, S.X. A Survey of Fault Diagnosis and Fault-Tolerant Techniques—Part I: Fault Diagnosis With Model-Based and Signal-Based Approaches. IEEE Trans. Ind. Electron. 2015, 62, 3757–3767. [Google Scholar] [CrossRef]
- Abid, A.; Khan, M.T.; Iqbal, J. A review on fault detection and diagnosis techniques: Basics and beyond. Artif. Intell. Rev. 2020, 54, 3639–3664. [Google Scholar] [CrossRef]
- Benmoussa, S.; Bouamama, B.O.; Merzouki, R. Bond graph approach for plant fault detection isolation: Application to intelligent autonomous vehicle. IEEE Trans. Autom. Sci. Eng. 2014, 11, 585–593. [Google Scholar] [CrossRef]
- Zhou, S.; Qian, S.; Chang, W.; Xiao, Y.; Cheng, Y. A Novel Bearing Multi-Fault Diagnosis Approach Based on Weighted Permutation Entropy and an Improved SVM Ensemble Classifier. Sensors 2018, 18, 1934. [Google Scholar] [CrossRef] [PubMed]
- Diallo, D.; Benbouzid, M.; Hamad, D.; Pierre, X. Fault Detection and Diagnosis in an Induction Machine Drive: A Pattern Recognition Approach Based on Concordia Stator Mean Current Vector. IEEE Trans. Energy Convers. 2005, 20, 512–519. [Google Scholar] [CrossRef]
- Estima, J.O.; Freire, N.M.A.; Cardoso, A.J.M. Recent advances in fault diagnosis by Park’s vector approach. In Proceedings of the 2013 IEEE Workshop on Electrical Machines Design, Control and Diagnosis (WEMDCD), Paris, France, 11–12 March 2013; pp. 279–288. [Google Scholar]
- Xu, S. A Survey of Knowledge-Based Intelligent Fault Diagnosis Techniques. J. Physics Conf. Ser. 2019, 1187, 032006. [Google Scholar] [CrossRef]
- Zidani, F.; Diallo, D.; Benbouzid, M.E.H.; Nait-Said, R. A Fuzzy-Based Approach for the Diagnosis of Fault Modes in a Voltage-Fed PWM Inverter Induction Motor Drive. IEEE Trans. Ind. Electron. 2008, 55, 586–593. [Google Scholar] [CrossRef]
- Estima, J.O.; Cardoso, A.J.M. A New Approach for Real-Time Multiple Open-Circuit Fault Diagnosis in Voltage-Source Inverters. IEEE Trans. Ind. Appl. 2011, 47, 2487–2494. [Google Scholar] [CrossRef]
- Estima, J.O.; Cardoso, A.J.M. A New Algorithm for Real-Time Multiple Open-Circuit Fault Diagnosis in Voltage-Fed PWM Motor Drives by the Reference Current Errors. IEEE Trans. Ind. Electron. 2013, 60, 3496–3505. [Google Scholar] [CrossRef]
- Xia, Y.; Xu, Y.; Gou, B. Current sensor fault diagnosis and fault-tolerant control for single-phase PWM rectifier based on a hybrid model-based and data-driven method. IET Power Electron. 2020, 13, 4150–4157. [Google Scholar] [CrossRef]
- Sleszynski, W.; Nieznanski, J.; Cichowski, A. Open-Tr ansistor Fault Diagnostics in Voltage-Source Inverters by Analyzing the Load Currents. IEEE Trans. Ind. Electron. 2009, 56, 4681–4688. [Google Scholar] [CrossRef]
- Egone, N.; Ma, L.; Qin, N. Faults Detection and Identification Based on Robust Residual Generation for A Single-Phase PWM Rectifier. In Proceedings of the 2019 IEEE 3rd Conference on Energy Internet and Energy System Integration (EI2), Changsha, China, 8–10 November 2020. [Google Scholar] [CrossRef]
- An, Q.-T.; Sun, L. Current Residual Vector-Based Open-Switch Fault Diagnosis of Inverters in PMSM Drive Systems. IEEE Trans. Power Electron. 2014, 30, 2814–2827. [Google Scholar] [CrossRef]
- Salehifar, M.; Arashloo, R.S.; Moreno-Eguilaz, M.; Sala, V.; Romeral, L. A simple and robust method for open switch fault detection in power converters. In Proceedings of the 2013 9th IEEE International Symposium on Diagnostics for Electric Machines, Power Electronics and Drives (SDEMPED), Valencia, Spain, 27–30 August 2013; pp. 461–468. [Google Scholar]
- Jiang, C.; Zhang, S.-B.; Zhang, Q.-Z. A New Adaptive H-Infinity Filtering Algorithm for the GPS/INS Integrated Navigation. Sensors 2016, 16, 2127. [Google Scholar] [CrossRef] [PubMed]
- Ibrahim, M.M.; Lei, M.; Na, Q. Robust Control of Single Phase PWM Rectifier with Parametric Uncertainties. In Proceedings of the 2019 CAA Symposium on Fault Detection, Supervision and Safety for Technical Processes (SAFEPROCESS), Xiamen, China, 5–7 July 2019. [Google Scholar] [CrossRef]
- Gutman, S. Uncertain Dynamical Systems-A Lyapunov Min-Max Approach. IEEE Trans. Autom. Control 1979, 24, 437–443. [Google Scholar] [CrossRef]
- Patton, R.J.; Hou, M. H-infinity estimation and robust fault detection. In Proceedings of the 1997 European Control Conference (ECC), Brussels, Belgium, 1–7 July 1997. [Google Scholar]
- Chen, J.; Patton, R.J. Robust Model-Based Fault Diagnosis for Dynamic Systems; Kluwer: Norwell, MA, USA, 1999. [Google Scholar]
- Ding, S.X. Model-Based Fault Diagnosis Techniques: Design Schemes, Algorithms and Tools; Springer: Berlin/Heidelberg, Germany, 2008. [Google Scholar]
- Patton, R.; Hou, M. On Sensitivity of Robust Fault Detection Observers. IFAC Proc. Vol. 1999, 32, 7748–7753. [Google Scholar] [CrossRef]
- Ahmad, S.; Ali, N.; Ayaz, M.; Ahmad, E. Design of robust fault detection filter using algorithm for a class of LTI systems. In Proceedings of the 2017 13th International Conference on Emerging Technologies (ICET), Islamabad, Pakistan, 27–28 December 2017. [Google Scholar] [CrossRef]











| Parameters | Variables Values | Unity |
|---|---|---|
| Filter resistor (R) | ||
| Filter inductor (L) | ||
| DC-link Capacitor (Cd) | ||
| Grid voltage () | ||
| DC-link Voltage () | ||
| Rectifier switching frequency () |
Disclaimer/Publisher’s Note: The statements, opinions and data contained in all publications are solely those of the individual author(s) and contributor(s) and not of MDPI and/or the editor(s). MDPI and/or the editor(s) disclaim responsibility for any injury to people or property resulting from any ideas, methods, instructions or products referred to in the content. |
© 2023 by the authors. Licensee MDPI, Basel, Switzerland. This article is an open access article distributed under the terms and conditions of the Creative Commons Attribution (CC BY) license (https://creativecommons.org/licenses/by/4.0/).
Share and Cite
Ndabarushimana, E.; Qin, N.; Ma, L. Disturbance Decoupling for a Single-Phase Pulse Width Modulation Rectifier Based on an Extended H-Infinity Filter. Electronics 2023, 12, 2765. https://doi.org/10.3390/electronics12132765
Ndabarushimana E, Qin N, Ma L. Disturbance Decoupling for a Single-Phase Pulse Width Modulation Rectifier Based on an Extended H-Infinity Filter. Electronics. 2023; 12(13):2765. https://doi.org/10.3390/electronics12132765
Chicago/Turabian StyleNdabarushimana, Egone, Na Qin, and Lei Ma. 2023. "Disturbance Decoupling for a Single-Phase Pulse Width Modulation Rectifier Based on an Extended H-Infinity Filter" Electronics 12, no. 13: 2765. https://doi.org/10.3390/electronics12132765
APA StyleNdabarushimana, E., Qin, N., & Ma, L. (2023). Disturbance Decoupling for a Single-Phase Pulse Width Modulation Rectifier Based on an Extended H-Infinity Filter. Electronics, 12(13), 2765. https://doi.org/10.3390/electronics12132765

