Evaluating Cu Printed Interconnects “Sinterconnects” versus Wire Bonds for Switching Converters
Abstract
:1. Introduction
- (a)
- Cu wires are harder than Al to bond
- (b)
- The higher hardness of Cu wire requires higher bond forces and ultrasonic energy. This means higher mechanical stresses to the components
- (c)
- The high tendency of Cu wires to oxidize results in the formation of oxide layers on its surface preventing the formation of round free-air balls
- (d)
- The higher cost (protective atmosphere) and lower yield
2. Overview of the Candidate Interconnects
2.1. Wire Bond
2.2. Sinterconnect “Printed Cu”
2.3. Sinterconnect “Clip-Attach”
3. Results and Discussion
3.1. Parasitic Circuit Element Identification: Analytical Modeling
3.1.1. Wire Bond
3.1.2. Sinterconnect “Printed Cu”
3.1.3. Sinterconnect “Clip-Attach”
3.2. Parasitic Circuit Element Identification: FE Analysis
3.2.1. Wire Bond
3.2.2. Sinterconnect “Printed Cu”
3.2.3. Sinterconnect “Clip-Attach”
3.3. Resistivity
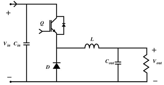
3.4. System Level Performance
4. Conclusions
Author Contributions
Funding
Institutional Review Board Statement
Informed Consent Statement
Data Availability Statement
Conflicts of Interest
References
- Ramminger, S.; Seliger, N.; Wachutka, G. Reliability model for Al wire bonds subjected to heel crack failures. Microelectron. Reliab. 2000, 40, 1521–1525. [Google Scholar] [CrossRef]
- Liu, K.; Yang, J.; Luo, J.; Wang, L.; Huang, Q.; Chen, F. The characterization and application of chip topside bonding materials for power modules packaging: A review. J. Phys. Conf. Ser. 2020, 1605, 012168. [Google Scholar] [CrossRef]
- Durand, C.; Klingler, M.; Coutellier, D.; Naceur, H. Power cycling reliability of power module: A survey. IEEE Trans. Device Mater. Reliab. 2016, 16, 80–97. [Google Scholar] [CrossRef]
- Wirebondless Semiconductor Package. U.S. Patent US8304903B2, 6 November 2012.
- Wirebondless Module Package. U.S. Patent US5616886A, 5 June 1995.
- Wirebondless Wafer Level Package with Plated Bumps and Interconnects. U.S. Patent US20090289356A1, 23 May 2008.
- Weidner, K.; Kaspar, M.; Seliger, N. Planar interconnect technology for power module system integration. In Proceedings of the 7th International Conference on Integrated Power Electronics Systems (CIPS), Nuremberg, Germany, 6–8 March 2012; pp. 1–5. [Google Scholar]
- Hain, S.; Bakran, M.-M.; Jaeger, C.; Niedernostheide, F.-J.; Domes, D.; Heer, D. The effect of different stray inductances on the performance of various types of IGBTs—Is less always better? In Proceedings of the 17th European Conference on Power Electronics and Applications (EPE’15 ECCE-Europe), Geneva, Switzerland, 8–10 September 2015; pp. 1–9. [Google Scholar]
- Hoene, E.; Ostmann, A.; Marczok, C. Packaging very fast switching semiconductors. In Proceedings of the CIPS 2014, 8th International Conference on Integrated Power Electronics Systems, Nuremberg, Germany, 25–27 February 2014; pp. 1–7. [Google Scholar]
- Ciappa, M.; Fichtner, W. Lifetime prediction of IGBT modules for traction applications. In Proceedings of the IEEE International Reliability Physics Symposium Proceedings, 38th Annual (Cat. No. 00CH37059), San Jose, CA, USA, 10–13 April 2000; pp. 210–216. [Google Scholar]
- Deng, E.; Zhao, Z.; Xin, Q.; Zhang, J.; Huang, Y. Analysis on the difference of the characteristic between high power IGBT modules and press pack IGBTs. Microelectron. Reliab. 2017, 78, 25–37. [Google Scholar] [CrossRef]
- Polom, T.A.; Broeck, C.H.V.; Doncker, R.W.D.; Lorenz, R.D. Spatially-varying electrothermal impedance analysis for designing power semiconductor converter systems. In Proceedings of the 18th IEEE Intersociety Conference on Thermal and Thermomechanical Phenomena in Electronic Systems (ITherm), Las Vegas, NV, USA, 28–31 May 2019; pp. 117–126. [Google Scholar]
- Siepe, D.; Bayerer, R.; Roth, R. The future of wire bonding is? Wire bonding! In Proceedings of the CIPS 2010—6th International Conference on Integrated Power Electronics Systems, Nuremberg, Germany, 16–18 March 2010. [Google Scholar]
- Liu, P.; Tong, L.; Wang, J.; Shi, L.; Tang, H. Challenges and developments of Cu wire bonding technology. Microelectron. Reliab. 2012, 52, 1092–1098. [Google Scholar] [CrossRef]
- Chang, H.-R.; Bu, J.; Kong, G.; Labayen, R. 300 A 650 V 70 μm thin IGBTs with double-sided cooling. In Proceedings of the IEEE 23rd International Symposium on Power Semiconductor Devices and ICs, San Diego, CA, USA, 23–26 May 2011; pp. 320–323. [Google Scholar]
- Ikeda, Y.; Iizuka, Y.; Hinata, Y.; Horio, M.; Hori, M.; Takahashi, Y. Investigation on wirebond-less power module structure with high- density packaging and high reliability. In Proceedings of the IEEE 23rd International Symposium on Power Semiconductor Devices and ICs, San Diego, CA, USA, 23–26 May 2011; pp. 272–275. [Google Scholar]
- Ozmat, B.; Korman, C.; McConnelee, P.; Kheraluwala, M.; Delgado, E.; Fillion, R. A new power module packaging technology for enhanced thermal performance. In Proceedings of the ITHERM 2000, the Seventh Intersociety Conference on Thermal and Thermomechanical Phenomena in Electronic Systems (Cat. No. 00CH37069), Las Vegas, NV, USA, 23–26 May 2000; Volume 2, pp. 287–296. [Google Scholar]
- Beckedahl, P.; Hermann, M.; Kind, M.; Knebel, M.; Nascimento, J.; Wintrich, A. Performance comparison of traditional packaging technologies to a novel bond wire less all sintered power module. In Proceedings of the PCIM Europe, Nuremberg, Germany, 17–19 May 2011; pp. 247–252. [Google Scholar]
- Event: Packaging Day 2010; Fraunhofer Institute of Reliability and Microeletronics IZM: Berlin, Germany, 8 July 2010.
- Zhu, Q.; Forsyth, A.; Todd, R.; Mills, L. Thermal characterisation of a Cu-clip-bonded IGBT module with double-sided cooling. In Proceedings of the 23rd International Workshop on Thermal Investigations of ICs and Systems (THERMINIC), Amsterdam, The Netherlands, 27–29 September 2017; pp. 1–6. [Google Scholar]
- Barbarini, E.; Troadec, C. Power module packaging: Market and technology trends. In Proceedings of the Additional Conferences (Device Packaging, HiTEC, HiTEN, & CICMT), Samos, Greece, 7–11 July 2019; Volume 2019, pp. 000749–000779. [Google Scholar] [CrossRef]
- Lee, H.; Smet, V.; Tummala, R. A review of sic power module packaging technologies: Challenges, advances, and emerging issues. IEEE J. Emerg. Sel. Top. Power Electron. 2019, 8, 239–255. [Google Scholar] [CrossRef]
- Stockmeier, T.; Beckedahl, P.; Göbl, C.; Malzer, T. Skin: Double side sintering technology for new packages. In Proceedings of the IEEE 23rd International Symposium on Power Semiconductor Devices and ICs, San Diego, CA, USA, 23–26 May 2011; pp. 324–327. [Google Scholar]
- Roshanghias, A.; Malago, P.; Kaczynski, J.; Polom, T.; Bardong, J.; Holzmann, D.; Malik, M.-H.; Ortner, M.; Hirschl, C.; Binder, A. Sinterconnects: All-Cu top-side interconnects based on Cu sinter paste for power module packaging. Energies 2021, 14, 2176. [Google Scholar] [CrossRef]
- Grover, F.W. Inductance Calculations: Working Formulas and Tables; Dover Publication Inc.: Mineola, NY, USA, 1946. [Google Scholar]
- Caniggia, S.; Maradei, F. Signal Integrity and Radiated Emission of High-Speed Digital Systems; John Wiley & Sons: Hoboken, NJ, USA, 2008. [Google Scholar]
- Polom, T.A.; Broeck, C.H.V.; Doncker, R.W.D.; Lorenz, R.D. Designing power module health monitoring systems based on converter load profile. IEEE Trans. Ind. Appl. 2020, 56, 6711–6721. [Google Scholar] [CrossRef]
- Hasan, M.N.; Polom, T.A. Comparative study between the Ćuk and the LLC converter in photovoltaic applications. In Proceedings of the IEEE 15th International Conference on Compatibility, Power Electronics and Power Engineering (CPE-POWERENG), Florence, Italy, 14–16 July 2021; pp. 1–8. [Google Scholar]








| Self and Mutual Inductances (nH) | |||||||||||
|---|---|---|---|---|---|---|---|---|---|---|---|
| 8.2857 | 5.8240 | 4.4378 | 3.6268 | 3.0515 | 2.6052 | 2.2405 | 1.9322 | 1.6652 | 1.4296 | 1.2189 | 1.0283 |
| Equivalent Inductance of Each Bond Wire (nH) | |||||||||||
|---|---|---|---|---|---|---|---|---|---|---|---|
| 37.346 | 42.141 | 45.360 | 47.557 | 48.944 | 49.617 | 49.617 | 48.944 | 47.557 | 45.360 | 42.141 | 37.346 |
| Parameters | Range | Nominal Values |
|---|---|---|
| Input voltage | 12–24 | 18 |
| Output voltage | 6–12 | 9 |
| Duty cycle | ||
| Switching frequency | ||
| Output power | 1–120 | 80 |
Publisher’s Note: MDPI stays neutral with regard to jurisdictional claims in published maps and institutional affiliations. |
© 2022 by the authors. Licensee MDPI, Basel, Switzerland. This article is an open access article distributed under the terms and conditions of the Creative Commons Attribution (CC BY) license (https://creativecommons.org/licenses/by/4.0/).
Share and Cite
Hasan, M.N.; Polom, T.; Holzmann, D.; Malagó, P.; Binder, A.; Roshanghias, A. Evaluating Cu Printed Interconnects “Sinterconnects” versus Wire Bonds for Switching Converters. Electronics 2022, 11, 1373. https://doi.org/10.3390/electronics11091373
Hasan MN, Polom T, Holzmann D, Malagó P, Binder A, Roshanghias A. Evaluating Cu Printed Interconnects “Sinterconnects” versus Wire Bonds for Switching Converters. Electronics. 2022; 11(9):1373. https://doi.org/10.3390/electronics11091373
Chicago/Turabian StyleHasan, Md. Nazmul, Timothy Polom, Dominik Holzmann, Perla Malagó, Alfred Binder, and Ali Roshanghias. 2022. "Evaluating Cu Printed Interconnects “Sinterconnects” versus Wire Bonds for Switching Converters" Electronics 11, no. 9: 1373. https://doi.org/10.3390/electronics11091373
APA StyleHasan, M. N., Polom, T., Holzmann, D., Malagó, P., Binder, A., & Roshanghias, A. (2022). Evaluating Cu Printed Interconnects “Sinterconnects” versus Wire Bonds for Switching Converters. Electronics, 11(9), 1373. https://doi.org/10.3390/electronics11091373

