Implementation of Soft Decoding Mechanism for Addressing Nonlinearities in Long-Distance Optical Transmission System
Abstract
:1. Introduction
1.1. Previous Work and Background
1.2. Contribution to Research
- High data traffic load has increased the burden on optical networks. As a result, the efficiency of existing systems has become limited due to high NLPn factors. This paper introduces a novel soft detecting technique to tackle the impact of NLPns and improve transmission distance and multichannel propagations.
- The advanced modulation DP-16/64 QAM is utilized with international telecommunication union and telecommunication (ITU-T) standard low-dispersion fibers (G-652.D and G-657.A1).
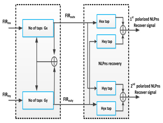
- Universal digital signal processing (DSP) is applied to filter the data before the proposed decision block.
- In order to validate the theoretical model with simulation analysis, the analytical model is studied and the generation of NLPns and their measuring procedure are explained in this paper.
- Normalized mutual information (NMI) and the optical signal-to-noise ratio (OSNR) advanced estimating parameters are used for investigating the proposed model’s outcomes and their continuity against nonlinear factors.
2. Analytical Modeling
3. Proposed LDOTNs Model
4. Back-to-Back and Propagation Results and Discussion
5. Conclusions
Funding
Acknowledgments
Conflicts of Interest
References
- Ali, F.; Ahmad, S.; Muhammad, F.; Abbas, Z.H.; Habib, U.; Kim, S. Adaptive Equalization for Dispersion Mitigation in Multi-Channel Optical Communication Networks. Electronics 2019, 8, 1364. [Google Scholar] [CrossRef] [Green Version]
- Min, R.; Liu, Z.; Pereira, L.; Yang, C.; Sui, Q.; Marques, C. Optical fiber sensing for marine environment and marine structural health monitoring: A review. Opt. Laser Technol. 2021, 140, 107082. [Google Scholar] [CrossRef]
- Jarad, A.H.; Murdas, I.A. Optical Impairment Compensation in Fiber Communication Systems Based on Artificial Intelligence: A Comprehensive Survey. In Proceedings of the 2021 1st Babylon International Conference on Information Technology and Science (BICITS), Babil, Iraq, 28–29 April 2021; pp. 269–274. [Google Scholar] [CrossRef]
- Betti, S.; Perrone, P.; Rutigliano, G. Multidimensional Modulations in Optical Communication Systems, 1st ed.; CRC Press: Boca Raton, FL, USA, 2021. [Google Scholar] [CrossRef]
- Pilori, D.; Bertignono, L.; Nespola, A.; Forghieri, F.; Bosco, G. Comparison of probabilistically shaped 64QAM with lower cardinality uniform constellations in long-haul optical systems. J. Lightwave Technol. 2018, 36, 501–509. [Google Scholar] [CrossRef] [Green Version]
- Bosco, G. Advanced modulation techniques for flexible optical transceivers: The rate/reach tradeoff. J. Lightwave Technol. 2019, 37, 36–49. [Google Scholar] [CrossRef]
- Geller, O.; Dar, R.; Feder, M.; Shtaif, M. A shaping algorithm for mitigating inter-channel nonlinear phase-noise in nonlinear fiber systems. J. Lightwave Technol. 2016, 34, 3884–3889. [Google Scholar] [CrossRef]
- Pilori, D.; Forghieri, F.; Bosco, G. Residual non-linear phase noise in probabilistically shaped 64-QAM optical links. In Proceedings of the 2018 Optical Fiber Communications Conference and Exposition (OFC), San Diego, CA, USA, 11–15 March 2018; Paper M3C.6. pp. 1–3. [Google Scholar]
- Ivaniga, P.; Ivaniga, T. The design of EDFA with forward pumping at the distance line in DWDM. J. Eng. Sci. Technol. 2019, 14, 531–540. [Google Scholar]
- Muhammad, F.; Ali, F.; Habib, U.; Usman, M.; Khan, I.; Kim, S. Time domain equalization and digital back-propagation method-based receiver for fiber optic communication systems. Int. J. Opt. 2020, 2020, 3146374. [Google Scholar] [CrossRef]
- Ali, F.; Muhammad, F.; Habib, U.; Khan, Y.; Usman, M. Modeling and minimization of FWM effects in DWDM-based long-haul optical communication systems. Photonic Netw. Commun. 2020, 41, 36–46. [Google Scholar] [CrossRef]
- Zhang, A.; Li, D. Interferometric sensor with a PGC-AD-DSM demodulation algorithm insensitive to phase modulation depth and light intensity disturbance. Appl. Opt. 2018, 57, 7950–7955. [Google Scholar] [CrossRef]
- Volkov, A.V.; Plotnikov, M.Y.; Mekhrengin, M.V.; Miroshnichenko, G.P.; Aleynik, A.S. Phase modulation depth evaluation and correction technique for the PGC demodulation scheme in fiber-optic interferometric sensors. IEEE Sens. J. 2017, 17, 4143–4150. [Google Scholar] [CrossRef]
- Kishikawa, H.; Uetai, M.; Goto, N. All-Optical Modulation Format Conversion Between OOK, QPSK, and 8QAM. J. Lightwave Technol. 2019, 37, 3925–3931. [Google Scholar] [CrossRef]
- Semrau, D.; Killey, R.I.; Bayvel, P. A Closed-Form Approximation of the Gaussian Noise Model in the Presence of Inter-Channel Stimulated Raman Scattering. J. Lightwave Technol. 2019, 37, 1924–1936. [Google Scholar] [CrossRef] [Green Version]
- Thrane, J.; Wass, J.; Piels, M.; Diniz, J.C.; Jones, R.; Zibar, D. Machine Learning Techniques for Optical Performance Monitoring from Directly Detected PDM-QAM Signals. J. Lightwave Technol. 2017, 35, 868–875. [Google Scholar] [CrossRef] [Green Version]
- Zhang, J.; Gao, M.; Chen, W.; Shen, G. Non-Data-Aided k-Nearest Neighbors Technique for Optical Fiber Nonlinearity Mitigation. J. Lightwave Technol. 2018, 36, 3564–3572. [Google Scholar] [CrossRef]
- Yoffe, Y.; Wohlgemuth, E.; Sadot, D. Low-Resolution Digital Pre-Compensation for High-Speed Optical Links Based on Dynamic Digital-to-Analog Conversion. J. Lightwave Technol. 2019, 37, 882–888. [Google Scholar] [CrossRef]
- Shi, J.; Zhou, Y.; Zhang, J.; Chi, N.; Yu, J. Enhanced Performance Utilizing Joint Processing Algorithm for CAP Signals. J. Lightwave Technol. 2018, 36, 3169–3175. [Google Scholar] [CrossRef]
- Lu, J.; Fan, Q.; Zhou, G.; Lu, L.; Yu, C.; Lau, A.P.T.; Lu, C. Automated training dataset collection system design for machine learning application in optical networks: An example of quality of transmission estimation. J. Opt. Commun. Netw. 2021, 13, 289–300. [Google Scholar] [CrossRef]
- Pilori, D.; Nespola, A.; Forghieri, F.; Bosco, G. Non-Linear Phase Noise Mitigation Over Systems Using Constellation Shaping. J. Lightwave Technol. 2019, 37, 3475–3482. [Google Scholar] [CrossRef]
- Ali, F.; Khan, Y.; Muhammad, F.; Habib, U.; Haq Abbas, Z.; Ahmad Khan, M.; Ali, A. Extenuation of phase shift influenced nonlinear impairments in fiber optics network. Trans. Emerg. Telecommun. Technol. 2020, 31, e3930. [Google Scholar] [CrossRef]
- Kashi, A.S.; Abd El-Rahman, A.I.; Cartledge, J.C.; Etemad, S.A. Extending a Nonlinear SNR Estimator to Include Shaping Distribution Identification for Probabilistically Shaped 64-QAM Signals. J. Lightwave Technol. 2019, 37, 3252–3260. [Google Scholar] [CrossRef]
- Jardel, F.; Eriksson, T.A.; Méasson, C.; Ghazisaeidi, A.; Buchali, F.; Idler, W.; Boutros, J.J. Exploring and Experimenting with Shaping Designs for Next-Generation Optical Communications. J. Lightwave Technol. 2018, 36, 5298–5308. [Google Scholar] [CrossRef] [Green Version]
- Golani, O.; Feder, M.; Shtaif, M. NLIN Mitigation Using Turbo Equalization and an Extended Kalman Smoother. J. Lightwave Technol. 2019, 37, 1885–1892. [Google Scholar] [CrossRef]
- Chen, W.; Zhang, J.; Gao, M.; Shen, G. Performance improvement of 64-QAM coherent optical communication system by optimizing symbol decision boundary based on support vector machine. J. Opt. Commun. 2018, 410, 1–7. [Google Scholar] [CrossRef]
- Bidaki, E.; Kumar, S. A Raman-Pumped Dispersion and Nonlinearity Compensating Fiber for Fiber Optic Communications. IEEE Photonics J. 2019, 12, 1–17. [Google Scholar] [CrossRef]
- Aref, V.; Le, S.T.; Buelow, H. Modulation Over Nonlinear Fourier Spectrum: Continuous and Discrete Spectrum. J. Lightwave Technol. 2018, 36, 1289–1295. [Google Scholar] [CrossRef]
- Deepa, T.; Mathur, H.; Bharathiraja, N.; Sunitha, K.A. Spectrally efficient multicarrier modulation system for visible light communication. Int. J. Electr. Comput. Eng. 2019, 9, 1184–1190. [Google Scholar] [CrossRef]
- Ali, F.; Khan, Y.; Shafique Qureshi, S. Transmission performance comparison of 16 × 100 Gbps dense wavelength division multiplexed long haul optical network at different advance modulation formats under influence of nonlinear impairments. J. Opt. Commun. 2022, 43, 63–72. [Google Scholar] [CrossRef]
- Kamiyama, T.; Kobayashi, H.; Iwashita, K. Neural Network Nonlinear Equalizer in Long-Distance Coherent Optical Transmission Systems. IEEE Photonics Technol. Lett. 2021, 33, 421–424. [Google Scholar] [CrossRef]
- Miao, X.; Bi, M.; Fu, Y.; Li, L.; Hu, W. Experimental study of NRZ, Duobinary, and PAM-4 in O-band DML-based 100G-EPON. IEEE Photonics Technol. Lett. 2017, 29, 1490–1493. [Google Scholar] [CrossRef]
- Suydam, B. Self-Steepening of Optical Pulses. In The Supercontinuum Laser Source; Alfano, R.R., Ed.; Springer: New York, NY, USA, 2006. [Google Scholar]
- Zhao, J.; Liu, Y.; Xu, T. Real-time phase delay compensation of PGC demodulation in sinusoidal phase-modulation interferometer for nanometer displacement measurement. J. Appl. Sci. 2019, 9, 4192. [Google Scholar] [CrossRef] [Green Version]
- Ivaniga, T.; Ivaniga, P. Suppression of Nonlinear XPM Phenomenon by Selection of Appropriate Transmit Power Levels in the DWDM System. Int. J. Opt. 2019, 2019, 9357949. [Google Scholar] [CrossRef]
- Dar, R.; Feder, M.; Mecozzi, A.; Shtaif, M. Pulse collision picture of inter-channel nonlinear interference in fiber-optic communications. J. Lightw. Technol. 2016, 34, 593–607. [Google Scholar] [CrossRef]
- Stern, Y.; Zhong, K.; Schneider, T.; Zhang, R.; Ben-Ezra, Y.; Tur, M.; Zadok, A. Tunable sharp and highly selective microwave-photonic band-pass filters based on stimulated Brillouin scattering. Photonics Res. 2014, 2, B18–B25. [Google Scholar] [CrossRef]
- Ellis, A.D.; McCarthy, M.E.; Al Khateeb, M.A.Z.; Sorokina, M.; Doran, N.J. Performance limits in optical communications due to fiber nonlinearity. Adv. Opt. Photonics 2017, 9, 429–503. [Google Scholar] [CrossRef] [Green Version]




















| Developed Modulation | DP-16QAM | DP-32QAM | DP-64QAM |
|---|---|---|---|
| Entropy (bits/symb) | 4 | 5 | 4.33 |
| NMI threshold (bit/symb) | 3.6 | 4.5 | 3.79b |
| Data rate (Gbps) | 103 | 106 | 112 |
| Parameter | SMF (G-652.D) | SMF (G-657.A1) |
|---|---|---|
| Reference wavelength | 1550 nm | 1553 nm |
| Attenuation | 0.2 dB/km | 0.22 dB/km |
| Dispersion | 16.75 ps/nm//km | 17 ps/nm//km |
| −20 ps/km | −18 ps/km | |
| 0 ps/km | −1 ps/km | |
| n | 263 m/W | 263m/W |
| Used Parameter | [38] | Proposed Model |
|---|---|---|
| Modulation scheme | QAM | DP-QAM |
| SMF | Conventional | Standard G-657A and G-652D |
| Nonlinearities | Yes | Yes |
| NLPns | No | Yes |
| DSP technique | Conventional DSP | Universal DSP |
Publisher’s Note: MDPI stays neutral with regard to jurisdictional claims in published maps and institutional affiliations. |
© 2022 by the author. Licensee MDPI, Basel, Switzerland. This article is an open access article distributed under the terms and conditions of the Creative Commons Attribution (CC BY) license (https://creativecommons.org/licenses/by/4.0/).
Share and Cite
Armghan, A. Implementation of Soft Decoding Mechanism for Addressing Nonlinearities in Long-Distance Optical Transmission System. Electronics 2022, 11, 1092. https://doi.org/10.3390/electronics11071092
Armghan A. Implementation of Soft Decoding Mechanism for Addressing Nonlinearities in Long-Distance Optical Transmission System. Electronics. 2022; 11(7):1092. https://doi.org/10.3390/electronics11071092
Chicago/Turabian StyleArmghan, Ammar. 2022. "Implementation of Soft Decoding Mechanism for Addressing Nonlinearities in Long-Distance Optical Transmission System" Electronics 11, no. 7: 1092. https://doi.org/10.3390/electronics11071092
APA StyleArmghan, A. (2022). Implementation of Soft Decoding Mechanism for Addressing Nonlinearities in Long-Distance Optical Transmission System. Electronics, 11(7), 1092. https://doi.org/10.3390/electronics11071092
