High-Speed Grouping and Decomposition Multiplier for Binary Multiplication
Abstract
1. Introduction
2. Methodology
2.1. Conventional Wallace Multiplier (4 × 4)
2.2. Conventional DADDA Multiplier (4 × 4)
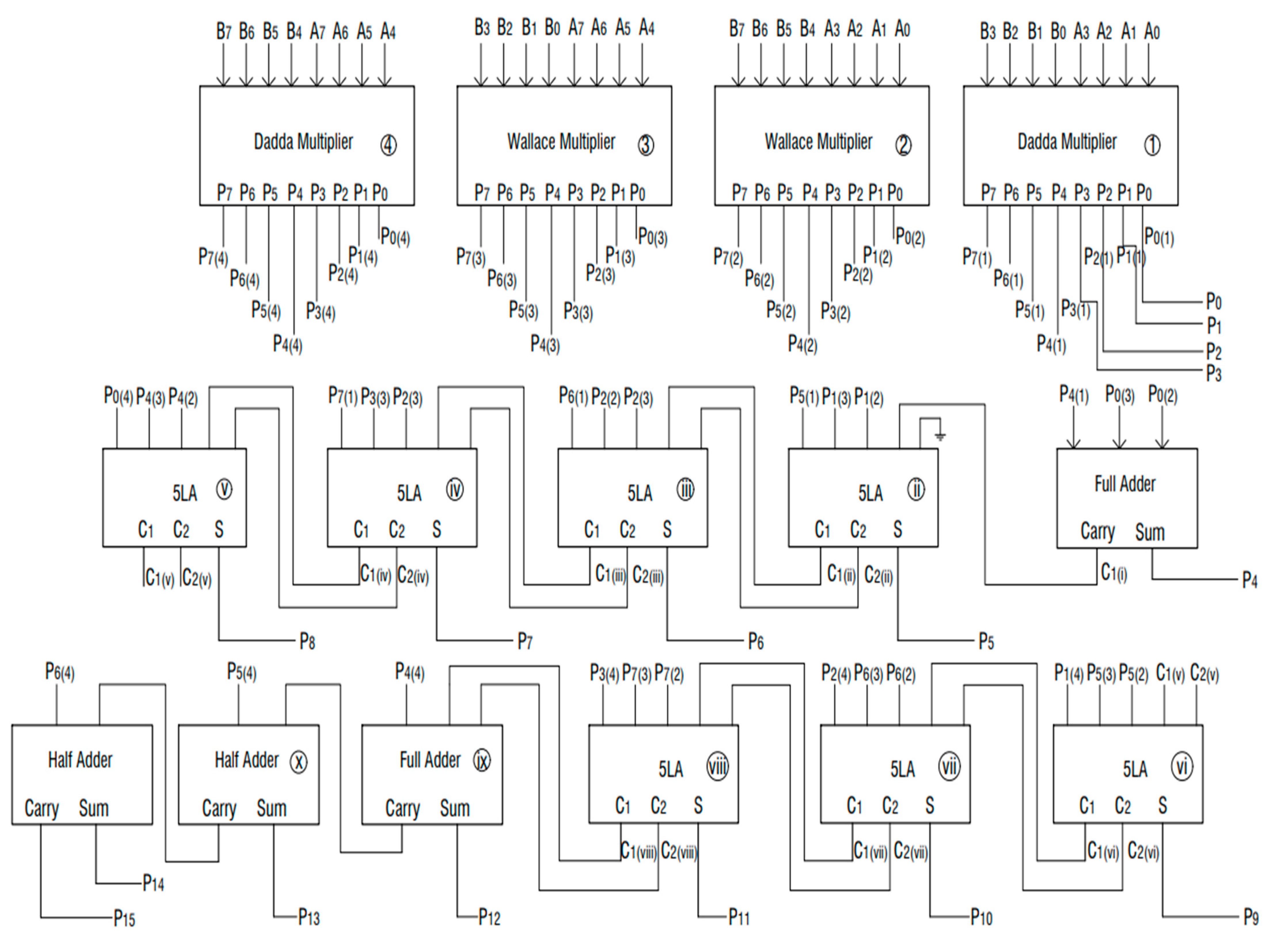
2.3. Proposed GD Multiplier (8 × 8)
- Partial products generation.
- Parallel grouping of partial products and decomposition of grouped bits using a 4 × 4 Wallace and a 4 × 4 Dadda multiplier.
- Final summations of bits performed using 5LA.
2.4. Back-End Design Implementation of Proposed and Existing Multiplier Design
3. Results and Discussion
3.1. Proposed GD Multiplier Implementation
3.2. Front-End Design Performance Comparison of the Proposed GD Multiplier Architecture with Existing Multiplier Architectures
3.3. Physical Design Implementation and Comparison Results against the Existing Multipliers
4. Conclusions
Author Contributions
Funding
Acknowledgments
Conflicts of Interest
References
- Wallace, C.S. A suggestion for a fast multiplier. IEEE Trans. Electron. Comput. 1964, 1, 14–17. [Google Scholar] [CrossRef]
- Kulkarni, P.; Gupta, P.; Ercegovac, M. Trading accuracy for power with an underdesigned multiplier architecture. In Proceedings of the 2011 24th Internatioal Conference on VLSI Design, Chennai, India, 2–7 January 2011; pp. 346–351. [Google Scholar]
- Habibi, A.; Wintz, P.A. Fast multipliers. IEEE Trans. Comput. 1970, 100, 153–157. [Google Scholar] [CrossRef]
- Bandi, V.L.; Gamini, P.; Harshith, B.S. Performance analysis of dadda multiplier using modified full adder. Int. J. Innov. Res. Comput. Commun. Eng. 2018, 6, 126–130. [Google Scholar]
- Baran, D.; Aktan, M.; Oklobdzija, V.G. Multiplier structures for low power applications in deep-CMOS. In Proceedings of the 2011 IEEE International Symposium of Circuits and Systems (ISCAS), Rio de Janeiro, Brazil, 15–18 May 2011; pp. 1061–1064. [Google Scholar]
- Townsend, W.J.; Swartzlander, E.E., Jr.; Abraham, J.A. A comparison of Dadda and Wallace multiplier delays. In Advanced Signal Processing Algorithms, Architectures, and Implementations XIII; SPIE: San Diego, CA, USA, 2003; Volume 5205. [Google Scholar]
- Weste, N.H.; Harris, D.M. Harris, Integrated Circuit Design; Pearson: Boston, MA, USA, 2010. [Google Scholar]
- Maurya, K.A.; Lakshmanna, Y.R.; Sindhuri, K.B.; Kumar, N.U. Design and implementation of 32-bit adders using various full adders. In Proceedings of the 2017 Innovations in Power and Advanced Computing Technologies (i-PACT), Vellore, India, 21–22 April 2017. [Google Scholar]
- Bandi, V. Performance Analysis Modified Full for Vedic Multiplier using Adders. In Proceedings of the 2017 Innovations in Power and Advanced Computing Technologies (i-PACT), Vellore, India, 21–22 April 2017. [Google Scholar]
- Ram, G.C.; Lakshmanna, Y.R.; Rani, D.S.; Sindhuri, K.B. Area Efficient Modified Vedic Multiplier. In Proceedings of the 2016 International Conference On Circuit, Power and Computing Technologies, Nagercoil, India, 18–19 March 2016; pp. 1–5. [Google Scholar]
- Akbari, O.; Kamal, M.; Afzali-Kusha, A.; Pedram, M. RAP-CLA: A reconfigurable approximate carry look-ahead adder. IEEE Trans. Circuits Syst. II Express Briefs 2016, 65, 1089–1093. [Google Scholar] [CrossRef]
- Raha, A.; Jayakumar, H.; Raghunathan, V. Input-based dynamic reconfiguration of approximate arithmetic units for video encoding. IEEE Trans. Very Large Scale Integr. (VLSI) Syst. 2015, 24, 846–857. [Google Scholar] [CrossRef]
- Sampson, A.; Dietl, W.; Fortuna, E.; Gnanapragasam, D.; Ceze, L.; Grossman, D. EnerJ: Approximate data types for safe and general low-power computation. In Proceedings of the 32nd ACM SIGPLAN Conference on Programming Language Design and Implementation (PLDI 11), New York, NY, USA, 4–8 June 2011; pp. 164–174. [Google Scholar]
- Sebastian, A.; Jose, F.; Gopakumar, K.; Thiyagarajan, P. Design and Implementation of an Efficient Dadda Multiplier Using Novel Compressors and Fast Adder. In Proceedings of the 2020 International Symposium on Devices, Circuits and Systems (ISDCS), Howrah, India, 4–6 March 2020; IEEE: Piscataway, NJ, USA; pp. 1–4. [Google Scholar]
- devi Ykuntam, Y.; Pavani, K.; Saladi, K. Design and analysis of High speed wallace tree multiplier using parallel prefix adders for VLSI circuit designs. In Proceedings of the 2020 11th International Conference on Computing, Communication and Networking Technologies (ICCCNT), Kharagpur, India, 1 July 2020; IEEE: Piscataway, NJ, USA; pp. 1–6. [Google Scholar]
- Pathak, K.C.; Sarvaiya, J.N.; Darji, A.D.; Diwan, S.; Gangadwala, A.; Bhatt, Z.; Patel, A. An Efficient Dadda Multiplier using Approximate Adder. In Proceedings of the 2020 IEEE Region 10 Conference (TENCON), Osaka, Japan, 16–19 November 2020; IEEE: Piscataway, NJ, USA; pp. 176–181. [Google Scholar]
- Jaiswal, K.B.; Kumar, N.; Seshadri, P.; Lakshminarayanan, G. Low power wallace tree multiplier using modified full adder. In Proceedings of the 2015 3rd International Conference on Signal Processing, Communication and Networking (ICSCN), Chennai, India, 26–28 March 2015; IEEE: Piscataway, NJ, USA; pp. 1–4. [Google Scholar]
- Devnath, B.C.; Biswas, S.N.; Datta, M.R. 4-bit Wallace and Dadda Multiplier design using novel hybrid 3-2 Counter. In Proceedings of the 2020 2nd International Conference on Advanced Information and Communication Technology (ICAICT), Dhaka, Bangladesh, 28–29 November 2020; IEEE: Piscataway, NJ, USA; pp. 189–194. [Google Scholar]
- Ram, G.C.; Rani, D.S.; Balasaikesava, R.; Sindhuri, K.B. Design of delay efficient modified 16 bit Wallace multiplier. In Proceedings of the 2016 IEEE International Conference on Recent Trends in Electronics, Information & Communication Technology (RTEICT), Bengaluru, India, 20–21 May 2016; IEEE: Piscataway, NJ, USA; pp. 1887–1891. [Google Scholar]
- Momeni, A.; Han, J.; Montuschi, P.; Lombardi, F. Design and analysis of approximate compressors for multiplication. IEEE Trans. Comput. 2014, 64, 984–994. [Google Scholar] [CrossRef]
- Akbari, O.; Kamal, M.; Afzali-Kusha, A.; Pedram, M. Dual-quality 4: 2 compressors for utilizing in dynamic accuracy configurable multipliers. IEEE Trans. Very Large Scale Integr. (VLSI) Syst. 2017, 25, 1352–1361. [Google Scholar] [CrossRef]
- Elguibaly, F. A Fast Parallel Multiplier-Accumulator Using the Modified Booth Algorithm. IEEE Trans. Circuits Syst. 2000, 47, 902–908. [Google Scholar] [CrossRef]
- Wang, Z.; Jullien, G.A.; Miller, W.C. A new design technique for column compression multipliers. IEEE Trans. Comput. 1995, 44, 962–970. [Google Scholar] [CrossRef]
- Kakde, S.; Khan, S.; Dakhole, P.; Badwaik, S. Design of area and power aware reduced Complexity Wallace Tree multiplier. In Proceedings of the 2015 International Conference on Pervasive Computing (ICPC), Pune, India, 8–10 January 2015; IEEE: Piscataway, NJ, USA; pp. 1–6. [Google Scholar]
- Waters, R.S.; Swartzlander, E.E. A reduced complexity wallace multiplier reduction. IEEE Trans. Comput. 2010, 59, 1134–1137. [Google Scholar] [CrossRef]
- Asif, S.; Kong, Y. Low-area Wallace multiplier. In Vlsi Design; Hindawi Limited: London, UK, 12 May 2014; pp. 1–16. [Google Scholar] [CrossRef]
- Senapati, R.K.; Ravindra, J. Low-power near-explicit 5: 2 compressor for superior performance multipliers. Int. J. Eng. 2018, 11, 529–545. [Google Scholar]
- Priya, K.B.; Sudarmani, R. Performance analysis of Dadda multiplier using 5:2 compressor and its applications. Int. J. Adv. Inf. Sci. Technol. 2016, 5, 72–78. [Google Scholar]
- Asif, S.; Kong, Y. Design of an algorithmic Wallace multiplier using high speed counters. In Proceedings of the 2015 Tenth International Conference on Computer Engineering & Systems (ICCES), Cairo, Egypt, 23–24 December 2015; IEEE: Piscataway, NJ, USA; pp. 133–138. [Google Scholar]












| Title | Multiplier | Computational Time | Power Consumption/ Area Consumption | Implementation Tool/ Technological Node | |
|---|---|---|---|---|---|
| 1. | Design and Implementation of an Efficient Dadda Multiplier Using Novel Compressors and Fast Adder | 16-bit Dadda multiplier with 4–2 | 20.612 ns | 84 slices | Xilinx ISE |
| 2. | Design and Analysis of High speed Wallace Tree Multiplier Using Parallel Prefix Adders for VLSI Circuit Designs | 16-bit Wallace tree multiplier using Kogge–Stone adder compressors | 29.44 ns | 634 LUT | Xilinx ISE |
| 3. | An Efficient Dadda Multiplier using Approximate Adder | 8-bit Dadda multiplier using almost full adder | NA | 11.409 Watt/ 0.20 LUT | Xilinx ISE |
| 4. | Low-Power Wallace Tree Multiplier Using Modified Full Adder | 16-bit Wallace tree multiplier using full adder | 8.81 ns | 6.5534 mW/ 12,627.71 μm2 | Synopsys design compiler using SAED 90 nm CMOS technology |
| 5. | 4-bit Wallace and Dadda Multiplier Design Using Novel Hybrid 3–2 Counter | 4-bit Dadda multiplier with hybrid full adder | 220.9 ps | 20.34 μW | 65 nm technology |
| 6. | Design of Delay Efficient Modified 16-bit Wallace Multiplier | 16 × 16-bit Wallace multiplier binary to excess code converter | 24.948 ns | 86.48 mW / 1019 LUT | Xilinx |
| 7. | Design and Analysis of Approximate Compressors for Multiplication | 8-bit Dadda multiplier with approximate 4–2 compressor | 44.35 ps | 1.14 μW | 32 nm HSPICE simulation |
| 8. | Dual-Quality 4:2 Compressors for Utilizing in Dynamic Accuracy Configurable Multipliers | 8-bit Dadda multiplier with dual-quality 4:2 compressors mixed | 0.25 ns | 424 μW/ 423 μm2 | 45 nm technology node |
| Parameters | Wallace Multiplier (4 × 4) | Dadda Multiplier (4 × 4) | GD Multiplier (4 × 4) |
|---|---|---|---|
| Delay (ns) | 1.7518 | 1.7518 | 1.2274 |
| Power (nW) | 1.604 | 1.567 | 1.659 |
| Power–Delay Product (PDP) (10−15) | 0.00280 | 0.00274 | 0.00203 |
| Hardware Requirements | 2 i/p AND gate = 16 | 2 i/p AND gate = 16 | 2 i/p AND gate = 16 |
| FA = 8 | FA = 8 | FA = 4 | |
| HA = 4 | HA = 4 | HA = 11 |
| Parameters | Wallace Multiplier (8 × 8) | Dadda Multiplier (8 × 8) | GD Multiplier (8 × 8) |
|---|---|---|---|
| Delay (ns) | 13.527 | 12.631 | 5.5199 |
| Power (nW) | 7.082 | 7.0370 | 7.9955 |
| Power–Delay Product (PDP) (10−15) | 0.0950 | 0.0888 | 0.0413 |
| Hardware Requirements | 2 i/p AND gate = 64 | 2 i/p AND gate = 64 | 2 i/p AND gate = 64 |
| FA = 53 | FA = 48 | FA = 54 | |
| HA = 8 | HA = 8 | HA = 18 |
| Parameters | Wallace Multiplier (8 × 8) | Dadda Multiplier (8 × 8) | GD Multiplier (8 × 8) |
|---|---|---|---|
| Computational time (ns) | 10.511 | 9.824 | 5.5159 |
| Power consumption (nW) | 7.1336 | 7.1390 | 8.1154 |
| Area consumption (mm2) | 2.1304 | 2.0092 | 2.3638 |
| Power–delay product (PDP) (10−15) | 0.0749 | 0.0713 | 0.0249 |
Publisher’s Note: MDPI stays neutral with regard to jurisdictional claims in published maps and institutional affiliations. |
© 2022 by the authors. Licensee MDPI, Basel, Switzerland. This article is an open access article distributed under the terms and conditions of the Creative Commons Attribution (CC BY) license (https://creativecommons.org/licenses/by/4.0/).
Share and Cite
Padmanabhan, K.K.; Seerengasamy, U.; Ponraj, A.S. High-Speed Grouping and Decomposition Multiplier for Binary Multiplication. Electronics 2022, 11, 4202. https://doi.org/10.3390/electronics11244202
Padmanabhan KK, Seerengasamy U, Ponraj AS. High-Speed Grouping and Decomposition Multiplier for Binary Multiplication. Electronics. 2022; 11(24):4202. https://doi.org/10.3390/electronics11244202
Chicago/Turabian StylePadmanabhan, Khamalesh Kumar, Umadevi Seerengasamy, and Abraham Sudharson Ponraj. 2022. "High-Speed Grouping and Decomposition Multiplier for Binary Multiplication" Electronics 11, no. 24: 4202. https://doi.org/10.3390/electronics11244202
APA StylePadmanabhan, K. K., Seerengasamy, U., & Ponraj, A. S. (2022). High-Speed Grouping and Decomposition Multiplier for Binary Multiplication. Electronics, 11(24), 4202. https://doi.org/10.3390/electronics11244202
