Study on Frequency Stability of an Independent System Based on Wind-Photovoltaic-Energy Storage-Diesel Generator
Abstract
:1. Introduction
2. Mathematical Modeling of Multi-Energy Power Generation Units
2.1. Mathematical Modelling of Wind Power
2.2. Mathematical Modeling of Photovoltaic Power
2.3. Mathematical Modeling of Energy Storage
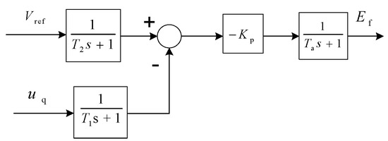
2.4. Mathematical Modeling of the Diesel Generators
3. Frequency Stability Analysis
3.1. Principle of Independent System Droop Calculation
3.2. Independent System Frequency Regulation Principle
4. Simulation Analysis
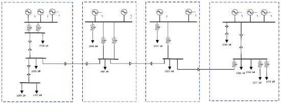
4.1. The Construction of Real Models
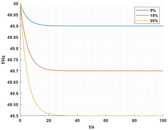
4.2. Simulation Analysis
5. Conclusions
Author Contributions
Funding
Institutional Review Board Statement
Informed Consent Statement
Data Availability Statement
Conflicts of Interest
References
- Meng, T. Frequency Control Strategy of Isolated Heterogenous Power Grid. Master’s Thesis, Harbin Institute of Technology, Heilongjiang, China, 2019. [Google Scholar]
- Yu, J.; Liao, S.; Xu, J. Frequency control strategy for coordinated energy storage system and flexible load in isolated power system. Energy Rep. 2022, 8, 966–979. [Google Scholar] [CrossRef]
- Yang, F.; Zhang, Z.; Zhao, S. Study on the operation frequency stability control measures of isolated power grid in small capacity area. Mod. Electr. Power 2013, 30, 64–68. [Google Scholar]
- Zhang, P.; Li, X.; Li, Z. Study on the Frequency Stability and Control Strategy of the Lonely Net. Power Syst. Prot. Control 2012, 40, 143–149+155+7–8. [Google Scholar]
- Iqbal, A.; Ying, D.; De, T.; Hayat, M.A.; Saleem, A.; Jamal, R. Design and simulation for co-ordinated analysis of wind/solar with storage microgrid. Energy Rep. 2020, 6, 1504–1511. [Google Scholar] [CrossRef]
- Liu, Y.; Zhao, Y.; Li, S. Research on the Application of Photovoltaic Power Generation System in Thermal Power Plant. Inn. Mong. Electr. Power Technol. 2022, 40, 36–39. [Google Scholar]
- Huang, X. Effect of new energy access on power quality of power grid. Commun. World 2018, 11, 115–116. [Google Scholar]
- Zhou, J.; Yan, T.; Guo, L.; Zhang, X. Analysis and Governance of Power Quality under Microgrid Background. Electr. Drive 2022, 52, 3-9+16. [Google Scholar]
- Hu, D.; Shi, G.; Cai, X.; Wang, J. Influence of wind power access on power grid stability of offshore oilfield platform. J. Power Syst. 2009, 33, 78–83+96. [Google Scholar]
- Xu, C.; Liu, N.; Zhao, H. Frequency control strategy of micro power based on secondary frequency modulation principle of power system. Power Syst. Prot. Control 2013, 41, 14–20. [Google Scholar]
- Liu, L.; Senjyu, T.; Kato, T.; Howlader, A.M.; Mandal, P.; Lotfy, M.E. Load frequency control for renewable energy sources for isolated power system by introducing large scale PV and storage battery. Energy Rep. 2020, 6, 1597–1603. [Google Scholar] [CrossRef]
- Li, B.; Zhou, L.; Yu, X.; Zheng, C.; Liu, X. Secondary frequency modulation scheme of microgrid inverter based on improved virtual synchronous generator algorithm. Power Grid Technol. 2017, 41, 2680–2687. [Google Scholar]
- Wang, R.; Jiang, H.; Zhao, Y.; Wang, C.; Wei, M. Fuzzy sliding mode control design for the stabilization of wind power generation system with permanent magnet synchronous generator. Energy Rep. 2022, 8, 1530–1537. [Google Scholar] [CrossRef]
- Ali, H.; Magdy, G.; Xu, D. A new optimal robust controller for frequency stability of interconnected hybrid microgrids considering non-inertia sources and uncertainties. Int. J. Electr. Power Energy Syst. 2021, 128, 106651. [Google Scholar] [CrossRef]
- Khamies, M.; Magdy, G.; Ebeed, M.; Kamel, S. A robust PID controller based on linear quadratic gaussian approach for improving frequency stability of power systems considering renewables. ISA Trans. 2021, 117, 118–138. [Google Scholar] [CrossRef] [PubMed]
- Zhuo, J.; Shen, X. Simulation software development for hydrogen production system of renewable energy power generation. Distrib. Energy 2021, 6, 47–55. [Google Scholar]
- Liu, Y.; Wang, H.; Han, S.; Yan, J.; Lu, Z. Real-time complementarity evaluation method of wind and light output volatility. Power Grid Technol. 2020, 44, 3211–3220. [Google Scholar]
- Mao, X.; Zhan, Y.; Liu, M.; Guo, L. Load power distribution method of isolated island operating microgrid based on optimal sag control under pilot node selection. J. Power Sources 2020, 15, 29–33. [Google Scholar]
- Zhang, X.; Zhu, D.; Xu, H. Virtual synchronous generator technology in distributed generation. J. Power Sources 2020, 3, 1–6+12. [Google Scholar]
- Hu, S.; Shi, Y.; Wang, X. Data-driven adaptive FM strategy of isolated island microgrid. Power J. 2020, 18, 5–11. [Google Scholar]
- Li, X.; Zhang, A.; Jing, J.; Han, H. A Review of Offshore Platform Power System Research. Power Grid Clean Energy. 2016, 32, 1–7. [Google Scholar]
- Fan, L. Research on the Control Method of Wind Turbine Participating in Power Grid Secondary Frequency Modulation. Master’s Thesis, SouthWest JiaoTong University, Sichuan, China, 2019. [Google Scholar]















| Access Node | Gross Rated Capacity/MW | Number | Load/MW |
|---|---|---|---|
| 1 2 3 4 | 21.8 7.5 11.2 18.06 | 3 2 2 3 | 10.729 2.743 5.786 9.612 |
| Penetration Rate of Wind Turbine and PV | Frequency Drop/Hz |
|---|---|
| 5% 15% 25% | 0.1 0.3 0.5 |
| Frequency Variation/Hz | The Amount of Active Change/MW |
|---|---|
| 0.1 0.2 0.3 0.4 0.5 | 1.4435 2.887 4.3305 5.774 7.2175 |
Publisher’s Note: MDPI stays neutral with regard to jurisdictional claims in published maps and institutional affiliations. |
© 2022 by the authors. Licensee MDPI, Basel, Switzerland. This article is an open access article distributed under the terms and conditions of the Creative Commons Attribution (CC BY) license (https://creativecommons.org/licenses/by/4.0/).
Share and Cite
Wu, Y.; Huang, C.; Dong, F.; Li, G.; Wang, G.; Zhang, S. Study on Frequency Stability of an Independent System Based on Wind-Photovoltaic-Energy Storage-Diesel Generator. Electronics 2022, 11, 3956. https://doi.org/10.3390/electronics11233956
Wu Y, Huang C, Dong F, Li G, Wang G, Zhang S. Study on Frequency Stability of an Independent System Based on Wind-Photovoltaic-Energy Storage-Diesel Generator. Electronics. 2022; 11(23):3956. https://doi.org/10.3390/electronics11233956
Chicago/Turabian StyleWu, Yonghu, Cun Huang, Fen Dong, Guoxiang Li, Gaowei Wang, and Sai Zhang. 2022. "Study on Frequency Stability of an Independent System Based on Wind-Photovoltaic-Energy Storage-Diesel Generator" Electronics 11, no. 23: 3956. https://doi.org/10.3390/electronics11233956
APA StyleWu, Y., Huang, C., Dong, F., Li, G., Wang, G., & Zhang, S. (2022). Study on Frequency Stability of an Independent System Based on Wind-Photovoltaic-Energy Storage-Diesel Generator. Electronics, 11(23), 3956. https://doi.org/10.3390/electronics11233956

