Buck-Boost DC-DC Converters for Fuel Cell Applications in DC Microgrids—State-of-the-Art
Abstract
1. Introduction
2. Coupling Behavior between FCs and DC-DC Converters
3. Buck-Boost Topologies
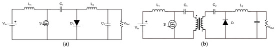
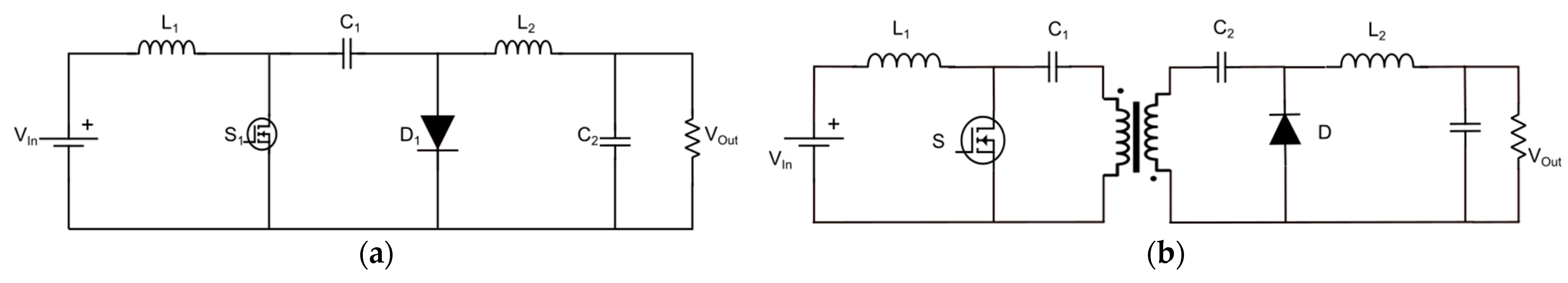
3.1. Ćuk-Based Converters
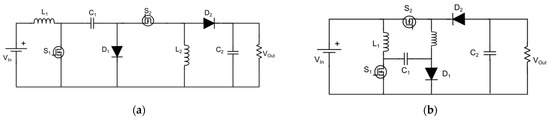
3.2. Quadratic Converters
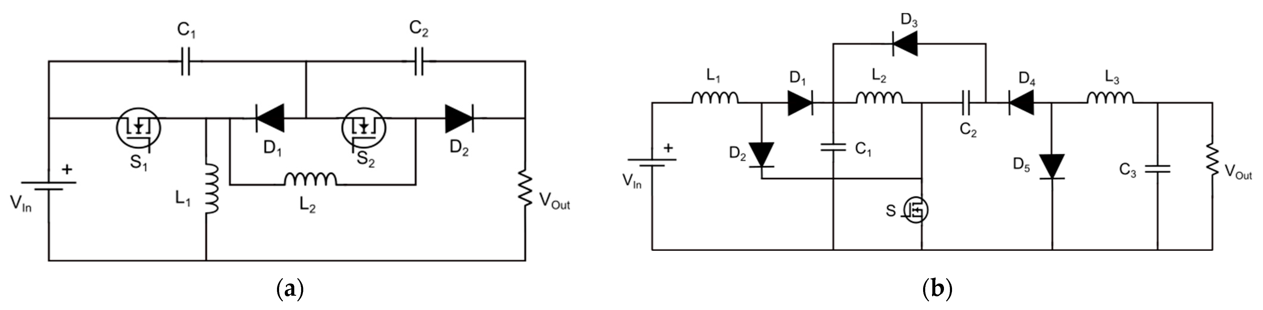
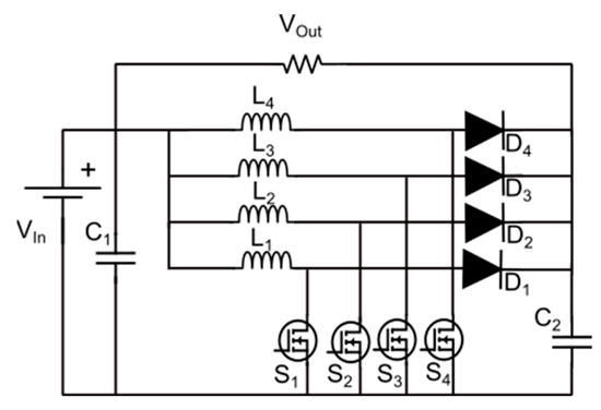
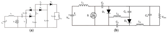
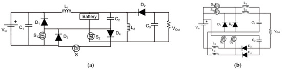
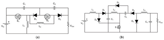
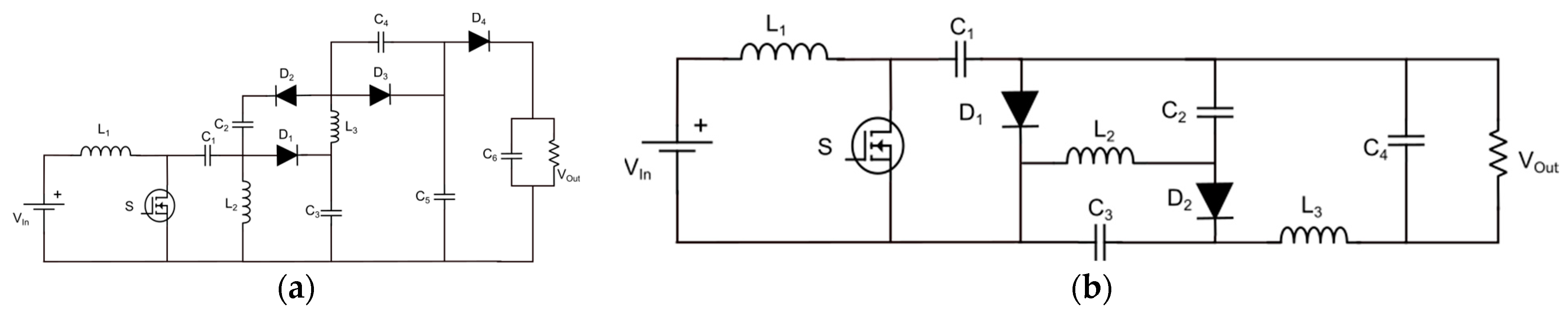
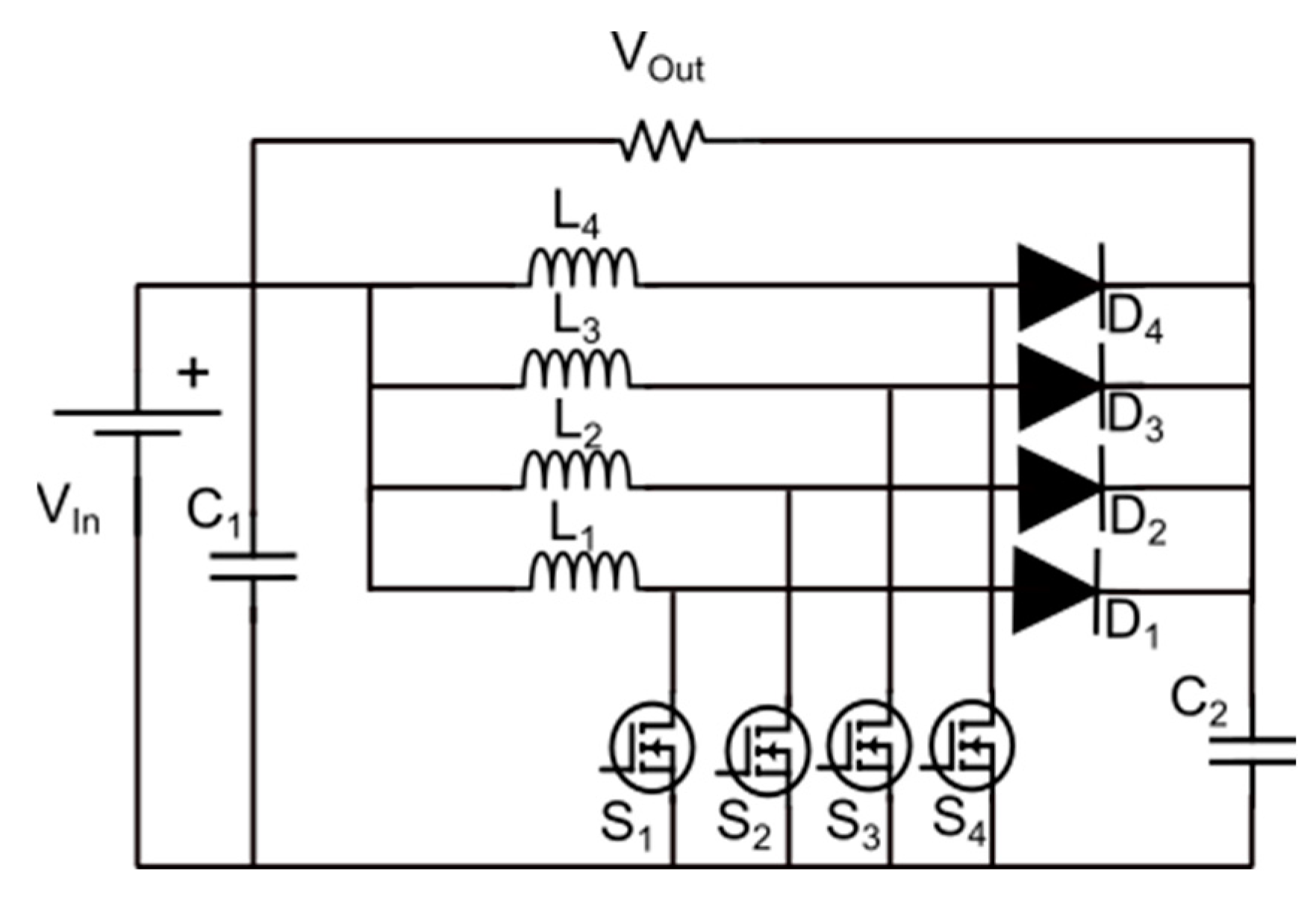
3.3. Fault-Tolerant DC-DC Converters
4. Conclusions
Author Contributions
Funding
Institutional Review Board Statement
Informed Consent Statement
Data Availability Statement
Acknowledgments
Conflicts of Interest
References
- Barbir, F. PEM Fuel Cells: Theory and Practice; Elsevier-Academic Press: Amsterdam, The Netherlands, 2005. [Google Scholar]
- Spiegel, C. Designing and Building Fuel Cells; Mcgraw-Hill: New York, NY, USA, 2007. [Google Scholar]
- Li, Z.; Zheng, Z.; Xu, L.; Lu, X. A review of the applications of fuel cells in microgrids: Opportunities and challenges. BMC Energy 2019, 1, 8. [Google Scholar] [CrossRef]
- Alam, M.; Kumar, K.; Srivastava, J.; Dutta, V. A Study on DC Microgrids Voltages based on Photovoltaic and Fuel Cell Power Generators. In Proceedings of the 7th International Conference on Renewable Energy Research and Applications (ICRERA), Paris, France, 14–17 October 2018; Volume 5, pp. 643–648. [Google Scholar] [CrossRef]
- Nishimura, A.; Kitagawa, S.; Hirota, M.; Kolhe, M.L. Energy Assessment of Building Integrated Photovoltaics and Fuel Cell Systems: Design Study for Building(s) of Mie, Japan. Smart Grid Renew. Energy 2017, 08, 129–144. [Google Scholar] [CrossRef][Green Version]
- Li, W.; Mou, X.; Zhou, Y.; Marnay, C. On Voltage Standards for DC Home Microgrids Energized by Distributed Sources. In Proceedings of the 2012 7th International Power Electronics and Motion Control Conference, ECCE Asia, IPEMC, Harbin, China, 2–5 June 2012; Volume 3, pp. 2282–2286. [Google Scholar] [CrossRef]
- Dragičević, T.; Lu, X.; Vasquez, J.C.; Guerrero, J.M. DC Microgrids—Part II: A Review of Power Architectures, Applications, and Standardization Issues. IEEE Trans. Power Electron. 2016, 31, 3528–3549. [Google Scholar] [CrossRef]
- Valdez-Resendiz, J.E.; Sanchez, V.M.; Rosas-Caro, J.C.; Mayo-Maldonado, J.C.; Sierra, J.M.; Barbosa, R. Continuous input-current buck-boost DC-DC converter for PEM fuel cell applications. Int. J. Hydrogen Energy 2017, 42, 30389–30399. [Google Scholar] [CrossRef]
- Chiu, H.J.; Lin, L.W. A bidirectional dc-dc converter for fuel cell electric vehicle driving system. IEEE Trans. Power Electron. 2006, 21, 950–958. [Google Scholar] [CrossRef]
- Kolli, A.; Gaillard, A.; de Bernardinis, A.; Bethoux, O.; Hissel, D.; Khatir, Z. A review on DC/DC converter architectures for power fuel cell applications. Energy Convers. Manag. 2015, 105, 716–730. [Google Scholar] [CrossRef]
- Guilbert, D.; Guarisco, M.; Gaillard, A.; N’Diaye, A.; Djerdir, A. FPGA based fault-tolerant control on an interleaved DC/DC boost converter for fuel cell electric vehicle applications. Int. J. Hydrogen Energy 2015, 40, 15815–15822. [Google Scholar] [CrossRef]
- Wang, H.; Gaillard, A.; Hissel, D. A review of DC/DC converter-based electrochemical impedance spectroscopy for fuel cell electric vehicles. Renew. Energy 2019, 141, 124–138. [Google Scholar] [CrossRef]
- Bhaskar, M.S.; Ramachandaramurthy, V.K.; Padmanaban, S.; Blaabjerg, F.; Ionel, D.M.; Mitolo, M.; Almakhles, D. Survey of DC-DC non-isolated topologies for unidirectional power flow in fuel cell vehicles. IEEE Access 2020, 8, 178130–178166. [Google Scholar] [CrossRef]
- Sreekumar, A.; Jiji, K.S. A Survey of DC-DC Converters for Fuel Cell Electric Vehicle Applications. In Proceedings of the 2021 2nd International Conference for Emerging Technology (INCET), Belagavi, India, 21–23 May 2021; pp. 1–5. [Google Scholar] [CrossRef]
- Ferrero, R.; Marracci, M.; Tellini, B. Impedance spectroscopy on a single PEM fuel cell for the evaluation of current ripple effects. In Proceedings of the 2012 IEEE International Instrumentation and Measurement Technology Conference Proceedings, Graz, Austria, 13–16 May 2012; pp. 52–56. [Google Scholar] [CrossRef]
- Fontes, G.; Turpin, C.; Saisset, R.; Meynard, T.; Astier, S. Interactions Between Fuel Cells and Power Converters: Influence of Current Harmonics on a Fuel Cell Stack. IEEE Trans. Power Electron. 2004, 6, 4729–4735. [Google Scholar] [CrossRef]
- Wahdame, B.; Girardot, L.; Hissel, D.; Harel, F.; Francois, X.; Candusso, D.; Pera, M.C.; Dumercy, L. Impact of power converter current ripple on the durability of a fuel cell stack. In Proceedings of the 2008 IEEE International Symposium on Industrial Electronics, Cambridge, UK, 30 June–2 July 2008; pp. 1495–1500. [Google Scholar] [CrossRef]
- Grötsch, M.; Mangold, M.; Kienle, A. Analysis of the coupling behavior of PEM fuel cells and DC-DC converters. Energies 2009, 2, 71–96. [Google Scholar] [CrossRef]
- Naik, M.V.; Samuel, P. Effect of duty ratio on fuel cell ripple current, power losses and converter efficiency. In Proceedings of the 2017 IEEE PES Asia-Pacific Power and Energy Engineering Conference (APPEEC), Bangalore, India, 8–10 November 2017; Volume 2017, pp. 1–6. [Google Scholar] [CrossRef]
- Ross, J.N.; Kalogirou, S.A. System Electronics, 3rd ed.; Edit. Elsevier Ltd.: Amsterdam, The Netherlands, 2018. [Google Scholar]
- Veerachary, M. Control of Split-inductor Based Buck-Boost Converter. In Proceedings of the 2018 IEEE 8th Power India International Conference (PIICON), Kurukshetra, India, 10–12 December 2018; pp. 6–11. [Google Scholar]
- Xu, W.; Cheng, K.W.E.; Chan, K.W. Application of Cuk converter together with Battery Technologies on the Low Voltage DC supply for Electric Vehicles. In Proceedings of the 2015 6th International Conference on Power Electronics Systems and Applications (PESA), Hong Kong, China, 15–17 December 2015. [Google Scholar] [CrossRef]
- Maroti, P.K.; Padmanaban, S.; Wheeler, P.; Blaabjerg, F.; Rivera, M. Modified High Voltage Conversion Inverting Cuk DC-DC Converter for Renewable Energy Application. In Proceedings of the 2017 IEEE Southern Power Electronics Conference (SPEC), Puerto Varas, Chile, 4–7 December 2017; Volume 2018, pp. 1–5. [Google Scholar] [CrossRef]
- Chen, J.; Maksimović, D.; Erickson, R.W. Analysis and Design of a Low-Stress Buck-Boost Converter in Universal-Input PFC Applications. IEEE Trans. Power Electron. 2006, 21, 320–329. [Google Scholar] [CrossRef]
- Rakshit, S.; Maity, J. Fuzzy Logic Controlled Ćuk Converter. In Proceedings of the 2018 International Conference on Communication and Signal Processing (ICCSP), Chennai, India, 3–5 April 2018; pp. 771–775. [Google Scholar] [CrossRef]
- Restrepo Patiño, C. PEM Fuel Cell Modeling and Converters Design for a 48 V DC Power Bus. PhD Thesis, Departament d’Enginyeria Electrònica, Elèctrica i Automàtica, University of Rovira I Virgili, Tarragona, Spain, 2012. [Google Scholar]
- Kim, E.S.; Kim, C.J.; Kim, Y.T. Controller Design for Cuk Converter Using Model Order Reduction. In Proceedings of the 2012 2nd International Conference on Power, Control and Embedded Systems, Allahabad, India, 17–19 December 2012. [Google Scholar] [CrossRef]
- McGee, B.R.; Nelms, R.M. Using a Cuk Converter to Interface a Pulsed Load to a Fuel Cell. In Proceedings of the Intersociety Energy Conversion Engineering Conference, Washington, DC, USA, 29–31 July 2002; pp. 313–318. [Google Scholar] [CrossRef]
- Khan, H.R.; Kazmi, M.; Ashraf, H.B.; Khalid, M.H.B.; Hasan, A.; Qazi, S.A. An isolated power factor corrected cuk converter with integrated magnetics for brushless dc ceiling fan applications. Electronics 2021, 10, 1720. [Google Scholar] [CrossRef]
- Ivanovic, Z.; Knezic, M. Modeling Push–Pull Converter for Efficiency Improvement. Electronics 2022, 11, 2713. [Google Scholar] [CrossRef]
- Maiti, D.; Mondal, N. Design procedure of a push pull current-fed dc-dc converter. In Proceedings of the National Power Electronics Conference (NPEC-2010), Uttarakhand, India, 10–13 June 2010; pp. 1–7. [Google Scholar]
- Dhimish, M.; Schofield, N. Single-switch boost-buck DC-DC converter for industrial fuel cell and photovoltaics applications. Int. J. Hydrogen Energy 2022, 47, 1241–1255. [Google Scholar] [CrossRef]
- Ajami, A.; Ardi, H.; Farakhor, A. Design, analysis and implementation of a buck-boost DC/DC converter. IET Power Electron. 2014, 7, 2902–2913. [Google Scholar] [CrossRef]
- Calvente, J.; Martinez-Salamero, L.; Valderrama, H.; Vidal-Idiarte, E. Using magnetic coupling to eliminate right half-plane zeros in boost converters. IEEE Power Electron. Lett. 2004, 2, 58–62. [Google Scholar] [CrossRef]
- Paduvalli, V.V.; Taylor, R.J.; Hunt, L.R.; Balsara, P.T. Mitigation of Positive Zero Effect on Nonminimum Phase Boost DC-DC Converters in CCM. IEEE Trans. Ind. Electron. 2018, 65, 4125–4134. [Google Scholar] [CrossRef]
- Mourra, O.; Fernandez, A.; Tonicello, F. Buck boost regulator (B2R) for spacecraft solar array power conversion. In Proceedings of the 2010 Twenty-Fifth Annual IEEE Applied Power Electronics Conference and Exposition (APEC), Palm Springs, CA, USA, 21–25 February 2010; pp. 1313–1319. [Google Scholar] [CrossRef]
- Restrepo, C.; Calvente, J.; Cid-Pastor, A.; el Aroudi, A.; Giral, R. A Noninverting Buck–Boost DC–DC Switching Converter With High Efficiency and Wide Bandwidth. IEEE Trans. Power Electron. 2011, 26, 2490–2503. [Google Scholar] [CrossRef]
- Ramirez-Murillo, H.; Restrepo, C.; Calvente, J.; Romero, A.; Giral, R. Energy management DC system based on current-controlled buck-boost modules. IEEE Trans. Smart Grid 2014, 5, 2644–2653. [Google Scholar] [CrossRef]
- Ramírez-Murillo, H.; Restrepo, C.; Calvente, J.; Romero, A.; Giral, R. Energy Management of a Fuel-Cell Serial-Parallel Hybrid System. IEEE Trans. Ind. Electron. 2015, 62, 5227–5235. [Google Scholar] [CrossRef]
- Ramirez-Murillo, H.; Restrepo, C.; Konjedic, T.; Calvente, J.; Romero, A.; Baier, C.R.; Giral, R. An Efficiency Comparison of Fuel-Cell Hybrid Systems Based on the Versatile Buck-Boost Converter. IEEE Trans. Power Electron. 2018, 33, 1237–1246. [Google Scholar] [CrossRef]
- Restrepo, C.; Konjedic, T.; Calvente, J.; Giral, R. Hysteretic Transition Method for Avoiding the Dead-Zone Effect and Subharmonics in a Noninverting Buck–Boost Converter. IEEE Trans. Power Electron. 2015, 30, 3418–3430. [Google Scholar] [CrossRef]
- Wei, C.L.; Chen, C.H.; Wu, K.C.; Ko, I.T. Design of an Average-Current-Mode Noninverting Buck–Boost DC–DC Converter With Reduced Switching and Conduction Losses. IEEE Trans. Power Electron. 2012, 27, 4934–4943. [Google Scholar] [CrossRef]
- Lee, Y.J.; Khaligh, A.; Emadi, A. A Compensation Technique for Smooth Transitions in a Noninverting Buck–Boost Converter. IEEE Trans. Power Electron. 2009, 24, 1002–1015. [Google Scholar] [CrossRef]
- Paul, R.; Maksimovic, D. Analysis of PWM Nonlinearity in Non-Inverting Buck-Boost Power Converters. In Proceedings of the 2008 IEEE Power Electronics Specialists Conference, Rhodes, Greece, 15–19 June 2008; Volume 3, pp. 3741–3747. [Google Scholar]
- Hosseini, S.H.; Ghazi, R.; Movahhed, S.K. A Novel High Gain Single-Switch DC-DC Buck-Boost Converter with Continuous Input and Output Power. In Proceedings of the 2019 24th Electrical Power Distribution Conference (EPDC), Khoramabad, Iran, 19–20 June 2019; pp. 10–15. [Google Scholar] [CrossRef]
- Rosas-Caro, J.C.; Sanchez, V.M.; Valdez-Resendiz, J.E.; Mayo-Maldonado, J.C.; Beltran-Carbajal, F.; Valderrabano-Gonzalez, A. Quadratic buck-boost converter with positive output-voltage and continuous input-current. In Proceedings of the 2018 28th International Conference on Electronics, Communications and Computers (CONIELECOMP), Cholula, Mexico, 21–23 February 2018; Volume 2018, pp. 152–158. [Google Scholar] [CrossRef]
- Zhang, N.; Zhang, G.; See, K.W.; Zhang, B. A single-switch quadratic buck-boost converter with continuous input port current and continuous output port current. IEEE Trans. Power Electron. 2018, 33, 4157–4166. [Google Scholar] [CrossRef]
- Mustafa, A.; Mekhilef, S. Dual Phase LLC Resonant Converter with Variable Frequency Zero Circulating Current Phase-Shift Modulation for Wide Input Voltage Range Applications. IEEE Trans. Power Electron. 2021, 36, 2793–2807. [Google Scholar] [CrossRef]
- Ahmad, J.; Siddique, M.D.; Sarwar, A.; Lin, C.H.; Iqbal, A. A high gain noninverting DC–DC converter with low voltage stress for industrial applications. Int. J. Circuit Theory Appl. 2021, 49, 4212–4230. [Google Scholar] [CrossRef]
- Khan, S.; Zaid, M.; Siddique, M.D.; Iqbal, A. Ultra high gain step up DC/DC converter based on switched inductor and improved voltage lift technique for high-voltage applications. IET Power Electron. 2022, 15, 932–952. [Google Scholar] [CrossRef]
- Miao, S.; Wang, F.; Ma, X. A New Transformerless Buck-Boost Converter with Positive Output Voltage. IEEE Trans. Ind. Electron. 2016, 63, 2965–2975. [Google Scholar] [CrossRef]
- Mostaan, A.; Gorji, S.A.; Soltani, M.N.; Ektesabi, M. A novel single switch transformerless quadratic DC/DC buck-boost converter. In Proceedings of the 2017 19th European Conference on Power Electronics and Applications (EPE’17 ECCE Europe), Warsaw, Poland, 11–14 September 2017; Volume 2017, pp. P1–P6. [Google Scholar] [CrossRef]
- Hasanpour, S.; Mostaan, A.; Baghramian, A.; Mojallali, H. Analysis, modeling, and implementation of a new transformerless semi-quadratic Buck–boost DC/DC converter. Int. J. Circuit Theory Appl. 2019, 47, 862–883. [Google Scholar] [CrossRef]
- Ding, S.; Wang, F. A New Negative Output Buck-Boost Converter with Wide Conversion Ratio. IEEE Trans. Ind. Electron. 2017, 64, 9322–9333. [Google Scholar] [CrossRef]
- Yang, S.; Bryant, A.; Mawby, P.; Xiang, D.; Ran, L.; Tavner, P. An industry-based survey of reliability in power electronic converters. IEEE Trans. Ind. Appl. 2011, 47, 1441–1451. [Google Scholar] [CrossRef]
- Siouane, S.; Jovanovic, S.; Poure, P. Open-switch fault-tolerant operation of a two-stage buck/buck-boost converter with redundant synchronous switch for PV systems. IEEE Trans. Ind. Electron. 2019, 66, 3938–3947. [Google Scholar] [CrossRef]
- Gao, D.; Jin, Z.; Liu, J.; Ouyang, M. An interleaved step-up/step-down converter for fuel cell vehicle applications. Int. J. Hydrogen Energy 2016, 41, 22422–22432. [Google Scholar] [CrossRef]
- Kolluri, S.; Narasamma, N.L. Analysis, modeling, design and implementation of average current mode control for interleaved boost converter. In Proceedings of the 2013 IEEE 10th International Conference on Power Electronics and Drive Systems (PEDS), Kitakyushu, Japan, 22–25 April 2013; pp. 280–285. [Google Scholar] [CrossRef]
- Khosroshahi, A.; Abapour, M.; Sabahi, M. Reliability evaluation of conventional and interleaved DC-DC boost converters. IEEE Trans. Power Electron. 2015, 30, 5821–5828. [Google Scholar] [CrossRef]
- Wang, D.; Wang, Z.; Peng, Z.; Zhang, Y.; Cheng, X.F. A Four-Phase Interleaved Buck-Boost Converter with Changed Load Connection for the Fuel Cell Activation. IEEE Access 2021, 9, 102104–102113. [Google Scholar] [CrossRef]
- Samavatian, V.; Radan, A. A novel low-ripple interleaved buck-boost converter with high efficiency and low oscillation for fuel-cell applications. Int. J. Electr. Power Energy Syst. 2014, 63, 446–454. [Google Scholar] [CrossRef]













| Converter | No. of Components | Current Profile | Voltage Gain | Efficiency (%) | Voltage/Current Stresses | ||||
|---|---|---|---|---|---|---|---|---|---|
| L | C | S | D | ||||||
| [8] | CIbB | 1 | 1 | 1 | 1 | Continuous I/O currents | 86.7–94.14 @45–18 W | ||
| [27] | Ćuk | 2 | 2 | 1 | 1 | Continuous I/O currents | Not reported | ||
| [28] | Isolated Ćuk | 2 * | 2 | 1 | 1 | Continuous I/O currents | Not reported | ||
| [32] | SSBb | 3 | 6 | 1 | 4 | Pulsating output current | 91–98 @12 A–1 A | ||
| [33] | CBSS | 3 | 4 | 1 | 1 | Continuous I/O currents | Not reported | ||
| [37] | TSBb | 2 | 2 | 2 | 2 | Continuous I/O currents | 94.5–96 @96–240 W | ||
| [45] | NISBb | 3 | 4 | 1 | 2 | Continuous I/O currents | Not reported | ||
| [46] | QBBPO | 2 | 2 | 2 | 2 | Continuous I/O currents | Not reported | ||
| [47] | SSQBB | 3 | 3 | 1 | 5 | Continuous I/O currents | 60–83 @Vo = 60 V–68 V | ||
| [53] | SQBuBoC | 2 | 2 | 2 | 2 | Pulsating output current | 95 @50 W | ||
| [54] | NOBB | 2 | 2 | 2 | 2 | Pulsating output current | 90 @45 W | ||
| [56] | FTbbB | 2 | 3 | 3 | 4 | Pulsating output current | Not reported | Not reported | |
| [57] | ISUSD | 4 | 2 | 4 | 4 | Continuous I/O currents | 95 @37.5 A | Not reported | |
| [60] | 4PIBb | 4 | 2 | 4 | 4 | Continuous I/O currents | 91–93 @39.6–15 kW | ||
Publisher’s Note: MDPI stays neutral with regard to jurisdictional claims in published maps and institutional affiliations. |
© 2022 by the authors. Licensee MDPI, Basel, Switzerland. This article is an open access article distributed under the terms and conditions of the Creative Commons Attribution (CC BY) license (https://creativecommons.org/licenses/by/4.0/).
Share and Cite
Andrade, P.; Alcaso, A.N.; Bento, F.; Marques Cardoso, A.J. Buck-Boost DC-DC Converters for Fuel Cell Applications in DC Microgrids—State-of-the-Art. Electronics 2022, 11, 3941. https://doi.org/10.3390/electronics11233941
Andrade P, Alcaso AN, Bento F, Marques Cardoso AJ. Buck-Boost DC-DC Converters for Fuel Cell Applications in DC Microgrids—State-of-the-Art. Electronics. 2022; 11(23):3941. https://doi.org/10.3390/electronics11233941
Chicago/Turabian StyleAndrade, Pedro, Adérito Neto Alcaso, Fernando Bento, and Antonio J. Marques Cardoso. 2022. "Buck-Boost DC-DC Converters for Fuel Cell Applications in DC Microgrids—State-of-the-Art" Electronics 11, no. 23: 3941. https://doi.org/10.3390/electronics11233941
APA StyleAndrade, P., Alcaso, A. N., Bento, F., & Marques Cardoso, A. J. (2022). Buck-Boost DC-DC Converters for Fuel Cell Applications in DC Microgrids—State-of-the-Art. Electronics, 11(23), 3941. https://doi.org/10.3390/electronics11233941

