Application of Artificial Intelligent Techniques for Power Quality Improvement in Hybrid Microgrid System
Abstract
1. Introduction
- Design an HMG with a suitable intelligent MPPT technique for PV and WT systems.
- Enhance the PQ by compensating the harmonics and reactive power in both grid and islanded modes by using AI techniques.
- Use the proposed HAPF connected to the hybrid MG integrated power system to deliver total harmonic distortion (THD) values below the IEEE-519 standard tolerance of 5%.
- Offer a faster and more reliable harmonic correction technique in order to produce the reference current.
2. System Configuration
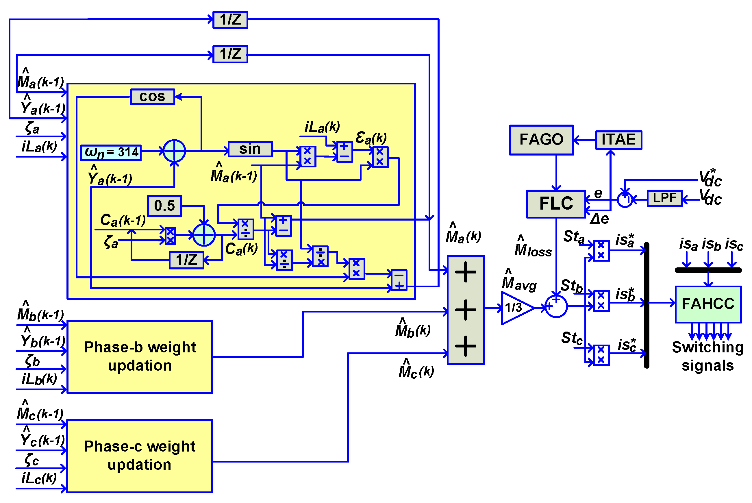
3. Control Strategy
3.1. Fuzzy Adaptive Grasshopper Optimization Algorithm
| Algorithm 1. Pseudo code of FAGOA. | |
| Fuzzy Adaptive Grasshopper OptimizationAlgorithm (FAGOA) | |
| 1: | Initialization: Create the first generation of grasshoppers, and measure the fitness function of each individual |
| 2: | Find the best member and label it as “Gbest ” |
| 3: | while m < Max iteration do |
| 4: | for each search agent do |
| 5: | Measure global and local importance factors |
| 6: | Calculate decreasing factor using FLC to measure decreasing factor.(F; t) based on global and local priority factors |
| 7: | Revise the search agent using Equation (12) |
| 8: | end for |
| 9: | Update “Gbest” |
| 10: | m = m + 1 |
| 11: | end while |
| 12: | Return “Gbest” |
3.2. Modified Recursive Gauss-Newton Method
3.2.1. Generation of Fundamental Reference Magnitude of Current
3.2.2. Calculations of Switching Losses
3.2.3. Generation of Switching Signals
3.3. AFL−MPPT Method
4. Results and Discussion
4.1. Grid Connected Mode
4.1.1. Steady State Analysis Using Inductive Load
4.1.2. Steady State Analysis Using Capacitive Load
4.1.3. Transient Analysis
4.2. Islanded Mode
4.3. Operation from the Grid to Islanded Mode
4.4. Real-Time Analysis
5. Conclusions
Author Contributions
Funding
Data Availability Statement
Conflicts of Interest
References
- Chawda, G.S.; Shaik, A.G.; Shaik, M.; Padmanaban, S.; Holm-Nielsen, J.B.; Mahela, O.P.; Kaliannan, P. Comprehensive Review on Detection and Classification of Power Quality Disturbances in Utility Grid With Renewable Energy Penetration. IEEE Access 2020, 8, 146807–146830. [Google Scholar] [CrossRef]
- Lakum, A.; Mahajan, V. Optimal placement and sizing of multiple active power filters in radial distribution system using grey wolf optimizer in presence of nonlinear distributed generation. Electr. Power Syst. Res. 2019, 173, 281–290. [Google Scholar] [CrossRef]
- Stanelyte, D.; Radziukynas, V. Review of Voltage and Reactive Power Control Algorithms in Electrical Distribution Networks. Energies 2019, 13, 58. [Google Scholar] [CrossRef]
- Oladeji, I.; Makolo, P.; Abdillah, M.; Shi, J.; Zamora, R. Security Impacts Assessment of Active Distribution Network on the Modern Grid Operation—A Review. Electronics 2021, 10, 2040. [Google Scholar] [CrossRef]
- Subramanian, V.; Indragandhi, V.; Kuppusamy, R.; Teekaraman, Y. Modeling and Analysis of PV System with Fuzzy Logic MPPT Technique for a DC Microgrid under Variable Atmospheric Conditions. Electronics 2021, 10, 2541. [Google Scholar] [CrossRef]
- Gholami, M.; Pilloni, A.; Pisano, A.; Usai, E. Robust Distributed Secondary Voltage Restoration Control of AC Microgrids under Multiple Communication Delays. Energies 2021, 14, 1165. [Google Scholar] [CrossRef]
- Tauqeer, H.A.; Saeed, F.; Yousuf, M.H.; Ahmed, H.; Idrees, A.; Khan, M.H.; Gelani, H.E. Proposed model of sustainable resource management for smart grid utilization. World Electr. Veh. J. 2021, 12, 70. [Google Scholar] [CrossRef]
- Bhagavathy, S.M.; Pillai, G. PV Microgrid Design for Rural Electrification. Designs 2018, 2, 33. [Google Scholar] [CrossRef]
- Liang, X.; Andalib-Bin-Karim, C. Harmonics and Mitigation Techniques Through Advanced Control in Grid-Connected Renewable Energy Sources: A Review. IEEE Trans. Ind. Appl. 2018, 54, 3100–3111. [Google Scholar] [CrossRef]
- Prabaharan, N.; Palanisamy, K. A comprehensive review on reduced switch multilevel inverter topologies, modulation techniques and applications. Renew. Sustain. Energy Rev. 2017, 76, 1248–1282. [Google Scholar] [CrossRef]
- El-Shahat, A.; Sumaiya, S. DC-microgrid system design, control, and analysis. Electronics 2019, 8, 124. [Google Scholar] [CrossRef]
- Das, S.R.; Ray, P.K.; Sahoo, A.K.; Ramasubbareddy, S.; Babu, T.S.; Kumar, N.M.; Alhelou, H.H.; Siano, P. Performance of Hybrid Filter in a Microgrid Integrated Power System Network Using Wavelet Techniques. Appl. Sci. 2020, 10, 6792. [Google Scholar] [CrossRef]
- Lotfi, H.; Khodaei, A. AC versus DC microgrid planning. IEEE Trans. Smart Grid 2015, 8, 296–304. [Google Scholar] [CrossRef]
- Beheshtaein, S.; Cuzner, R.M.; Forouzesh, M.; Savaghebi, M.; Guerrero, J.M. DC microgrid protection: A comprehensive review. IEEE J. Emerg. Sel. Top. Power Electron. 2019. [Google Scholar] [CrossRef]
- Mohammed, A.; Refaat, S.S.; Bayhan, S.; Abu-Rub, H. AC microgrid control and management strategies: Evaluation and review. IEEE Power Electron. Mag. 2019, 6, 18–31. [Google Scholar] [CrossRef]
- He, L.; Li, Y.; Guerrero, J.M.; Cao, Y. A Comprehensive Inertial Control Strategy for Hybrid AC/DC Microgrid With Distributed Generations. IEEE Trans. Smart Grid 2019, 11, 1737–1747. [Google Scholar] [CrossRef]
- Eghtedarpour, N.; Farjah, E. Power control and management in a hybrid AC/DC microgrid. IEEE Trans. Smart Grid 2014, 5, 1494–1505. [Google Scholar] [CrossRef]
- Rizvi, S.; Abu-Siada, A. Active Power Sharing in a Micro-Grid with Multiple Grid Connections. Designs 2022, 6, 24. [Google Scholar] [CrossRef]
- Moradzadeh, A.; Zakeri, S.; Shoaran, M.; Mohammadi-Ivatloo, B.; Mohammadi, F. Short-Term Load Forecasting of Microgrid via Hybrid Support Vector Regression and Long Short-Term Memory Algorithms. Sustainability 2020, 12, 7076. [Google Scholar] [CrossRef]
- Dawood, F.; Shafiullah, G.; Anda, M. Stand-Alone Microgrid with 100% Renewable Energy: A Case Study with Hybrid Solar PV-Battery-Hydrogen. Sustainability 2020, 12, 2047. [Google Scholar] [CrossRef]
- Ambia, M.N.; Al-Durra, A.; Caruana, C.; Muyeen, S. Power management of hybrid micro-grid system by a generic centralized supervisory control scheme. Sustain. Energy Technol. Assessments 2014, 8, 57–65. [Google Scholar] [CrossRef]
- Khatibzadeh, A.; Besmi, M.; Mahabadi, A.; Haghifam, M.R. Multi-Agent-Based Controller for Voltage Enhancement in AC/DC Hybrid Microgrid Using Energy Storages. Energies 2017, 10, 169. [Google Scholar] [CrossRef]
- Dey, B.; Márquez, F.P.G.; Basak, S.K. Smart Energy Management of Residential Microgrid System by a Novel Hybrid MGWOSCACSA Algorithm. Energies 2020, 13, 3500. [Google Scholar] [CrossRef]
- Nejabatkhah, F.; Li, Y.W.; Tian, H. Power Quality Control of Smart Hybrid AC/DC Microgrids: An Overview. IEEE Access 2019, 7, 52295–52318. [Google Scholar] [CrossRef]
- Oulis Rousis, A.; Tzelepis, D.; Konstantelos, I.; Booth, C.; Strbac, G. Design of a hybrid AC/DC microgrid using Homer Pro: Case study on an islanded residential application. Inventions 2018, 14, 55. [Google Scholar] [CrossRef]
- Latif, A.; Paul, M.; Das, D.C.; Hussain, S.S.; Ustun, T.S. Price based demand response for optimal frequency stabilization in ORC solar thermal based isolated hybrid microgrid under salp swarm technique. Electronics 2020, 9, 2209. [Google Scholar] [CrossRef]
- Guo, Q.; Xiao, F.; Tu, C.; Jiang, F.; Zhu, R.; Ye, J.; Gao, J. An overview of series-connected power electronic converter with function extension strategies in the context of high-penetration of power electronics and renewables. Renew. Sustain. Energy Rev. 2022, 156, 111934. [Google Scholar] [CrossRef]
- Kumar, M.; Uqaili, M.; Memon, Z.; Das, B. Experimental Harmonics Analysis of UPS (Uninterrupted Power Supply) System and Mitigation Using Single-Phase Half-Bridge HAPF (Hybrid Active Power Filter) Based on Novel Fuzzy Logic Current Controller (FLCC) for Reference Current Extraction (RCE). Adv. Fuzzy Syst. 2022, 2022, 1–18. [Google Scholar] [CrossRef]
- Ray, P.K.; Das, S.R.; Mohanty, A. Fuzzy-controller-designed-PV-based custom power device for power quality enhancement. IEEE Trans. Energy Convers. 2018, 34, 405–414. [Google Scholar] [CrossRef]
- Das, S.R.; Hota, A.P.; Pandey, H.M.; Sahoo, B.M. Industrial power quality enhancement using fuzzy logic based photovoltaic integrated with three phase shunt hybrid active filter and adaptive controller. Appl. Soft Comput. 2022, 121, 108762. [Google Scholar] [CrossRef]
- Ganjian-Aboukheili, M.; Shahabi, M.; Shafiee, Q.; Guerrero, J.M. Seamless Transition of Microgrids Operation From Grid-Connected to Islanded Mode. IEEE Trans. Smart Grid 2019, 11, 2106–2114. [Google Scholar] [CrossRef]
- Wang, Z.; Chen, B.; Wang, J. Decentralized energy management system for networked microgrids in grid-connected and islanded modes. IEEE Trans. Smart Grid 2015, 7, 1097–1105. [Google Scholar] [CrossRef]
- Talapur, G.G.; Suryawanshi, H.M.; Xu, L.; Shitole, A.B. A reliable microgrid with seamless transition between grid connected and islanded mode for residential community with enhanced power quality. IEEE Trans. Ind. Appl. 2018, 54, 5246–5255. [Google Scholar] [CrossRef]
- Martinek, R.; Rzidky, J.; Jaros, R.; Bilik, P.; Ladrova, M. Least Mean Squares and Recursive Least Squares Algorithms for Total Harmonic Distortion Reduction Using Shunt Active Power Filter Control. Energies 2019, 12, 1545. [Google Scholar] [CrossRef]
- Das, S.R.; Mishra, A.K.; Ray, P.K.; Mohanty, A.; Mishra, D.K.; Li, L.; Hossain, M.; Mallick, R.K. Advanced wavelet transform based shunt hybrid active filter in PV integrated power distribution system for power quality enhancement. IET Energy Syst. Integr. 2020, 2, 331–343. [Google Scholar]
- Dash, P.K.; Hasan, S. A fast recursive algorithm for the estimation of frequency, amplitude and phase of noisy sinusoid. IEEE Trans. Ind. Electron. 2011, 58, 4847–4856. [Google Scholar] [CrossRef]
- Chittora, P.; Singh, A.; Singh, M. Gauss–Newton-based fast and simple recursive algorithm for compensation using shunt active power filter. IET Gener. Transm. Distrib. 2017, 11, 1521–1530. [Google Scholar] [CrossRef]
- Asl, R.M.; Palm, R.; Wu, H.; Handroos, H. Fuzzy-based parameter optimization of adaptive unscented Kalman filter: Methodology and experimental validation. IEEE Access 2020, 8, 54887–54904. [Google Scholar] [CrossRef]
- Mishra, A.K.; Ray, P.K.; Mallick, R.K.; Mohanty, A.; Das, S.R. Adaptive fuzzy controlled hybrid shunt active power filter for power quality enhancement. Neural Comput. Appl. 2021, 33, 1435–1452. [Google Scholar] [CrossRef]
- Rezk, H.; Aly, M.; Al-Dhaifallah, M.; Shoyama, M. Design and hardware implementation of new adaptive fuzzy logic-based MPPT control method for photovoltaic applications. IEEE Access 2019, 7, 106427–106438. [Google Scholar] [CrossRef]
















| ΔE | NEL | NL | N | Z | P | PL | PEL | |
|---|---|---|---|---|---|---|---|---|
| E | ||||||||
| NEL | NEL | NEL | NEL | NEL | NL | N | Z | |
| NL | NEL | NEL | NEL | NL | N | Z | P | |
| N | NEL | NEL | NL | N | Z | P | PL | |
| Z | NEL | NL | N | Z | P | PL | PEL | |
| P | NL | N | Z | P | PL | PEL | PEL | |
| PL | N | Z | P | PL | PEL | PEL | PEL | |
| PEL | Z | P | PL | PEL | PEL | PEL | PEL | |
| Various Parameters | Different Condition | |||
|---|---|---|---|---|
| Inductive Load | Capacitive Load | |||
| Without HSAPF | With HSAPF | Without HSAPF | With HSAPF | |
| Grid Current THD in % | 17.06 | 2.28 | 43.39 | 4.35 |
| Load Current THD in % | 17.06 | 17.06 | 43.39 | 43.39 |
| PCC Voltage THD in % | 3.22 | 2.32 | 13.05 | 4.86 |
| Active Power Drawn by the Load from the grid in KW | 12.43 | 12.53 | 12.52 | 12.59 |
| Reactive Power Drawn by the Load from the grid in KVAR | 0.871 | −0.0058 | 0.1025 | 0.0025 |
| Power Factor Cos Ø | 0.9831 | 0.9983 | 0.9163 | 0.9951 |
Publisher’s Note: MDPI stays neutral with regard to jurisdictional claims in published maps and institutional affiliations. |
© 2022 by the authors. Licensee MDPI, Basel, Switzerland. This article is an open access article distributed under the terms and conditions of the Creative Commons Attribution (CC BY) license (https://creativecommons.org/licenses/by/4.0/).
Share and Cite
Das, S.R.; Mishra, A.K.; Ray, P.K.; Salkuti, S.R.; Kim, S.-C. Application of Artificial Intelligent Techniques for Power Quality Improvement in Hybrid Microgrid System. Electronics 2022, 11, 3826. https://doi.org/10.3390/electronics11223826
Das SR, Mishra AK, Ray PK, Salkuti SR, Kim S-C. Application of Artificial Intelligent Techniques for Power Quality Improvement in Hybrid Microgrid System. Electronics. 2022; 11(22):3826. https://doi.org/10.3390/electronics11223826
Chicago/Turabian StyleDas, Soumya Ranjan, Alok Kumar Mishra, Prakash Kumar Ray, Surender Reddy Salkuti, and Seong-Cheol Kim. 2022. "Application of Artificial Intelligent Techniques for Power Quality Improvement in Hybrid Microgrid System" Electronics 11, no. 22: 3826. https://doi.org/10.3390/electronics11223826
APA StyleDas, S. R., Mishra, A. K., Ray, P. K., Salkuti, S. R., & Kim, S.-C. (2022). Application of Artificial Intelligent Techniques for Power Quality Improvement in Hybrid Microgrid System. Electronics, 11(22), 3826. https://doi.org/10.3390/electronics11223826

