Development of Two-Stage Quartz-Crystal Oscillators Using Monolithic Four-Terminal CFOAs
Abstract
:1. Introduction
Although more than twenty years old, the currentconveyor appears to be an ‘idea whose time has come’ [1].A. S. Sedra, G. W. Roberts, and F. Gohh
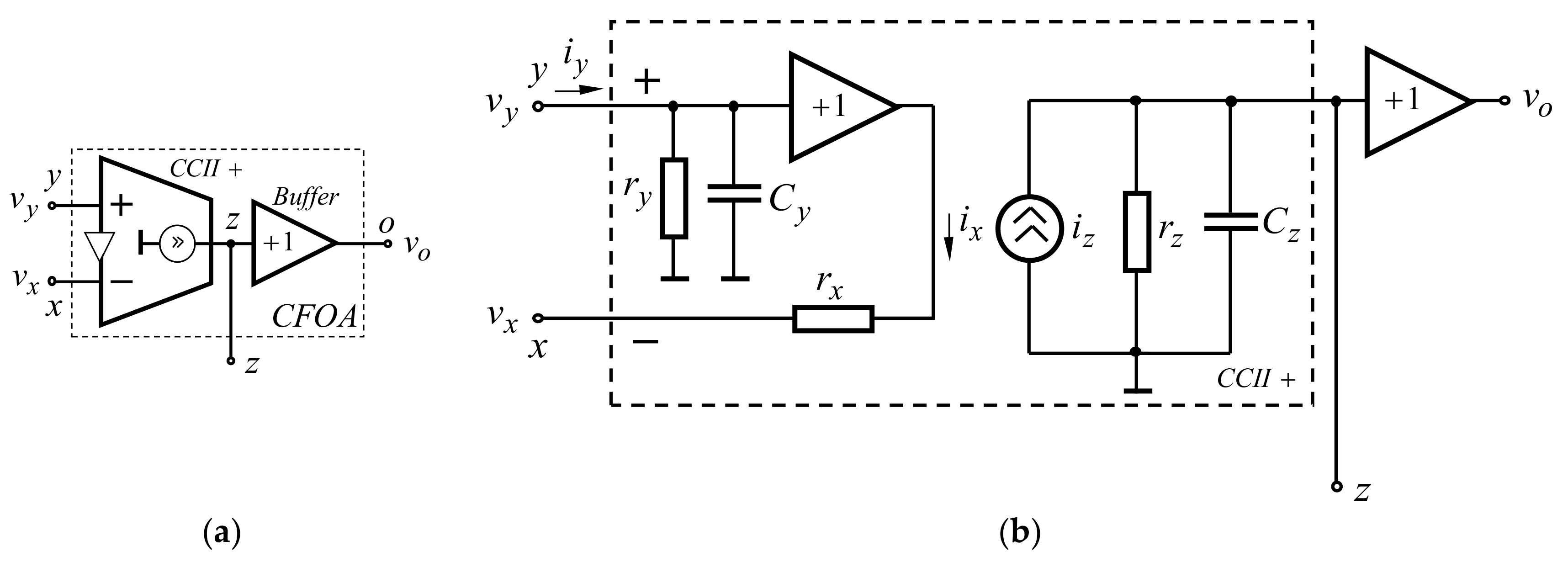
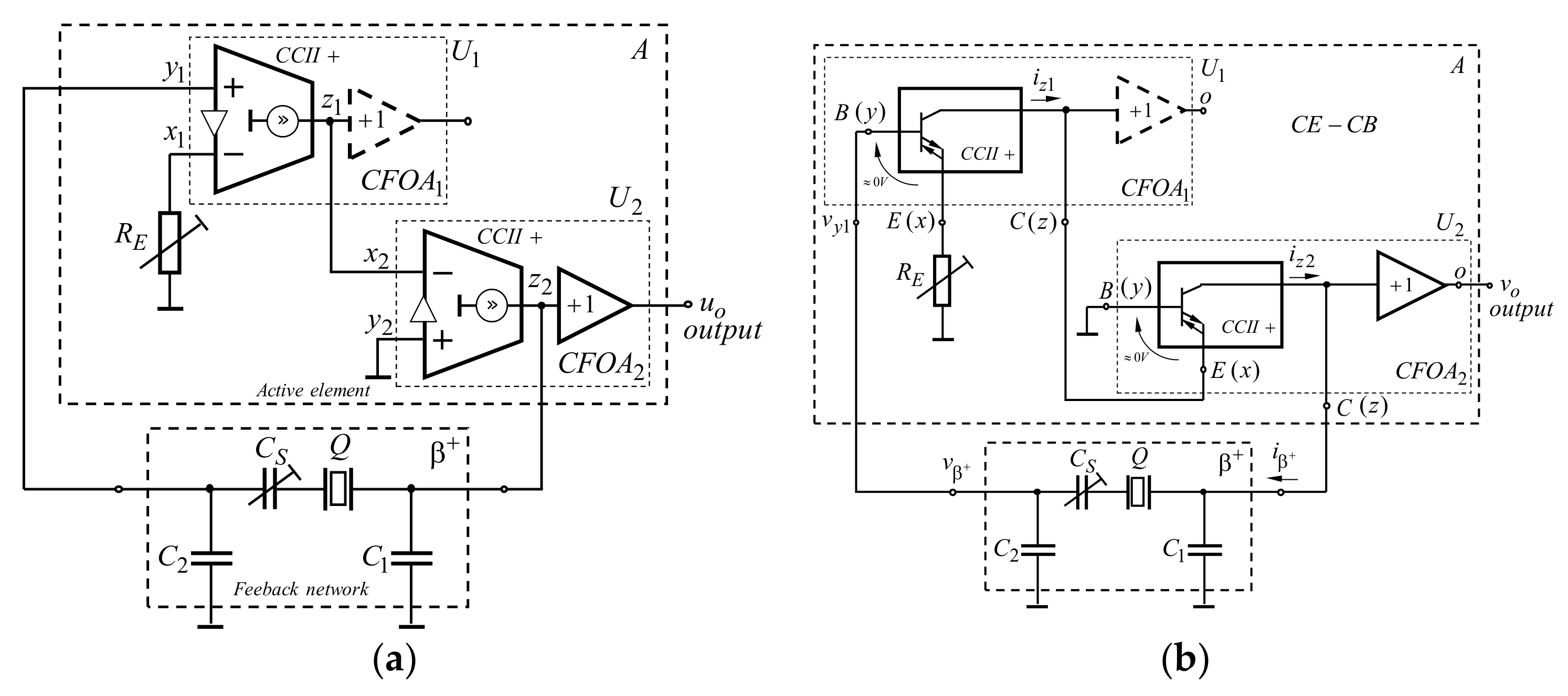
2. Structure and Basic Parameters of the Monolithic CFOAs with Externally Available z-Terminal
3. Theoretical Analysis of the Developed Two-Stage Oscillators
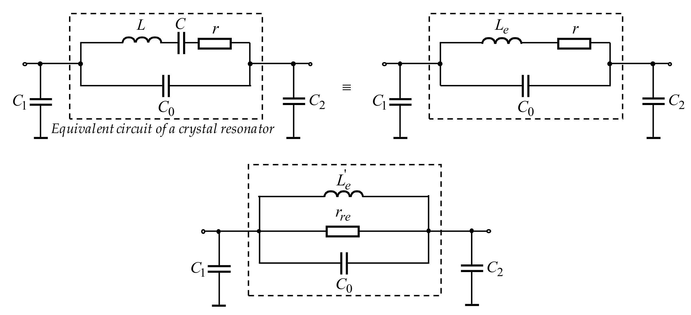
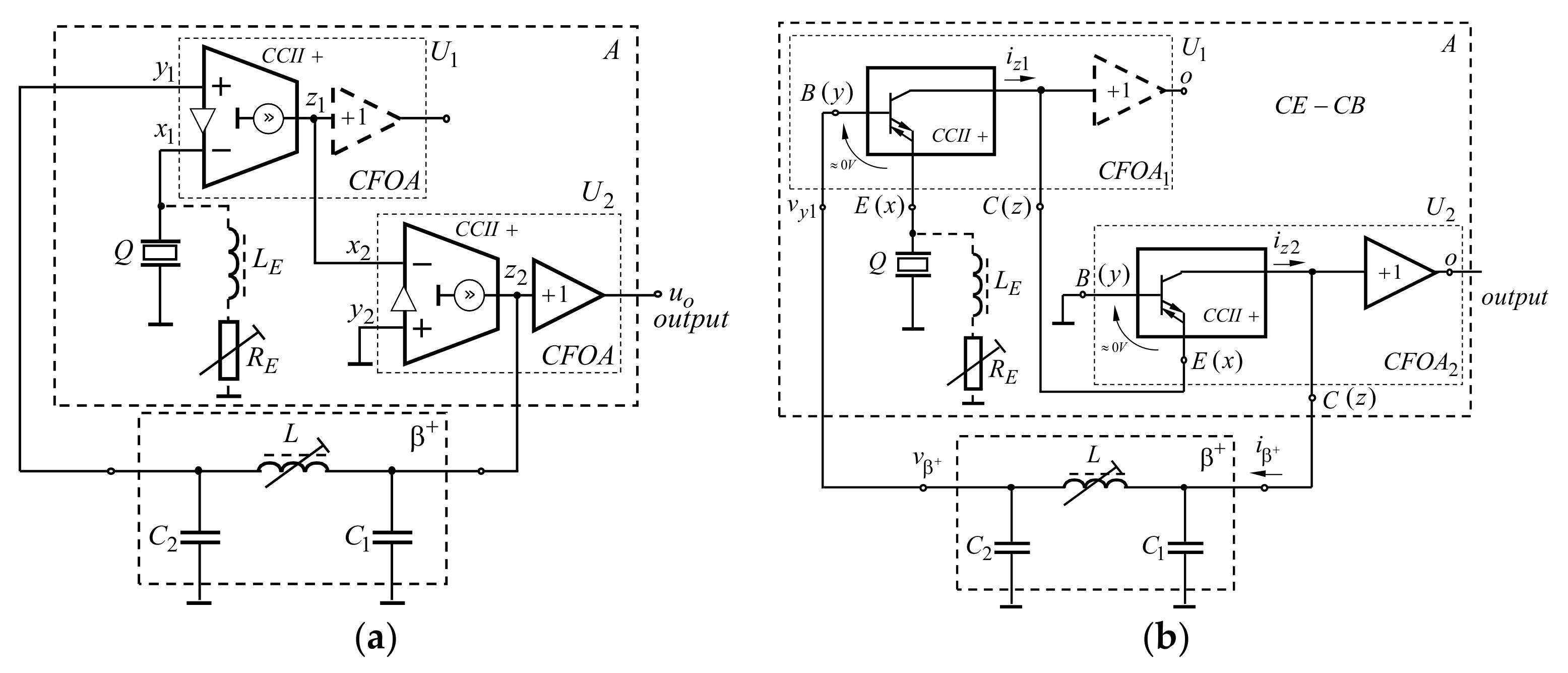
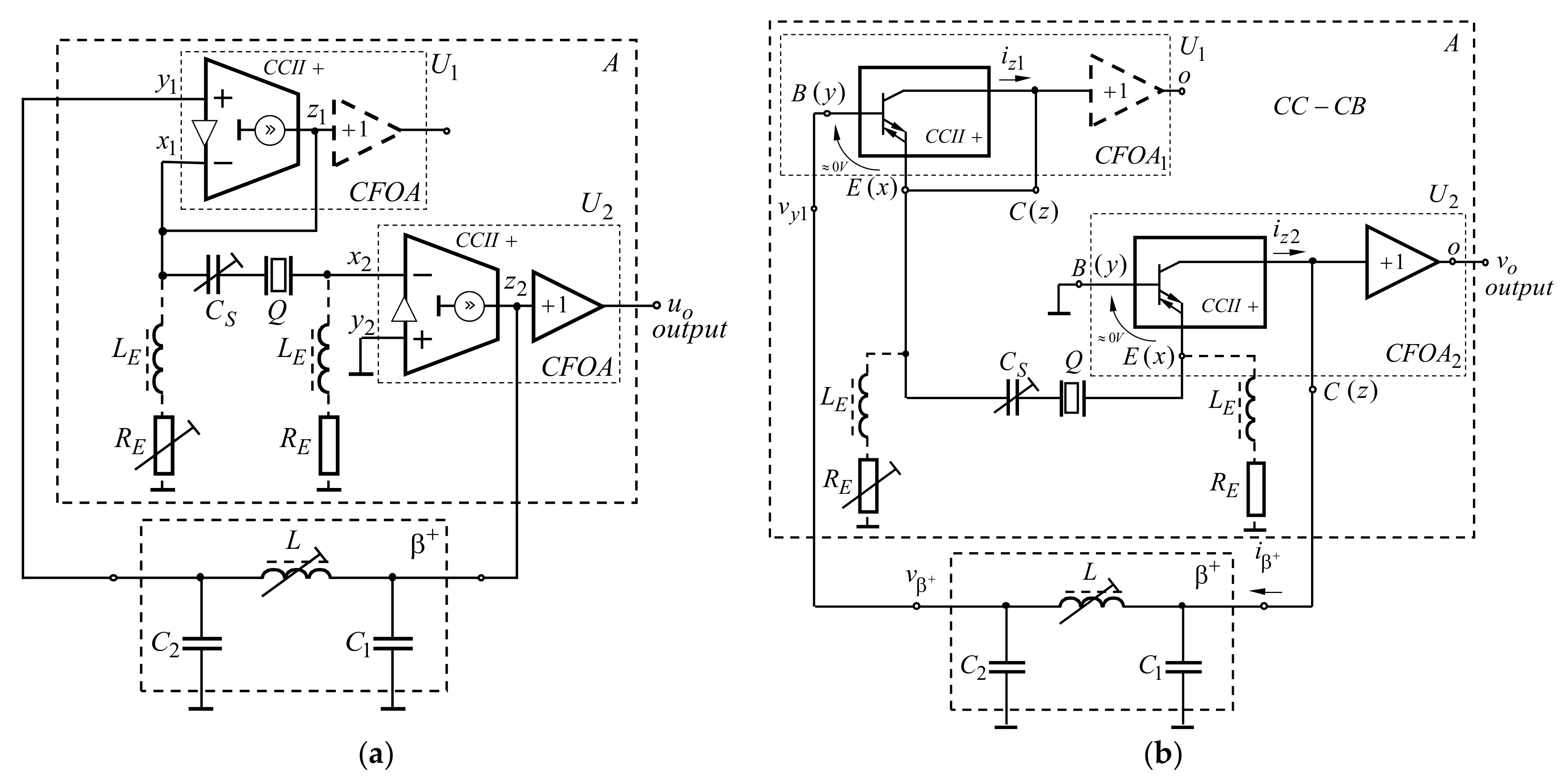
3.1. Two-Stage Oscillator with Quartz-Crystal Resonator, Which Is Behaving as an Inductor
3.2. Two-Stage Series-Mode Crystal Oscillators
4. Results and Discussion
5. Conclusions
Funding
Institutional Review Board Statement
Informed Consent Statement
Data Availability Statement
Acknowledgments
Conflicts of Interest
References
- Sedra, A.S.; Roberts, G.W.; Gohh, F. The current conveyor: History, progress and new results. IEE Proc. G—Circuits Devices Syst. 1990, 137, 78–87. [Google Scholar] [CrossRef]
- Vittoz, E.A.; Degrauwe, M.G.R.; Bitz, S. High-performance crystal oscillator circuits: Theory and application. IEEE J. Solid-State Circuits 1988, 23, 774–783. [Google Scholar] [CrossRef]
- Weng, P.-S.; Tang, H.-Y.; Ku, P.-C.; Lu, L.-H. 50 mV-Input Batteryless Boost Converter for Thermal Energy Harvesting. IEEE J. Solid-State Circuits 2013, 48, 1031–1041. [Google Scholar] [CrossRef]
- Bandyopadhyay, S.; Mercier, P.P.; Lysaght, A.C.; Stankovic, K.M.; Chandrakasan, A.P. A 1.1 nW energy-harvesting system with 544 pW quiescent power for next-generation implants. IEEE J. Solid-State Circuits 2014, 49, 2812–2824. [Google Scholar] [CrossRef]
- Matko, V.; Milanovič, M. High resolution switching mode inductance-to-frequency converter with temperature compensation. Sensors 2014, 14, 19242–19259. [Google Scholar] [CrossRef]
- Matko, V.; Milanovič, M. Detection principles of temperature compensated oscillators with reactance influence on piezoelectric resonator. Sensors 2020, 20, 802. [Google Scholar] [CrossRef]
- Yang, S.; Tan, M.; Yu, T.; Li, X.; Wang, X.; Zhang, J. Hybrid Reduced Graphene Oxide with Special Magnetoresistance for Wireless Magnetic Field Sensor. Nano-Micro Lett. 2020, 12, 69. [Google Scholar] [CrossRef]
- Tietze, V.; Schenk, C. Operational Amplifiers. In Electronic Circuits, 2nd ed.; Springer: New York, NY, USA, 2008; Chapter 5; pp. 483–586. [Google Scholar]
- Sedra, A.; Smith, K.; Carusone, T.; Gaudet, V. Oscillators. In Microelectronic Circuit, 8th ed.; Oxford University Press: New York, NY, USA; Oxford, UK, 2020; Chapter 15; pp. 1066–1107. [Google Scholar]
- Driscoll, M.M. Two-Stage Self-Limiting Series Mode Type Quartz-Crystal Oscillator Exhibiting Improved Short-Term Frequency Stability. IEEE Trans. Instrum. Meas. 1973, 22, 130–138. [Google Scholar] [CrossRef]
- Balan, V.; Pan, T. A crystal oscillator with automatic amplitude control and digitally controlled pulling range of /spl plusmn/100 ppm. In Proceedings of the 2002 IEEE International Symposium on Circuits and Systems (ISCAS), Phoenix-Scottsdale, AZ, USA, 26–29 May 2002; pp. 461–464. [Google Scholar]
- Addouche, M.; Brendel, R.; Gillet, D.; Ratier, N.; Lardet-Vieudrin, F.; Delporte, J. Modeling of quartz crystal oscillators by using nonlinear dipolar method. IEEE Trans. Ultrason. Ferroelectr. Freq. Control. 2003, 50, 487–495. [Google Scholar] [CrossRef]
- Hussein, K.M.; Hegazi, E. An All-Analog Method to Enhance Amplitude Stability in Pierce Crystal Oscillators. IEEE Trans. Circuits Syst. I Regul. Pap. 2012, 59, 463–470. [Google Scholar] [CrossRef]
- Iguchi, S.; Sakurai, T.; Takamiya, M. A Low-Power CMOS Crystal Oscillator Using a Stacked-Amplifier Architecture. IEEE J. Solid-State Circuits 2017, 52, 3006–3017. [Google Scholar] [CrossRef]
- Esmaeelzadeh, H.; Pamarti, S. A Sub-nW 32-kHz Crystal Oscillator Architecture Based on a DC-Only Sustaining Amplifier. IEEE J. Solid-State Circuits 2019, 54, 3247–3256. [Google Scholar] [CrossRef]
- Everard, J.; Burtichelov, T.; Ng, K. Ultralow Phase Noise 10-MHz Crystal Oscillators. IEEE Trans. Ultrason. Ferroelectr. Freq. Control. 2019, 66, 181–191. [Google Scholar] [CrossRef]
- Xu, Z.; Kimura, N.; Okada, K.; Miyahara, M. Ultralow-Power Class-C Complementary Colpitts Crystal Oscillator. IEEE Solid-State Circuits Lett. 2020, 3, 274–277. [Google Scholar] [CrossRef]
- Siniscalchi, M.; Silveira, F.; Galup-Montoro, C. Ultra-Low-Voltage CMOS Crystal Oscillators. IEEE Trans. Circuits Syst. I Regul. Pap. 2020, 67, 1846–1856. [Google Scholar] [CrossRef]
- Sedra, A.; Smith, K. A second-generation current conveyor and its applications. IEEE Trans. Circuit Theory 1970, 17, 32–134. [Google Scholar] [CrossRef]
- Toumazou, C.; Payne, A.; Lidgey, J. Current-Feedback Versus Voltage Feedback Amplifiers: History, Insight and Relationships. In Proceedings of the 1993 IEEE International Symposium on Circuits and Systems (ISCAS 93), Chicago, IL, USA, 3–6 May 1993; pp. 1046–1049. [Google Scholar]
- Barthélemy, H.; Gies, V.; Meillère, S.; Vauché, R.; Kussener, E.; Fourniol, M. CMOS voltage and current feedback opamps: A comparison between two similar topologies. Int. J. Electron. Lett. 2021, 9, 187–202. [Google Scholar] [CrossRef]
- Sloboda, J.; McGory, L.; Webb, S. Applications of a commercially available current conveyor. Int. J. Electron. 1991, 70, 159–164. [Google Scholar] [CrossRef]
- Soliman, A. Applications of the Current Feedback Operational Amplifiers. Analog. Integr. Circuits Signal Process. 1996, 11, 265–302. [Google Scholar] [CrossRef]
- Ivanisevic, I.I.; Vasiljevic, D.M. The quartz crystal oscillator realization using current conveyors. IEEE Trans. Circuits Syst. I Fundam. Theory Appl. 1993, 40, 530–533. [Google Scholar] [CrossRef]
- Popovic, J.; Pavasovic, A.; Zivkovic-Dzunja, Z.; Vasiljevic, D. CMOS crystal oscillators based on current conveyors. In Proceedings of the 1995 IEEE International Frequency Control Symposium (49th Annual Symposium), San Francisco, CA, USA, 31 May–2 June 1995; pp. 548–556. [Google Scholar]
- Popovic, J.; Pavasovic, A.; Zivkovic-DZunja, Z.; Vasiljevic, D. CMOS RLC and crystal oscillators based on current conveyors. IEEE Trans. Ultrason. Ferroelectr. Freq. Control. 1996, 43, 410–416. [Google Scholar] [CrossRef]
- Abuelma’atti, A.; Al-Ghazwani, A. New quartz crystal oscillators using the current-feedback operational amplifier. Act. Passiv. Electron. Compon. 2000, 23, 131–136. [Google Scholar] [CrossRef]
- Pandiev, I.; Todorov, T.; Yakimov, P.; Doychev, D. Current conveyor based sinusoidal oscillators employing quartz crystal resonators behaving as inductors. Annu. J. Electron. Sozopol Bulg. 2009, 3, 96–99, ISSN: 1313–1842. [Google Scholar]
- OPA860 Wide Bandwidth Operational Transconductance Amplifier and Buffer—Datasheet; Texas Instruments: Dallas, TX, USA, 2008; Available online: https://www.ti.com/product/OPA860 (accessed on 1 July 2022).
- OPA861 Wide Bandwidth Operational Transconductance Amplifier—Datasheet; Texas Instruments: Dallas, TX, USA, 2008; Available online: https://www.ti.com/product/OPA861 (accessed on 1 July 2022).
- AD844 60 MHz, 2000 V/μs, Monolithic Op Amp with Quad Low Noise—Datasheet; Analog Devices: Norwood, MA, USA, 2017; Available online: https://www.analog.com/en/products/ad844.html (accessed on 1 July 2022).
- LT1228 100 MHz Current Feedback Amplifier with DC Gain Control—Datasheet; Analog Devices: Norwood, MA, USA, 2012; Available online: https://www.analog.com/en/products/lt1228.html (accessed on 1 July 2022).
- Zlatarov, V.; Donevska, L.; Stamenov, D.; Nemigenchev, I. Multistage amplifiers. In Electronic Analog Circuits and Systems, 2nd ed.; Tehnika Publishing House: Sofia, Bulgaria, 1994; Chapter 3; pp. 62–99. (In Bulgarian) [Google Scholar]
- Knapp, G. Frequency Stability Analysis of Transistorized Crystal Oscillator. IEEE Trans. Instrum. Meas. 1963, 12, 2–6. [Google Scholar] [CrossRef]
- Enslein, K. An amplitude-stabilized bridged-t oscillator. Trans. Am. Inst. Electr. Eng. Part I Commun. Electron. 1958, 77, 75–79. [Google Scholar] [CrossRef]
- HC49U Series—Datasheet; Advanced Crystal Technology (ACT): Wokingham, UK, 2017; Available online: https://www.act.co.uk/cms/wp-content/uploads/2017/03/HC49U.pdf (accessed on 30 July 2022).
- 6mm Ceramic Trimmer Capacitor TSC6 Series—Datasheet; Suntan Capacitors: Fanling, Hong Kong, 2008; Available online: https://www.suntan.com.hk/pdf/Ceramic-Trimmer-Capacitors/TSC6.pdf (accessed on 1 August 2022).
- Multiturn Trimpot® Trimming Potentiometers—Datasheet; Bourns, Inc.: Riverside, CA, USA, 2015; Available online: https://www.bourns.com/docs/product-datasheets/3252.pdf?sfvrsn=29c2048d_7 (accessed on 1 August 2022).











Publisher’s Note: MDPI stays neutral with regard to jurisdictional claims in published maps and institutional affiliations. |
© 2022 by the author. Licensee MDPI, Basel, Switzerland. This article is an open access article distributed under the terms and conditions of the Creative Commons Attribution (CC BY) license (https://creativecommons.org/licenses/by/4.0/).
Share and Cite
Pandiev, I.M. Development of Two-Stage Quartz-Crystal Oscillators Using Monolithic Four-Terminal CFOAs. Electronics 2022, 11, 3027. https://doi.org/10.3390/electronics11193027
Pandiev IM. Development of Two-Stage Quartz-Crystal Oscillators Using Monolithic Four-Terminal CFOAs. Electronics. 2022; 11(19):3027. https://doi.org/10.3390/electronics11193027
Chicago/Turabian StylePandiev, Ivailo Milanov. 2022. "Development of Two-Stage Quartz-Crystal Oscillators Using Monolithic Four-Terminal CFOAs" Electronics 11, no. 19: 3027. https://doi.org/10.3390/electronics11193027
APA StylePandiev, I. M. (2022). Development of Two-Stage Quartz-Crystal Oscillators Using Monolithic Four-Terminal CFOAs. Electronics, 11(19), 3027. https://doi.org/10.3390/electronics11193027
