Advances in Ku-Band GaN Single Chip Front End for Space SARs: From System Specifications to Technology Selection
Abstract
:1. Introduction
2. Ku-Band GaN MMIC SCFE Design
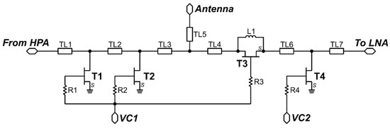
2.1. SCFE Architecture
2.2. MMIC Technology and Design
3. SCFE Experimental Characterization
3.1. MMIC SCFE Measured Performance
3.2. Receiver Recovery Time Test Setup
3.3. Receiver Recovery Time Experimental Results
4. Conclusions
Author Contributions
Funding
Data Availability Statement
Conflicts of Interest
References
- Masuda, S.; Yamada, M.; Kamada, Y.; Ohki, T.; Makiyama, K.; Okamoto, N.; Imanishi, K.; Kikkawa, T.; Shigematsu, H. GaN single-chip transceiver frontend MMIC for X-band applications. In Proceedings of the 2012 IEEE/MTT-S International Microwave Symposium Digest, Montreal, QC, Canada, 17–22 June 2012. [Google Scholar]
- Biondi, A.; D’Angelo, S.; Scappaviva, F.; Resca, D.; Monaco, V.A. Compact GaN MMIC T/R module front-end for X-band pulsed radar. In Proceedings of the 11th European Microwave Integrated Circuits Conference (EuMIC), London, UK, 3–4 October 2016. [Google Scholar]
- Schuh, P.; Sledzik, H.; Reber, R. GaN-based single-chip frontend for next-generation X-band AESA systems. Int. J. Microw. Wireless Technol. 2018, 10, 660–665. [Google Scholar] [CrossRef]
- van Heijningen, M.; de Hek, P.; Dourlens, C.; Fellon, P.; Adamiuk, G.; Ayllon, N.; van Vliet, F. C-band single-chip radar front-end in AlGaN/GaN technology. IEEE Trans. Microw. Theory Tech. 2017, 65, 4428–4437. [Google Scholar] [CrossRef]
- Giofrè, R.; Colangeli, S.; Ciccognani, W.; Costanzo, F.; Polli, G.; Salvucci, A.; Vittori, M.; Sotgia, M.; Cirillo, M.; Limiti, E. S-band GaN single-chip front end for active electronically scanned array with 40-W output power and 1.75-dB noise figure. IEEE Trans. Microw. Theory Tech. 2018, 66, 5696–5707. [Google Scholar] [CrossRef]
- Giofrè, R.; Ciccognani, W.; Colangeli, S.; Feudale, M.; Lanzieri, C.; Polli, G.; Salvucci, A.; Suriani, A.; Vittori, M.; Limiti, E. A C-Band GaN single chip front-end for SAR applications. In Proceedings of the 2020 IEEE Radio and Wireless Symposium (RWS), San Antonio, TX, USA, 26–29 January 2020. [Google Scholar]
- Pace, L.; Costanzo, F.; Longhi, P.E.; Ciccognani, W.; Colangeli, S.; Suriani, A.; Leblanc, R.; Limiti, E. Design of a Ka-Band Single-Chip Front-End based on a 100 nm GaN-on-Si technology. In Proceedings of the 2020 International Workshop on Integrated Nonlinear Microwave and Millimetre-Wave Circuits (INMMiC), Cardiff, UK, 16–17 July 2020; pp. 1–3. [Google Scholar]
- The European Space Agency—CRISTAL. Available online: https://www.esa.int/ESA_Multimedia/Images/2020/09/CRISTAL (accessed on 2 September 2022).
- Novaris, N.; Blount, P.; Trantanella, C. On the measurement of pulse recovery times in Gallium Nitride low noise amplifiers. In Proceedings of the 2017 47th European Microwave Conference (EuMC), Nuremberg, Germany, 10–12 October 2017; pp. 580–583. [Google Scholar]
- Liero, A.; Dewitz, M.; kuhn, S.; Chaturvedi, N.; Xu, J.; Rudolph, M. On the Recovery Time of Highly Robust Low-Noise Amplifiers. IEEE Trans. Microw. Theory Tech. 2010, 58, 781–787. [Google Scholar] [CrossRef]
- Axelsson, O.; Billström, N.; Rorsman, N.; Thorsell, M. Impact of Trapping Effects on the Recovery Time of GaN Based Low Noise Amplifiers. IEEE Microw. Wirel. Compon. Lett. 2016, 26, 31–33. [Google Scholar] [CrossRef]
- Nalli, A.; Raffo, A.; Avolio, G.; Vadalà, V.; Bosi, G.; Schreurs, D.M.M.-P.; Vannini, G. Extremely low-frequency measurements using an active bias tee. In Proceedings of the 2013 IEEE MTT-S International Microwave Symposium Digest (MTT), Seattle, WA, USA, 2–7 June 2013; pp. 1–4. [Google Scholar]
- Raffo, A.; Bosi, G.; Vadalà, V.; Vannini, G. Behavioral Modeling of GaN FETs: A Load-Line Approach. IEEE Trans. Microw. Theory Tech. 2014, 62, 73–82. [Google Scholar] [CrossRef]
- Santarelli, A.; di Giacomo, V.; Raffo, A.; Filicori, F.; Vannini, G.; Aubry, R.; Gaquière, C. Nonquasi-static large-signal model of GaN FETs through an equivalent voltage approach. Int. J. RF Microw. Comput. Eng. 2008, 18, 507–516. [Google Scholar] [CrossRef]
- QPM1002, Qorvo Product Datasheet. Available online: https://www.qorvo.com/products/p/QPM1002 (accessed on 15 July 2022).
- QPM2637, Qorvo Product Datasheet. Available online: https://www.qorvo.com/products/p/QPM2637 (accessed on 15 July 2022).
- Humphreys, D.A.; Raffo, A.; Bosi, G.; Vannini, G.; Schreurs, D.; Gebremicael, K.N.; Morris, K. Maximizing the benefit of existing equipment for nonlinear and communication measurements. In Proceedings of the 2016 87th ARFTG Microwave Measurement Conference (ARFTG), San Francisco, CA, USA, 27 May 2016. [Google Scholar]
- Avolio, G.; Raffo, A.; Jargon, J.; Hale, P.D.; Schreurs, D.M.M.-P.; Williams, D.F. Evaluation of Uncertainty in Temporal Waveforms of Microwave Transistors. IEEE Trans. Microw. Theory Tech. 2015, 63, 2353–2363. [Google Scholar] [CrossRef]









| Symbol | Tx Mode | Rx Mode | Unit |
|---|---|---|---|
| 17.5 | 17.5 | V | |
| 400 | 0 | mA | |
| −2.75 | −5 | V | |
| HPA mode | Pulsed | Pulsed | |
| Pulse width | 150 | / | µs |
| Duty cycle | 40 | / | % |
| 10 | 10 | V | |
| 36 | 0 | mA | |
| −2.6 | −7 | V | |
| −20, 0 | 0, −20 | V |
| Reference | Tx Mode | Rx Mode | Chip Area (mm2) | |||||
|---|---|---|---|---|---|---|---|---|
| Frequency (GHz) | Pout (dBm) | PAE (%) | Gain (dB) | Tx–Rx Iso (dB) | NF (dB) | Gain (dB) | ||
| [1] | 10.5 | 38.2 | 30 | 19 | 30 * | 3 ** | 18 ** | 11.88 |
| [2] | 8.6–11.2 | 39 | 25 | 13 | 40 | 2.5 | 15 | 9.00 |
| [3] | 7.7–12.2 | 41.2 | 24 | 26 | - | 3.2 | 14 | 12.96 |
| [4] | 5.2–5.6 | 46 | 36 | 18.5 | - | 2.4 | 31.5 | 36.00 |
| [5] | 13% in S-band | 46 | 42 | 35 | - | 1.75 | 30 | 49.00 |
| [6] | 5.25–5.75 | 46 | 30 | 36 | - | 3.2 | 35 | 49.00 |
| [7] | 35–36.5 | 34 # | 25 # | 20 # | - | 3.15 # | 31.5 # | 12.96 # |
| [15] | 8.5–10.5 | 34.5 | 32 | 25 | 18 | 2.2 | 24.5 | 25.00 ## |
| [16] | 9–10.5 | 36 | 38 | 23 | 50 | 2.7 | 21 | 25.00 ## |
| This work | 13–16 | 39.5 | 33 | 23 | 30 | 2.8 | 25 | 19.96 |
Publisher’s Note: MDPI stays neutral with regard to jurisdictional claims in published maps and institutional affiliations. |
© 2022 by the authors. Licensee MDPI, Basel, Switzerland. This article is an open access article distributed under the terms and conditions of the Creative Commons Attribution (CC BY) license (https://creativecommons.org/licenses/by/4.0/).
Share and Cite
Scappaviva, F.; Bosi, G.; Biondi, A.; D’Angelo, S.; Cariani, L.; Vadalà, V.; Raffo, A.; Resca, D.; Cipriani, E.; Vannini, G. Advances in Ku-Band GaN Single Chip Front End for Space SARs: From System Specifications to Technology Selection. Electronics 2022, 11, 2998. https://doi.org/10.3390/electronics11192998
Scappaviva F, Bosi G, Biondi A, D’Angelo S, Cariani L, Vadalà V, Raffo A, Resca D, Cipriani E, Vannini G. Advances in Ku-Band GaN Single Chip Front End for Space SARs: From System Specifications to Technology Selection. Electronics. 2022; 11(19):2998. https://doi.org/10.3390/electronics11192998
Chicago/Turabian StyleScappaviva, Francesco, Gianni Bosi, Andrea Biondi, Sara D’Angelo, Luca Cariani, Valeria Vadalà, Antonio Raffo, Davide Resca, Elisa Cipriani, and Giorgio Vannini. 2022. "Advances in Ku-Band GaN Single Chip Front End for Space SARs: From System Specifications to Technology Selection" Electronics 11, no. 19: 2998. https://doi.org/10.3390/electronics11192998
APA StyleScappaviva, F., Bosi, G., Biondi, A., D’Angelo, S., Cariani, L., Vadalà, V., Raffo, A., Resca, D., Cipriani, E., & Vannini, G. (2022). Advances in Ku-Band GaN Single Chip Front End for Space SARs: From System Specifications to Technology Selection. Electronics, 11(19), 2998. https://doi.org/10.3390/electronics11192998

