A 26–30 GHz GaN HEMT Low-Noise Amplifier Employing a Series Inductor-Based Stability Enhancement Technique
Abstract
:1. Introduction
2. GaN-on-SiC Technology
3. Proposed GaN HEMT MMIC LNA Design
3.1. Reverse Isolation and Stability Performance of GaN HEMT Devices
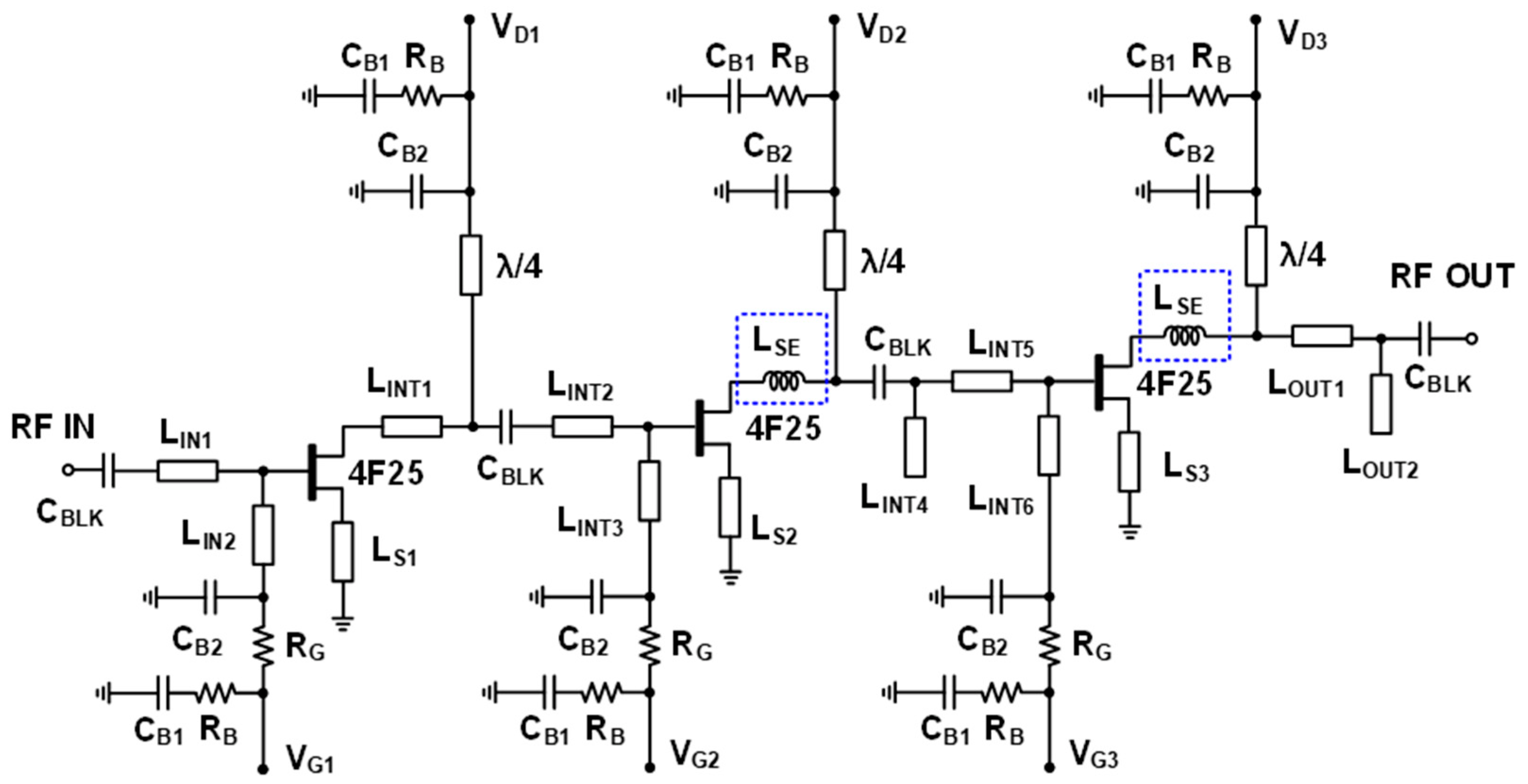
3.2. Three-Stage GaN HEMT-Based LNA Employing a Series Inductor
4. Experimental Result
5. Conclusions
Author Contributions
Funding
Institutional Review Board Statement
Informed Consent Statement
Data Availability Statement
Acknowledgments
Conflicts of Interest
References
- Standard TS 38.101 V15.8.0, 3GPP; Specification Group Radio Access Network NR. User Equipment (UE) Radio Transmission and Reception—Part 1: Range 1 Standalone (Release 15). ETSI: Sophia-Antipolis, France, 2020.
- Hossain, E.; Hasan, M. 5G cellular: Key enabling technologies and research challenges. IEEE Instrum. Meas. Mag. 2015, 18, 11–21. [Google Scholar] [CrossRef]
- Shinjo, S.; Nakatani, K.; Tsutsumi, K.; Nakamizo, H. Integrating the front end: A highly integrated RF front end for high-SHF wide-band massive MIMO in 5G. IEEE Microw. Mag. 2017, 18, 31–40. [Google Scholar] [CrossRef]
- Balteanu, F.; Modi, H.; Choi, Y.; Lee, J.; Drogi, S.; Khesbak, S. 5G RF front end module architectures for mobile applications. In Proceedings of the 2019 49th European Microwave Conference (EuMC), Paris, France, 1–3 October 2019. [Google Scholar]
- Pengelly, R.S.; Wood, S.M.; Milligan, J.W.; Sheppard, S.T.; Pribble, W.L. A review of GaN on SiC high electron-mobility power transistors and MMICs. IEEE Trans. Microw. Theory Tech. 2012, 60, 1764–1783. [Google Scholar] [CrossRef]
- Yeom, K.W. Microwave Circuit Design: A Practical Approach Using ADS; Prentice Hall: Ann Arbor, MI, USA, 2015; pp. 356–357. [Google Scholar]
- Golio, M. RF and Microwave Semiconductor Handbook; CRC Press: Boca Raton, FL, USA, 2003. [Google Scholar]
- Lv, G.; Chen, W.; Liu, X.; Feng, Z. A dual-band GaN MMIC power amplifier with hybrid operating modes for 5G application. IEEE Microw. Wirel. Compon. Lett. 2019, 29, 228–230. [Google Scholar] [CrossRef]
- Nakatanim, K.; Yamaguchi, Y.; Komatsuzaki, Y.; Shinjo, S. Millimeter-wave GaN power amplifier MMICs for 5G Application. In Proceedings of the IEEE International Symposium on Circuits and Systems (ISCAS), Sapporo, Japan, 26–29 May 2019. [Google Scholar]
- Cheng, P.; Wang, Q.; Li, W.; Jia, Y.; Liu, Z.; Feng, C.; Jiang, L.; Xiao, H.; Wang, X. A Broadband Asymmetrical GaN MMIC Doherty Power Amplifier with Compact Size for 5G Communications. Electronics 2021, 10, 311. [Google Scholar] [CrossRef]
- Hu, L.; Liao, X.; Zhang, F.; Wu, H.; Ma, S.; Lin, Q.; Tang, X. A Wideband High-Efficiency GaN MMIC Power Amplifier for Sub-6-GHz Applications. Micromachines 2022, 13, 793. [Google Scholar] [CrossRef] [PubMed]
- Curtis, J.; Zhou, H.; Aryanfar, F. A fully integrated Ka-band front end for 5G transceiver. In Proceedings of the IEEE MTT-S International Microwave Symposium (IMS), San Francisco, CA, USA, 22–27 May 2016. [Google Scholar]
- Ahn, H.J.; Chang, W.I.; Kim, S.M.; Park, B.J.; Yook, J.M.; Eo, Y.S. 28 GHz GaAs pHEMT MMICs and RF front-end module for 5G communication systems. Microw. Opt. Technol. Lett. 2019, 61, 878–882. [Google Scholar] [CrossRef]
- Erofeev, E.; Arykov, V.; Stepanenko, M.; Voevodin, A.; Kogai, A.; Kurikalov, V. 28 GHz single-chip transmit RF front-end MMIC for multichannel 5G wireless communications. Symmetry 2020, 12, 1167. [Google Scholar] [CrossRef]
- Park, J.; Kim, J.-G. A 28 GHz GaAs front-end IC with single positive supply voltage. Microw. Opt. Technol. Lett. 2021, 63, 1171–1176. [Google Scholar] [CrossRef]
- Schuh, P.; Sledzik, H.; Reber, R. GaN-based single-chip frontend for next-generation X-band AESA systems. Int. J. Microw. Wirel. Technol. 2018, 10, 660–665. [Google Scholar] [CrossRef] [Green Version]
- Suijker, E.M.; Rodenburg, M.; Hoogland, J.A.; Heijningen, M.; Seelmann-Eggebert, M.; Quay, R.; Bruckner, P.; Vliet, F.E. Robust AlGaN/GaN low noise amplifier MMICs for C-, Ku- and Ka-band space applications. In Proceedings of the IEEE Compound Semiconductor Integrated Circuit Symposium (CSICS), Greensboro, NC, USA, 11–14 October 2009. [Google Scholar]
- Rudolph, M.; Chaturvedi, N.; Hirche, K.; Wurfl, J.; Heinrich, W.; Trankle, G. Highly rugged 30 GHz GaN low-noise amplifiers. IEEE Microw. Wirel. Compon. Lett. 2009, 19, 251–253. [Google Scholar] [CrossRef]
- Micovic, M.; Brown, D.; Regan, D.; Wong, J.; Tai, J.; Kurdoghlian, A.; Herrault, F.; Tang, Y.; Burnham, S.D.; Fung, H.; et al. Ka-band LNA MMIC’s realized in fmax > 580 GHz GaN HEMT technology. In Proceedings of the IEEE Compound Semiconductor Integrated Circuit Symposium (CSICS), Austin, TX, USA, 23–26 October 2016. [Google Scholar]
- Nguyen, H.H.; Luong, D.M.; Bach, G.D. A novel independently biased 3-Stack GaN HEMT configuration for efficient design of microwave amplifiers. Appl. Sci. 2019, 9, 1510. [Google Scholar] [CrossRef]
- Pace, L.; Colangeli, S.; Ciccognani, W.; Longhi, P.E.; Limiti, E.; Leblanc, R.; Feudale, M.; Vitobello, F. Design and validation of 100 nm GaN-On-Si Ka-Band LNA based on custom noise and small signal models. Electronics 2020, 9, 150. [Google Scholar] [CrossRef]
- Tong, X.; Zhang, L.; Zheng, P.; Zhang, S.; Xu, J.; Wang, R. An 18–56-GHz wideband GaN low-noise amplifier with 2.2–4.4-dB noise figure. IEEE Microw. Wirel. Compon. Lett. 2020, 30, 1153–1156. [Google Scholar] [CrossRef]
- Florian, C.; Traverso, P.A.; Santarelli, A. A Ka-band MMIC LNA in GaN-on-Si 100-nm technology for high dynamic range radar receivers. IEEE Microw. Wirel. Compon. Lett. 2021, 31, 161–164. [Google Scholar] [CrossRef]
- Parveg, D.; Varonen, M.; Kantanen, K. A full Ka-band GaN-on-Si low-noise amplifier. In Proceedings of the IEEE 2020 50th European Microwave Conference (EuMC), Utrecht, The Netherlands, 12–14 January 2021. [Google Scholar]
- Edwards, M.L.; Sinsky, J.H. A new criterion for linear 2-port stability using a single geometrically derived parameter. IEEE Trans. Microw. Theory Tech. 1992, 40, 2303–2311. [Google Scholar] [CrossRef]
- Pozar, D.M. Microwave Engineering, 4th ed.; John Wiley & Sons Inc.: Hoboken, NJ, USA, 2012; p. 567. [Google Scholar]
















| Property | Si | GaAs | InP | SiC | GaN |
|---|---|---|---|---|---|
| Energy bandgap, Eg (eV) | 1.12 | 1.42 | 1.34 | 3.2 | 3.44 |
| Breakdown field, Eb (106 V/cm) | 0.3 | 0.4 | 0.6 | 3.2 | 2 |
| Saturation velocity (105 m/sec) | 1 | 1.2 | 1.0 | 2.0 | 2.5 |
| Dielectric constant, ε | 11.7 | 12.9 | 12.4 | 10 | 9.5 |
| Electron mobility, μ (cm2/V·S) | 1450 | 8500 | 4600 | 700 | 1600 |
| Thermal conductivity (W/cm°K) | 1.31 | 0.46 | 0.77 | 4.9 | 1.5 |
| B-FOM ratio 1 | 1 | 13.17 | 5.76 | 9.62 | 25.96 |
| Components | Values | Components | Values |
|---|---|---|---|
| LSE | 510 pH | CB1 | 3.16 pF |
| RG | 202 Ω | CB2 | 0.56 pF |
| RB | 202 Ω | CBLK | 0.36 pF |
| WTL | 15 μm | LS1, LS2, LS3 | 130 μm |
| LIN1 | 250 μm | LIN2 | 280 μm |
| LINT1 | 160 μm | LINT2 | 240 μm |
| LINT3 | 176 μm | LINT4 | 860 μm |
| LOUT1 | 120 μm | LOUT2 | 459 μm |
| Reference | This Work | [17] | [24] | [18] | [21] | [23] |
|---|---|---|---|---|---|---|
| Frequency (GHz) | 26–30 | 26–31 | 26–40 | 27–31 | 34–37.5 | 33–38 |
| Gain (dB) | 20.2 | 18.9–24.5 | >23 | 14.4–19.6 | 31 | 25–26 |
| S11/S22 (dB) | <–10/<–10 | –12.5/<–6.5 | <–5/<–10 | <–5/<–10 | <–8/<–10 | ≥10 |
| NF (dB) | 2.42–2.56 | 4–5 | 1.7–2.7 | 3.7–3.9 | 2.4–2.6 | 2.0–2.2 |
| OP1dB (dBm) | 17.2 | 12.5 | 12–22 | NA | 23 | 20 |
| OIP3 (dBm) | 32.2 | NA | 20–32 | NA | 32 | 28.4 |
| Stability 1 (μ) | Uncon. Stable (Up to 7.7) | NA | Uncon. Stable (Up to ~9) | Uncon. Stable (NA) | Uncon. Stable (NA) | NA |
| Power (W) | 0.32 | NA | 0.43 | 0.56 | 1.3 | NA |
| Chip Size 2 | 2.66 | 6 | NA | 4.08 | 7.2 | 5.5 |
| Process | 0.15-μm GaN-on-SiC | 0.15-μm GaN-on-SiC | 0.1-μm GaN-on-Si | 0.15-μm GaN-on-SiC | 0.1-μm GaN-on-Si | 0.1-μm GaN-on-Si |
Publisher’s Note: MDPI stays neutral with regard to jurisdictional claims in published maps and institutional affiliations. |
© 2022 by the authors. Licensee MDPI, Basel, Switzerland. This article is an open access article distributed under the terms and conditions of the Creative Commons Attribution (CC BY) license (https://creativecommons.org/licenses/by/4.0/).
Share and Cite
Ahn, H.; Ji, H.; Kang, D.; Son, S.-M.; Lee, S.; Han, J. A 26–30 GHz GaN HEMT Low-Noise Amplifier Employing a Series Inductor-Based Stability Enhancement Technique. Electronics 2022, 11, 2716. https://doi.org/10.3390/electronics11172716
Ahn H, Ji H, Kang D, Son S-M, Lee S, Han J. A 26–30 GHz GaN HEMT Low-Noise Amplifier Employing a Series Inductor-Based Stability Enhancement Technique. Electronics. 2022; 11(17):2716. https://doi.org/10.3390/electronics11172716
Chicago/Turabian StyleAhn, Hyunbae, Honggu Ji, Dongmin Kang, Sung-Min Son, Sanghun Lee, and Junghwan Han. 2022. "A 26–30 GHz GaN HEMT Low-Noise Amplifier Employing a Series Inductor-Based Stability Enhancement Technique" Electronics 11, no. 17: 2716. https://doi.org/10.3390/electronics11172716
APA StyleAhn, H., Ji, H., Kang, D., Son, S.-M., Lee, S., & Han, J. (2022). A 26–30 GHz GaN HEMT Low-Noise Amplifier Employing a Series Inductor-Based Stability Enhancement Technique. Electronics, 11(17), 2716. https://doi.org/10.3390/electronics11172716

