The Research on Harmonic Transfer Characteristics of Integrated Multi-Winding Inductive Filtering Converter Transformer and Its Filter System
Abstract
:1. Introduction
2. Wiring Scheme of the Integrated Multi-Winding Inductive Filter Converter Transformer and Its Filter System
3. Mathematical Model of the Integrated Multi-Winding Inductive Filter Converter Transformer and Its Filter System
3.1. Mathematical Model of the Upper Bridge Converter Transformer and Its Filter System
3.2. Mathematical Model of Lower Bridge Converter Transformer and Its Filtering System
3.3. Unified Mathematical Models of Bridge Converter Transformers and Their Filter Systems
4. Transfer Characteristics of Harmonics in an Integrated Multi-Winding Inductive Filter Converter Transformer and Its Filter System
- 1.
- For the harmonic current on the order of , there is
- 2.
- For the harmonic current on the order of , there is
5. Transfer Path of Harmonic in Integrated Multi-Winding Inductive Filter Converter Transformer and Its Filter System
5.1. Transfer Path Analysis of -Th Harmonic Current
5.2. Transfer Path Analysis of the 11th and 13th Harmonic Current
5.3. Transfer Path Analysis of the 3rd Harmonic Current
6. Analysis of Simulation and Experiment Results
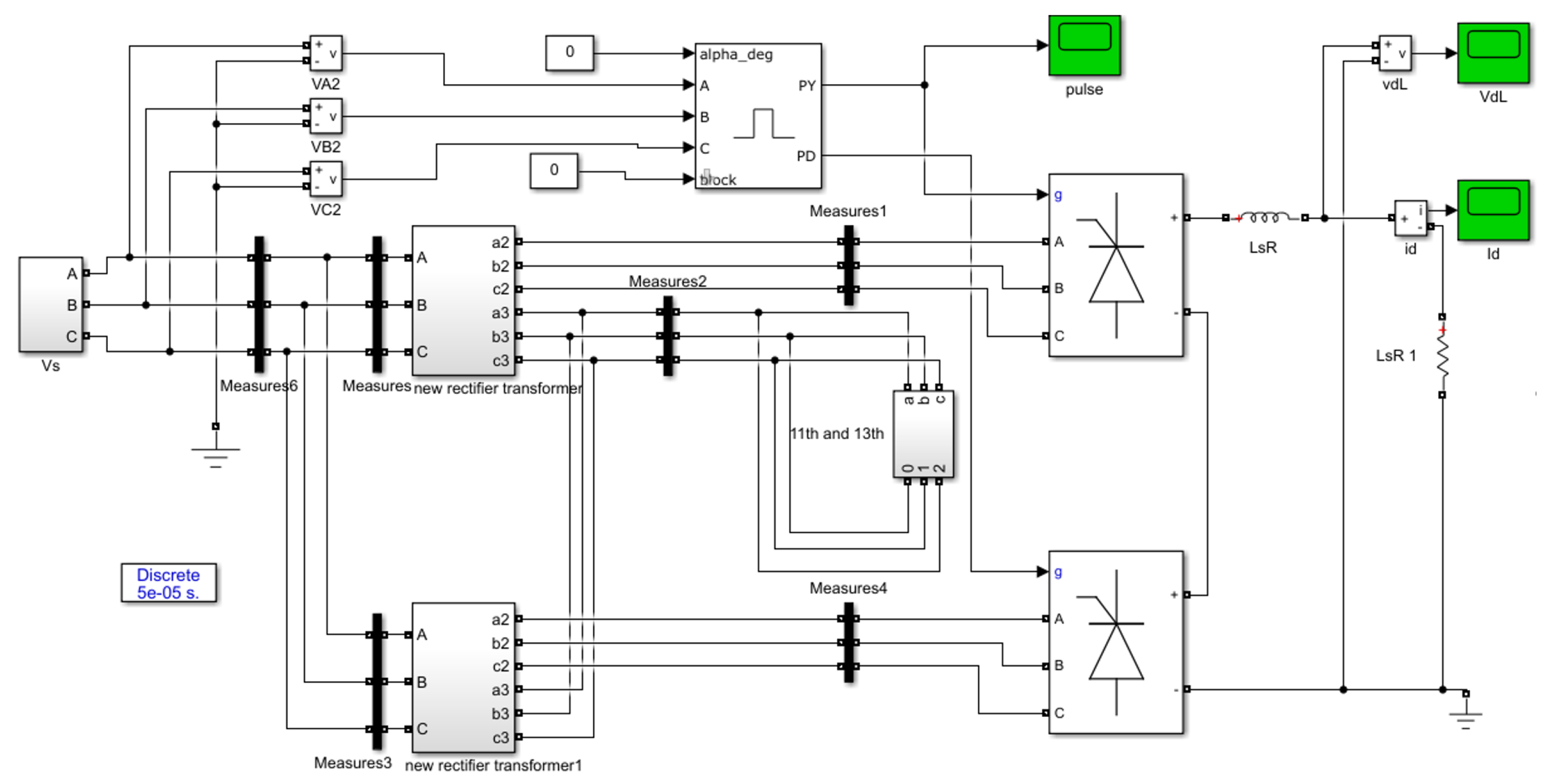
6.1. Simulation Model
- (1)
- The power supply at the AC network is a three-phase symmetrical sinusoidal power supply with a voltage of 220 V and a frequency of 50 Hz.
- (2)
- (3)
- DC rated voltage V, rated current A, rated power kW, a rectifier adopts three-phase fully controlled bridge, and smoothing reactor mh.
- (4)
- To suppress the 11th and 13th harmonics, the parameters of a tuned filter adopted by the inductive filter converter transformer with parallel topology of double delta filter windings, and its filter system are shown in Table 2.
6.2. Analysis of Simulation Results
6.3. Analysis of Experiment Results
7. Conclusions
- (1)
- In the proposed system, the parallel connection of two delta filter windings with zero impedance could change the transfer path of harmonics, so that all the -th harmonic currents generated by the upper and lower bridge converter valves formed a closed loop in the two parallel filter windings. On this basis, it could prevent the -th harmonic from transferring to the grid-side winding, and the 5th and 7th harmonic filters could be eliminated while the corresponding harmonics could still be suppressed, which reduced the harmonic treatment cost.The experimental results show that the total harmonic distortion rate of the grid-winding current can be reduced to 10.46% when two delta filter windings are parallel-connected, and the 11th and 13th filters are not put into use.
- (2)
- The 11th and 13th tuned filter branches that connected at the parallel taps of two delta filter windings could drain all the corresponding harmonic currents to the filter circuit. Therefore, the 11th and 13th harmonic currents were not contained in the grid-side and were shielded from the valve-side winding. It realized the isolation of harmonic current from grid-side winding and AC power grid, as well as the reduction of the negative impact of 11th and 13th harmonics on the transformer body in the transferring process, such as harmonic loss, vibration, and noise. The experimental results show that the total harmonic distortion rate of the grid-winding current can be reduced to 4.68% when two delta filter windings are parallel-connected and the 11th and 13th filters are only installed, so as the effect of active filtering is approximated realized by the passive filtering method.
- (3)
- Due to the zero impedance and delta connection of windings in the two paralleled-connected filters, a superconductivity closed-loop for the 3rd harmonic current was formed. The advantages of this structure were specifically reflected in two aspects. First, it could drain all of the 3rd harmonic current in the excitation current to the filter winding to prevent it from transferring to the primary side. On the other hand, it could realize the complete isolation and shielding of the 3rd harmonic current between grid-side and valve-side. In other words, when the two load windings on the valve-side contained the 3rd harmonic current, the 3rd harmonic current would only be induced to the two zero impedance filter windings. For the traditional 12 pulse converter transformer, although the winding on the valve-side of the lower bridge was also delta-connected, the 3rd harmonic current would be distributed inversely according to the impedance of the transfer path since impedance was not zero. Therefore, it could only partially isolate and shield the 3rd harmonic current.
Author Contributions
Funding
Conflicts of Interest
References
- Ellis, R.G. Harmonic analysis of industrial power systems. IEEE Trans. Ind. Appl. 1996, 32, 417–421. [Google Scholar] [CrossRef]
- Singh, G.K. Power system harmonics research: A survey. Eur. Trans. Electr. Power 2009, 19, 151–172. [Google Scholar] [CrossRef]
- Sher, H.A.; Addoweesh, K.E.; Khan, Y. Harmonics generation, propagation and purging techniques in non-linear loads. In An Update on Power Quality; Intech Open: Rijeka, Croatia, 2013. [Google Scholar]
- Sun, J.; Li, M.; Zhang, Z.; Xu, T.; He, J.; Wang, H.; Li, G. Renewable energy transmission by HVDC across the continent: System challenges and opportunities. CSEE J. Power Energy Syst. 2017, 3, 353–364. [Google Scholar] [CrossRef]
- Das, S.R.; Ray, P.K.; Sahoo, A.K.; Ramasubbareddy, S.; Babu, T.S.; Kumar, N.M.; Elavarasan, R.M.; Mihet-Popa, L. A Comprehensive Survey on Different Control Strategies and Applications of Active Power Filters for Power Quality Improvement. Energies 2021, 14, 4589. [Google Scholar] [CrossRef]
- Wang, Y.B.; Lv, Y.; Tian, Z.G.; Xu, Z. Improvement of the Control Technique for the Harmonic Suppression and Reactive Compensation Device. Electr. Meas. Instrum. 2006, 43, 4. [Google Scholar] [CrossRef]
- Li, Y.Q.; Chen, Z.Y.; Li, P.; Xie, H.L. Review on Harmonic Restraining Technology in Power System. J. North China Electr. Power Univ. 1995, 28, 19–22. [Google Scholar]
- Geng, D.Y.; Wang, F.X. Phase-shifting Reactor—A New Method for Converter Power Supply Systems Harmonic Suppression. J. Liaoning Inst. Technol. Sci. Ed. 2003, 23, 16–20. [Google Scholar]
- Dehghani, M.; Niknam, T.; Ghiasi, M.; Baghaee, H.R.; Blaabjerg, F.; Dragicevǐć, T.; Rashidi, M. Adaptive backstepping control for master-slave AC microgrid in smart island. Energy 2022, 246, 123282. [Google Scholar] [CrossRef]
- Dehghani, M.; Kavousi-Fard, A.; Niknam, T.; Avatefipour, O. A robust voltage and current controller of parallel inverters in smart island: A novel approach. Energy 2021, 214, 118879. [Google Scholar] [CrossRef]
- Wang, F.X.; Geng, D.Y. Study on harmonic repression of converter-fed power system by using phase-shifting reactor. Proc. CSEE 2003, 23, 54–57. [Google Scholar]
- Forrest, J.A.C.; Allard, B. Thermal problems caused by harmonic frequency leakage fluxes in three-phase, three-winding converter transformers. IEEE Trans. Power Deliv. 2004, 19, 208–213. [Google Scholar] [CrossRef]
- Wagner, V.E.; Balda, J.C.; Griffith, D.C.; Mceachern, A.; Barnes, T.M.; Hartmann, D.P.; Phileggi, D.J.; Emannuel, A.E.; Horton, W.F.; Reid, W.E.; et al. Effects of harmonics on equipment. IEEE Trans. Power Deliv. 1993, 8, 672–680. [Google Scholar] [CrossRef]
- Pierce, L.W. Transformer design and application considerations for nonsinusoidal load currents. IEEE Trans. Ind. Appl. 1996, 32, 633–645. [Google Scholar] [CrossRef]
- Kennedy, S.P.; Ivey, C.L. Application, design and rating of transformers containing harmonic currents. In Proceedings of the Annual Technical Conference on Pulp and Paper Industry, Seattle, WA, USA, 18–22 June 1990; pp. 19–31. [Google Scholar]
- Li, Y.; Luo, L.; Liu, F. Application Foreground of Transformer Inductive Filtering Technology Trans. China Electrotech. Soc. 2009, 24, 86–92. [Google Scholar]
- Luo, L.; Li, Y.; Xu, J.; Li, J.; Hu, B.; Liu, F. A new converter transformer and a corresponding inductive filtering method for HVDC transmission system. IEEE Trans. Power Deliv. 2008, 23, 1426–1431. [Google Scholar] [CrossRef]
- Li, Y.; Luo, L.; Rehtanz, C.; Nakamura, K.; Xu, J.; Liu, F. Study on characteristic parameters of a new converter transformer for HVDC systems. IEEE Trans. Power Deliv. 2009, 24, 2125–2131. [Google Scholar]
- Ngoc, T.T.; Luo, L.F.; Xu, J.Z.; Dong, S. Influence of inductive filters on short-circuit impedances of new converter transformer. Trans. China Electrotech. Soc. 2012, 27, 71–76. [Google Scholar]
- Cui, G.; Luo, L.; Li, Y.; Liang, C.; Hu, S.; Xie, B.; Xu, J.; Zhang, Z.; Liu, Y.; Wang, T. YN/VD connected balance transformer-based hybrid power quality compensator for harmonic suppression and reactive power compensation of electrical railway power systems. Int. J. Electr. Power Energy Syst. 2019, 113, 481–491. [Google Scholar] [CrossRef]
- Liu, Q.; Li, Y.; Hu, S.; Luo, L. A Transformer Integrated Filtering System for Power Quality Improvement of Industrial DC Supply System. IEEE Trans. Ind. Electron. 2019, 67, 3329–3339. [Google Scholar] [CrossRef]
- Liu, Q.; Li, Y.; Hu, S.; Luo, L.; Cao, Y. Study on Filtering Mechanism and Operating Characteristic of the Controllably Inductive Power Filtering System. Diangong Jishu Xuebao/Trans. China Electrotech. Soc. 2018, 33, 3274–3283. [Google Scholar]
- Tian, Y.; Luo, L.F.; Li, Y.; Huang, Z.; Liu, Q.Y. Performance Analysis and Port Matrix Model of 220 kV Multi-winding Inductively Filtered Transformer. Proc. CSEE 2020, 40, 3042–3051. [Google Scholar] [CrossRef]
- Huang, Z.; Luo, L.F.; Li, Y.; Shi, S.M.; Tian, Y. Research the Operating Characteristics of Four-winding Inductive Filtering Transformer Based on the Port Model. Proc. CSEE 2019, 39, 6706–6715. [Google Scholar] [CrossRef]
- Li, J.Y.; Luo, L.F.; Xu, J.Z. A Harmonic Suppression Rectifier Transformer with Filters for an Industrial Rectifier System. Recent Adv. Electr. Electron. Eng. 2014, 7, 65–74. [Google Scholar] [CrossRef]
- Heathcote, M.J. J & P Transformer Book, 13th ed.; Reed Educational and Professional Publishing Ltd.: London, UK, 2003. [Google Scholar]














| Rated Parameters | |
|---|---|
| Capacity/kVA | 20 |
| Voltage (grid-side/filter-side/valve-side with star connection)/V | 219.39/380/219.38 |
| Voltage (grid-side/filter-side/valve-side with delta connection)/V | 219.39/380/380 |
| Current (grid-side/filter-side/valve-side with star connection)/A | 91.16/21.05/91.16 |
| Current (grid-side/filter-side/valve-side with delta connection)/A | 91.16/21.05/52.63 |
| Frequency/Hz | 50 |
| Number of phases | Single phase |
| Filter Type | Series Section | Parallel Section | ||
|---|---|---|---|---|
| Capacitor/F | Reactor/mH | Capacitor/F | Reactor/mH | |
| DT11/13 | 416.3 | 0.17006 | 14895 | 0.004757 |
| Bridge | Working Condition | Winding | Current Amplitude/A | THD/% | |||||||
|---|---|---|---|---|---|---|---|---|---|---|---|
| 1 | 3 | 5 | 7 | 11 | 13 | 17 | 19 | ||||
| Upper bridge YYD | working condition 1 | grid-side | 106.96 | 0.05 | 19.46 | 12.64 | 6.06 | 4.07 | 1.89 | 1.36 | 22.94 |
| valve-side | 106.63 | 0.05 | 19.46 | 12.64 | 6.06 | 4.07 | 1.89 | 1.36 | 23.01 | ||
| working condition 2 | grid-side | 108.01 | 0.02 | 0.21 | 0.13 | 6.99 | 4.84 | 0.03 | 0.01 | 8.05 | |
| valve-side | 107.7 | 0.03 | 20.11 | 13.4 | 6.99 | 4.85 | 2.54 | 1.83 | 24.06 | ||
| working condition 3 | grid-side | 116.8 | 0.02 | 0.21 | 0.09 | 0.05 | 0.03 | 0.03 | 0.01 | 0.64 | |
| valve-side | 110.1 | 0.03 | 21.0 | 14.28 | 8.02 | 5.72 | 3.44 | 2.62 | 25.16 | ||
| Lower bridge YDD | working condition 1 | grid-side | 106.98 | 0.06 | 19.42 | 12.63 | 6.03 | 4.04 | 1.91 | 1.35 | 22.89 |
| valve-side | 61.59 | 0.03 | 11.21 | 7.29 | 3.48 | 2.33 | 1.10 | 0.78 | 22.95 | ||
| working condition 2 | grid-side | 107.96 | 0.02 | 0.20 | 0.06 | 6.99 | 4.84 | 0.05 | 0.01 | 8.05 | |
| valve-side | 62.18 | 0.03 | 11.6 | 7.74 | 4.03 | 2.79 | 1.48 | 1.04 | 24.06 | ||
| working condition 3 | grid-side | 116.84 | 0.02 | 0.21 | 0.13 | 0.05 | 0.03 | 0.05 | 0.01 | 0.65 | |
| valve-side | 63.6 | 0.03 | 12.11 | 8.24 | 4.7 | 3.28 | 1.96 | 1.48 | 25.1 | ||
| Working Condition | Harmonic Content in Winding Current at Grid-Side/(%) | THD/(%) | |||
|---|---|---|---|---|---|
| 5 | 7 | 11 | 13 | ||
| working condition 1 | 21.23 | 10.64 | 6.69 | 4.43 | 25.58 |
| working condition 2 | 3.62 | 2.96 | 7.15 | 4.62 | 10.46 |
| working condition 3 | 2.35 | 2.24 | 0.67 | 0.75 | 4.68 |
Publisher’s Note: MDPI stays neutral with regard to jurisdictional claims in published maps and institutional affiliations. |
© 2022 by the authors. Licensee MDPI, Basel, Switzerland. This article is an open access article distributed under the terms and conditions of the Creative Commons Attribution (CC BY) license (https://creativecommons.org/licenses/by/4.0/).
Share and Cite
Li, J.; Xiao, Y.; Yang, M.; Li, J.; Wan, J. The Research on Harmonic Transfer Characteristics of Integrated Multi-Winding Inductive Filtering Converter Transformer and Its Filter System. Electronics 2022, 11, 2088. https://doi.org/10.3390/electronics11132088
Li J, Xiao Y, Yang M, Li J, Wan J. The Research on Harmonic Transfer Characteristics of Integrated Multi-Winding Inductive Filtering Converter Transformer and Its Filter System. Electronics. 2022; 11(13):2088. https://doi.org/10.3390/electronics11132088
Chicago/Turabian StyleLi, Jianying, Yunchang Xiao, Minsheng Yang, Jianqi Li, and Jingying Wan. 2022. "The Research on Harmonic Transfer Characteristics of Integrated Multi-Winding Inductive Filtering Converter Transformer and Its Filter System" Electronics 11, no. 13: 2088. https://doi.org/10.3390/electronics11132088
APA StyleLi, J., Xiao, Y., Yang, M., Li, J., & Wan, J. (2022). The Research on Harmonic Transfer Characteristics of Integrated Multi-Winding Inductive Filtering Converter Transformer and Its Filter System. Electronics, 11(13), 2088. https://doi.org/10.3390/electronics11132088

