A Dual-Buck-Boost DC–DC/AC Universal Converter
Abstract
:1. Introduction
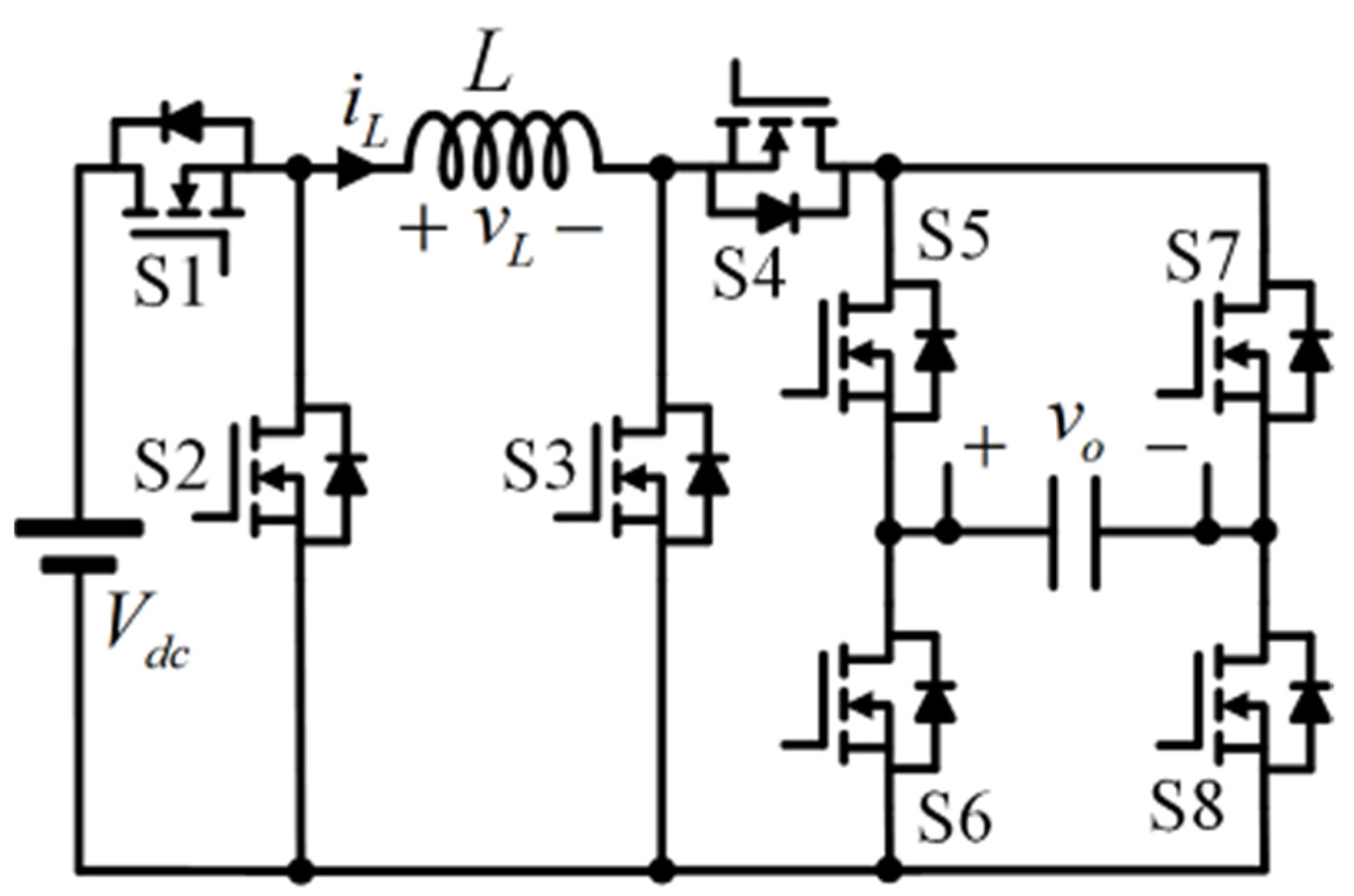
2. Proposed Universal Converter
2.1. Mode 1: Generation of a Positive DC Voltage
2.2. Mode 2: Generation of a Negative DC Voltage
2.3. Mode 3: Generation of a Sinusoidal AC Voltage
3. Comparison with the Latest Topology
4. Experimental Results
5. Conclusions
Author Contributions
Funding
Conflicts of Interest
References
- Ballo, A.; Grasso, A.D.; Palumbo, G.; Tanzawa, T. Charge Pumps for Ultra-Low-Power Applications: Analysis, Design, and New Solutions. IEEE Trans. Circuits Syst. II Express Briefs 2021, 68, 2895–2901. [Google Scholar] [CrossRef]
- Ballo, A.; Grasso, A.D.; Giustolisi, G.; Palumbo, G. Optimized Charge Pump with Clock Booster for Reduced Rise Time or Silicon Area. IEEE Trans. Circuits Syst. II Express Briefs 2019, 66, 1977–1981. [Google Scholar] [CrossRef]
- Ballo, A.; Grasso, A.D.; Palumbo, G. A simple and effective design strategy to increase power conversion efficiency of linear charge pumps. Int. J. Cir. Theor. Appl. 2020, 48, 157–161. [Google Scholar] [CrossRef]
- Barzegarkhoo, R.; Forouzesh, M.; Lee, S.S.; Blaabjerg, F.; Siwakoti, Y.P. Switched-Capacitor Multilevel Inverters: A Comprehensive Review. IEEE Trans. Power Electron. 2022, 37, 11209–11243. [Google Scholar] [CrossRef]
- Gu, Y.; Li, W.; Zhao, Y.; Yang, B.; Li, C.; He, X. Transformerless Inverter with Virtual DC Bus Concept for Cost-Effective Grid Connected PV Power Systems. IEEE Trans. Power Electron. 2013, 28, 793–805. [Google Scholar] [CrossRef]
- Fallah ardashir, J.; Sabahi, M.; Hosseini, S.H.; Blaabjerg, F.; Babaei, E.; Gharehpetian, G.B. Transformerless Inverter with Charge Pump Circuit Concept for PV Application. IEEE J. Emerg. Sel. Top. Power Electron. 2016, 64, 5403–5415. [Google Scholar] [CrossRef]
- Siwakoti, Y.P.; Blaabjerg, F. Common-Ground-Type Transformerless Inverters for Single-Phase Solar Photovoltaic Systems. IEEE Trans. Ind. Electron. 2018, 65, 2100–2111. [Google Scholar] [CrossRef]
- Vosoughi, N.; Hosseini, S.H.; Sabahi, M. A New Single-Phase Transformerless Grid-Connected Inverter with Boosting Ability and Common Ground Feature. IEEE Trans. Ind. Electron. 2020, 67, 9313–9325. [Google Scholar] [CrossRef]
- Grigoletto, F.B. Five-Level Transformerless Inverter for Single-Phase Solar Photovoltaic Applications. IEEE J. Emerg. Sel. Top. Power Electron. 2020, 8, 3411–3422. [Google Scholar] [CrossRef]
- Vosoughi, N.; Hosseini, S.H.; Sabahi, M. A New Transformer-Less Five-Level Grid-Tied Inverter for Photovoltaic Applications. IEEE Trans. Energy Convers. 2020, 35, 106–118. [Google Scholar] [CrossRef]
- Barzegarkhoo, R.; Siwakoti, Y.P.; Blaabjerg, F. A New Switched-Capacitor Five-Level Inverter Suitable for Transformerless Grid-Connected Applications. IEEE Trans. Power Electron. 2020, 35, 8140–8153. [Google Scholar] [CrossRef]
- Barzegarkhoo, R.; Siwakoti, Y.P.; Vosoughi, N.; Blaabjerg, F. Six-Switch Step-up Common-Grounded Five-Level Inverter with Switched-Capacitor Cell for Transformerless Grid-Tied PV Applications. IEEE Trans. Ind. Electron. 2021, 68, 1374–1387. [Google Scholar] [CrossRef]
- Chen, M.; Loh, P.C.; Yang, Y.; Blaabjerg, F. A Six-Switch Seven-Level Triple-Boost Inverter. IEEE Trans. Power Electron. 2021, 36, 1225–1230. [Google Scholar] [CrossRef]
- Chen, M.; Yang, Y.; Loh, P.C.; Blaabjerg, F. A Single-Source Nine-Level Boost Inverter with A Low Switch Count. IEEE Trans. Ind. Electron. 2022, 69, 2644–2658. [Google Scholar] [CrossRef]
- Lee, S.S.; Siwakoti, Y.P.; Barzegarkhoo, R.; Blaabjerg, F. A Novel Common-Ground-Type Nine-Level Dynamic Boost Inverter. IEEE J. Emerg. Sel. Top. Power Electron. 2021; in press. [Google Scholar] [CrossRef]
- Restrepo, C.; Gonzalez-Castano, C.; Giral, R. The Versatile Buck-Boost Converter as Power Electronics Building Block: Changes, Techniques, and Applications. IEEE Ind. Electron. Mag. 2022, 2–11. [Google Scholar] [CrossRef]
- Rodríguez-Lorente, A.; Barrado, A.; Calderón, C.; Fernández, C.; Lázaro, A. Non-inverting and Non-isolated Magnetically Coupled Buck-Boost Bidirectional DC-DC Converter. IEEE Trans. Power Electron. 2020, 35, 11942–11954. [Google Scholar] [CrossRef]
- Zhang, Y.; Cheng, X.-F.; Yin, C. A Soft-Switching Non-Inverting Buck-Boost Converter with Efficiency and Performance Improvement. IEEE Trans. Power Electron. 2019, 34, 11526–11530. [Google Scholar] [CrossRef]
- Cheng, X.-F.; Liu, C.; Wang, D.; Zhang, Y. State-of-the-Art Review on Soft-Switching Technologies for Non-Isolated DC-DC Converters. IEEE Access 2021, 9, 119235–119249. [Google Scholar] [CrossRef]
- Lee, S.S.; Yang, Y.H.; Siwakoti, Y.P.; Barzegarkhoo, R. Improved Cascaded H-Bridge Multilevel Inverters with Voltage-Boosting Capability. Electronics 2021, 10, 2801. [Google Scholar] [CrossRef]
- Tran, V.T.; Nguyen, M.K.; Ngo, C.C.; Choi, Y.O. Three-Phase Five-Level Casade Quasi-Switched Boost Inverter. Electronics 2019, 8, 296. [Google Scholar] [CrossRef] [Green Version]
- Husev, O.; Matiushkin, O.; Roncero-Clemente, C.; Blaabjerg, F. Novel Family of Single-Stage Buck-Boost Inverters Based on Unfolding Circuit. IEEE Trans. Power Electron. 2019, 34, 7662–7676. [Google Scholar] [CrossRef]
- Lee, S.S.; Gorla, N.B.Y.; Panda, S.K.; Lee, K.-B.; Siwakoti, Y.P.; Barzegarkhoo, R. A Common-Ground-Type Single-Stage Buck-Boost Inverter with Sinusoidal Output Voltage. In Proceedings of the 2021 IEEE 12th Energy Conversion Congress & Exposition—Asia (ECCE-Asia), Singapore, 24–27 May 2021; pp. 397–401. [Google Scholar]
- KurdKandi, N.V.; Husev, O.; Matiushkin, O.; Vinnikov, D.; Siwakoti, Y.P.; Lee, S.S. Novel Family of Flying Inductor-based Single-Stage Buck-Boost Inverters. IEEE J. Emerg. Sel. Top. Power Electron. 2022; in press. [Google Scholar] [CrossRef]
- Wang, L.; Shan, M. A Novel Single-Stage Common-Ground Zeta-Based Inverter With Nonelectrolytic Capacitor. IEEE Trans. Power Electron. 2022, 37, 11319–11331. [Google Scholar] [CrossRef]
- Assuncao, G.D.O.; Barbi, I. Method for Deriving Transformerless Common-Ground Voltage Source Inverter Topologies. IEEE Trans. Power Electron. 2022, 37, 10821–10832. [Google Scholar] [CrossRef]
- Husev, O.; Matiushkin, O.; Vinnikov, D.; Roncero-Clemente, C.; Kouro, S. Novel Concept of Solar Converter with Universal Applicability for DC and AC Microgrids. IEEE Trans. Ind. Electron. 2022, 69, 4329–4341. [Google Scholar] [CrossRef]












Publisher’s Note: MDPI stays neutral with regard to jurisdictional claims in published maps and institutional affiliations. |
© 2022 by the authors. Licensee MDPI, Basel, Switzerland. This article is an open access article distributed under the terms and conditions of the Creative Commons Attribution (CC BY) license (https://creativecommons.org/licenses/by/4.0/).
Share and Cite
Ong, Y.R.; Cao, S.; Lee, S.S.; Lim, C.S.; Chen, M.M.; Kurdkandi, N.V.; Barzegarkhoo, R.; Siwakoti, Y.P. A Dual-Buck-Boost DC–DC/AC Universal Converter. Electronics 2022, 11, 1973. https://doi.org/10.3390/electronics11131973
Ong YR, Cao S, Lee SS, Lim CS, Chen MM, Kurdkandi NV, Barzegarkhoo R, Siwakoti YP. A Dual-Buck-Boost DC–DC/AC Universal Converter. Electronics. 2022; 11(13):1973. https://doi.org/10.3390/electronics11131973
Chicago/Turabian StyleOng, Yao Rong, Shuyu Cao, Sze Sing Lee, Chee Shen Lim, Max M. Chen, Naser Vosoughi Kurdkandi, Reza Barzegarkhoo, and Yam P. Siwakoti. 2022. "A Dual-Buck-Boost DC–DC/AC Universal Converter" Electronics 11, no. 13: 1973. https://doi.org/10.3390/electronics11131973
APA StyleOng, Y. R., Cao, S., Lee, S. S., Lim, C. S., Chen, M. M., Kurdkandi, N. V., Barzegarkhoo, R., & Siwakoti, Y. P. (2022). A Dual-Buck-Boost DC–DC/AC Universal Converter. Electronics, 11(13), 1973. https://doi.org/10.3390/electronics11131973





