Next Article in Journal
An Efficient Two-Stage Receiver Base on AOR Iterative Algorithm and Chebyshev Acceleration for Uplink Multiuser Massive-MIMO OFDM Systems
Previous Article in Journal
Effects of Varying the Fin Width, Fin Height, Gate Dielectric Material, and Gate Length on the DC and RF Performance of a 14-nm SOI FinFET Structure
 
 
Font Type:
Arial Georgia Verdana
Font Size:
Aa Aa Aa
Line Spacing:
Column Width:
Background:
Article

A High-Efficiency Self-Synchronous RF–DC Rectifier Based on Time-Reversal Duality for Wireless Power Transfer Applications

1
School of Electronic information, Northwestern Polytechnical University, Xi’an 710129, China
2
China Academy of Space Technology (Xi’an), Xi’an 710100, China
*
Author to whom correspondence should be addressed.
Electronics 2022, 11(1), 90; https://doi.org/10.3390/electronics11010090
Submission received: 30 November 2021 / Revised: 19 December 2021 / Accepted: 25 December 2021 / Published: 28 December 2021
(This article belongs to the Section Power Electronics)

Abstract

:
An RF–DC rectifier is an important part in a wireless power transfer system. Diode-based rectifiers are widely used in low-power harvesting scenarios, and for high power, a transistor based on the time-reversal duality was proposed. This paper presents a high-efficiency self-synchronous RF–DC rectifier based on a waveform-guided design method and an improved rectification model of a commercial GaN device. The main contributions of this paper are that (1) an improved transistor model with correct reverse bias is built for accurate rectifier simulation, and (2) a new design method of self-synchronous RF–DC rectifier is proposed: as soon as the operating mode of the rectifier, input power, and DC load are set, matching and coupling network can be calculated directly based on waveform-guided method, thus design and adjustment process of a conventional power amplifier (PA) due to the duality between a PA and a rectifier would no longer be required. A 5.8 GHz self-synchronous RF–DC rectifier is designed for validation, and the optimum RF–DC conversion efficiency is 68% with 12 W input power as well as 19.9 V output DC potential with 50 Ω load resistance. The proposed rectifier is suitable for high input power rectification applications of wireless power transfer.

1. Introduction

The RF–DC rectifier, which converts radio frequency (RF) power into direct current (DC) power, is the most distinguishing different component between the wireless power transfer (WPT) and wireless communication systems, which both transmit microwave power in one terminal and receive it in another side. A rectifier is not needed in wireless communication systems, but it is a very important part in the receiving end of the WPT link to convert microwave power into DC power for the application. Many remarkable pieces of research have been carried out in WPT rectifiers that operate for applications of energy harvesting and sensor wireless charging [1,2]. For some wireless sensors network applications that will benefit from the use of WPT techniques in power sensors [3], a study in [4] proposed sensor nodes in which the energy harvesting module is compatible with collecting energy directly from the WPT, and the WPT is recognized to be an attractive technology to supply power to IoT devices where battery replacement is difficult, or the maintenance cost is high [5].For these applications, the input power of the rectifier is very low, usually at mW, or even uW, level [6,7], and the diode is the proper device that can be used to perform RF to DC conversion; however, lower breakdown voltage of a diode is a restriction when input power increases, and at high input power, it is not the appropriate device anymore. Therefore, high input power rectification of WPT can cause a demand for a new type of device, which can be adaptable to endure high inverse voltage.
Based on time-reversal duality, the concept was introduced by David C. Hamill in 1990 [8]; with the reversed direction of power flow, any PA will function as a rectifier at microwave frequencies only by replacing the load resistor with RF input power at the drain and making the gate matching network open-terminated [9,10,11,12,13,14,15].
A few GaN HEMT devices can perform rectification behavior when the drain-source is biased reversely, but not all GaN HEMTs can be used as a diode; for example, those with reverse cut-off characteristics are not suited to rectify because the drain current and drain voltage in the third quadrant do not have the similar characteristics in comparison to a diode. Nowadays, designing microwave circuits mainly counts on the adequacy of the commercial software to simulate the performance of circuits accurately. However, transistor models used in PA are not appropriate for rectifier simulation because the operated region of the rectifier is the third quadrant region of DC characteristics, which means drain current and drain voltage are both negative. As the drain voltage must be above 0 volts for PA application, the device manufacturers had not measured and modeled the performance of the third quadrant by the time of modeling a transistor device. It has been proven that the I–V relation of the GaN device model embedded in commercial simulation software is symmetrical about the origin of coordinate, hence there is a quest for model refinement to achieve an accurate and reliable rectification model employed in simulation, and some discussions and research of correct device model for rectifying simulation have been carried out in recent years [16,17].
In addition, designing an RF–DC rectifier with a GaN HEMT device usually starts from a conventional PA design based on time-reversal duality, which means there is no special method for a rectifier design. In addition, for the purpose of synchronous rectification, an external phase shifter coupled from the RF input power port was brought in to compensate the drive power and adding a phase shifter would cause a complex adjustments process [18,19].
A high-efficiency self-synchronous RF–DC rectifier is presented in this paper. Firstly, the modeling and parameter-fitting process of a CGH40010F is first provided to obtain an accurate reverse bias model for rectifier simulation. Then, a waveform-guide design method is presented to validate the rectification model and designing method.

2. Rectification Model and Parameter Fitting

The Schottky diode is a common device adopted in microwave rectifiers because of DC characteristics in the first quadrant, and the transistor is composed of a Schottky barrier between gate and source, which is similar to the diode. Therefore, when the transistor is reversed bias, which means the voltage and current are both negative applied on a transistor, the transistor can be used as a rectifying device. However, the transistor model provided by the device manufacturer is mainly for the power amplifier, and the drain voltage must be above 0 volts to prevent reverse drain bias, so less attention has been focused on the I–V relation of the third quadrant. Taking Wolfspeed’s device model of CGH40010F for instance, the I–V relation is exactly symmetrical about the origin of coordinate in simulation software. It is so obvious this model is not appropriate for rectifying circuit design.
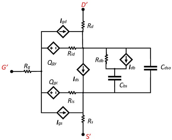
Therefore, it is necessary to build an accurate transistor rectification model based on existing commercial devices for rectifier design. A GaN device CGH40010F is used to design as it is so popular in PA and the design kit model provided by the manufacturer has been embedded in the advanced design system (ADS). As mentioned earlier, the vendor’s model does not include the behavior under reverse bias, which is the main operation region of a rectifier, so it is necessary to modify the original model to adapt to the correct rectification behavior. However, in software, the device model of CGH40010F is just a symbol and the internal structure and parameters are not open, considering that the manufacturer’s model is more reliable, so the characteristics of the positive drain-source voltage of our improved model are directly adopted by the manufacturer’s model by fitting characteristics of the manufacturer’s model and the EEsof scalable nonlinear HEMT (EEHEMT) model to extract the parameters in ADS. EEHEMT is an empirical analytic model that was developed by Keysight Technologies for the express purpose of fitting measured electrical behavior of HEMTs. The equivalent circuit of an EEMEMT model is shown in Figure 1. The reason for choosing the EEHEMT model is because it is integrated into ADS and can be easily obtained from Keysight’s product manual. In addition, it consists of parameters that are easily estimated from the measured data, which is suitable for rectifying simulation. Then, the nonlinear current source is extended to the reverse bias range to build the reverse bias model based on Callet formulae by actual negative-drain voltage data. Finally, a transistor rectification model in the form of symbolic defined devices (SDD) is accomplished in ADS.

2.1. Extract the Parameters

2.1.1. DC Characteristic Parameters

Two DC simulation circuits with identical schematics were created: one uses the manufacturer’s model and the other uses the EEHEMT model, and Id1 and Id2 are drain currents of circuits with the manufacturer’s model and EEHEMT model, respectively. With Id1 as the target, parameters in EEHEMT were fitted by making the difference between Id1 and Id2 as small as possible. The fitted EEHEMT model’s DC parameters are shown in Table 1. A detailed description of the parameters can be found in ADS help documents.

2.1.2. Small Signal Characteristic Parameters

Harmonic balance simulations were carried out in the same way: two circuits were created, and the optimization target is the smallest difference of transconductance (gm) between simulation results of the manufacturer’s model circuit and EEHEMT model circuit. The fitted alternating current (AC) small signal characteristic parameters are given in Table 2.

2.1.3. High-Frequency Characteristic Parameter and Parasitic Parameters

Note that CGH40010F is a packaged transistor, and the parasitic effect caused by the package has a great influence on its high-frequency performances that cannot be ignored. Therefore, parasitic capacitance and inductance should be extracted. The architecture of the package parameters is shown in Figure 2, and the dashed box represents the intrinsic parameters of the EEHEMT model. The optimization target was set to make the S-parameters difference between two circuits with different device models as small as possible.
Now that the parameter extraction has been accomplished, the fitted nonlinear charges and package parameters can be found in Table 1, Table 2 and Table 3. Finally, all the extracted parameters are integrated into the form of SDD in ADS. The advantage of this is that the intrinsic drain voltage and current can be measured, facilitating the design of a waveform-based RF–DC rectifier.

2.2. Verification of the Extracted Parameters

To verify the correctness of the extracted parameters, an identical wideband PA circuit with the improved model and the model provided by the manufacturer were simulated separately. When the simulation results of the two circuits are in good agreement, it can be demonstrated that the improved model and the manufacturer’s model have the same performance at the positive drain voltage. In other words, the extracted parameters can be demonstrated correctly. Figure 3 shows a comparison of the results for power added efficiency (PAE) and output power. It can be found that the simulation results of PAE and output power are in good agreement between the improved model and the manufacturer’s model, respectively. Therefore, the correctness of the extracted parameters was verified.

2.3. Reverse Bias Model

The parameter extraction of the reverse drain-source bias model is similar to the previous parameter extraction process; the only difference is the current formula. The current equations in [14] are also adopted to model the reverse bias states and, based on the Callet model and measured data of negative drain voltages, with the similar parameter extraction method, the fitted parameters are given in Table 4, and the DC I–V waveform under negative drain bias is shown in Figure 4. It can be seen that DC characteristics in the third quadrant region are similar to characteristics of a diode.
Then, combining this reverse bias model with the fitted model above, and the improved model that contains the whole DC characteristics from negative to positive, the drain voltage is obtained. This accurate and complete transistor model is suitable for RF–DC rectifier simulation.

3. RF–DC Rectifier Design

3.1. Design Method

A brief diagram of the self-driving transistor rectifier including the device model and passive network is shown in Figure 5. The three-port passive network is used as matching, and gate-coupling circuits are used to match impendence, meanwhile coupled power from RF is input to the drive itself, and the device model has divided intrinsic parameters and package parameters: ZG and ZD are represented Z-parameters of gate package and drain package, respectively.
The intrinsic current source Ids is determined by nonlinear function related to internal voltage V’gs and V’ds, and this function can be obtained by expanding the nonlinear I–V curve shown in Figure 4. Because waveform is defined at the intrinsic plane by waveform engineering, the first step of designing a self-synchronous RF–DC rectifier is determining the target waveforms, then calculating Ids by V’gs and V’ds as variables to make an approximation to the target waveform. As soon as the target rectification waveform is determined by V’gs and V’ds, the next step is to calculate the Z-parameters ZM of the matching and coupling network.
V’ds, I’ds could be related to the Vd, Id at the actual device port with ZD, and the relationship can be expressed as
I d = { V d s + I d s 1 j k ω C d s o [ R d + R p d + j k ω L p d + 1 j k ω C p d ( j Z p d cot k θ p d ) ] } × ( j sin k θ p d Z A Z p d + cos k θ p d Z B )
where Z A = j k ω C d s o ( R d + R p d + j k ω L p d + 1 j k ω C d s o ) , Z B = 1 j k ω ( C d s o + C p d ) k 2 ω 2 ( R d + R p d + j k ω L p d ) C p d C d s o , and Zpd and θpd are the characteristic impedance and electrical length of the transmission line TLpd, respectively.
V d = I d s j sin k θ p d Z A / Z p d + cos k θ p d / Z B I d s Z p d ( Z C + Z p d tan k θ p d ) Z p d + j Z C tan k θ p d
where Z C = 1 j k ω C p d ( R d + R p d + j k ω L p d + 1 j k ω C d s o ) .
Likewise, Ig, Vg can be expressed as
I g = V g s + I g s Z p g ( 1 k ω C p g Z p g tan θ p g ) j k ω C p g Z p g + j tan θ p g cos θ p g Z D + j Z p g sin θ p g Z E
where Z D = 1 j k ω C p g ( j Z p g cot θ p g ) , Z E = 1 1 + k ω C p g Z p g cot θ p g , and Zpg and θpg are the characteristic impedance and electrical length of the transmission line TLpg, respectively.
V g = I g s ( cos θ p g Z D j Z p g sin θ p g Z E ) I g s [ R g + R p g + j k ω L p g + 1 j k ω C p g ( j Z p g cot θ p g ) ]
If the microwave input power injected into the rectifier is Pin, and the internal resistance of the power source is Rs, then the voltage and current of the RF power source are Vs and Is.
Z-parameters of matching and coupling network ZM can be calculated by
[ V s V g V d ] = [ Z M ] [ I s I g I d ]
In the intrinsic part, Igd and Igs are ignored for the device works within safe operations. Therefore, from Kirchhoff’s current law, internal current I’ds can be calculated as
I g s = I g y + I g c
I d s = I d s I g y
Igy, Igc can be expressed as derivative of charge Qgy and Qgc that are calculated by V’gs and V’ds through a series of nonlinear equations; these equations can be found in the index of an EEHEMT model in ADS.
After the target waveform of the designed rectifier has been determined, according to the formula, V’ds and V’gs can be obtained, then ZM can be calculated and obtained simultaneously, but Z-parameters are not popular for passive network synthesis, so the matching and coupling networks are carried out by converting the Z-parameters to their corresponding S-parameters and performing microwave synthesis.

3.2. Validation and Results

Based on the time-reversal duality, the inverse class F waveform of a classical PA was selected as target waveform to achieve high-efficiency rectifier design. The internal voltage V’gs and V’ds are designed to shape the target waveform according to the steps discussed in the previous section, and the input power and load of the rectifier were 10 W and 50 Ω, respectively. After optimization, the final values of V’gs and V’ds are listed in Table 5. The calculated rectification waveform in a normalized period is shown in Figure 6. It can be found that the generated rectification waveforms are very close to the ideal target voltage and current waveforms of inverse class F, i.e., the voltage is half-sine, and the current is square.
Then, according to the target waveform characterized by the voltages list in Table 1, the matching and coupling network of ZM can be calculated based on the formula. Converting ZM to SM for synthesizing the SM by using practical microstrip lines, the circuit is built in Rogers 4350B with a thickness of 20 mils and dielectric constant of 3.66. The coupling network adopted a parallel microstrip line instead of a capacitor to avoid an inaccurate simulation model of capacitor in high frequency. The gap and microstrip line length can be optimized according to the performance of the rectifier. The circuit topology and dimension of the realized rectifier is shown in Figure 7.
The current and voltage waveforms shown in Figure 6 are calculated from the internal drain and gate voltages. Now, the rectifier is implemented as the circuit topology shown in Figure 7, and harmonic balance (HB) simulation was carried out in ADS. The results of comparing the waveforms achieved by HB simulation with the targets are shown in Figure 8. Very small waveform distance indicates that the proposed method is feasible.
The test setup of the rectifier is shown in Figure 9. The three ports of the rectifier are the RF power input, the gate negative voltage bias, and the DC output port, respectively. A 5.8 GHz microwave signal generated by the signal generator and amplified by the drive amplifier is fed into the RF input port of the rectifier through a coupler and an isolator. The coupling port of the coupler is connected to the power meter to measure the RF power fed into the rectifier, and the DC source provides −3.4 V bias for the gate. The DC output port is connected to the electronic load, which supplies 50 Ω load resistances, and the output voltage was read directly.
The measured results of the rectification efficiency, output power, and output voltage are shown in Figure 10.
The rectification efficiency of the rectifier is calculated as
E f f = P o u t P i n = V o u t 2 / R l o a d P i n
where Pout is the output DC power, Vout is the output voltage, Rload is the resistance value of the load, and Pin is the RF power fed into the rectifier.
The maximum rectification efficiency of 68% was obtained at 5.8 GHz with 12 W input power and 50 Ω load resistances.
The results reported in the literature are summarized in Table 6. In terms of efficiency only, the rectification efficiency of 68% does not stand out among all results, but many other factors that affected the efficiency, such as frequency and input power, should be considered. It can be seen that the maximum rectification efficiency of 68% was pretty good at 5.8 GHz and 12 W input power.

4. Discussion

Based on the commercial transistor devices, a self-synchronous RF–DC rectifier at 5.8 GHz was designed, and it achieved an efficiency of 68% for a 12 W input power. The study found that the rectification efficiency is sensitive to the matching of the RF input port; a low reflection coefficient will reduce the reflection of input power so the power loss will also be reduced. In this work, a 50 Ω resistance needs to be satisfied in the rectifier operating region. However, the input port impedance of the rectifier will vary under different input power due to the transistor nonlinear characteristics and influence of intrinsic parameters. Therefore, input port impedance that can stay constant with a wide range of input power needs to be studied in further work.
The proposed rectifier can be utilized in the high input power rectification WPT applications, such as wireless charging of an electric bicycle at a parking spot, so it will be very convenient for users avoiding charging the battery actively. In addition, in a space WPT system, the transmitting microwave power can be increased to hundreds of watts, even the kilowatts range, because there will be no living creatures between the transmitting and receiving antennas. Therefore, the proposed rectifier is a possible candidate for future WPT applications in space.

Author Contributions

Conceptualization, G.W.; data curation, S.D.; investigation, X.Y.; supervision, X.L.; validation, Y.D.; writing—original draft preparation, Y.W. All authors have read and agreed to the published version of the manuscript.

Funding

This research was funded by National Key Laboratory Foundation, grant number 6142411212106 and 6142411205202, and National Natural Science Foundation of China, grant number 12175176.

Institutional Review Board Statement

Not applicable.

Conflicts of Interest

The authors declare no conflict of interest.

References

  1. Popovic, Z.; Falkenstein, E.A.; Costinett, D.; Zane, R. Low-Power Far-Field Wireless Powering for Wireless Sensors. Proc. IEEE 2013, 101, 1397–1409. [Google Scholar] [CrossRef]
  2. Wang, C.; Shinohara, N.; Mitani, T. Study on 5.8-GHz Single-Stage Charge Pump Rectifier for Internal Wireless System of Satellite. IEEE Trans. Microw. Theory Tech. 2017, 65, 1058–1065. [Google Scholar] [CrossRef]
  3. Bartolini, A.; Corti, F.; Reatti, A.; Ciani, L.; Grasso, F.; Kazimierczuk, M.K. Analysis and Design of Stand-Alone Photovoltaic System for precision agriculture network of sensors. In Proceedings of the 2020 IEEE International Conference on Environment and Electrical Engineering and 2020 IEEE Industrial and Commercial Power Systems Europe, Madrid, Spain, 9–12 June 2020; pp. 1–5. [Google Scholar]
  4. Lee, Y.-H.; Wang, A.-S.; Liao, Y.-D.; Lin, T.-W.; Chi, Y.-J.; Wong, C.-C.; Shinohara, N.; Yuan, Q.; Chen, Q. Wireless power IoT system using polarization switch antenna as polling protocol for 5G mobile network. In Proceedings of the 2017 IEEE Wireless Power Transfer Conference (WPTC), Taipei, Taiwan, 10–12 May 2017; pp. 1–3. [Google Scholar] [CrossRef]
  5. Nguyen, C.M.; Mays, J.; Plesa, D.; Rao, S.; Nguyen, M.; Chiao, J.C. Wireless sensor nodes for environmental monitoring in Internet of Things. In Proceedings of the 2015 IEEE MTT-S International Microwave Symposium, Phoenix, AZ, USA, 17–22 May 2015; pp. 1–4. [Google Scholar] [CrossRef]
  6. Strassner, B.; Chang, K. 5.8-GHz Circularly Polarized Rectifying Antenna for Wireless Microwave Power Transmission. IEEE Trans. Microw. Theory Tech. 2002, 50, 1870–1876. [Google Scholar] [CrossRef]
  7. Uzun, Y. Design and Implementation of RF Energy Harvesting System for Low-Power Electronic Devices. J. Electron. Mater. 2016, 45, 3842–3847. [Google Scholar] [CrossRef]
  8. Hamill, D. Time reversal duality and the synthesis of a double class E DC-DC converter. In Proceedings of the 21st Annual IEEE Conference on Power Electronics Specialists, San Antonio, TX, USA, 11–14 June 1990. [Google Scholar] [CrossRef]
  9. Roberg, M.; Reveyrand, T.; Ramos, I.; Falkenstein, E.A.; Popovic, Z. High-Efficiency Harmonically Terminated Diode and Transistor Rectifiers. IEEE Trans. Microw. Theory Tech. 2012, 60, 4043–4052. [Google Scholar] [CrossRef] [Green Version]
  10. Ishikawa, R.; Honjo, K. High-efficiency DC-to-RF/RF-to-DC interconversion switching module at C-band. In Proceedings of the 45th European Microwave Conference, Paris, France, 7–10 September 2015; pp. 295–298. [Google Scholar] [CrossRef]
  11. Wang, D.; Nghiem, X.A.; Wei, M.D.; Negra, R. Design of a High Efficiency Rectifier with Wide Bandwidth and Input Power Range Based on the Time Reversal Duality of Power Amplifier. In Proceedings of the 45th European Microwave Conference, Paris, France, 7–10 September 2015; pp. 291–294. [Google Scholar]
  12. Abbasian, S.; Johnson, T. Power-Efficiency Characteristics of Class-F and Inverse Class-F Synchronous Rectifiers. IEEE Trans. Microw. Theory Tech. 2016, 64, 4740–4751. [Google Scholar] [CrossRef]
  13. You, F.; Dong, S.-W.; Wang, Y.; Yu, X.; Li, C. Design Method of Self-Driving RF-DC Rectifier Based on Waveform-Guided Solutions to Passive Matching Network. IEEE Trans. Power Electron. 2018, 34, 6498–6509. [Google Scholar] [CrossRef]
  14. You, F.; Dong, S.-W.; Wang, Y.; Zhang, S.; Yu, X.; He, S. Design of a Self-Driving Transistor-Based RF-DC Converter Based on Optimized Harmonic-Tuned Rectification Waveforms. IEEE Trans. Microw. Theory Tech. 2020, 68, 4433–4444. [Google Scholar] [CrossRef]
  15. Haider, M.F.; Zhang, S.; You, F.; He, Q.; Dong, S.-W.; Wang, Y. A High-Efficiency Self-Synchronous RF-DC Rectifier With a Fixed Broadband Phase Offset. IEEE Microw. Wirel. Components Lett. 2021, 31, 324–327. [Google Scholar] [CrossRef]
  16. Yasui, T.; Ishikawa, R.; Honjo, K. GaN HEMT DC I-V Device Model for Accurate RF Rectifier Simulation. IEEE Microw. Wirel. Compon. Lett. 2017, 27, 930–932. [Google Scholar] [CrossRef]
  17. Callet, G.; Faraj, J.; Jardel, O.; Charbonniaud, C.; Jacquet, J.C.; Reveyrand, T.; Morvan, E.; Piotrowicz, S.; Teyssier, J.P.; Quéré, R. A new nonlinear HEMT model for AlGaN/GaN switch applications. Int. J. Microw. Wirel. Technol. 2010, 2, 283–291. [Google Scholar] [CrossRef]
  18. Abbasian, S.; Johnson, T. High efficiency GaN HEMT class-F synchronous rectifier for wireless applications. IEICE Electron. Express 2015, 12, 20140952. [Google Scholar] [CrossRef] [Green Version]
  19. Abbasian, S.; Johnson, T. High efficiency and high power GaN HEMT inverse class-F synchronous rectifier for wireless power applications. In Proceedings of the 2015 European Microwave Conference (EuMC), Paris, France, 7–10 September 2015; pp. 299–302. [Google Scholar] [CrossRef]
  20. Yoshida, S.; Nishikawa, K.; Kawasaki, S. 10W Class High Power C-Band Rectifier Using GaN HEMT. In Proceedings of the 2019 IEEE Wireless Power Transfer Conference, London, UK, 18–21 June 2019; pp. 595–598. [Google Scholar]
Figure 1. The equivalent circuit of an EEMEMT model.
Figure 1. The equivalent circuit of an EEMEMT model.
Electronics 11 00090 g001
Figure 2. The package parameter of an EEMEMT model.
Figure 2. The package parameter of an EEMEMT model.
Electronics 11 00090 g002
Figure 3. Large signal simulation results in comparison to the manufacturer’s model.
Figure 3. Large signal simulation results in comparison to the manufacturer’s model.
Electronics 11 00090 g003
Figure 4. I–V characteristic under negative drain voltages.
Figure 4. I–V characteristic under negative drain voltages.
Electronics 11 00090 g004
Figure 5. Brief diagram of the proposed self-driving transistor rectifier.
Figure 5. Brief diagram of the proposed self-driving transistor rectifier.
Electronics 11 00090 g005
Figure 6. The calculated rectification waveform of the designed rectifier.
Figure 6. The calculated rectification waveform of the designed rectifier.
Electronics 11 00090 g006
Figure 7. The circuit topology and dimensions of the self-synchronous RF–DC rectifier.
Figure 7. The circuit topology and dimensions of the self-synchronous RF–DC rectifier.
Electronics 11 00090 g007
Figure 8. Comparison of HB simulated waveforms and calculated waveforms.
Figure 8. Comparison of HB simulated waveforms and calculated waveforms.
Electronics 11 00090 g008
Figure 9. Test setup of the rectifier.
Figure 9. Test setup of the rectifier.
Electronics 11 00090 g009
Figure 10. The measured results of the designed rectifier.
Figure 10. The measured results of the designed rectifier.
Electronics 11 00090 g010
Table 1. Fitted DC parameters for CGH40010F’ EEHEMT model.
Table 1. Fitted DC parameters for CGH40010F’ EEHEMT model.
ParameterValueUnitsParameterValueUnitsParameterValueUnits
Vto−3.51VGamma3.63 × 10−41/VVgo−2.38V
Gmmax0.72SVsat6.02VKapa1.21 × 10−7S
Peff89.32WVtso14.21VIs1.3 × 10−10A
Ris6.31 × 10−7OhmRid1.0 × 10−10OhmRd0.77Ohm
Rs9.48 × 10−5OhmRg8.37OhmVco8.45V
Vbc5.66VVba4.0VDeltgm−0.08None
Table 2. Fitted AC small signal characteristic parameters.
Table 2. Fitted AC small signal characteristic parameters.
ParameterValueUnitsParameterValueUnits
Vtoac−3.5VGammaac1.28 × 10−31/V
Gmmaxac0.86SKapaac1.52 × 10−9S
Peffac89.53WVtsoac−3.61V
Deltgmac4.21None
Table 3. Fitted high-frequency characteristic parameters and package parameters.
Table 3. Fitted high-frequency characteristic parameters and package parameters.
ParameterValueUnitsParameterValueUnitsParameterValueUnits
Cdso1.5 × 10−12FCbs3.0 × 10−11FC11o1.59 × 10−12F
C11th2.43 × 10−16FVinfl1.4 × 10−4VDeltgs1.2.27V
Deltds32.23VLambda0.0331/VC12sat1.2 × 10−17F
Cgdsat6.38 × 10−16FLpg2.89 × 10−5HCpg2.0F
Rpg2.2 × 10−3OhmLpd0.65HCpd0.54F
Rpd0.31OhmLps0.04HZTLpg28.5Ohm
θTLpg11.6degZTLpd15.4OhmθTLpd0.05deg
Table 4. Fitted parameters at negative drain-source voltage.
Table 4. Fitted parameters at negative drain-source voltage.
ParameterValueUnitsParameterValueUnitsParameterValueUnits
Idss0.92AVpo4.48Vp0.008None
Wneg−0.13NoneWpos0.91NoneAneg0.015None
Apos0.3NoneVknee4.1VSneg32S
gmvp0.1SSsatn0.4SVsatn0.8V
Ssat1p0.66SVsat1p−2.1VSsat2p0.05S
Vsat2p2Vatrval−0.18NoneN1.2None
Vpdec−0.2V
Table 5. Voltages of gate and drain.
Table 5. Voltages of gate and drain.
K=12345
V’gs, k
Amplitude/Phase(rad)
2.4/−2.30.6/0.20.5/1.40.5/1.90.03/−2.96
V’ds, k
Amplitude/Phase(rad)
32.3/0.917.1/1.84.6/2.80.04/2.670.2/1.8
Table 6. Comparison with other RF–DC rectifiers.
Table 6. Comparison with other RF–DC rectifiers.
ReferenceFrequency
(GHz)
Input Power
(W)
Efficiency
(%)
2012 [9]2.141085
2015 [10]5.361.366
2015 [11]1.857.183.6
2016 [12]0.9110.1585
2019 [13]2.81070.8
2019 [20]5.7813.244.8
2020 [14]1.911.274.9
680.7
2021 [15]2.65–2.951084.9
This work5.81268
Publisher’s Note: MDPI stays neutral with regard to jurisdictional claims in published maps and institutional affiliations.

Share and Cite

MDPI and ACS Style

Wang, Y.; Wei, G.; Dong, S.; Dong, Y.; Yu, X.; Li, X. A High-Efficiency Self-Synchronous RF–DC Rectifier Based on Time-Reversal Duality for Wireless Power Transfer Applications. Electronics 2022, 11, 90. https://doi.org/10.3390/electronics11010090

AMA Style

Wang Y, Wei G, Dong S, Dong Y, Yu X, Li X. A High-Efficiency Self-Synchronous RF–DC Rectifier Based on Time-Reversal Duality for Wireless Power Transfer Applications. Electronics. 2022; 11(1):90. https://doi.org/10.3390/electronics11010090

Chicago/Turabian Style

Wang, Ying, Gao Wei, Shiwei Dong, Yazhou Dong, Xumin Yu, and Xiaojun Li. 2022. "A High-Efficiency Self-Synchronous RF–DC Rectifier Based on Time-Reversal Duality for Wireless Power Transfer Applications" Electronics 11, no. 1: 90. https://doi.org/10.3390/electronics11010090

APA Style

Wang, Y., Wei, G., Dong, S., Dong, Y., Yu, X., & Li, X. (2022). A High-Efficiency Self-Synchronous RF–DC Rectifier Based on Time-Reversal Duality for Wireless Power Transfer Applications. Electronics, 11(1), 90. https://doi.org/10.3390/electronics11010090

Note that from the first issue of 2016, this journal uses article numbers instead of page numbers. See further details here.

Article Metrics

Back to TopTop