Machine Learning (ML) Based Thermal Management for Cooling of Electronics Chips by Utilizing Thermal Energy Storage (TES) in Packaging That Leverages Phase Change Materials (PCM)
Abstract
:1. Introduction
1.1. PCMs for Electronics Cooling
1.2. Supercooling in PCMs
- (1)
- Using temperature data from sensors immersed within the body of the PCM at locations corresponding to meniscus levels of the liquid coinciding with specific values of melt-fraction of the PCM (i.e., transient PCM-temperature data for training of the ANN model); and
- (2)
- Using temperature data from sensors mounted on the surface of the cylindrical container at locations corresponding to meniscus levels of the liquid coinciding with specific values of melt-fraction of the PCM (i.e., transient surface-temperature data for training of the ANN model).The efficacy of these two approaches is compared for different values of the electrical power input to the heater (that is mounted at the bottom of the cylindrical container). The errors in the predictions from the ANN model (compared to the actual values recorded in the experiments) are explored for different sets of training data obtained from these experiments.
2. Artificial Neural Network Principles
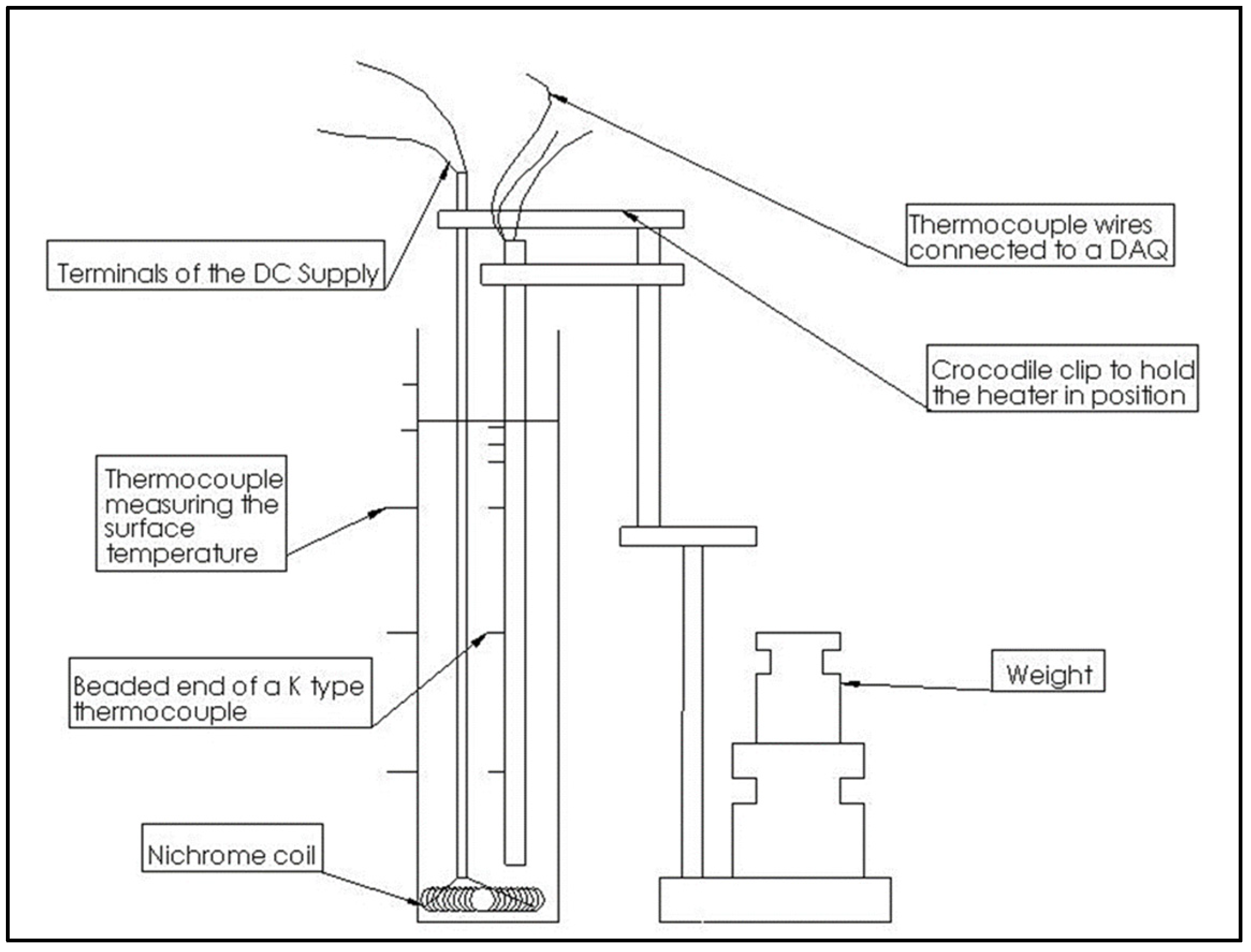
3. Experimental Apparatus and Procedure
3.1. Volume Calibration Experiments
3.2. Data Acquisition (DAQ) System
4. Results and Discussion
4.1. Performance of the ANN Trained on PCM Temperatures
4.2. Performance of the ANN Trained on Surface Temperatures
5. Conclusions
Author Contributions
Funding
Acknowledgments
Conflicts of Interest
Appendix A




| Prediction Set | ||||
|---|---|---|---|---|
| 2.3 V | 2.6 V | 2.8 V | ||
| Training Set | 2.3 V | 6.03 | 17.18 | |
| 2.6 V | 2.14 | 5.85 | ||
| 2.8 V | 7.19 | 5.70 | ||
| Prediction Set | ||||
|---|---|---|---|---|
| 2.3 V | 2.6 V | 2.8 V | ||
| Training Set | 2.3 V | 4.12 | 6.23 | |
| 2.6 V | 3.58 | 5.05 | ||
| 2.8 V | 3.03 | 0.62 | ||
References
- Pedram, M.; Nazarian, S. Thermal Modeling, Analysis, and Management in VLSI Circuits: Principles and Methods. Proc. IEEE 2006, 94, 1487–1501. [Google Scholar] [CrossRef] [Green Version]
- Black, J.R. Electromigration—A brief survey and some recent results. IEEE Trans. Electron Devices 1969, 16, 338–347. [Google Scholar] [CrossRef] [Green Version]
- Moore, G.E. Cramming More Components Onto Integrated Circuits. Proc. IEEE 1998, 86, 82–85. [Google Scholar] [CrossRef]
- Waldrop, M. The chips are down for Moore’s law. Nat. News 2016, 530, 144. [Google Scholar] [CrossRef] [Green Version]
- Markowski, P.M.; Gierczak, M.; Dziedzic, A. Temperature Difference Sensor to Monitor the Temperature Difference in Processor Active Heat Sink Based on Thermopile. Electronics 2021, 10, 1410. [Google Scholar] [CrossRef]
- Kang, T.; Ye, Y.; Jia, Y.; Kong, Y.; Jiao, B. Enhanced Thermal Management of GaN Power Amplifier Electronics with Micro-Pin Fin Heat Sinks. Electronics 2020, 9, 1778. [Google Scholar] [CrossRef]
- Murshed, S.M.S.; de Castro, C.N. A critical review of traditional and emerging techniques and fluids for electronics cooling. Renew. Sustain. Energy Rev. 2017, 78, 821–833. [Google Scholar] [CrossRef]
- Maydanik, Y.; Vershinin, S.; Korukov, M.; Ochterbeck, J. Miniature loop heat pipes-a promising means for cooling electronics. IEEE Trans. Compon. Packag. Technol. 2005, 28, 290–296. [Google Scholar] [CrossRef]
- Wei, X.; Joshi, Y. Stacked Microchannel Heat Sinks for Liquid Cooling of Microelectronic Components. J. Electron. Packag. 2004, 126, 60–66. [Google Scholar] [CrossRef]
- Garimella, S.V.; Singhal, V.; Dong, L. On-Chip Thermal Management With Microchannel Heat Sinks and Integrated Micropumps. Proc. IEEE 2006, 94, 1534–1548. [Google Scholar] [CrossRef]
- Jaworski, M.; Domański, R. A novel design of heat sink with PCM for electronics cooling. In Proceedings of the 10th International Conference on Thermal Energy Storage, Stockton, CA, USA, 31 May–2 June 2006; Volume 31. [Google Scholar]
- Tan, F.L.; Tso, C.P. Cooling of mobile electronic devices using phase change materials. Appl. Therm. Eng. 2004, 24, 159–169. [Google Scholar] [CrossRef]
- Kandasamy, R.; Wang, X.-Q.; Mujumdar, A.S. Application of phase change materials in thermal management of electronics. Appl. Therm. Eng. 2007, 27, 2822–2832. [Google Scholar] [CrossRef]
- Kandasamy, R.; Wang, X.-Q.; Mujumdar, A.S. Transient cooling of electronics using phase change material (PCM)-based heat sinks. Appl. Therm. Eng. 2008, 28, 1047–1057. [Google Scholar] [CrossRef]
- Baby, R.; Balaji, C. Thermal management of electronics using phase change material based pin fin heat sinks. J. Phys. Conf. Ser. 2012, 395, 012134. [Google Scholar] [CrossRef]
- Ling, Z.; Zhang, Z.; Shi, G.; Fang, X.; Wang, L.; Gao, X.; Fang, Y.; Xu, T.; Wang, S.; Liu, X. Review on thermal management systems using phase change materials for electronic components, Li-ion batteries and photovoltaic modules. Renew. Sustain. Energy Rev. 2014, 31, 427–438. [Google Scholar] [CrossRef] [Green Version]
- Hirschey, J.; Gluesenkamp, K.R.; Mallow, A.; Graham, S. Review of Inorganic Salt Hydrates with Phase Change Temperature in Range of 5 to 60 °C and Material Cost Comparison with Common Waxes. In Proceedings of the 5th International High Performance Buildings Conference, Purdue, Indiana, 9–12 July 2018. [Google Scholar]
- Chul, S.B.; Done, K.S.; Won-Hoon, P. Phase separation and supercooling of a latent heat-storage material. Energy 1989, 14, 921–930. [Google Scholar] [CrossRef]
- Hu, P.; Lu, D.-J.; Fan, X.-Y.; Zhou, X.; Chen, Z.-S. Phase change performance of sodium acetate trihydrate with AlN nanoparticles and CMC. Sol. Energy Mater. Sol. Cells 2011, 95, 2645–2649. [Google Scholar] [CrossRef]
- Ramirez, B.M.L.G.; Glorieux, C.; Martinez, E.S.M.; Cuautle, J.J.A.F. Tuning of thermal properties of sodium acetate trihydrate by blending with polymer and silver nanoparticles. Appl. Therm. Eng. 2014, 62, 838–844. [Google Scholar] [CrossRef]
- Shamberger, P.J.; O’Malley, M.J. Heterogeneous nucleation of thermal storage material LiNO3·3H2O from stable lattice-matched nucleation catalysts. Acta Mater. 2015, 84, 265–274. [Google Scholar] [CrossRef]
- Kumar, N.; Banerjee, D.; Chavez, R. Exploring additives for improving the reliability of zinc nitrate hexahydrate as a phase change material (PCM). J. Energy Storage 2018, 20, 153–162. [Google Scholar] [CrossRef]
- Kumar, N.; Hirschey, J.; LaClair, T.J.; Gluesenkamp, K.R.; Graham, S. Review of stability and thermal conductivity enhancements for salt hydrates. J. Energy Storage 2019, 24, 100794. [Google Scholar] [CrossRef]
- Kumar, N.; Banerjee, D. A Comprehensive Review of Salt Hydrates as Phase Change Materials (PCMs). Int. J. Transp. Phenom. 2018, 15, 65–89. [Google Scholar]
- Kumar, N.; Ness, R.V.; Chavez, R., Jr.; Banerjee, D.; Muley, A.; Stoia, M. Experimental Analysis of Salt Hydrate Latent Heat Thermal Energy Storage System With Porous Aluminum Fabric and Salt Hydrate as Phase Change Material With Enhanced Stability and Supercooling. J. Energy Resour. Technol. 2020, 143, 042001. [Google Scholar] [CrossRef]
- Haykin, S.S. Neural Networks and Learning Machines/Simon Haykin; Prentice Hall: New York, NY, USA, 2009. [Google Scholar]
- Haykin, S. Neural networks: A comprehensive foundation. Knowl. Eng. Rev. 1999, 13, 409–412. [Google Scholar]
- Chuttar, A.; Thyagarajan, A.; Banerjee, D. Leveraging Machine Learning (Artificial Neural Networks) for Enhancing Performance and Reliability of Thermal Energy Storage Platforms Utilizing Phase Change Materials. ASME J. Energy Resour. Technol. 2021, 144, 022001. [Google Scholar] [CrossRef]
- Gharbi, S.; Harmand, S.; Jabrallah, S.B. Experimental comparison between different configurations of PCM based heat sinks for cooling electronic components. Appl. Therm. Eng. 2015, 87, 454–462. [Google Scholar] [CrossRef]
- PureTemp. PureTemp29 Technical Data Sheet. Available online: https://www.puretemp.com/stories/puretemp-29-tds (accessed on 15 September 2021).





















| Property | Value |
|---|---|
| Enthalpy of Phase Change | 202 (J/g) |
| Heat Capacity of Solid | 1.77 (J/(g °C)) |
| Heat Capacity of Liquid | 1.94 (J/(g °C)) |
| Density of Solid | 0.94 (g/mL) |
| Density of Liquid | 0.85 (g/mL) |
| Conductivity of liquid | 0.15 (W/(m °C)) |
| Conductivity of solid | 0.25 (W/(m °C)) |
| Heater Voltage (V) | Time to Reach 85% Melt-Fraction (s) | Time to Reach 90% Melt-Fraction (s) | Time to Reach 100% Melt-Fraction (s) |
|---|---|---|---|
| 2.3 V | 12,017 | 13,670 | 15,658 |
| 2.6 V | 11,817 | 12,729 | 13,157 |
| 2.8 V | 8768 | 9888 | 10,518 |
| Prediction Set | ||||
|---|---|---|---|---|
| 2.3 V | 2.6 V | 2.8 V | ||
| Training Set | 2.3 V | 190 s | 331 s | |
| 2.6 V | 423 s | 167 s | ||
| 2.8 V | 653 s | 233 s | ||
| Prediction Set | ||||
|---|---|---|---|---|
| 2.3 V | 2.6 V | 2.8 V | ||
| Training Set | 2.3 V | 201 s | 206 s | |
| 2.6 V | 589 s | 502 s | ||
| 2.8 V | 279 s | 447 s | ||
Publisher’s Note: MDPI stays neutral with regard to jurisdictional claims in published maps and institutional affiliations. |
© 2021 by the authors. Licensee MDPI, Basel, Switzerland. This article is an open access article distributed under the terms and conditions of the Creative Commons Attribution (CC BY) license (https://creativecommons.org/licenses/by/4.0/).
Share and Cite
Chuttar, A.; Banerjee, D. Machine Learning (ML) Based Thermal Management for Cooling of Electronics Chips by Utilizing Thermal Energy Storage (TES) in Packaging That Leverages Phase Change Materials (PCM). Electronics 2021, 10, 2785. https://doi.org/10.3390/electronics10222785
Chuttar A, Banerjee D. Machine Learning (ML) Based Thermal Management for Cooling of Electronics Chips by Utilizing Thermal Energy Storage (TES) in Packaging That Leverages Phase Change Materials (PCM). Electronics. 2021; 10(22):2785. https://doi.org/10.3390/electronics10222785
Chicago/Turabian StyleChuttar, Aditya, and Debjyoti Banerjee. 2021. "Machine Learning (ML) Based Thermal Management for Cooling of Electronics Chips by Utilizing Thermal Energy Storage (TES) in Packaging That Leverages Phase Change Materials (PCM)" Electronics 10, no. 22: 2785. https://doi.org/10.3390/electronics10222785
APA StyleChuttar, A., & Banerjee, D. (2021). Machine Learning (ML) Based Thermal Management for Cooling of Electronics Chips by Utilizing Thermal Energy Storage (TES) in Packaging That Leverages Phase Change Materials (PCM). Electronics, 10(22), 2785. https://doi.org/10.3390/electronics10222785

