Dead-Time Correction Applied for Extended Flux-Based Sensorless Control of Assisted PMSMs in Electric Vehicles
Abstract
1. Introduction
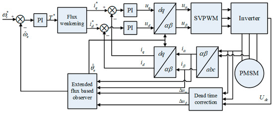
2. Extended Flux-Based Sensorless Control Technology
2.1. Mathematical Model of PMSM
2.2. Rotor Position Estimation-Based on Extended Flux Observer
3. Dead-Time Correction for Sensorless Control System
3.1. Dead-Time Effect
3.2. Dead-Time Correction Method
4. Experimental Results
5. Conclusions
Author Contributions
Funding
Informed Consent Statement
Data Availability Statement
Conflicts of Interest
References
- Gao, P.; Zhang, G.; Lv, X. Model-Free Hybrid Control with Intelligent Proportional Integral and Super-Twisting Sliding Mode Control of PMSM Drives. Electronics 2020, 9, 1427. [Google Scholar] [CrossRef]
- Xing, J.; Qin, Z.; Lin, C.; Jiang, X. Research on Startup Process for Sensorless Control of PMSMs Based on I-F Method Combined with an Adaptive Compensator. IEEE Access 2020, 8, 70812–70821. [Google Scholar] [CrossRef]
- Inoue, Y.; Kawaguchi, Y.; Morimoto, S.; Sanada, M. Performance Improvement of Sensorless IPMSM Drives in a Low-Speed Region Using Online Parameter Identification. IEEE Trans. Ind. Appl. 2011, 47, 798–804. [Google Scholar] [CrossRef]
- Verrelli, C.M.; Bifaretti, S.; Carfagna, E.; Lidozzi, A.; Solero, L.; Crescimbini, F.; Di Benedetto, M. Speed Sensor Fault Tolerant PMSM Machines: From Position-Sensorless to Sensorless Control. IEEE Trans. Ind. Appl. 2019, 55, 3946–3954. [Google Scholar] [CrossRef]
- Wang, Q.; Wang, S.; Chen, C. Review of sensorless control techniques for PMSM drives. IEEJ Tran. 2019, 14, 1543–1552. [Google Scholar] [CrossRef]
- Du, B.; Han, S.; Cui, S. Application of Linear Active Disturbance Rejection Controller for Sensorless Control of Internal Permanent-magnet Synchronous Motor. IEEE Trans. Ind. Appl. 2016, 63, 3019–3027. [Google Scholar] [CrossRef]
- Zhang, G. Pseudorandom-Frequency Sinusoidal Injection for Position Sensorless IPMSM Drives Considering Sample and Hold Effect. IEEE Trans. Power Electron. 2019, 34, 9929–9941. [Google Scholar] [CrossRef]
- Yoon, Y.; Sul, S.; Morimoto, S.; Ide, K. High-Bandwidth Sensorless Algorithm for AC Machines Based on Square-Wave-Type Voltage Injection. IEEE Trans. Ind. Appl. 2011, 47, 1361–1370. [Google Scholar] [CrossRef]
- Wang, G.; Valla, M.; Solsona, J. Position Sensorless Permanent Magnet Synchronous Machine Drives-A Review. IEEE Trans. Ind. Electron. 2020, 67, 5830–5842. [Google Scholar] [CrossRef]
- Qiao, Z.; Shi, T.; Wang, Y.; Yan, Y.; Xia, C.; He, X. New Sliding-Mode Observer for Position Sensorless Control of Permanent-Magnet Synchronous Motor. IEEE Trans. Ind. Electron. 2013, 60, 710–719. [Google Scholar] [CrossRef]
- Michalski, T.; Lopez, C.; Garcia, A.; Romeral, L. Sensorless Control of Five Phase PMSM Based on Extended Kalman Filter. In Proceedings of the 42nd Annual Conference of the IEEE-Industrial-Electronics-Society, Florence, Italy, 24–27 October 2016. [Google Scholar]
- Kim, H.; Son, J.; Lee, J. A High-Speed Sliding-Mode Observer for the Sensorless Speed Control of a PMSM. IEEE Trans. Ind. Electron. 2011, 58, 4069–4077. [Google Scholar] [CrossRef]
- Zhao, W.; Jiao, S.; Chen, Q.; Xu, D.; Ji, J. Sensorless Control of a Linear Permanent-Magnet Motor Based on an Improved Disturbance Observer. IEEE Trans. Ind. Electron. 2018, 65, 9291–9300. [Google Scholar] [CrossRef]
- Boldea, I.; Paicu, M.C.; Andreescu, G.D. Active flux concept for motion-sensorless unified AC drives. IEEE Trans. Power Electron. 2008, 23, 2612–2618. [Google Scholar] [CrossRef]
- Gong, L.; Zhu, Z. Robust Initial Rotor Position Estimation of Permanent Magnet Brushless AC Machines with Carrier-Signal-Injection-Based Sensorless Control. IEEE Trans. Ind. Appl. 2013, 49, 2602–2609. [Google Scholar] [CrossRef]
- Wu, C.; Zhao, Y.; Sun, M. Enhancing Low-Speed Sensorless Control of PMSM Using Phase Voltage Measurements and Online Multiple Parameter Identification. IEEE Trans. Power Electron. 2020, 35, 10700–10710. [Google Scholar] [CrossRef]
- Boldea, I.; Paicu, M.C.; Andreescu, G.D.; Blaabjerg, F. DTFC-SVM sensorless control of IPMSM. IEEE Trans. Energy Convers. 2009, 24, 314–322. [Google Scholar] [CrossRef]
- Paicu, M.C.; Boldea, I.; Andreescu, G.D.; Blaabjerg, F. Very low speed performance of active flux based sensorless control: Interior permanent magnet synchronous motor vector control versus direct torque and flux control. IET Electr. Power Appl. 2009, 3, 551–561. [Google Scholar] [CrossRef]
- Wang, Y.; Xu, Y.; Zou, J. Sliding-mode sensorless control of PMSM with inverter nonlinearity compensation. IEEE Trans. Power Electron. 2019, 34, 10206–10220. [Google Scholar] [CrossRef]
- Mario, A.H.; Jonatan, R.F.; Alejandro, G.; Marcos, G.J.; Daniel, O.C. Adaptive dead-time compensation for grid-connected PWM inverters of single-stage PV systems. IEEE Trans. Power Electron. 2013, 28, 2816–2825. [Google Scholar] [CrossRef]
- Fausto, S.; Arzhang, Y.T.; Shafiq, O.; Gianmario, P.; Pericle, Z. An accurate self-commissioning technique for matrix converters applied to sensorless control of synchronous reluctance motor drives. IEEE J. Emerg. Sel. Top. Power Electron. 2019, 7, 1342–1351. [Google Scholar] [CrossRef]
- Silverio, B.; Lucas, P.; Mauro, Z. Repetitive-control-based self-commissioning procedure for inverter nonidealities compensation. IEEE Trans. Ind. Appl. 2008, 44, 1587–1596. [Google Scholar] [CrossRef]
- Gianmario, P.; Paolo, G.; Eric, A.; Radu, I.B. Self-commissioning algorithm for inverter nonlinearity compensation in sensorless induction motor drives. IEEE Trans. Ind. Appl. 2010, 46, 1416–1424. [Google Scholar] [CrossRef]
- Nicola, M.; Nicola, C. Sensorless Fractional Order Control of PMSM Based on Synergetic and Sliding Mode Controllers. Electronics 2020, 9, 1494. [Google Scholar] [CrossRef]
- Wang, Z.; Lu, K.; Blaabjerg, F. A Simple Startup Strategy Based on Current Regulation for Back-EMF-Based Sensorless Control of PMSM. IEEE Trans. Power Electron. 2012, 27, 3817–3825. [Google Scholar] [CrossRef]
- Chen, J.; Wu, X.; Chen, S.; Tan, G. Sensorless flux adaption DTFC of an IPMSM based on an active flux-based MTPA and an adaptive second-order sliding mode observer. IET Power Electron. 2020, 13, 1875–1884. [Google Scholar] [CrossRef]
- Foo, G.; Rahman, M.F. Sensorless Direct Torque and Flux-Controlled IPM Synchronous Motor Drive at Very Low Speed Without Signal Injection. IEEE Trans. Ind. Electron. 2010, 57, 395–403. [Google Scholar] [CrossRef]
- Ancuti, M.C.; Tutelea, L.; Andreescu, G.D.; Blaabjerg, F.; Lasucus, C.; Boldea, I. Practical Wide-speed-range Sensorless Control System for Permanent Magnet Reluctance Synchronous Motor Drives via Active Flux Model. Electr. Power Compon. Syst. 2014, 42, 91–102. [Google Scholar] [CrossRef]
- Park, C.S.; Jung, T.U. Online Dead Time Effect Compensation Algorithm of PWM Inverter for Motor Drive Using PR Controller. J. Electr. Eng. Technol. 2017, 12, 1137–1145. [Google Scholar] [CrossRef][Green Version]
- TMS320F2803x Microcontrollers, Texas Instruments, Dallas, Literature Number SPRS584N. June 2020. Available online: https://www.ti.com/product/TMS320F28035?keyMatch=2803X&tisearch=Search-EN-everything&usecase=GPN#tech-docs. (accessed on 19 January 2021).










| Denotation | Symbol | Value |
|---|---|---|
| Rated power (kW) | PR | 3 |
| Rated current (A) | IR | 10 |
| Rated speed (rpm) | nR | 1500 |
| Rated load (N·m) | TR | 23 |
| Rated frequency (Hz) | fR | 100 |
| Number of pole pairs | np | 4 |
| Stator resistance (Ω) | Rs | 1.08 |
| d-axis inductance (mH) | Ld | 12.52 |
| q-axis inductance (mH) | Lq | 23.37 |
| Flux linkage (Wb) | λf | 0.26 |
Publisher’s Note: MDPI stays neutral with regard to jurisdictional claims in published maps and institutional affiliations. |
© 2021 by the authors. Licensee MDPI, Basel, Switzerland. This article is an open access article distributed under the terms and conditions of the Creative Commons Attribution (CC BY) license (http://creativecommons.org/licenses/by/4.0/).
Share and Cite
Lin, C.; Xing, J.; Zhuang, X. Dead-Time Correction Applied for Extended Flux-Based Sensorless Control of Assisted PMSMs in Electric Vehicles. Electronics 2021, 10, 220. https://doi.org/10.3390/electronics10020220
Lin C, Xing J, Zhuang X. Dead-Time Correction Applied for Extended Flux-Based Sensorless Control of Assisted PMSMs in Electric Vehicles. Electronics. 2021; 10(2):220. https://doi.org/10.3390/electronics10020220
Chicago/Turabian StyleLin, Cheng, Jilei Xing, and Xingming Zhuang. 2021. "Dead-Time Correction Applied for Extended Flux-Based Sensorless Control of Assisted PMSMs in Electric Vehicles" Electronics 10, no. 2: 220. https://doi.org/10.3390/electronics10020220
APA StyleLin, C., Xing, J., & Zhuang, X. (2021). Dead-Time Correction Applied for Extended Flux-Based Sensorless Control of Assisted PMSMs in Electric Vehicles. Electronics, 10(2), 220. https://doi.org/10.3390/electronics10020220

