Robust Asynchronous H∞ Observer-Based Control Design for Discrete-Time Switched Singular Systems with Time-Varying Delay and Sensor Saturation: An Average Dwell Time Approach
Abstract
:1. Introduction
- (i)
- The switched singular systems were employed to cope with the problem of asynchronous observer-based control design using the ADT approach. Compared to [14,26,40,41], the design is considered to characterize dynamic systems with unavailable states for measurement, which closely reflects the reality with a more general structure.
- (ii)
- The exponential admissibility and performances of the switched singular systems were established by using an appropriate Lyapunov–Krasovskii functional with a triple-sum term. Delay-dependent LMI conditions were derived using the ADT approach.
- (iii)
- (iv)
- Numerical examples were used to demonstrate the effectiveness of the proposed study.
2. System Description and Preliminaries
- 1.
- For a given and a complex number z, the pair is said to be regular if .
- 2.
- For a given , the pair is said to be causal, if it is regular and .
- 3.
- System (7) is said to be admissible if it is regular, causal, and stable.
- 1.
- is feasible in variable N and M
- 2.
- Y, L, and V satisfy
3. Stability Analysis
4. Asynchronous Controller Design
5. Numerical Examples
- When V is switched on:
- When V is switched off:
- case I:
- The method in this paper: Let , , , , , and ; and ADT parameters , , , and ; a feasible result was obtained by Theorem 3 with the minimum allowed and the following observer and controller gains:
- case II:
- The method in [47]: The observer and controller gains were:
6. Conclusions
Author Contributions
Funding
Institutional Review Board Statement
Informed Consent Statement
Data Availability Statement
Conflicts of Interest
References
- Lin, J.; Fei, S.; Shen, J. Robust stability and stabilization for uncertain discrete-time switched singular systems with time-varying delays. J. Syst. Eng. Electron. 2010, 21, 650–657. [Google Scholar] [CrossRef]
- Xu, Y.; Zhu, S.; Ma, S.; Han, Q.L. Finite-time stability and stabilization for a class of nonlinear discrete-time descriptor switched systems with time-varying delay. In Proceedings of the 33rd Chinese Control Conference (CCC), Nanjing, China, 28–30 July 2014; pp. 6025–6030. [Google Scholar]
- Lin, J.; Fei, S.; Gao, Z. Control discrete-time switched singular systems with state delays under asynchronous switching. Int. J. Syst. Sci. 2013, 44, 1089–1101. [Google Scholar] [CrossRef]
- Lin, J.; Fei, S.; Wu, Q. Reliable H∞ filtering for discrete-time switched singular systems with time-varying delay. Circuits Syst. Signal Process. 2012, 31, 1191–1214. [Google Scholar] [CrossRef]
- Zamani, I.; Shafiee, M. Stability analysis of uncertain switched singular time-delay systems with discrete and distributed delays. Optim. Control Appl. Methods 2015, 36, 1–28. [Google Scholar] [CrossRef]
- Zhang, L.; Zhao, J.; Qi, X.; Li, F. Exponential stability for discrete-time singular switched time-delay systems with average dwell time. In Proceedings of the Control Conference (CCC), 2011 30th Chinese, Yantai, China, 22–24 July 2011; pp. 1789–1794. [Google Scholar]
- Lin, J.; Fei, S.; Gao, Z.; Ding, J. Fault detection for discrete-time switched singular time-delay systems: An average dwell time approach. Int. J. Adapt. Control Signal Process. 2013, 27, 582–609. [Google Scholar] [CrossRef]
- Li, S.; Xiang, Z. Stability, l1-gain and l∞-gain analysis for discrete-time positive switched singular delayed systems. Appl. Math. Comput. 2016, 275, 95–106. [Google Scholar] [CrossRef]
- Ma, Y.; Fu, L. Finite-time H∞ control for discrete-time switched singular time-delay systems subject to actuator saturation via static output feedback. Int. J. Syst. Sci. 2016, 47, 3394–3408. [Google Scholar] [CrossRef]
- Kchaou, M.; Ahmadi, S.A. Robust Control for Nonlinear Uncertain Switched Descriptor Systems with Time Delay and Nonlinear Input: A Sliding Mode Approach. Complexity 2017, 2017, 14. [Google Scholar] [CrossRef] [Green Version]
- Regaieg, M.; Kchaou, M.; Hajjaji, A.E.; Gassara, H.; Chaabane, M. Mode-dependent control design for discrete-time Switched Singular Systems with time varying delay. In Proceedings of the 2018 Annual American Control Conference, Milwaukee, WI, USA, 27–29 June 2018; pp. 374–379. [Google Scholar]
- Lin, J.; Zhao, X.; Xiao, M.; Shen, J. Stabilization of discrete-time switched singular systems with state, output and switching delays. J. Frankl. Inst. 2019, 356, 2060–2089. [Google Scholar] [CrossRef]
- Alexandra, M.; Paolo, M.; Andreas, Z. A multi input sliding mode control for Peltier Cells using a cold–hot sliding surface. J. Frankl. Inst. 2018, 355, 9351–9373. [Google Scholar] [CrossRef]
- Regaieg, M.; Kchaou, M.; Hajjaji, A.E.; Chaabane, M. Robust H∞ guaranteed cost control for discrete-time switched singular systems with time-varying delay. Optim. Control Appl. Methods 2019, 40, 119–140. [Google Scholar] [CrossRef]
- Xing, M.; Xia, J.; Wang, J.; Meng, B.; Shen, H. Asynchronous H∞ filtering for nonlinear persistent dwell-time switched singular systems with measurement quantization. Appl. Math. Comput. 2019, 362, 124578. [Google Scholar] [CrossRef]
- Cheng, J.; Park, J.; Karimi, H.; Zhao, X. Static output feedback control of nonhomogeneous Markovian jump systems with asynchronous time delays. Inf. Sci. 2017, 399, 219–238. [Google Scholar] [CrossRef]
- Zhao, X.; Tian, E.; Wang, L.; Li, H. Asynchronous control for discrete switched systems over network by using sojourn probability method. In Proceedings of the Control and Decision Conference (CCDC), 2016 Chinese, Yinchuan, China, 28–30 May 2016; pp. 962–967. [Google Scholar]
- Wang, Y.E.; Zhao, J.; Jiang, B. Stabilization of a class of switched linear neutral systems under asynchronous switching. IEEE Trans. Autom. Control 2013, 58, 2114–2119. [Google Scholar] [CrossRef]
- Xiang, Z.; Sun, Y.N.; Chen, Q. Stabilization for a class of switched neutral systems under asynchronous switching. Trans. Inst. Meas. Control 2012, 34, 793–801. [Google Scholar] [CrossRef]
- Zhang, L.; Gao, H. Asynchronously switched control of switched linear systems with average dwell time. Automatica 2010, 46, 953–958. [Google Scholar] [CrossRef]
- Zhao, X.; Shi, P.; Zhang, L. Asynchronously switched control of a class of slowly switched linear systems. Syst. Control Lett. 2012, 61, 1151–1156. [Google Scholar] [CrossRef]
- Xiang, M.; Xiang, Z.; Karimi, H. Stabilization of positive switched systems with time-varying delays under asynchronous switching. Int. J. Control. Autom. Syst. 2014, 12, 939–947. [Google Scholar] [CrossRef] [Green Version]
- Xiang, M.; Xiang, Z.; Karimi, H.R. Asynchronous L1 control of delayed switched positive systems with mode-dependent average dwell time. Inf. Sci. 2014, 278, 703–714. [Google Scholar] [CrossRef]
- Regaieg, M.; Kchaou, M.; Bosche, J.; El-Hajjaji, A.; Chaabane, M. Asynchronous Output Feedback Control Design for Nonlinear Switched Singular Systems with Time Varying Delay. In Proceedings of the 2019 IEEE 58th Conference on Decision and Control (CDC), Nice, France, 11–13 December 2019; pp. 611–616. [Google Scholar]
- Lin, J.; Fei, S.; Gao, Z. Stabilization of discrete-time switched singular time-delay systems under asynchronous switching. J. Frankl. Inst. 2012, 349, 1808–1827. [Google Scholar] [CrossRef]
- Liu, L.L.; Wang, Y.E.; Wu, B.W. Asynchronous stabilization of switched singular systems with interval time varying delays. Int. J. Control Autom 2015, 8, 373–384. [Google Scholar] [CrossRef]
- Lin, J.; Shi, Y.; Gao, Z.; Ding, J. Functional observer for switched discrete-time singular systems with time delays and unknown inputs. IET Control Theory Appl. 2015, 9, 2146–2156. [Google Scholar] [CrossRef]
- Lin, J.; Gao, Z. Observers design for switched discrete-time singular time-delay systems with unknown inputs. Nonlinear Anal. Hybrid Syst. 2015, 18, 85–99. [Google Scholar] [CrossRef]
- Han, Y.; Kao, Y.; Park, J. Robust nonfragile observer-based control of switched discrete singular systems with time-varying delays: A sliding mode control design. Int. J. Robust Nonlinear Control 2019, 29, 1462–1483. [Google Scholar] [CrossRef]
- Sun, Y.; Ma, S. Observer-based asynchronous H∞ control for a class of discrete time nonlinear switched singular systems. J. Frankl. Inst. 2020, 357, 5277–5301. [Google Scholar] [CrossRef]
- Wang, T.; Tong, S. Observer-based output-feedback asynchronous control for switched fuzzy systems. IEEE Trans. Cybern. 2016, 47, 2579–2591. [Google Scholar] [CrossRef]
- Zhang, M.; Shen, C.; Wu, Z.G. Asynchronous observer-based control for exponential stabilization of Markov jump systems. IEEE Trans. Circuits Syst. II Express Briefs 2019, 67, 2039–2043. [Google Scholar] [CrossRef]
- Su, Y.; Zheng, C.; Mercorelli, P. Global finite-time stabilization of planar linear systems with actuator saturation. IEEE Trans. Circuits Syst. II Express Briefs 2016, 64, 947–951. [Google Scholar] [CrossRef]
- Lian, J.; Li, C.; Liu, D. Input-to-state stability for discrete-time non-linear switched singular systems. IET Control Theory Appl. 2017, 11, 2893–2899. [Google Scholar] [CrossRef]
- Liu, Y.; Wang, J.; Gao, C.; Tang, S.; Gao, Z. Input-to-state stability for a class of discrete-time nonlinear input-saturated switched descriptor systems with unstable subsystems. Neural Comput. Appl. 2018, 29, 417–424. [Google Scholar] [CrossRef]
- Wang, J.; Ma, S.; Zhang, C. Finite-time stabilization for nonlinear discrete-time singular Markov jump systems with piecewise-constant transition probabilities subject to average dwell time. J. Frankl. Inst. 2017, 354, 2102–2124. [Google Scholar] [CrossRef]
- Wei, Y.; Sun, L.; Jia, S.; Liu, K.; Meng, F. Disturbance attenuation and rejection for a class of switched nonlinear systems subject to input and sensor saturations. Math. Probl. Eng. 2019, 2019, 13. [Google Scholar] [CrossRef]
- Cheng, J.; Zhan, Y. Nonstationary l2 − l∞ filtering for Markov switching repeated scalar nonlinear systems with randomly occurring nonlinearities. Appl. Math. Comput. 2020, 365, 124714. [Google Scholar] [CrossRef]
- Duan, R.; Li, J. Finite-time distributed H∞ filtering for Takagi-Sugeno fuzzy system with uncertain probability sensor saturation under switching network topology: Non-PDC approach. Appl. Math. Comput. 2020, 371, 124961. [Google Scholar] [CrossRef]
- Zhou, L.; Ho, D.W.; Zhai, G. Stability analysis of switched linear singular systems. Automatica 2013, 49, 1481–1487. [Google Scholar] [CrossRef]
- Liu, Y.; Kao, Y.; Karimi, H.; Gao, Z. Input-to-state stability for discrete-time nonlinear switched singular systems. Inf. Sci. 2016, 358, 18–28. [Google Scholar] [CrossRef]
- Wu, Z.G.; Shi, P.; Su, H.; Chu, J. Asynchronous l2 - l∞ filtering for discrete-time stochastic Markov jump systems with randomly occurred sensor nonlinearities. Automatica 2014, 50, 180–186. [Google Scholar] [CrossRef]
- Mathiyalagan, K.; Su, H.; Shi, P.; Sakthivel, R. Exponential H∞ Filtering for Discrete-Time Switched Neural Networks With Random Delays. IEEE Trans. Cybern. 2015, 45, 676–687. [Google Scholar] [CrossRef]
- Wang, G.; Xie, R.; Zhang, H.; Yu, G.; Dang, C. Robust Exponential H∞ Filtering for Discrete-Time Switched Fuzzy Systems with Time-Varying Delay. Circuits Syst. Signal Process. 2016, 35, 117–138. [Google Scholar] [CrossRef]
- Li, X.; Xiang, Z.; Karimi, H. Asynchronously switched control of discrete impulsive switched systems with time delays. Inf. Sci. 2013, 249, 132–142. [Google Scholar] [CrossRef]
- Guo, S.; Zhu, F.; Jiang, B. Reduced-order switched UIO design for switched discrete-time descriptor systems. Nonlinear Anal. Hybrid Syst. 2018, 30, 240–255. [Google Scholar] [CrossRef]
- Regaieg, M.; Kchaou, M.; Bosche, J.; El-Hajjaji, A.; Chaabane, M. Robust dissipative observer-based control design for discrete-time switched systems with time-varying delay. IET Control Theory Appl. 2019, 13, 3026–3039. [Google Scholar] [CrossRef]









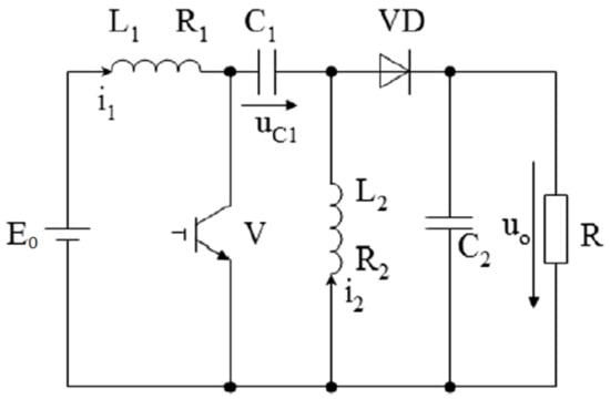
| Acronyms | Definitions | Values/Units |
|---|---|---|
| Input inductor | ||
| Output inductor | ||
| Input capacitor | ||
| Output capacitor | ||
| Resistor of input inductor | ||
| Resistor of output inductor | ||
| R | Load resistor |
| ISE | IAE | |
|---|---|---|
| Expression | ||
| case I | 16 | 0.27 |
| case II | 19 | 0.39 |
Publisher’s Note: MDPI stays neutral with regard to jurisdictional claims in published maps and institutional affiliations. |
© 2021 by the authors. Licensee MDPI, Basel, Switzerland. This article is an open access article distributed under the terms and conditions of the Creative Commons Attribution (CC BY) license (https://creativecommons.org/licenses/by/4.0/).
Share and Cite
Regaieg, M.A.; Kchaou, M.; Jerbi, H.; Boudjemline, A.; Hafaifa, A. Robust Asynchronous H∞ Observer-Based Control Design for Discrete-Time Switched Singular Systems with Time-Varying Delay and Sensor Saturation: An Average Dwell Time Approach. Electronics 2021, 10, 2334. https://doi.org/10.3390/electronics10192334
Regaieg MA, Kchaou M, Jerbi H, Boudjemline A, Hafaifa A. Robust Asynchronous H∞ Observer-Based Control Design for Discrete-Time Switched Singular Systems with Time-Varying Delay and Sensor Saturation: An Average Dwell Time Approach. Electronics. 2021; 10(19):2334. https://doi.org/10.3390/electronics10192334
Chicago/Turabian StyleRegaieg, Mohamed Amin, Mourad Kchaou, Houssem Jerbi, Attia Boudjemline, and Ahmed Hafaifa. 2021. "Robust Asynchronous H∞ Observer-Based Control Design for Discrete-Time Switched Singular Systems with Time-Varying Delay and Sensor Saturation: An Average Dwell Time Approach" Electronics 10, no. 19: 2334. https://doi.org/10.3390/electronics10192334
APA StyleRegaieg, M. A., Kchaou, M., Jerbi, H., Boudjemline, A., & Hafaifa, A. (2021). Robust Asynchronous H∞ Observer-Based Control Design for Discrete-Time Switched Singular Systems with Time-Varying Delay and Sensor Saturation: An Average Dwell Time Approach. Electronics, 10(19), 2334. https://doi.org/10.3390/electronics10192334

