A Single Source Switched-Capacitor 13-Level Inverter with Triple Voltage Boosting and Reduced Component Count
Abstract
:1. Introduction
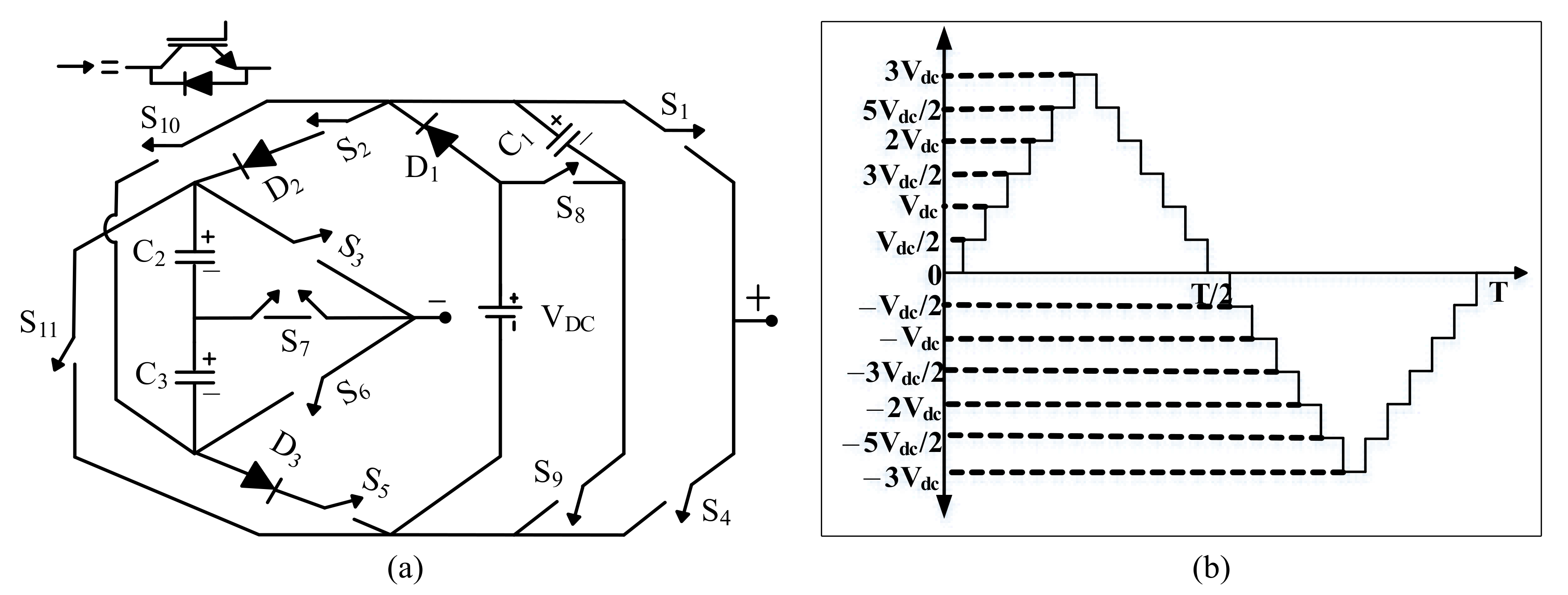
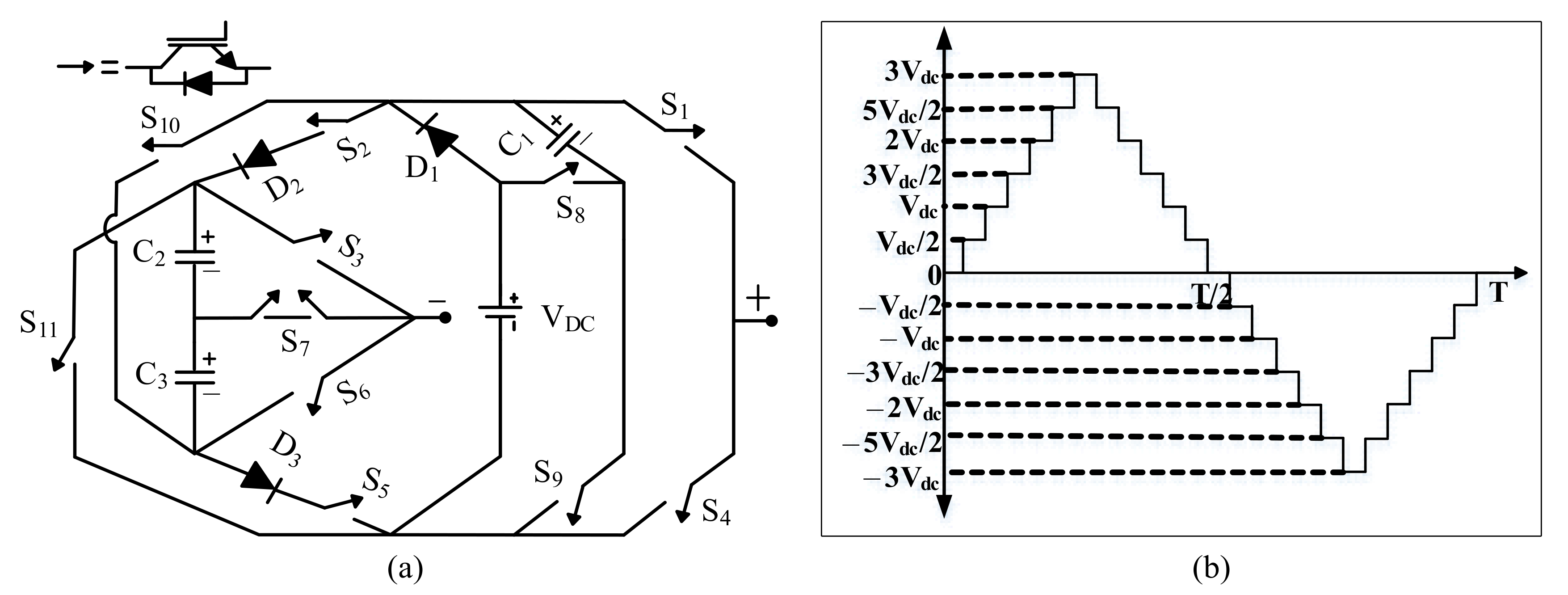
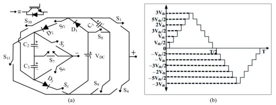
- (a)
- A 13-level output voltage is synthesized with 11 switches and one DC source.
- (b)
- The proposed topology provides triple voltage boosting at the output.
- (c)
- Total standing voltage (TSV) of the proposed topology has significantly reduced.
- (d)
- Negative voltage levels are generated without using an H-bridge.
- (e)
- All three capacitor voltages are self-balanced, hence control circuitry is simple.
2. Proposed Switched-Capacitor Topology
2.1. Circuit Analysis
2.2. Description of Voltage Levels
3. System Design and Component Selection
3.1. Capacitor Design
3.2. Power Loss Analysis
3.2.1. Capacitor Charging Power Loss ()
3.2.2. Conduction Loss Due to Load Current
3.2.3. Switching Loss (PSW)
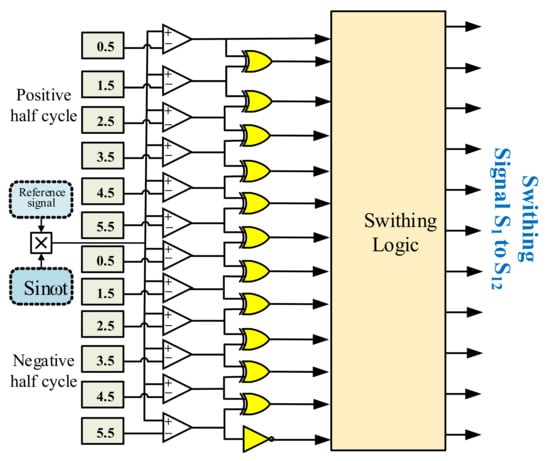
3.3. Nearest Level Control (NLC)
4. Comparative Analysis
5. Results and Discussion
5.1. Simulation Results
5.2. Hardware Results
6. Conclusions
Author Contributions
Funding
Acknowledgments
Conflicts of Interest
References
- Ye, Y.; Chen, S.; Wang, X.; Cheng, K.W.E.E. Self-Balanced 13-Level Inverter Based on Switched Capacitor and Hybrid PWM Algorithm. IEEE Trans. Ind. Electron. 2021, 68, 4827–4837. [Google Scholar] [CrossRef]
- Tayyab, M.; Sarwar, A.; Tariq, M.; Chakrabortty, R.K.; Ryan, M.J. Hardware-in-the-Loop Implementation of Projectile Target Search Algorithm for Selective Harmonic Elimination in a 3-Phase Multilevel Converter. IEEE Access 2021, 9, 30626–30635. [Google Scholar] [CrossRef]
- Hussan, R.; Sarwar, A.; Siddique, M.D.; Mekhilef, S.; Ahmad, S.; Sharaf, M.; Zaindin, M.; Firdausi, M. A Novel Switched-Capacitor Multilevel Inverter Topology for Energy Storage and Smart Grid Applications. Electronics 2020, 9, 1703. [Google Scholar] [CrossRef]
- Panda, K.P.; Bana, P.R.; Panda, G. A Reduced Device Count Single DC Hybrid Switched-Capacitor Self-Balanced Inverter. IEEE Trans. Circ. Syst. II Express Briefs 2021, 68, 978–982. [Google Scholar] [CrossRef]
- Tayyab, M.; Sarwar, A. Submodule Capacitor voltage balancing of Modular Multilevel Converter. In Proceedings of the 2019 International Conference on Electrical, Electronics and Computer Engineering (UPCON), Aligarh, India, 8–10 November 2019; Volume 2, pp. 2–6. [Google Scholar]
- Tayyab, M.; Sarwar, A. Level Shifted Carrier-Based Pulse Width Modulation for Modular Multilevel Converter. In Renewable Power for Sustainable Growth; Lecture Notes in Electrical Engineering; Springer: Singapore, 2021; Volume 723, pp. 639–646. [Google Scholar] [CrossRef]
- Srinivasan, G.; Rivera, M.; Loganathan, V.; Ravikumar, D.; Mohan, B. Trends and Challenges in Multi-Level Inverter with Reduced Switches. Electronics 2021, 10, 368. [Google Scholar] [CrossRef]
- Khan, M.Y.A.; Liu, H.; Yang, Z.; Yuan, X. A Comprehensive Review on Grid Connected Photovoltaic Inverters, Their Modulation Techniques, and Control Strategies. Energies 2020, 13, 4185. [Google Scholar] [CrossRef]
- Bughneda, A.; Salem, M.; Richelli, A.; Ishak, D.; Alatai, S. Review of Multilevel Inverters for PV Energy System Applications. Energies 2021, 14, 1585. [Google Scholar] [CrossRef]
- Rahman, S.; Khan, I.; Rahman, K.; Al Otaibi, S.; Alkhammash, H.; Iqbal, A. Scalable Multiport Converter Structure for Easy Grid Integration of Alternate Energy Sources for Generation of Isolated Voltage Sources for MMC. Electronics 2021, 10, 1779. [Google Scholar] [CrossRef]
- Hassan, A.; Yang, X.; Chen, W.; Houran, M.A. A State of the Art of the Multilevel Inverters with Reduced Count Components. Electronics 2020, 9, 1924. [Google Scholar] [CrossRef]
- Fahad, M.; Tariq, M.; Sarwar, A.; Modabbir, M.; Zaid, M.; Satpathi, K.; Hussan, R.; Tayyab, M.; Alamri, B.; Alahmadi, A. Asymmetric Multilevel Inverter Topology and Its Fault Management Strategy for High-Reliability Applications. Energies 2021, 14, 4302. [Google Scholar] [CrossRef]
- Naik, B.S.; Suresh, Y.; Venkataramanaiah, J.; Panda, A.K. A Hybrid Nine-Level Inverter Topology with Boosting Capability and Reduced Component Count. IEEE Trans. Circ. Syst. II Express Briefs 2021, 68, 316–320. [Google Scholar] [CrossRef]
- Samadaei, E.; Kaviani, M.; Bertilsson, K. A 13-Levels Module (K-Type) With Two DC Sources for Multilevel Inverters. IEEE Trans. Ind. Electron. 2019, 66, 5186–5196. [Google Scholar] [CrossRef]
- Zeng, J.; Lin, W.; Cen, D.; Liu, J. Novel K-Type Multilevel Inverter with Reduced Components and Self-Balance. IEEE J. Emerg. Sel. Top. Power Electron. 2020, 8, 4343–4354. [Google Scholar] [CrossRef]
- Samadaei, E.; Gholamian, S.A.; Sheikholeslami, A.; Adabi, J. An Envelope Type (E-Type) Module: Asymmetric Multilevel Inverters with Reduced Components. IEEE Trans. Ind. Electron. 2016, 63, 7148–7156. [Google Scholar] [CrossRef]
- Hinago, Y.; Koizumi, H. A Switched-Capacitor Inverter Using Series/Parallel Conversion with Inductive Load. IEEE Trans. Ind. Electron. 2012, 59, 878–887. [Google Scholar] [CrossRef]
- Ye, Y.; Cheng, E.K.W.; Liu, J.; Ding, K. A Step-Up Switched-Capacitor Multilevel Inverter with Self-Voltage Balancing. IEEE Trans. Ind. Electron. 2014, 61, 6672–6680. [Google Scholar] [CrossRef]
- Taghvaie, A.; Adabi, J.; Rezanejad, M. A Self-Balanced Step-Up Multilevel Inverter Based on Switched-Capacitor Structure. IEEE Trans. Power Electron. 2018, 33, 199–209. [Google Scholar] [CrossRef]
- Sandeep, N. A 13-Level Switched-Capacitor-Based Boosting Inverter. IEEE Trans. Circ. Syst. II Express Briefs 2021, 68, 998–1002. [Google Scholar] [CrossRef]
- Siddique, M.D.; Mekhilef, S.; Shah, N.M.; Sarwar, A.; Iqbal, A.; Tayyab, M.; Ansari, M.K. Low Switching Frequency Based Asymmetrical Multilevel Inverter Topology with Reduced Switch Count. IEEE Access 2019, 7, 86374–86383. [Google Scholar] [CrossRef]
- Tayyab, M.; Sarwar, A.; Ahmad, J. High Gain DC-DC Converter for Modular Multilevel Converter Applications. In Renewable Power for Sustainable Growth; Lecture Notes in Electrical Engineering; Springer: Singapore, 2021; Volume 723, pp. 605–614. [Google Scholar] [CrossRef]
- Hussan, R.; Sarwar, A.; Siddique, M.D.; Iqbal, A.; Alamri, B. A Cross Connected Asymmetrical Switched-Capacitor Multilevel Inverter. IEEE Access 2021, 9, 96416–96429. [Google Scholar] [CrossRef]
- Ali, M.; Tariq, M.; Lin, C.-H.; Chakrobortty, R.K.; Alamri, B.; Alahmadi, A.; Ryan, M.J. Operation of a UXE-Type 11-Level Inverter with Voltage-Balance Modulation Using NLC and ACO-Based SHE. Sustainability 2021, 13, 9035. [Google Scholar] [CrossRef]
- Ali, M.; Tariq, M.; Lodi, K.A.; Chakrabortty, R.K.; Ryan, M.J.; Alamri, B.; Bharatiraja, C. Robust ANN-Based Control of Modified PUC-5 Inverter for Solar PV Applications. IEEE Trans. Ind. Appl. 2021, 57, 3863–3876. [Google Scholar] [CrossRef]
- Upadhyay, D.; Khan, S.A.; Ali, M.; Tariq, M.; Sarwar, A.; Chakrabortty, R.K.; Ryan, M.J. Experimental Validation of Metaheuristic and Conventional Modulation, and Hysteresis Control of the Dual Boost Nine-Level Inverter. Electronics 2021, 10, 207. [Google Scholar] [CrossRef]










| S1 | S2 | S3 | S4 | S5 | S6 | S7 | S8 | S9 | S10 | S11 | D1 | D2 | D3 | C1 | C2 | C3 | Output State |
|---|---|---|---|---|---|---|---|---|---|---|---|---|---|---|---|---|---|
| 1 | 1 | 1 | 0 | 1 | 0 | 0 | 0 | 1 | 0 | 0 | On | On | On | C | C | C | 0 |
| 0 | 0 | 0 | 1 | 0 | 0 | 1 | 0 | 1 | 0 | 1 | On | Off | Off | C | D | NC | Vdc/2 |
| 1 | 1 | 1 | 0 | 1 | 0 | 0 | 0 | 1 | 0 | 1 | On | On | On | C | C | C | Vdc |
| 1 | 0 | 0 | 0 | 0 | 0 | 1 | 0 | 1 | 0 | 1 | On | Off | Off | C | D | NC | 3Vdc/2 |
| 1 | 0 | 1 | 0 | 0 | 0 | 0 | 1 | 0 | 0 | 1 | Off | Off | Off | D | NC | NC | 2Vdc |
| 1 | 0 | 0 | 0 | 0 | 0 | 1 | 1 | 0 | 0 | 1 | Off | Off | Off | D | D | NC | 5Vdc/2 |
| 1 | 0 | 0 | 0 | 0 | 1 | 0 | 1 | 0 | 0 | 1 | Off | Off | Off | D | D | D | 3Vdc |
| 1 | 0 | 0 | 0 | 0 | 0 | 1 | 0 | 1 | 1 | 0 | On | Off | Off | C | NC | D | −Vdc/2 |
| 0 | 1 | 1 | 1 | 1 | 0 | 0 | 0 | 1 | 0 | 0 | On | On | On | C | C | C | −Vdc |
| 0 | 0 | 0 | 1 | 0 | 0 | 1 | 0 | 1 | 1 | 0 | On | Off | Off | C | NC | D | −3Vdc/2 |
| 0 | 0 | 0 | 1 | 0 | 1 | 0 | 1 | 0 | 1 | 0 | Off | Off | Off | D | NC | NC | −2Vdc |
| 0 | 0 | 0 | 1 | 0 | 0 | 1 | 1 | 0 | 1 | 0 | Off | Off | Off | D | NC | D | −5Vdc/2 |
| 0 | 0 | 1 | 1 | 0 | 0 | 0 | 1 | 0 | 1 | 0 | Off | Off | Off | D | D | D | −3Vdc |
| 13-Level MLI | NSW | ND | NT | NS | NC | Gain | TSV(×Vdc) |
|---|---|---|---|---|---|---|---|
| [14] | 14 | 0 | 14 | 2 | 2 | 2 | 39 |
| [15] | 14 | 0 | 14 | 1 | 4 | 1.5 | 40 |
| [16] | 10 | 0 | 10 | 4 | 0 | 1 | 32 |
| [17] | 19 | 0 | 19 | 1 | 5 | 6 | 39 |
| [18] | 10 | 10 | 20 | 1 | 5 | 6 | 59 |
| [19] | 29 | 5 | 34 | 1 | 5 | 6 | 34 |
| Proposed | 12 | 3 | 15 | 1 | 3 | 3 | 22 |
| Components | Values |
|---|---|
| DC Voltage Sources | 100 V |
| Capacitors | 4700 μF, 200 V, 2200 μF, 100 V |
| Load Resistance | 30 Ω, 50 Ω, 100 Ω |
| Load Inductance | 120 mH |
| Switching Frequency | 50 Hz |
| Components | Values |
|---|---|
| DC Voltage Sources | 25 V (Vdc) |
| Capacitors | 4700 μF, 100 V, 2200 μF, 100 V |
| Load Resistance | 30 Ω, 50 Ω, 60 Ω |
| Load Inductance | 50 mH |
| Output Frequency | 50 Hz |
| Switching Frequency | 50 Hz |
Publisher’s Note: MDPI stays neutral with regard to jurisdictional claims in published maps and institutional affiliations. |
© 2021 by the authors. Licensee MDPI, Basel, Switzerland. This article is an open access article distributed under the terms and conditions of the Creative Commons Attribution (CC BY) license (https://creativecommons.org/licenses/by/4.0/).
Share and Cite
Tayyab, M.; Sarwar, A.; Khan, I.; Tariq, M.; Hussan, M.R.; Murshid, S.; Alhosaini, W. A Single Source Switched-Capacitor 13-Level Inverter with Triple Voltage Boosting and Reduced Component Count. Electronics 2021, 10, 2321. https://doi.org/10.3390/electronics10192321
Tayyab M, Sarwar A, Khan I, Tariq M, Hussan MR, Murshid S, Alhosaini W. A Single Source Switched-Capacitor 13-Level Inverter with Triple Voltage Boosting and Reduced Component Count. Electronics. 2021; 10(19):2321. https://doi.org/10.3390/electronics10192321
Chicago/Turabian StyleTayyab, Mohammad, Adil Sarwar, Irfan Khan, Mohd Tariq, Md Reyaz Hussan, Shadab Murshid, and Waleed Alhosaini. 2021. "A Single Source Switched-Capacitor 13-Level Inverter with Triple Voltage Boosting and Reduced Component Count" Electronics 10, no. 19: 2321. https://doi.org/10.3390/electronics10192321
APA StyleTayyab, M., Sarwar, A., Khan, I., Tariq, M., Hussan, M. R., Murshid, S., & Alhosaini, W. (2021). A Single Source Switched-Capacitor 13-Level Inverter with Triple Voltage Boosting and Reduced Component Count. Electronics, 10(19), 2321. https://doi.org/10.3390/electronics10192321

