Hybrid Three-Phase Rectifiers with Active Power Factor Correction: A Systematic Review
Abstract
:1. Introduction
Scope and Objective of the Study
- Briefly and systematically present the existing work in relation to HTR technology;
- Identify gaps in the current state of the art of HTR, to suggest additional research;
- Provide the basis for new HTR research activities;
- Organize the HTR contents.
2. Methods
2.1. Research Questions (RQ)
- RQ1: In what period were the HTR published?
- RQ2: Who are the main actors in HTR?
- RQ3: What types of HTR are there in the literature?
- RQ4: What types of control are most used in HTR?
- RQ5: What types of HTR comply with international standards regarding the quality of energy in the electrical networks?
- RQ6: What type of loads are HTR applied to?
2.2. Search
Search Terms
2.3. Criteria
2.3.1. Exclusion Criteria
- Studies not related to HTR.
- Studies related to single-phase hybrid rectifiers.
- Studies related to Minnesota rectifiers.
- Studies related to three-phase rectifiers with active filters and hybrid filters.
- Studies related to three-phase rectifiers without active correction of the power factor.
2.3.2. Inclusion Criteria
- Studies related to HTR.
- Studies related to the application of HTR.
- Studies that describe the principle of operation of the HTR.
- Studies that describe the control methodology applied to the HTR.
- Studies that describe the design or dimensioning of HTR.
- Studies that describe the power distribution in the HTR.
2.4. Data Extraction Method
- The number of HTR published per year and their publication channels (addressing RQ1 and analyzed in Section 3.1).
- Name of the authors and their affiliations as well as the paper number (addressing RQ2 and analyzed in Section 3.1).
- Describe the operation of the HTR (addressing RQ3 and analyzed in Section 3.2).
- Describe the name of the HTR (addressing RQ3 and analyzed in Section 3.2).
- Present the design of the HTR (addressing RQ3 and analyzed in Section 3.2.2).
- Describe the control strategy applied (addressing RQ4 and analyzed in Section 3.3).
- Mention the type of integrated circuit applied in the control (addressing RQ4 and analyzed in Section 3.3).
- Mention the PF and THD obtained in the types of HTR, as well as the power distribution (addressing RQ5 and analyzed in Section 3.4).
- Describe the type of application of the HTR (addressing RQ6 and analyzed in Section 3.5).
3. Analysis
3.1. HTR Paper Publications
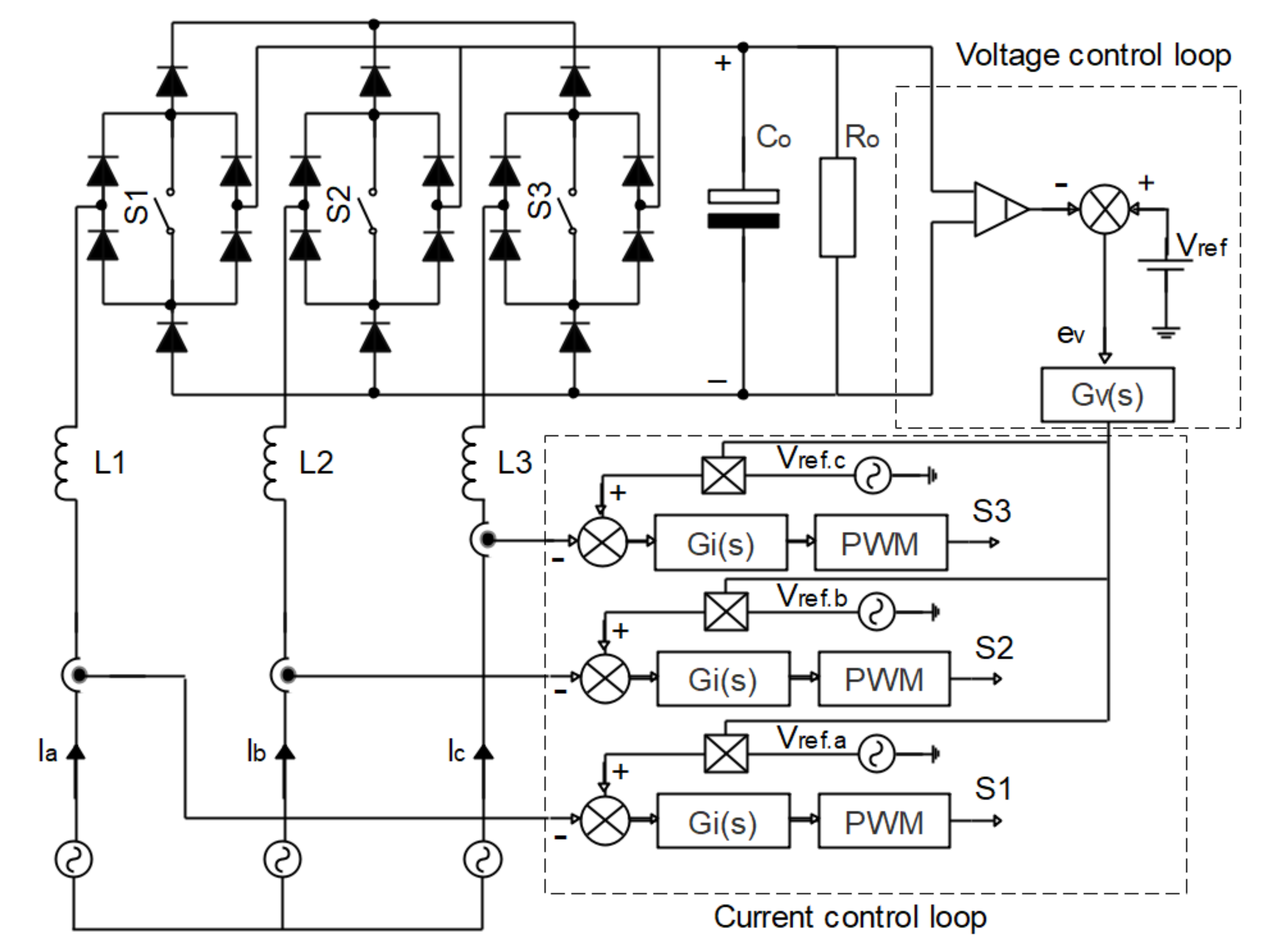
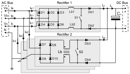
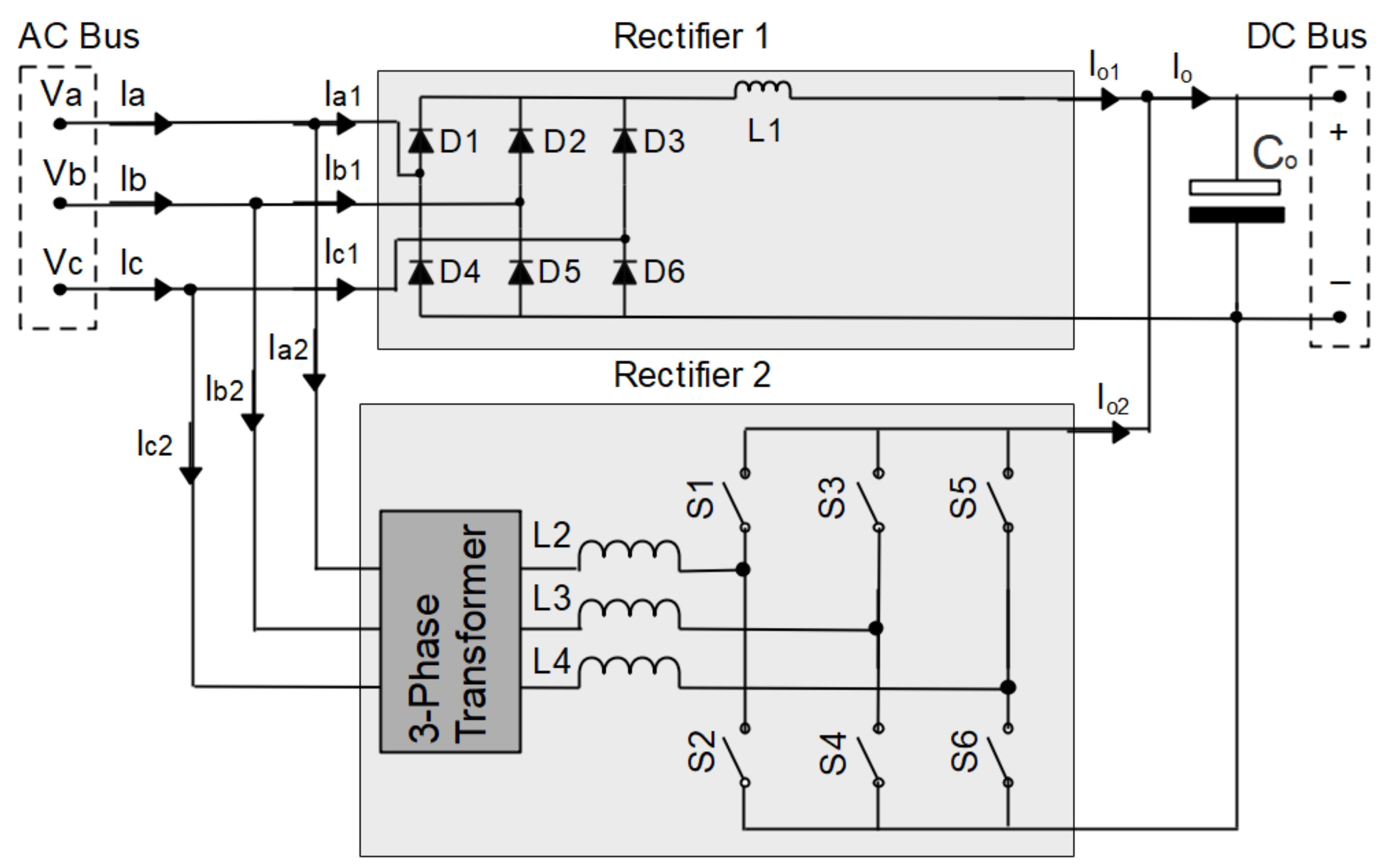
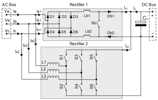
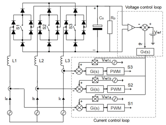
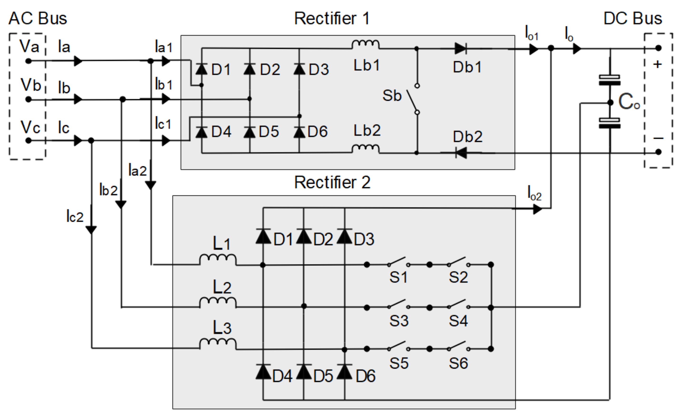
3.2. Principle of Operation of HTR
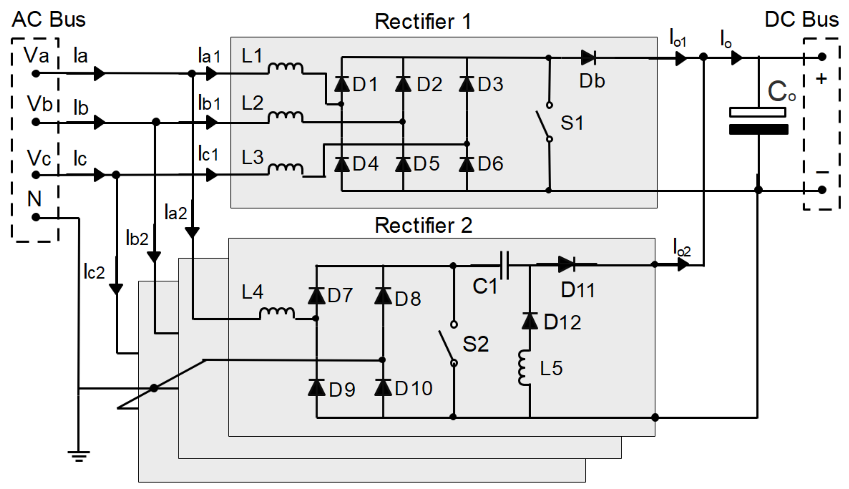
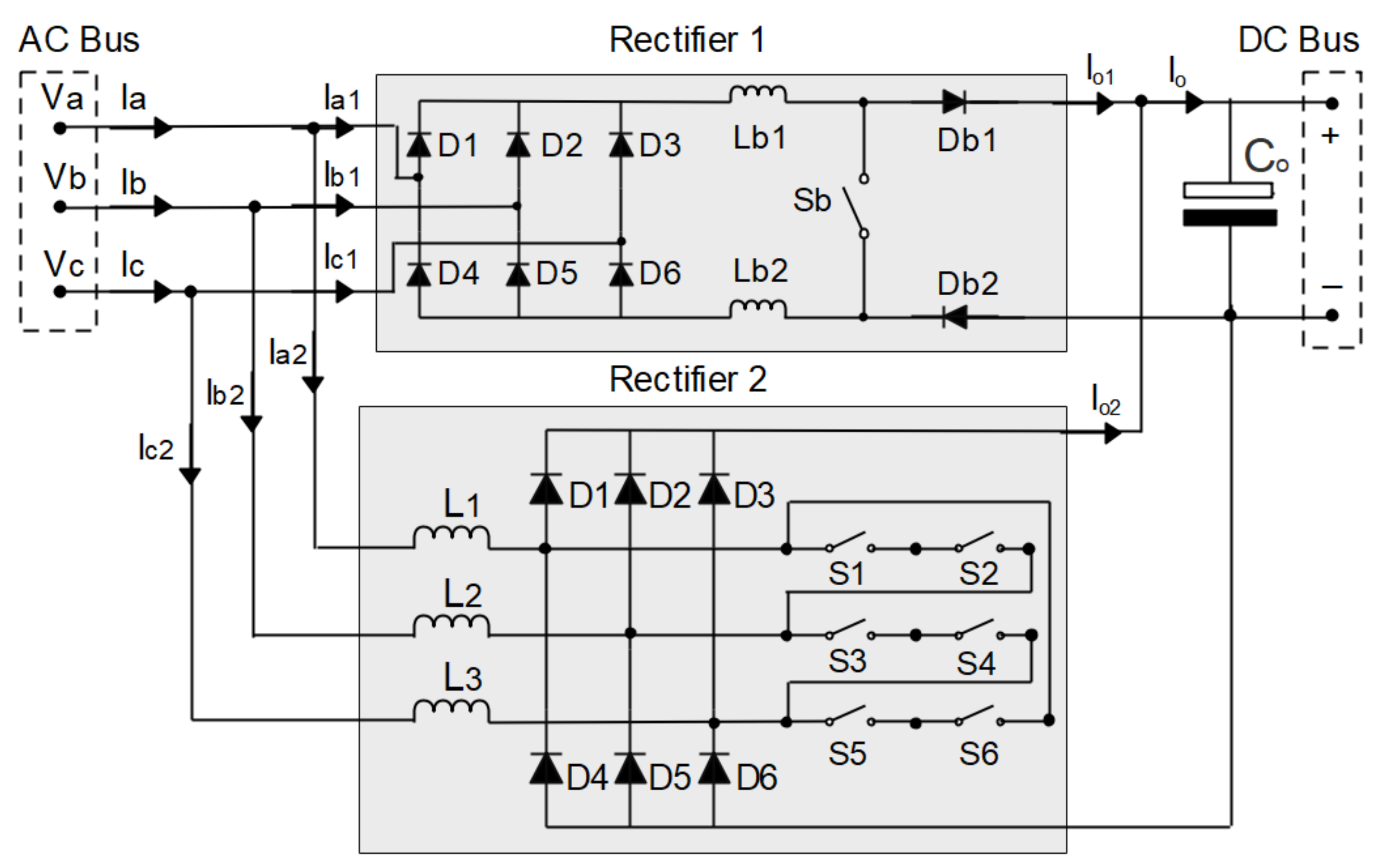
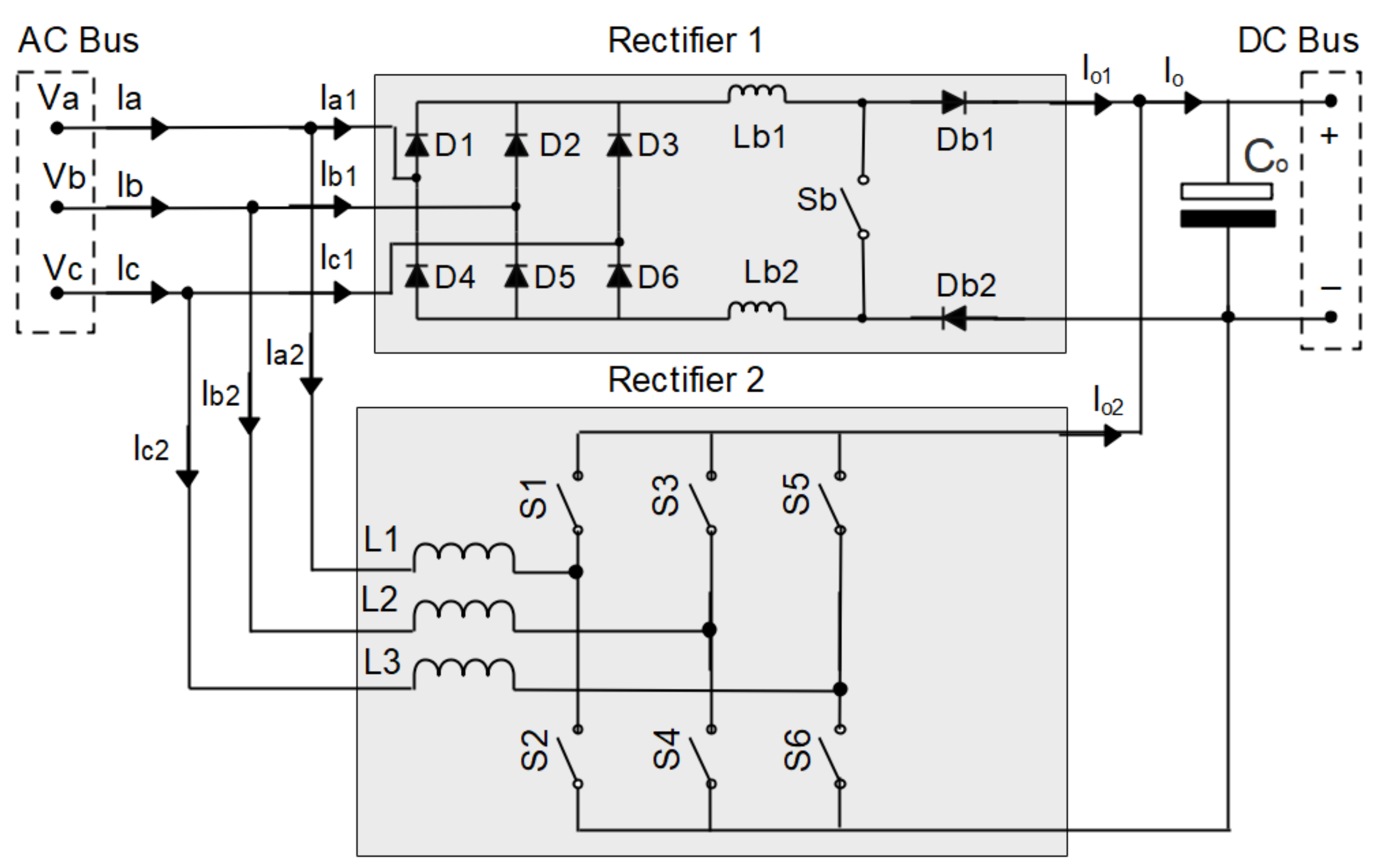
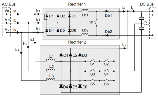
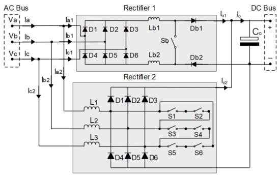
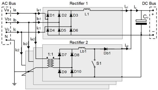
3.2.1. Classification of HTR
3.2.2. HTR Design
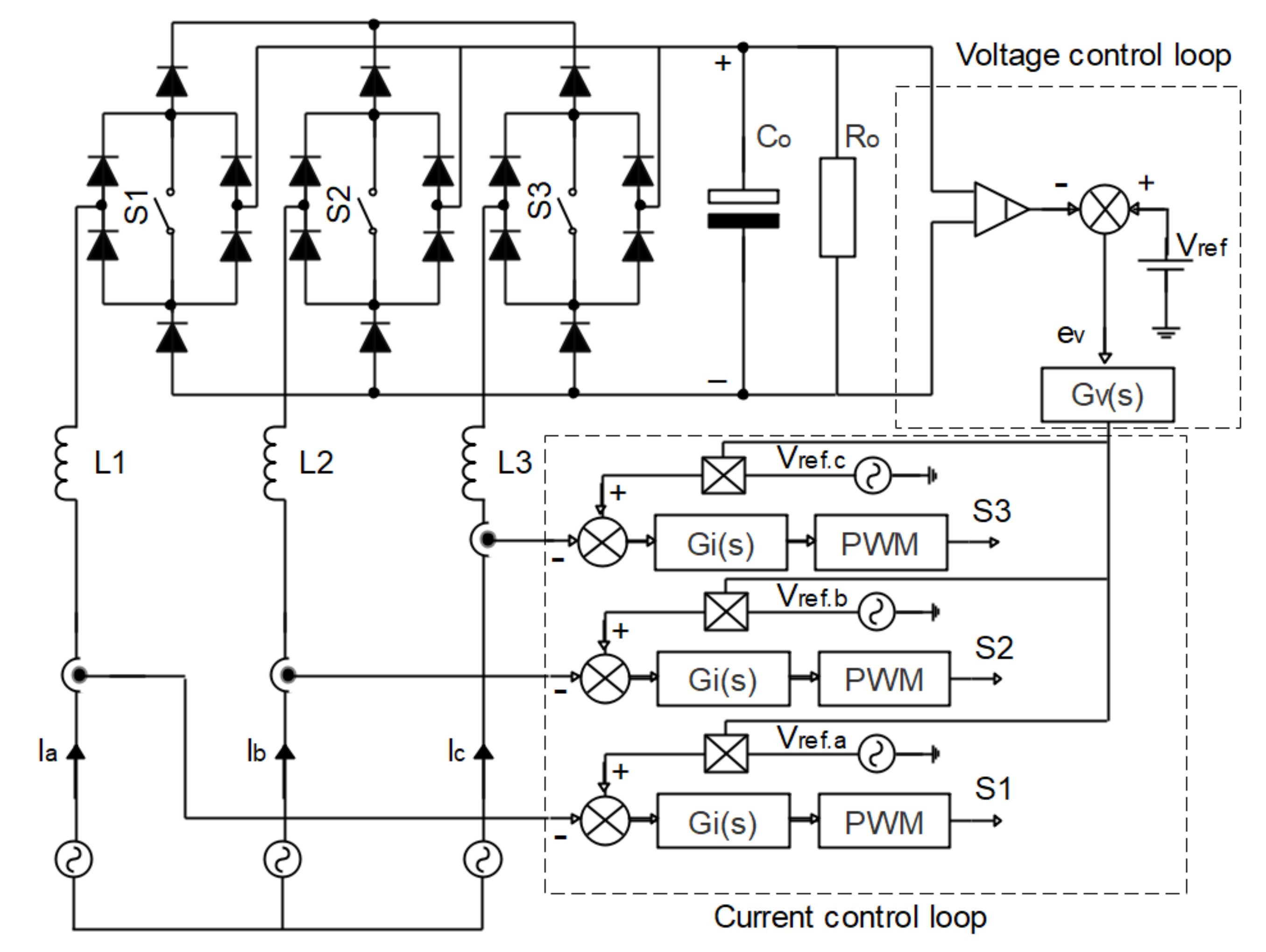
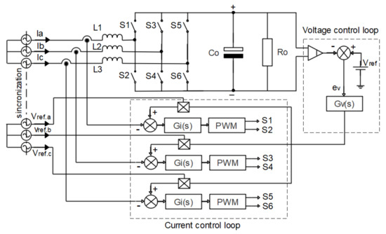
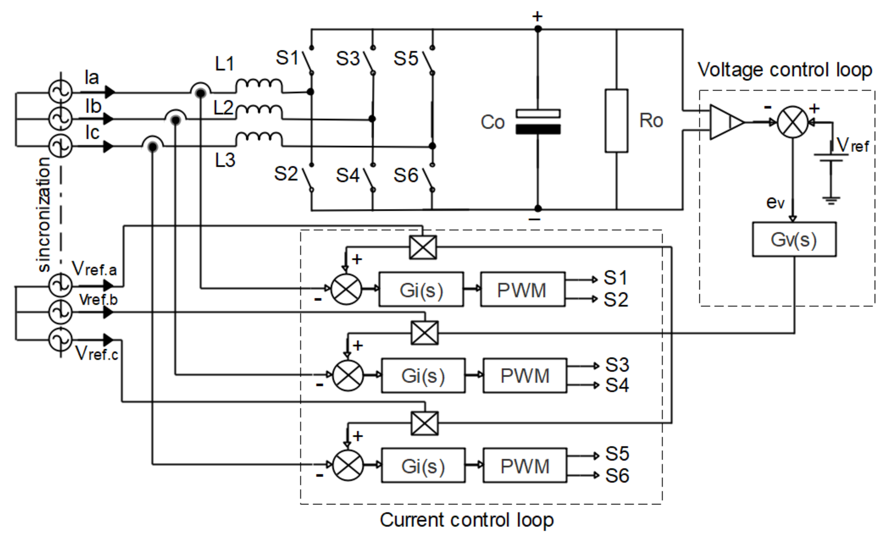
3.3. Control Strategy Applied
3.4. PF and THD in HTR
3.5. Applications
4. Discussion
Recommendations
5. Conclusions
Author Contributions
Funding
Acknowledgments
Conflicts of Interest
References
- Kumar, D.; Zare, F.; Ghosh, A. DC microgrid technology: System architectures, AC grid interfaces, grounding schemes, power quality, communication networks, applications, and standardizations aspects. IEEE Access 2017, 5, 12230–12256. [Google Scholar] [CrossRef]
- Gonçalves, J.T.; Valtchev, S.; Melicio, R.; Al-Saadi, M. Three-phase unidirectional transformerless hybrid rectifier with BOOST converter. In Proceedings of the IEEE 1st Global Power, Energy and Communication Conference (GPECOM), Nevsehir, Turkey, 12–15 June 2019; pp. 158–163. [Google Scholar]
- Gonçalves, J.T.; Valtchev, S.; Melicio, R. Current Interactions Mitigation in 3-Phase PFC Modular Rectifier through Differential-Mode Choke Filter BOOST Converter. Appl. Sci. 2021, 11, 1684. [Google Scholar] [CrossRef]
- Siebert, A.; Troedson, A.; Ebner, S. AC to DC power conversion now and in the future. IEEE Trans. Ind. Appl. 2002, 38, 934–940. [Google Scholar] [CrossRef]
- Kolar, J.W.; Ertl, H. Status of the techniques of three-phase rectifier systems with low effects on the mains. In Proceedings of the 21st International Telecommunications Energy Conference (INTELEC’99), Copenhagen, Denmark, 9 June 1999; p. 279. [Google Scholar]
- Alves, R.L.; Barbi, I. Analysis and implementation of a hybrid high-power-factor three-phase unidirectional rectifier. IEEE Trans. Power Electron. 2009, 24, 632–640. [Google Scholar] [CrossRef]
- Tangtheerajaroonwong, W.; Hatada, T.; Wada, K.; Akagi, H. Design of a transformerless shunt hybrid filter integrated into a three-phase diode rectifier. In Proceedings of the 37th IEEE Power Electronics Specialists Conference, Jeju, Korea, 18–22 June 2006; pp. 1–7. [Google Scholar]
- Kitchenham, B.; Brereton, O.P.; Budgen, D.; Turner, M.; Bailey, J.; Linkman, S. Systematic literature reviews in software engineering–a systematic literature review. Inf. Softw. Technol. 2009, 51, 7–15. [Google Scholar] [CrossRef]
- Kitchenham, B. Guidelines for Performing Systematic Literature Reviews in Software Engineering; Version 2.3, EBSE Technical Report; Keele University: Keele, UK; University of Durham: Durham, UK, 2007. [Google Scholar]
- Manjrekar, M.D.; Steimer, P.K.; Lipo, T.A. Hybrid multilevel power conversion system: A competitive solution for high power applications. Conference Record of the 1999 IEEE Industry Applications Conference. Thirty-Fourth IAS Annual Meeting (Cat. No.99CH36370), Phoenix, AZ, USA, 3–7 October 1999; pp. 1520–1527. [Google Scholar]
- Zhu, J.; Wu, H.; Chen, J.; Li, L.; Hua, M.; Xing, Y. A Hybrid Three-Phase AC/DC Power System for Low-Frequency Pulsed Load Applications. IEEE Trans. Ind. Electron. 2020, 68, 1871–1882. [Google Scholar] [CrossRef]
- De Freitas, L.C.G.; Simões, M.G.; Canesin, C.A.; de Freitas, L.C. Performance evaluation of a novel hybrid multipulse rectifier for utility interface of power electronic converters. IEEE Trans. Ind. Electron. 2007, 54, 3030–3041. [Google Scholar] [CrossRef] [Green Version]
- Soeiro, T.B.; Kolar, J.W. Analysis of high-efficiency three-phase two-and three-level unidirectional hybrid rectifiers. IEEE Trans. Ind. Electron. 2012, 60, 3589–3601. [Google Scholar] [CrossRef]
- De Freitas, L.G.; Simões, M.G.; Canesin, C.A.; de Freitas, L.C. Programmable PFC based hybrid multipulse power rectifier for ultra clean power application. IEEE Trans. Power Electron. 2006, 21, 959–966. [Google Scholar] [CrossRef] [Green Version]
- Manjrekar, M.D.; Steimer, P.K.; Lipo, T.A. Hybrid multilevel power conversion system: A competitive solution for high-power applications. IEEE Trans. Ind. Appl. 2000, 36, 834–841. [Google Scholar] [CrossRef] [Green Version]
- Costa, A.V.; Rodrigues, D.B.; de Lima, G.B.; de Freitas, L.C.; Coelho, E.A.A.; Farias, V.J.; Freitas, L.C.G. New hybrid high-power rectifier with reduced THDI and voltage-sag ride-through capability using BOOST converter. IEEE Trans. Ind. Appl. 2013, 49, 2421–2436. [Google Scholar] [CrossRef]
- Song, W.Z.; Dai, Z.H.; Xie, N.; Wang, Y.Y.; Wheeler, P. Two methods for controlling three-time fundamental frequency neutral-point voltage oscillation in a hybrid VIENNA rectifier. IET Power Electron. 2019, 12, 932–943. [Google Scholar] [CrossRef]
- Li, J.; Wang, M.; Zhao, Y.; Wang, J.; Yang, D.; Li, X. Passivity-based control of the hybrid rectifier for medium and high-power application. IET Power Electron. 2019, 12, 4070–4078. [Google Scholar] [CrossRef]
- Rodrigues, D.B.; Costa, A.V.; Lima, G.B.; de Freitas, L.C.; Coelho, E.A.; Farias, V.J.; Freitas, L.C. DSP-based implementation of control strategy for sinusoidal input line current imposition for a hybrid three-phase rectifier. IEEE Trans. Ind. Inform. 2012, 9, 1947–1963. [Google Scholar] [CrossRef]
- De Freitas, L.G.; Coelho, E.A.A.; Finazzi, A.P.; Simoes, M.G.; Canesin, C.A.; De Freitas, L.C. Programmable PFC based hybrid multipulse power rectifier for utility interface of power electronic converters. In Proceedings of the IEEE 36th Power Electronics Specialists Conference, Dresden, Germany, 16 June 2005; pp. 2237–2243. [Google Scholar]
- Alves, R.L.; Font, C.I.; Barbi, I. A novel unidirectional hybrid three-phase rectifier system employing BOOST topology. In Proceedings of the 2005 IEEE 36th Power Electronics Specialists Conference, Dresden, Germany, 16 June 2005; pp. 487–493. [Google Scholar]
- De Freitas, L.G.; Simões, M.G.; Canesin, C.A.; De Freitas, L.C. A novel programmable PFC based hybrid rectifier for ultra clean power application. In Proceedings of the IEEE 35th Annual Power Electronics Specialists Conference, Aachen, Germany, 20–25 June 2004; pp. 2172–2177. [Google Scholar]
- Soares, J.D.O.; Canesin, C.A.; de Freitas, L.C. A true programmable HPF hybrid three-phase rectifier. In Proceedings of the IEEE Power Electronics Specialists Conference, Rhodes, Greece, 15–19 June 2008; pp. 3843–3849. [Google Scholar]
- Rodrigues, D.B.; Silva, P.R.; Lima, G.B.; Coelho, E.A.; Freitas, L.C. Grid connected dc distribution network deploying high power density rectifier for dc voltage stabilization. In Proceedings of the IEEE Applied Power Electronics Conference and Exposition (APEC), Long Beach, CA, USA, 20–24 March 2016; pp. 3585–3590. [Google Scholar]
- De Freitas, L.G.; Vincenzi, F.; Freitas, M.A.A.; Fernandes, E.R.; Mendonça, R.G.; de Freitas, L.C. Programmable PFC based hybrid multipulse power rectifier with sinusoidal input line current imposed by digital controller. In Proceedings of the APEC 07-Twenty-Second Annual IEEE Applied Power Electronics Conference and Exposition, Anaheim, CA, USA, 25 February–1 March 2007; pp. 1356–1361. [Google Scholar]
- Font, C.I.; Barbi, I. A new high power factor bidirectional hybrid three-phase rectifier. In Proceedings of the Twenty-First Annual IEEE Applied Power Electronics Conference and Exposition (APEC), Dallas, TX, USA, 19–23 March 2006; pp. 1048–2334. [Google Scholar]
- Alves, R.L.; Barbi, I. A new hybrid high power factor three-phase unidirectional rectifier. In Proceedings of the IEEE International Symposium on Industrial Electronics, Montreal, QC, Canada, 9–13 July 2006; pp. 1046–1051. [Google Scholar]
- Soares, J.O.; Canesin, C.A.; De Freitas, L.C. Hybrid three-phase hpf rectifier with programmable input current THD, using FPGA device and VHDL language. In Proceedings of the 7th International Conference on Power Electronics, Daegu, Korea, 22–26 October 2007; pp. 420–425. [Google Scholar]
- Costa, A.V.; Rodrigues, D.B.; de Freitas, L.C.; Vieira, J.B.; Coelho, E.A.A.; Farias, V.J.; Freitas, L.C. Hybrid high-power rectifier with reduced THDI and voltage sag ride-through capability. In Proceedings of the IEEE Industry Applications Society Annual Meeting, Orlando, FL, USA, 9–13 October 2011; pp. 1–6. [Google Scholar]
- Costa, A.V.; Rodrigues, D.B.; Lima, G.B.; de Freitas, L.C.; Coelho, E.A.; Farias, V.J.; Freitas, L.C. Retrofitting technique to improve voltage sags ride-through capability of ASD using SEPIC rectifiers. In Proceedings of the Twenty-Seventh Annual IEEE Applied Power Electronics Conference and Exposition (APEC), Orlando, FL, USA, 5–9 February 2012; pp. 1469–1476. [Google Scholar]
- Bai, L.; Wang, D.; Zhou, Y. Study on the current control strategy of hybrid rectifier based on the PR controller. In Proceedings of the International Conference on Electrical Machines and Systems (ICEMS), Busan, Korea, 26–29 October 2013; pp. 1693–1696. [Google Scholar]
- Gedroyc, K.; Jasinski, M. All-SiC 5 kW/50 kHz three-phase hybrid rectifier with reduced input current harmonics. In Proceedings of the 19th European Conference on Power Electronics and Applications (EPE’17 ECCE Europe), Warsaw, Poland, 11–14 September 2017; p. 1. [Google Scholar]
- Yuanpeng, F.; Jiuhe, W.; Jianguo, L.; Xiaobin, M. Research of hybrid rectifier with LCL filter. In Proceedings of the 2018 IEEE International Conference of Safety Produce Informatization (IICSPI), Chongqing, China, 10–12 December 2018; pp. 575–581. [Google Scholar]
- Jiang, Y.; Wang, J.; Li, Q.; Feng, Y.; Mu, X. The passivity-based hybrid control of NPC hybrid three phase voltage source rectifier. In Proceedings of the IEEE International Power Electronics and Application Conference and Exposition (PEAC), Shenzhen, China, 4–7 November 2018; pp. 1–6. [Google Scholar]
- Chen, J.; Wu, H.; Zhu, J.; Li, L.; Xing, Y. A Three-Phase AC/DC Power System with Paralleled Active and Passive Rectifiers for Low-Frequency Pulsed Load Applications. In Proceedings of the IEEE 9th International Power Electronics and Motion Control Conference (IPEMC2020-ECCE Asia, Nanjing, China, 29 November–2 December 2020; pp. 1595–1599. [Google Scholar]
- De Freitas, L.G.; Coelho, E.A.; Parreira, E.F.; Oliveira, M.A.; de Freitas, L.C. Multipulse power rectifier without using multiphase transformers. In Proceedings of the 31st Annual Conference of IEEE Industrial Electronics Society (IECON), Raleigh, NC, USA, 6–10 November 2005; p. 6. [Google Scholar]
- Rajan, G.S.; Rajan, C.C.A. Input stage improved power factor of three phase diode rectifier using hybrid unidirectional rectifier. In Proceedings of the International Conference on Nanoscience, Engineering and Technology (ICONSET 2011), Chennai, India, 28–30 November 2011; pp. 589–592. [Google Scholar]
- Costa, A.V.; Rodrigues, D.B.; de Freitas, L.C.; Vieira, J.B.; Coelho, E.A.; Farias, V.J.; Freitas, L.C. Hybrid three-phase rectifier with high power factor and voltage sags ride-through capability for utility interface of adjustable speed drives. In Proceedings of the XI Brazilian Power Electronics Conference, Natal, Brazil, 11–15 September 2011; pp. 582–588. [Google Scholar]
- Suarez, C.A.; Melo, G.A.; Canesin, C.A. A 7.5 kW Off-board Three-Phase Fast Charger Prototype for Electric Vehicles. In Proceedings of the 20th European Conference on Power Electronics and Applications (EPE ECCE Europe), Riga, Latvia, 17–21 September 2018; p. 1. [Google Scholar]
- Soeiro, T.B.; Friedli, T.; Hartmann, M.; Kolar, J.W. New unidirectional hybrid delta-switch rectifier. In Proceedings of the 37th Annual Conference of the IEEE Industrial Electronics Society (IECON), Melbourne, VIC, Australia, 7–10 November 2011; pp. 1474–1479. [Google Scholar]
- Song, W.Z.; Xie, N.; Wang, Y.Y.; Dai, Z.H.; Pat, W. Two methods to control neutral-point voltage fluctuation for a hybrid VIENNA rectifier. J. Eng. 2018, 13, 654–660. [Google Scholar] [CrossRef]





























| Database | Search Terms |
|---|---|
| IEEE Xplore | (“All Metadata”: “Hybrid Three-Phase”) OR (“All Metadata”: “Hybrid Rectifiers”) OR (“All Metadata”: “Hybrid Rectifier”) OR (“Document Title”: “Hybrid Unidirectional”) OR (“Document Title”: “Three-Phase Unidirectional”) OR (“Document Title”: “Hybrid Multilevel Power”) OR (“Document Title”: “Hybrid Multipulse “) |
| IET Digital Library | “Hybrid Rectifiers” OR “Hybrid VIENNA rectifier |
| Query | Results from Query | Date |
|---|---|---|
| IEEE Xplore | 131 | 28 April 2021 |
| IET Digital Library | 22 | 29 April 2021 |
| Channels | Means | Reference | Nº | % |
|---|---|---|---|---|
| IEEE Transactions on Industrial Electronics | Journal | [11,12,13] | 3 | 8.82 |
| IEEE Transactions on Power Electronics | Journal | [6,14] | 2 | 5.9 |
| IEEE Transactions on Industry Applications | Journal | [15,16] | 2 | 5.9 |
| IET Power Electronics | Journal | [17,18] | 2 | 5.9 |
| IEEE Transactions on Industrial Informatics | Journal | [19] | 1 | 2.94 |
| IEEE Power Electronics Specialists Conference (now is ECCE) | Conference | [20,21,22,23] | 4 | 11.76 |
| IEEE Applied Power Electronics Conference and Exposition (APEC) | Conference | [24,25,26] | 3 | 8.82 |
| 1st Global Power, Energy and Communication Conference (GPECOM) | Conference | [2] | 1 | 2.94 |
| Conference Record of the 1999 IEEE Industry Applications Conference | Conference | [10] | 1 | 2.94 |
| IEEE International Symposium on Industrial Electronics | Conference | [27] | 1 | 2.94 |
| 7th International Conference on Power Electronics | Conference | [28] | 1 | 2.94 |
| IEEE Industry Applications Society Annual Meeting | Conference | [29] | 1 | 2.94 |
| Twenty-Seventh Annual IEEE Applied Power Electronics Conference and Exposition (APEC) | Conference | [30] | 1 | 2.94 |
| International Conference on Electrical Machines and Systems (ICEMS) | Conference | [31] | 1 | 2.94 |
| 19th European Conference on Power Electronics and Applications | Conference | [32] | 1 | 2.94 |
| IEEE International Conference of Safety Produce Informatization (IICSPI) | Conference | [33] | 1 | 2.94 |
| IEEE International Power Electronics and Application Conference and Exposition | Conference | [34] | 1 | 2.94 |
| IEEE 9th International Power Electronics and Motion Control Conference | Conference | [35] | 1 | 2.94 |
| 31st Annual Conference of IEEE Industrial Electronics Society (IECON) | Conference | [36] | 1 | 2.94 |
| International Conference on Nanoscience, Engineering and Technology (ICONSET) | Conference | [37] | 1 | 2.94 |
| XI Brazilian Power Electronics Conference | Conference | [38] | 1 | 2.94 |
| 20th European Conference on Power Electronics and Applications, EPE | Conference | [39] | 1 | 2.94 |
| 37th Annual Conference of the IEEE Industrial Electronics Society (IECON) | Conference | [40] | 1 | 2.94 |
| The Journal of Engineering | Conference | [41] | 1 | 2.94 |
| Name of Authors | Affliction (University, Country) | Nº Papers |
|---|---|---|
| Luiz Carlos Gomes de Freitas et al. | Federal University of Uberlandia (UFU); Brazil | 6 |
| Damarco Vieira Costa et al. | Federal University of Uberlandia (UFU); Brazil | 4 |
| Ricardo Luiz Alves et al. | Federal University of Santa Catarina (UFSC); Brazil | 3 |
| Jurandir de O. Soares et al. | São Paulo State University (UNESP); Brazil | 2 |
| Wei-Zhang Song et al. | Xi’an University of Technology; China | 2 |
| HTR Name in the Paper | Reference | HTR Name Proposal | Acronym |
|---|---|---|---|
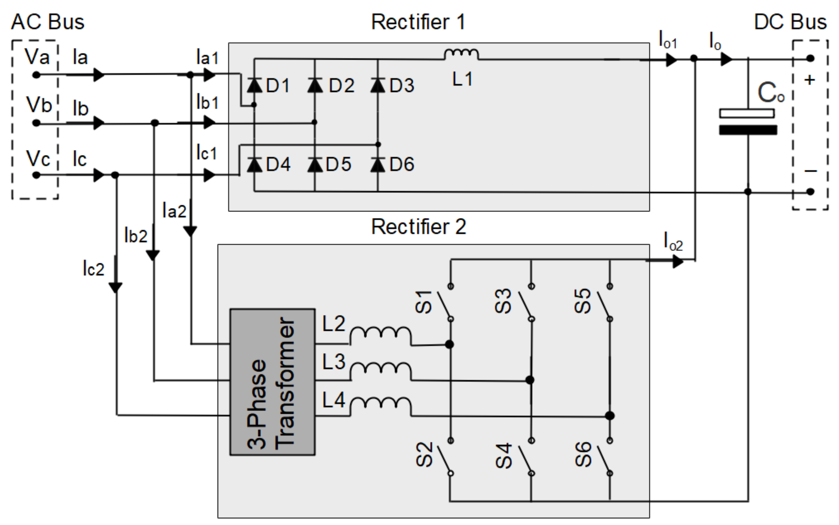
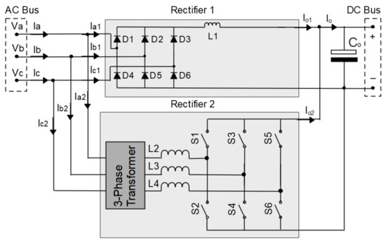
| Hybrid three-phase rectifier with BOOST converter without isolation transformer | [2] | Unidirectional hybrid three-phase rectifier with BOOST converter on rectifier 1 and BOOST converter on rectifier 2 | UHTR-BR1//BR2 |
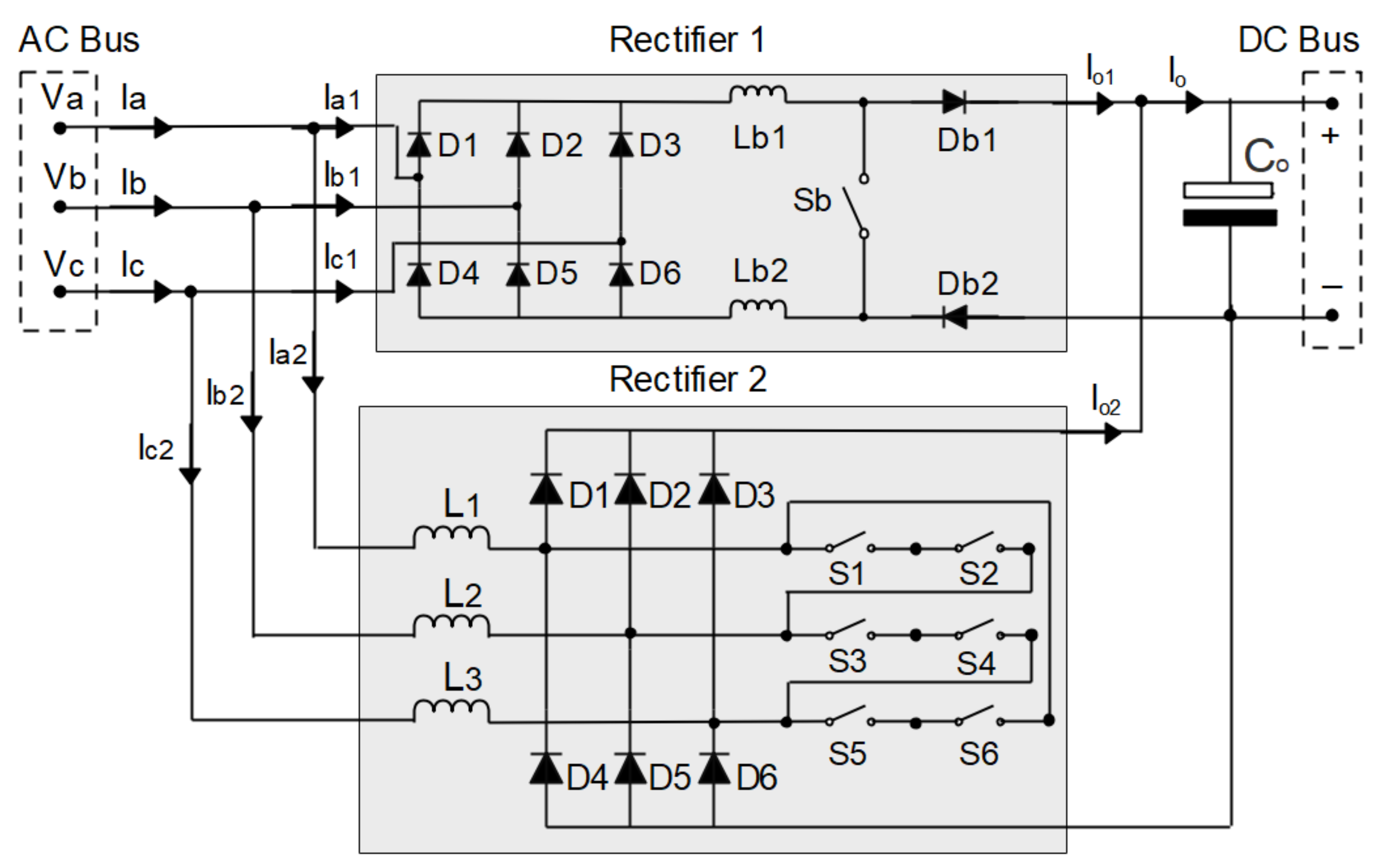
| PFC Based Hybrid Multipulse Power Rectifier (PFC-HMPR) | [20,25,36] | Unidirectional three-phase hybrid rectifier with rectifier 1 and BOOST converter on rectifier 2 with transformer | UHTR-R1//BR2 |
| - | [16,29] | Unidirectional hybrid three-phase rectifier with BOOST converters on rectifier 1 and SEPIC converter on rectifier 2 | UHTR-BR1//SR2 |
| Power factor correction non-isolated hybrid power rectifier (PFC-HPR) | [12,14,19,22,23,24,28,30,38,39] | Unidirectional hybrid three-phase rectifier with rectifier 1 and SEPIC converter on rectifier 2 | UHTR-R1//SR2 |
| Unidirectional hybrid three-phase voltage source rectifier (UHTPVSR) | [6,13,18,21,27,33] | Unidirectional hybrid three-phase rectifier with BOOST converters on rectifier 1 and VIENNA converter on rectifier 2 | UHTR-BR1//VR2 |
| Hybrid three-phase rectifiers with single-switch three phase BOOST rectifier and the DELTA-switch rectifier | [13,32,40] | Unidirectional hybrid three-phase rectifier with BOOST converters on rectifier 1 and delta-switch converter on rectifier 2 | UHTR-BR1//DR2 |
| - | [13,17,41] | Unidirectional hybrid three-phase rectifier with BOOST converter on rectifier 1 and Star-switch converter on rectifier 2 | UHTR-BR1//StR2 |
| Unidirectional hybrid three-phase voltage source rectifier (UHTPVSR) | [26,34] | Bidirectional hybrid three-phase rectifier with BOOST converter on rectifier 1 and PWM BOOST converter on rectifier 2 | BHTR-BR1//BR2 |
| - | [26,31] | Bidirectional hybrid three-phase rectifier with rectifier 1 and PWM BOOST converter on rectifier 2 with transformer | BHTR-R1//BR2 |
| HTR | Reference | Control | Circuit Employed | Current |
|---|---|---|---|---|
| UHTR-BR1//BR2 | [2] | Analog | Blocks Circuit | Sinusoid |
| UHTR-R1//BR2 | [20] | Digital | - | Multilevel |
| [25] | Digital | Microcontroller | Sinusoid | |
| [36] | Analog | IC, Analog Ports | Multilevel | |
| UHTR-BR1//SR2 | [16] | Digital | DSP, TMS320F28335 | Sinusoid |
| [29] | Digital | DSP TMS320F2812 | Sinusoid | |
| UHTR-R1//SR2 | [23] | Digital | FPGA, VHDL | Sinusoid |
| [28] | Digital | FPGA, VHDL | Sinusoid | |
| [38] | Digital | DSP, TMS320F28335 | Sinusoid | |
| [19] | Digital | DSP, TMS320F28335 | Sinusoid | |
| [22] | Analog | Blocks Circuit | Multilevel | |
| [14] | Analog | - | Multilevel | |
| [12] | Analog | IC, Analog Ports | Multilevel | |
| [30] | Digital | DSP, TMS320F28335 | Sinusoid | |
| UHTR-BR1//VR2 | [21] | Analog | Blocks Circuit | Sinusoid |
| [6] | Analog | UC3854B | Sinusoid | |
| [18] | Digital | - | Sinusoid | |
| UHTR-BR1//DR2 | [13] | Digital | DSP | Sinusoid |
| [32] | Digital | DSP, TMS320F28335 | Sinusoid | |
| UHTR-BR1//StR2 | [17] | Digital | DSP, TMS320F2812 | Sinusoid |
| BHTR-BR1//BR2 | [26] | Analog | Blocks Circuit | Sinusoid |
| [34] | Digital | Mathematics | Sinusoid | |
| BHTR-R1//BR2 | [31] | Analog | Blocks Circuit | Sinusoid |
| HTR | Reference | Validation | PF (%) | THDi (%) | Current | |||
|---|---|---|---|---|---|---|---|---|
| UHTR-BR1//BR2 | [2] | Simulation | 20 | 55.2 | 44.8 | 99.89 | 4.54 | Sinusoid |
| UHTR-R1//BR2 | [20] | Prototype | 6 | 80 | 20 | 97.7 | 13.18 | Multilevel |
| [25] | Prototype | 2.8 | 52 | 48 | - | - | Sinusoid | |
| [36] | Prototype | 6 | 82 | 18 | 97.73 | 13.18 | Multilevel | |
| UHTR-BR1//SR2 | [16] | Prototype | 5 | 60 | 40 | 98 | 3.753 | Sinusoid |
| [29] | Simulation | 5 | 60 | 40 | - | - | Sinusoid | |
| UHTR-R1//SR2 | [23] | Prototype | 1.74 | - | - | 99 | 6.3 | Sinusoid |
| [28] | Prototype | 1 | - | - | 98 | 4.1 | Sinusoid | |
| [38] | Prototype | 5 | 60 | 40 | - | 1.95 | Sinusoid | |
| [19] | Prototype | 5 | 60 | 40 | - | 3.75 | Sinusoid | |
| [22] | Simulation | 3 | 80 | 20 | - | 13.7 | Multilevel | |
| [14] | Prototype | 3 | 79 | 21 | 98.9 | 14.7 | Multilevel | |
| [12] | Prototype | 6 | 84 | 16 | 98 | 12.5 | Multilevel | |
| [30] | Prototype | 5 | 60 | 40 | - | 1.95 | Sinusoid | |
| UHTR-BR1//VR2 | [21] | Simulation | 20 | 55.2 | 44.8 | - | 3.22 | Sinusoid |
| [6] | Prototype | 21 | 55.2 | 44.8 | 98.89 | 7.9 | Sinusoid | |
| [18] | Prototype | 5 | 50 | 50 | - | 3 | Sinusoid | |
| UHTR-BR1//DR2 | [13] | Prototype | 5 | 59 | 41 | 99 | 5.1 | Sinusoid |
| [32] | Prototype | 5 | - | - | - | 7 | Sinusoid | |
| UHTR-BR1//StR2 | [17] | Prototype | 18 | 55 | 45 | - | 3.9 | Sinusoid |
| BHTR-BR1//BR2 | [26] | Simulation | 20 | 90 | 10 | - | Sinusoid | |
| [34] | Simulation | 10 | - | - | - | 2.01 | Sinusoid | |
| BHTR-R1//BR2 | [31] | Simulation | 2.4 | - | - | - | 5.95 | Sinusoid |
Publisher’s Note: MDPI stays neutral with regard to jurisdictional claims in published maps and institutional affiliations. |
© 2021 by the authors. Licensee MDPI, Basel, Switzerland. This article is an open access article distributed under the terms and conditions of the Creative Commons Attribution (CC BY) license (https://creativecommons.org/licenses/by/4.0/).
Share and Cite
Gonçalves, J.T.; Valtchev, S.; Melicio, R.; Gonçalves, A.; Blaabjerg, F. Hybrid Three-Phase Rectifiers with Active Power Factor Correction: A Systematic Review. Electronics 2021, 10, 1520. https://doi.org/10.3390/electronics10131520
Gonçalves JT, Valtchev S, Melicio R, Gonçalves A, Blaabjerg F. Hybrid Three-Phase Rectifiers with Active Power Factor Correction: A Systematic Review. Electronics. 2021; 10(13):1520. https://doi.org/10.3390/electronics10131520
Chicago/Turabian StyleGonçalves, José Teixeira, Stanimir Valtchev, Rui Melicio, Alcides Gonçalves, and Frede Blaabjerg. 2021. "Hybrid Three-Phase Rectifiers with Active Power Factor Correction: A Systematic Review" Electronics 10, no. 13: 1520. https://doi.org/10.3390/electronics10131520
APA StyleGonçalves, J. T., Valtchev, S., Melicio, R., Gonçalves, A., & Blaabjerg, F. (2021). Hybrid Three-Phase Rectifiers with Active Power Factor Correction: A Systematic Review. Electronics, 10(13), 1520. https://doi.org/10.3390/electronics10131520

