A Fast and Simple Fault Diagnosis Method for Interleaved DC-DC Converters Based on Output Voltage Analysis
Abstract
1. Introduction
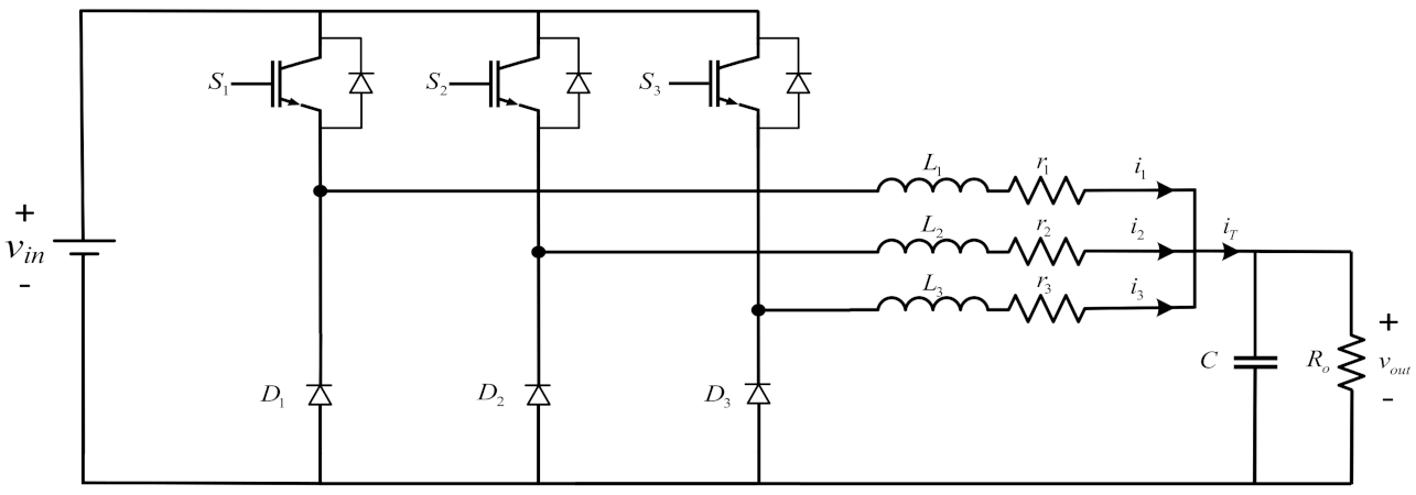
2. Circuit Topology and Analysis
2.1. Normal Operation
2.2. Analysis under Healthy Conditions
2.3. Analysis under OCF Conditions
3. Proposed Fault Diagnosis Method and Reconfiguration
3.1. Fault Signals
3.2. Fault Diagnosis Algorithm
3.3. Reconfiguration after an OCF
4. Experimental Evaluation
4.1. Validity Verification
4.2. Robustness Verification
5. Conclusions
Author Contributions
Funding
Conflicts of Interest
Abbreviations
| OCF | open circuit fault |
| IGBT | Insulated Gate Bipolar Transistor |
| MOSFET | Metal Oxide Semiconductor Field Effect Transistor |
| HIL | hardware-in-the-loop |
| DC | direct current |
| MMC | modular multilevel converter |
| CCM | continuous conduction mode |
References
- Ni, L.; Patterson, D.J.; Hudgins, J.L. Maximum power extraction from a small wind turbine using 4-phase interleaved boost converter. In Proceedings of the IEEE Power Electronics and Machines in Wind Applications, Lincoln, NE, USA, 24–26 June 2009; pp. 1–5. [Google Scholar]
- Ahn, Y.; Jeon, I.; Roh, J. A Multiphase Buck Converter With a Rotating Phase-Shedding Scheme For Efficient Light-Load Control. IEEE J. Solid State Circuits 2014, 49, 2673–2683. [Google Scholar] [CrossRef]
- Zhang, Z.; Zhou, H.; Deng, C.; Song, Q. Multiloop interleaved control for three-level buck converter in solar charging applications. IEICE Electron. Express 2018, 15, 20180369. [Google Scholar] [CrossRef]
- Antoszczuk, P.D.; Retegui, R.G.; Wassinger, N.; Maestri, S.; Funes, M.; Benedetti, M. Characterization of Steady-State Current Ripple in Interleaved Power Converters Under Inductance Mismatches. IEEE Trans. Power Electron. 2014, 29, 1840–1849. [Google Scholar] [CrossRef]
- Gu, Y.; Zhang, D. Interleaved Boost Converter with Ripple Cancellation Network. IEEE Trans. Power Electron. 2013, 28, 3860–3869. [Google Scholar] [CrossRef]
- Garcia, O.; Zumel, P.; de Castro, A.; Cobos, A. Automotive DC-DC bidirectional converter made with many interleaved buck stages. IEEE Trans. Power Electron. 2006, 21, 578–586. [Google Scholar] [CrossRef]
- Carbajal-Retana, M.; Hernandez-Gonzalez, L.; Ramirez-Hernandez, J.; Avalos-Ochoa, J.G.; Guevara-Lopez, P.; Loboda, I.; Sotres-Jara, L.A. Interleaved Buck Converter for Inductive Wireless Power Transfer in DC–DC Converters. Electronics 2020, 9, 949. [Google Scholar] [CrossRef]
- Bento, F.; Marques Cardoso, A.J. A comprehensive survey on fault diagnosis and fault tolerance of DC-DC converters. Chin. J. Electr. Eng. 2018, 4, 1–12. [Google Scholar] [CrossRef]
- Yang, S.; Bryant, A.; Mawby, P.; Xiang, D.; Ran, L.; Tavner, P. An Industry-Based Survey of Reliability in Power Electronic Converters. IEEE Trans. Ind. Appl. 2011, 47, 1441–1451. [Google Scholar] [CrossRef]
- Guilbert, D.; N’Diaye, A.; Gaillard, A.; Djerdir, A. Fuel cell systems reliability and availability enhancement by developing a fast and efficient power switch open-circuit fault detection algorithm in interleaved DC/DC boost converter topologies. Int. J. Hydrogen Energy 2016, 41, 15505–15517. [Google Scholar] [CrossRef]
- Shahbazi, M.; Zolghadri, M.R.; Ouni, S. Fast and simple open-circuit fault detection method for interleaved DC-DC converters. In Proceedings of the 7th Power Electronics and Drive Systems Technologies Conference (PEDSTC), Tehran, Iran, 16–18 February 2016; pp. 440–445. [Google Scholar]
- Shahbazi, M.; Jamshidpour, E.; Poure, P.; Saadate, S.; Zolghadri, M.R. Open- and Short-Circuit Switch Fault Diagnosis for Nonisolated DC–DC Converters Using Field Programmable Gate Array. IEEE Trans. Ind. Electron. 2013, 60, 4136–4146. [Google Scholar] [CrossRef]
- Jamshidpour, E.; Poure, P.; Saadate, S. Switch failure diagnosis based on inductor current observation for boost converters. Int. J. Electron. Theor. Exp. 2016, 103, 1498–1509. [Google Scholar] [CrossRef]
- Bento, F.; Marques Cardoso, A.J. Fault tolerant DC-DC converters in DC microgrids. Proceedings of IEEE Second International Conference on DC Microgrids (ICDCM), Nuremburg, Germany, 27–29 June 2017; pp. 484–490. [Google Scholar]
- Ahmad, M.W.; Gorla, N.B.Y.; Malik, H.; Panda, S.K. A Fault Diagnosis and Postfault Reconfiguration Scheme for Interleaved Boost Converter in PV-Based System. IEEE Trans. Power Electron. 2021, 36, 3769–3780. [Google Scholar] [CrossRef]
- Wei, H.; Zhang, Y.; Yu, L.; Zhang, M.; Teffah, K. A New Diagnostic Algorithm for Multiple IGBTs Open Circuit Faults by the Phase Currents for Power Inverter in Electric Vehicles. Energies 2018, 11, 1508. [Google Scholar] [CrossRef]
- Pei, X.; Nie, S.; Chen, Y.; Kang, Y. Open-Circuit Fault Diagnosis and Fault-Tolerant Strategies for Full-Bridge DC–DC Converters. IEEE Trans. Power Electron. 2012, 27, 2550–2565. [Google Scholar] [CrossRef]
- Givi, H.; Farjah, E.; Ghanbari, T. Switch and Diode Fault Diagnosis in Nonisolated DC–DC Converters Using Diode Voltage Signature. IEEE Trans. Ind. Electron. 2018, 65, 1606–1615. [Google Scholar] [CrossRef]
- Chen, Y.; Pei, X.; Nie, S.; Kang, Y. Monitoring and Diagnosis for the DC–DC Converter Using the Magnetic Near Field Waveform. IEEE Trans. Ind. Electron. 2011, 58, 1634–1647. [Google Scholar] [CrossRef]
- Pei, T.; Hao, X. A Fault Detection Method for Photovoltaic Systems Based on Voltage and Current Observation and Evaluation. Energies 2019, 12, 1712. [Google Scholar] [CrossRef]
- Zhuo, S.; Gaillard, A.; Xu, L.; Liu, C.; Paire, D.; Gao, F. Observer-Based Robust Switch Open-Circuit Fault Diagnosis of DC-DC Converter for Fuel Cell Application. In Proceedings of the IEEE Industry Applications Society Annual Meeting, Baltimore, MD, USA, 29 September–3 October 2019; pp. 1–6. [Google Scholar]
- Zhuo, S.; Xu, L.; Gaillard, A.; Huangfu, Y.; Gao, F. Robust Open-Circuit Fault Diagnosis of Multi-Phase Floating Interleaved DC–DC Boost Converter Based on Sliding Mode Observer. IEEE Trans. Transp. Electrif. 2019, 5, 638–649. [Google Scholar] [CrossRef]
- Wassinger, N.; Penovi, E.; Retegui, R.G.; Maestri, S. Open-Circuit Fault Identification Method for Interleaved Converters Based on Time-Domain Analysis of the State Observer Residual. IEEE Trans. Power Electron. 2019, 34, 3740–3749. [Google Scholar] [CrossRef]
- Zhuo, S.; Gaillard, A.; Xu, L.; Liu, C.; Gao, F. An Observer-Based Switch Open-Circuit Fault Diagnosis of DC–DC Converter for Fuel Cell Application. IEEE Trans. Ind. Electron. 2020, 56, 3159–3167. [Google Scholar] [CrossRef]
- Hui, L.; Ke, M.; Poh, L.; Frede, B. Online Fault Identification Based on an Adaptive Observer for Modular Multilevel Converters Applied to Wind Power Generation Systems. Energies 2015, 8, 7140–7160. [Google Scholar] [CrossRef]
- Cen, Z.; Stewart, P. Condition Parameter Estimation for Photovoltaic Buck Converters Based on Adaptive Model Observers. IEEE Trans. Reliab. 2017, 66, 148–160. [Google Scholar] [CrossRef]
- Du, B.; He, Y.; Zhang, Y. Open-Circuit Fault Diagnosis of Three-Phase PWM Rectifier Using Beetle Antennae Search Algorithm Optimized Deep Belief Network. Electronics 2020, 9, 1570. [Google Scholar] [CrossRef]
- Bento, F.; Marques Cardoso, A.J. Fault diagnosis in DC-DC converters using a time-domain analysis of the reference current error. In Proceedings of the IEEE Industrial Electronics Society, Beijing, China, 29 October–1 November 2017; pp. 5060–5065. [Google Scholar]












| Faulty Branch | Phase-1 Shift | Phase-2 Shift | Phase-3 Shift |
|---|---|---|---|
| Branch 1 | - | ||
| Branch 2 | - | ||
| Branch 3 | - |
| Parameter | Symbol | Value |
|---|---|---|
| Input voltage | 60 V | |
| Inductance | 1.35 mH | |
| Branch resistance | 0.01 | |
| Capacitance | C | 470 F |
| Load resistance | 1 | |
| Duty cycle | D | 0.4 |
| Switching frequency | 1 kHz | |
| Sampling frequency | 40 kHz |
Publisher’s Note: MDPI stays neutral with regard to jurisdictional claims in published maps and institutional affiliations. |
© 2021 by the authors. Licensee MDPI, Basel, Switzerland. This article is an open access article distributed under the terms and conditions of the Creative Commons Attribution (CC BY) license (https://creativecommons.org/licenses/by/4.0/).
Share and Cite
Li, P.; Li, X.; Zeng, T. A Fast and Simple Fault Diagnosis Method for Interleaved DC-DC Converters Based on Output Voltage Analysis. Electronics 2021, 10, 1451. https://doi.org/10.3390/electronics10121451
Li P, Li X, Zeng T. A Fast and Simple Fault Diagnosis Method for Interleaved DC-DC Converters Based on Output Voltage Analysis. Electronics. 2021; 10(12):1451. https://doi.org/10.3390/electronics10121451
Chicago/Turabian StyleLi, Po, Xiang Li, and Tao Zeng. 2021. "A Fast and Simple Fault Diagnosis Method for Interleaved DC-DC Converters Based on Output Voltage Analysis" Electronics 10, no. 12: 1451. https://doi.org/10.3390/electronics10121451
APA StyleLi, P., Li, X., & Zeng, T. (2021). A Fast and Simple Fault Diagnosis Method for Interleaved DC-DC Converters Based on Output Voltage Analysis. Electronics, 10(12), 1451. https://doi.org/10.3390/electronics10121451

