Analog Architecture Complexity Theory Empowering Ultra-Low Power Configurable Analog and Mixed Mode SoC Systems
Abstract
1. Framing Analog Architecture Complexity Theory based from Hardware Systems
2. FPAA: An Example Analog Computing Device
3. Classical Analog Architectures
4. Analog Architecture Measures Based from Physical Concepts
5. Analog Architecture Development: Parallel Computation of Small Processors
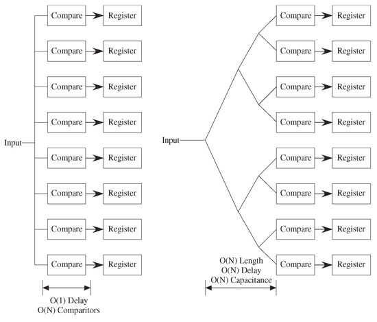
5.1. Aspects of Digital Architecture Theory Required to Build Analog Architecture Theory
5.2. Analog Architecture Theory: Computing with Mesh of Processors
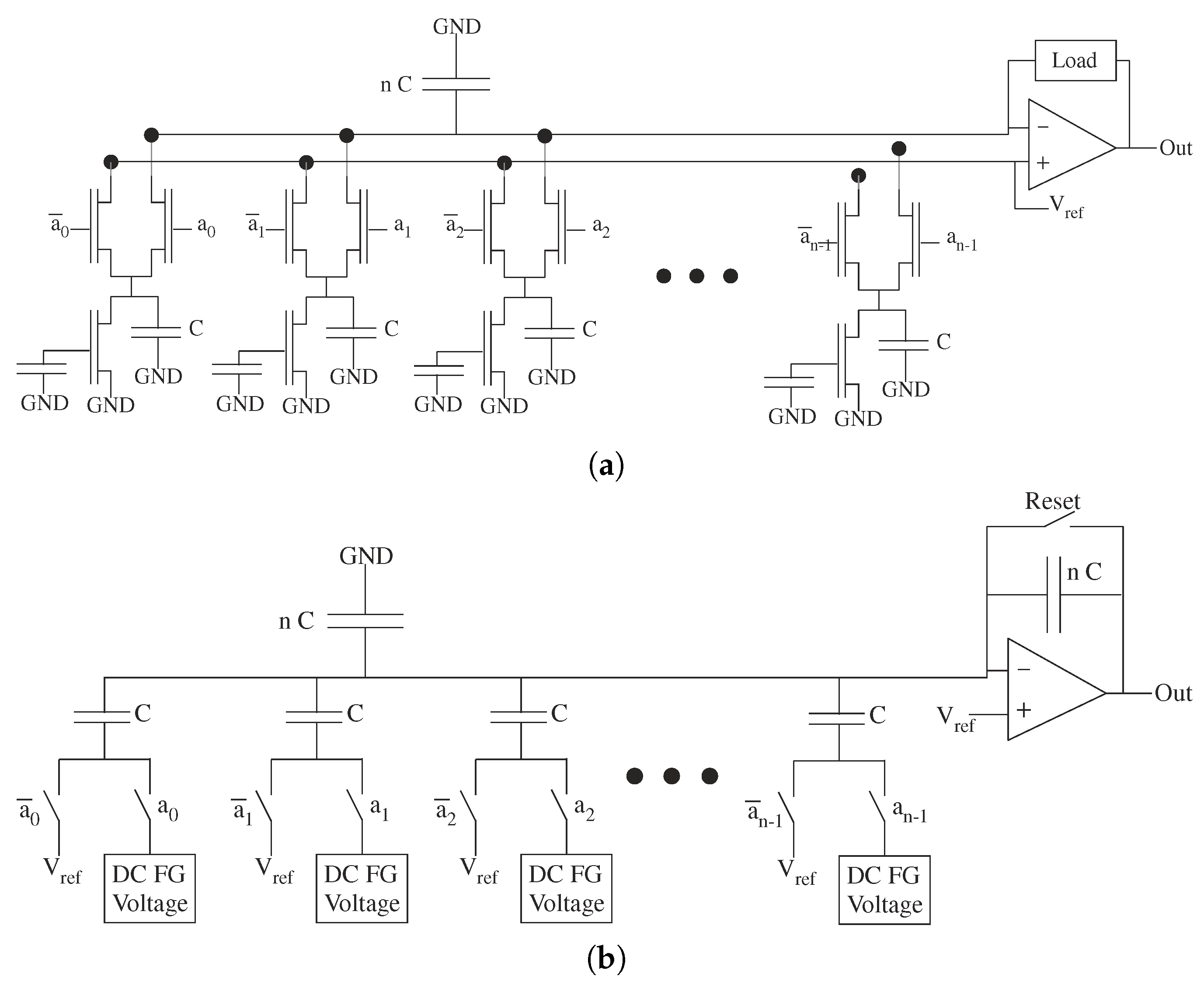
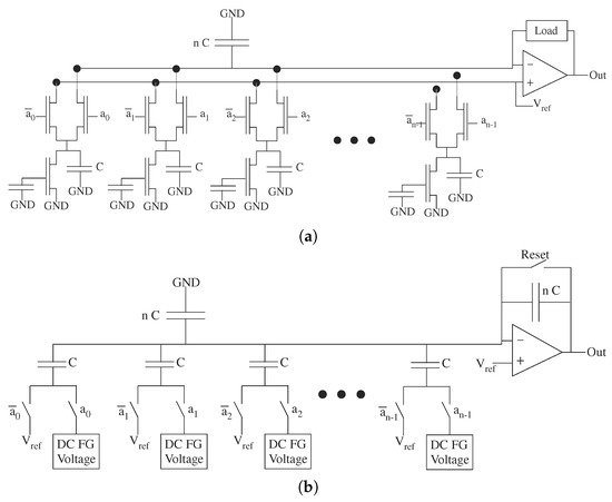
6. Analog Architectures of Data Converters
7. Image Processing: Sampled Two-Dimensional Sensor Analog Architecture
7.1. Computing Image Convolution with CMOS imagers
7.2. Additional Image Processing Complexity Using CMOS Imagers
7.3. Summary Metric Comparison for CMOS Image Computations
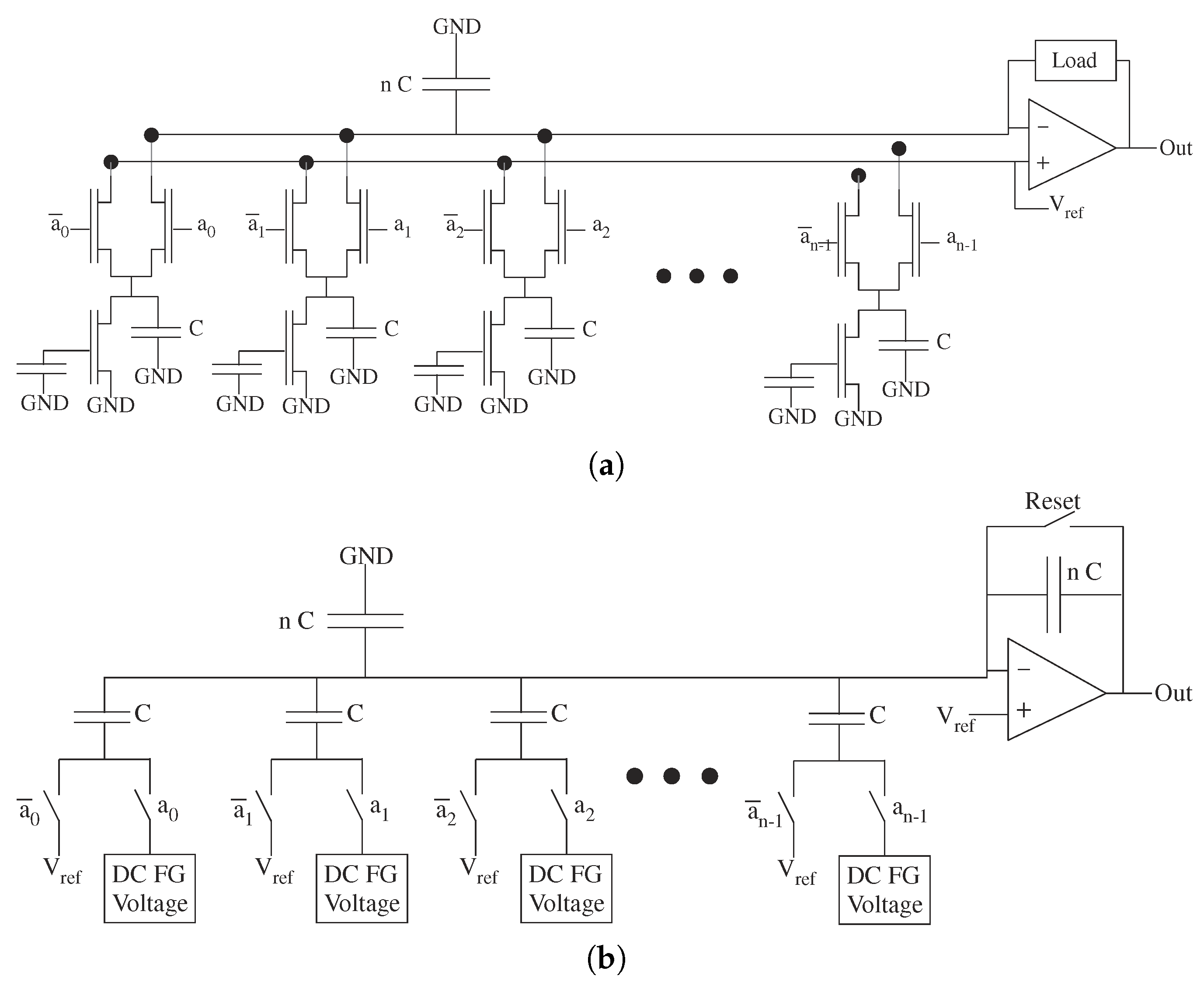
8. Analog Architectures Utilizing Physical Dynamics such as Analog Sorting
One should use the dynamics rather than fight against them; one should work with what the computational medium gives you, rather than fight against it. This viewpoint is an adaptation of a common statement by Carver Mead in the 1990s: “You must listen to the Silicon, it will tell you want it wants to do”.That discipline which has allowed us to replace a circuit previously composed of a capacitor and a resistor with two anti-aliasing filters, an A-to-D and a D-to-A converter, and a general purpose computer so long as the signal we are interested in does not vary too quickly.—Dr. Tom Barnwell, Georgia Tech, 1974 [63], p. 103.
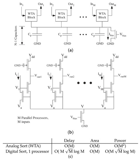
9. Starting the Analog Algorithmic Complexity Discussion
10. Summary and Concluding Thoughts
- Minimize or eliminate the need for memory storage in the architectures: Choose architectures that minimize or eliminate the memory requirement for the computation. The resulting communication complexity significantly increases with increasing memory.
- Operate the computation at the speed of input and output devices (e.g., sensors, actuators): Parallel computing directly on the incoming data minimizes the need for memory to buffer intermediate results. Computing at a faster or slower rate requires additional memories, resulting in additional system complexity.
- When memory is used, co-locate Memory and Computation to the highest degree possible: The earliest analog signal processing discussions [68,69], as well as the early discussions around analog Neural Network discussions (e.g., [3,4,5], stated the essential importance of computing in memory and co-locating memory and computation. This discussion’s developed formalism codifies the critical nature of these directions.
- When short-term storage of results is avoided, the resulting physical computation appears to have near-zero latency: The delay is effectively so small that it is assumed to be zero and scales O(1), particularly for large-processor complexity perspectives. A fair comparison of architectures requires deeper analysis, including communication and memory access cost, which was developed in This discussion.
Funding
Acknowledgments
Conflicts of Interest
Appendix A. Solution of the WTA Linear Dynamics
References
- Selim, G. Akl, The Design and Analysis of Parallel Algorithms; Prentice Hall: Upper Saddle River, NJ, USA, 1989. [Google Scholar]
- Hasler, J. Opportunities in Physical Computing driven by Analog Realization. In Proceedings of the 2016 IEEE International Conference on Rebooting Computing (ICRC), San Diego, CA, USA, 17–19 October 2016. [Google Scholar]
- Hasler, P.; Akers, L. Implementation of analog neural networks. In Proceedings of the Annual International Conference on Computers and Communications, Scottsdale, AZ, USA, 27–30 March 1991; pp. 32–38. [Google Scholar]
- Hasler, P.; Akers, L. Circuit implementation of trainable neural networks employing both supervised and unsupervised techniques. In Proceedings of the International Joint Conference on Neural Networks, San Diego, CA, USA, 10–13 May 1992; pp. 1565–1568. [Google Scholar]
- Hasler, P.; Diorio, C.; Minch, B.A.; Mead, C.A. Single transistor learning synapses. In Advances in Neural Information Processing Systems 7; Tesauro, G., Touretzky, D.S., Leen, T.K., Eds.; MIT Press: Cambridge, MA, USA, 1994; pp. 817–824. [Google Scholar]
- George, S.; Kim, S.; Shah, S.; Hasler, J.; Collins, M.; Adil, F.; Wunderlich, R.; Nease, S.; Ramakrishnan, S. A Programmable and Configurable Mixed-Mode FPAA SoC. IEEE Trans. VLSI 2016, 24, 2253–2261. [Google Scholar] [CrossRef]
- Kim, S.; Shah, S.; Hasler, J. Calibration of Floating-Gate SoC FPAA System. IEEE Trans. VLSI 2017, 25, 2649–2657. [Google Scholar] [CrossRef]
- Hasler, J. Starting Framework for Analog Numerical Analysis for Energy Efficient Computing. J. Low Power Electron. Appl. 2017, 7, 17. [Google Scholar] [CrossRef]
- Hasler, J. Abstraction, IP Reuse, and Algorithmic Framework for Physical Computing. In Proceedings of the GOMAC, Miami, FL, USA, 13–14 March 2018. [Google Scholar]
- Shah, S.; Treyin, H.; Inan, O.T.; Hasler, J. Reconfigurable analog classifier for knee-joint rehabilitation. In Proceedings of the IEEE EMBC, Orlando, FL, USA, 16–20 August 2016. [Google Scholar]
- Shah, S.; Teague, C.N.; Inan, O.T.; Hasler, J. A proof-of-concept classifier for acoustic signals from the knee joint on an FPAA. In Proceedings of the IEEE SENSORS, Orlando, FL, USA, 30 October–3 November 2016. [Google Scholar]
- Shah, S.; Hasler, J. Low Power Speech Detector on A FPAA. In Proceedings of the IEEE ISCAS, Baltimore, MD, USA, 28–31 May 2017. [Google Scholar]
- Hasler, J.; Shah, S. SoC FPAA Hardware Implementation of a VMM+WTA Embedded Learning Classifier. IEEE J. Emerg. Sel. Circuits Syst. 2018, 8, 28–37. [Google Scholar]
- Shah, S.; Hasler, J. VMM + WTA Embedded Classifiers Learning Algorithm implementable on SoC FPAA devices. IEEE J. Emerg. Sel. Circuits Syst. 2018, 8, 65–76. [Google Scholar]
- Hasler, P.; Minch, B.; Diorio, C. Adaptive circuits using pFET floating-gate devices. In Proceedings of the Advanced Research in VLSI, Atlanta, GA, USA, 21–24 March 1999; pp. 215–229. [Google Scholar]
- Hasler, P.; Diorio, C.; Minch, B.; Mead, C. Single transistor learning synapse with long term storage. In Proceedings of the IEEE International Symposium on Circuits and Systems, Seattle, WA, USA, 30 April–3 May 1995; Volume 3, pp. 1660–1663. [Google Scholar]
- Kim, S.; Hasler, J.; George, S. Integrated Floating-Gate Programming Environment for System-Level ICs. IEEE Trans. VLSI 2016, 24, 2244–2252. [Google Scholar] [CrossRef]
- Srinivasan, V.; Serrano, G.; Twigg, C.; Hasler, P. A Floating-Gate-Based Programmable CMOS Reference. IEEE Trans. Circuits Syst. I 2008, 55, 3448–3456. [Google Scholar] [CrossRef]
- Shah, S.; Toreyin, H.; Hasler, J.; Natarajan, A. Models and Techniques For Temperature Robust Systems on A Reconfigurable Platform. J. Low Power Electron. Appl. 2017, 7, 21. [Google Scholar] [CrossRef]
- Hasler, J.; Natarajan, A.; Shah, S.; Kim, S. SoC FPAA Immersed Junior Level Circuits Course. In Proceedings of the 2017 IEEE International Conference on Microelectronic Systems Education (MSE), Lake Louise, AB, Canada, 11–12 May 2017. [Google Scholar]
- Collins, M.; Hasler, J.; George, S. Analog Systems Education: An Integrated Toolset and FPAA SoC Boards. In Proceedings of the 2015 IEEE International Conference on Microelectronic Systems Education, Pittsburgh, PA, USA, 20–21 May 2015. [Google Scholar]
- Collins, M.; Hasler, J.; George, S. An Open-Source Toolset Enabling Analog–Digital Software Codesign. J. Low Power Electron. Appl. 2016, 6, 3. [Google Scholar] [CrossRef]
- MacKay, D.M.; Fisher, M.E. Analogue Computing at Ultra-High Speed: An Experimental and Theoretical Study; John Wiley and Sons: New York, NY, USA, 1962. [Google Scholar]
- Karplus, W.J. Analog Simulation: Solution of Field Problems; McGraw Hill: New York, NY, USA, 1958. [Google Scholar]
- MacLennan, B.J. A Review of Analog Computing; Technical Report UT-CS-07-601; Department of ECE, University of Tennessee: Knoxville, TN, USA, 2007. [Google Scholar]
- Hopfield, J.J. Neural networks and physical systems with emergent collective computational abilities. Proc. Natl. Acad. Sci. USA 1982, 79, 2554–2558. [Google Scholar] [CrossRef]
- Hopfield, J.J. Neurons with graded responses have collective computational properties like those of two-state neurons. Proc. Natl. Acad. Sci. USA 1984, 81, 3088–3092. [Google Scholar] [CrossRef] [PubMed]
- Mead, C. Analog VLSI and Neural Systems; Addison Wesley: Boston, MA, USA, 1989. [Google Scholar]
- McClellan, J.H.; Schafer, R.W.; Yoder, M.A. Signal Processing First; Pearson Education: London, UK, 1998. [Google Scholar]
- Oppenheim, A.V.; Schafer, R.W. Digital Signal Processing; Prentice Hall: Upper Saddle River, NJ, USA, 1975. [Google Scholar]
- Allen, P. CMOS Analog Circuit Design; Oxford University Press: Oxford, UK, 2002. [Google Scholar]
- Bankman, D.; Yang, L.; Moons, B.; Verhelst, M.; Murmann, B. An Always-On 3.8J/86% CIFAR-10 Mixed-Signal Binary CNN Processor with All Memory on Chip in 28nm CMOS. In Proceedings of the 2018 IEEE International Solid–State Circuits Conference (ISSCC), San Francisco, CA, USA, 11–15 February 2018; pp. 222–223. [Google Scholar]
- Banerjee, U.; Juvekar, C.; Arvind, A.W.; Chandrakasan, A.P. An Energy-Efficient Reconfigurable DTLS Cryptographic Engine for End-to-End Security in IoT Applications. In Proceedings of the 2018 IEEE International Solid–State Circuits Conference (ISSCC), San Francisco, CA, USA, 11–15 February 2018. [Google Scholar]
- Hasler, J.; Marr, H.B. Finding a Roadmap to achieve Large Neuromorphic Hardware Systems. Front. Neuromorphic Eng. 2013. [Google Scholar] [CrossRef] [PubMed]
- Natarajan, A.; Hasler, J. Modelica based modeling and implementation of circuit elements. Analog Integr. Circuits Signal Process. 2017. [Google Scholar] [CrossRef]
- Mead, C. Neuromorphic electronic systems. Proc. IEEE 1990, 78, 1629–1636. [Google Scholar] [CrossRef]
- Hasler, J.; Shah, S. Reconfigurable Analog PDE computation for Baseband and RF Computation. In Proceedings of the GOMAC, Reno, NV, USA, 20–23 March 2017. [Google Scholar]
- Welty, L.L.; Patton, P.C. Hypercube architectures. In Proceedings of the National Computer Conference, Chicago, IL, USA, 15–18 July 1985; pp. 261–265. [Google Scholar]
- Ostrouchov, G. Parallel Computing on a Hypercube: An Overview of the Architecture and Some Applications. Available online: https://pdfs.semanticscholar.org/3fca/7de32f2cdb17d47231cca86e94819d5d94fc.pdf (accessed on 1 November 2018).
- Owens, J.; Houston, M.; Luebke, D.; Green, S.; Stone, J.; Phillips, J. GPU computing. Proc. IEEE 2008, 96, 879–899. [Google Scholar] [CrossRef]
- Brent, R.P. Parallel Algorithms for Digital Signal Processing. In Numerical Linear Algebra, Digital Signal Processing, An Parallel Algorithms; Golub, H., Van Doren, P., Eds.; Springer: Berlin, Germany, 1991; pp. 93–110. [Google Scholar]
- Kung, S.Y. VLSI Array Processors; Prentice-Hall: Upper Saddle River, NJ, USA, 1987. [Google Scholar]
- JaJa, J. An Introduction to Parallel Algorithms; Addison-Wesley: Boston, MA USA, 1992. [Google Scholar]
- Parhami, B. Introduction to Parallel Processing: Algorithms and Architectures; Kluwer Academic Publishers: Norwell, MA, USA, 2002. [Google Scholar]
- Cooley, J.W.; Tukey, J.W. An algorithm for the machine calculation of complex Fourier series. Math. Comput. 1965, 19, 297–301. [Google Scholar] [CrossRef]
- Hong, S.; Kim, H. An Analytical Model for a GPU Architecture with Memory-level and Thread-level Parallelism Awareness. In Proceedings of the ISCA2009, Austin, TX, USA, 20–24 June 2009. [Google Scholar]
- Hasler, P.; Dugger, J. An analog floating-gate node for supervised learning. IEEE Trans. Circuits Syst. I 2005, 52, 834–845. [Google Scholar] [CrossRef]
- Brady, P.; Hasler, P. Offset compensation in flash ADCs using floating-gate circuits. In Proceedings of the 2005 IEEE International Symposium on Circuits and Systems, Kobe, Japan, 23–26 May 2005; Volume 6, pp. 6154–6157. [Google Scholar]
- Kucic, M.R. Analog Computing Arrays. Ph.D. Thesis, Georgia Institute of Technology, Atlanta, GA, USA, 2004. Chapter 5. [Google Scholar]
- Ozalevli, E.; Lo, H.-J.; Hasler, P.E. Binary-weighted digital-to-analog converter design using floating- gate voltage references. IEEE Trans. Circuits Syst. I 2008, 55, 990–998. [Google Scholar] [CrossRef]
- Serrano, G.; Kucic, M.; Hasler, P. Investigating programmable floating-gate digital-to-analog converter as single element or element arrays. In Proceedings of the 2002 45th Midwest Symposium on Circuits and Systems, Tulsa, OK, USA, 4–7 August 2002; Volume 1, pp. 75–77. [Google Scholar]
- Harrison, R.; Bragg, J.; Hasler, P.; Minch, B.; Deweerth, S. A CMOS programmable analog memory-cell array using floating-gate circuits. IEEE Trans. Circuits Syst. II 2001, 48, 4–11. [Google Scholar] [CrossRef]
- Pereira, A.W.; Allen, D.J.; Hasler, P.E. A 0.5/spl mu/m CMOS programmable discrete-time Delta-Sigma modulator with floating gate elements. Int. Symp. Circuits Syst. 2004, 1, 213–216. [Google Scholar]
- Bandyopadhyay, A.; Lee, J.; Robucci, R.; Hasler, P. MATIA: A programmable 80 μW/frame CMOS block matrix transform imager architecture. IEEE J. Solid-State Circuits 2006, 41, 663–672. [Google Scholar] [CrossRef]
- Gruev, V.; Etienne-Cummings, R. A pipelined temporal difference imager. IEEE J. Solid-State Circuits 2004, 39, 538–543. [Google Scholar] [CrossRef]
- Schlottmann, C.R.; Hasler, P.E. A Highly Dense, Low Power, Programmable Analog Vector-Matrix Multiplier: The FPAA Implementation. IEEE Trans. JetCAS 2011, 1, 403–411. [Google Scholar] [CrossRef]
- Schlottmann, C.; Shapero, S.; Nease, S.; Hasler, P. A Digitally-Enhanced Reconfigurable Analog Platform for Low-Power Signal Processing. IEEE J. Solid State Circuits 2012, 47, 2174–2184. [Google Scholar] [CrossRef]
- Hubel, D.H.; Wiesel, T.N. Brain and Visual Perception: The Story of a 25-Year Collaboration; Oxford Press: Oxford, UK, 2005. [Google Scholar]
- Delbruck, T. Silicon retina with correlation-based, velocity-tuned pixels. IEEE Trans. Neural Netw. 1994, 4, 529–541. [Google Scholar] [CrossRef] [PubMed]
- Lichtsteiner, P.; Posch, C.; Delbruck, T. A 128 × 128 120dB 15 μs Latency Asynchronous Temporal Contrast Vision Sensor. IEEE J. Solid-State Circuits 2008, 43, 566–576. [Google Scholar] [CrossRef]
- Mendis, S.; Kemeny, S.E.; Fossum, E.R. CMOS active pixel image sensor. IEEE Trans. Electron Devices 1994, 41, 452–453. [Google Scholar] [CrossRef]
- Graham, D.W.; Hasler, P.; Chawla, R.; Smith, P.D. A low-power, programmable bandpass filter section for higher-order filter applications. IEEE Trans. Circuits Syst. I 2007, 54, 1165–1176. [Google Scholar] [CrossRef]
- Frantz, G. The DSP and its Impact on Technology. In Processor Design: System-On-Chip Computing for ASICs and FPGAs; Springer: Berlin, Germany, 2007; Chapter 6; pp. 101–119. [Google Scholar]
- Horiuchi, T.K.; Morris, T.G.; Koch, C.; DeWeerth, S.P. Analog VLSI Attention Based Circuits for Visual Tracking. In Advances in Neural Information Processing Systems 9; Moser, M.C., Jordan, M.I., Petsche, T., Eds.; MIT Press: Cambridge, MA, USA, 1996. [Google Scholar]
- Kruger, W.F.; Hasler, P.; Minch, B.A.; Koch, C. An adaptive WTA using floating gate technology. In Advances in Neural Information Processing Systems 9; Moser, M.C., Jordan, M.I., Petsche, T., Eds.; MIT Press: Cambridge, MA, USA, 1996; pp. 720–726. [Google Scholar]
- Brink, S.; Nease, S.; Hasler, P.; Ramakrishnan, S.; Wunderlich, R.; Basu, A.; Degnan, B. A learning- enabled neuron array IC based upon transistor channel models of biological phenomena. IEEE Trans. Biomed. Circuits Syst. 2013, 7, 71–81. [Google Scholar] [CrossRef]
- Dewdney, A.K. On the spaghetti computer and other analog gadgets for problem solving. Sci. Am. 1984, 250, 19–26. [Google Scholar] [CrossRef]
- Kucic, M.; Hasler, P.; Dugger, J.; Anderson, D. Programmable and adaptive analog filters using arrays of floating-gate circuits. In Proceedings of the 2001 Conference on Advanced Research in VLSI, Salt Lake City, UT, USA, 14–16 March 2001; pp. 148–162. [Google Scholar]
- Hasler, P.; Anderson, D.V. Cooperative analog-digital signal processing. IEEE Int. Conf. Acoust. Speech Signal Process. 2002, 4, 3972–3975. [Google Scholar]
- Winstead, C.; Dai, J.; Kim, W.J.; Little, S. Analog MAP decoder for (8, 4) Hamming code in subthreshold CMOS. In Proceedings of the 2001 Conference on Advanced Research in VLSI (ARVLSI 2001), Salt Lake City, UT, USA, 14–16 March 2001; pp. 132–147. [Google Scholar]
- Winstead, C.; Dai, J.; Yu, S.; Myers, C.; Harrison, R.R.; Schlegel, C. CMOS analog MAP decoder for (8, 4) Hamming code. IEEE J. Solid-State Circuits 2004, 39, 122–131. [Google Scholar] [CrossRef]
- George, S.; Hasler, J.; Koziol, S.; Nease, S.; Ramakrishnan, S. Low-power dendritic computation for wordspotting. J. Low Power Electron. Appl. 2013, 3, 78–98. [Google Scholar] [CrossRef]
- Huang, Y.; Guo, N.; Seok, M.; Tsividis, Y.; Mandli, K.; Sethumadhavan, S. Hybrid Analog-Digital Solution of Nonlinear Partial Differential Equations. In Proceedings of the 50th Annual IEEE/ACM International Symposium on Microarchitecture, Cambridge, MA, USA, 14–18 October 2017. [Google Scholar]





























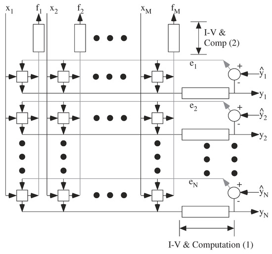
| Quantity | 1 Large Processor | B with comm/mem | 1 Processor + comm/mem | N Processors + comm/mem | N Proc. +c/m | N Proc +c/m |
|---|---|---|---|---|---|---|
| FFT | FFT | DFT | FFT | DFT | DFT | |
| Area | 1 | O(N) | O(N) | O(N) | O(N) | O(N) |
| Delay | O(N log N) | O(N log N) | O(N) | O( log N) | O(N) | O(N) |
| Energy (1 comp) | O(N log N) | O(N log N) | O(N) | O(N log N) | O(N) | O(N) |
| Area × Delay | O(N log N) | O(N log N) | O(N) | O(N log N) | O(N) | O(N) |
| Power × Delay | O(N log N) | O(N log N) | O(N) | O(N log N) | O(N) | O(N) |
© 2019 by the author. Licensee MDPI, Basel, Switzerland. This article is an open access article distributed under the terms and conditions of the Creative Commons Attribution (CC BY) license (http://creativecommons.org/licenses/by/4.0/).
Share and Cite
Hasler, J. Analog Architecture Complexity Theory Empowering Ultra-Low Power Configurable Analog and Mixed Mode SoC Systems. J. Low Power Electron. Appl. 2019, 9, 4. https://doi.org/10.3390/jlpea9010004
Hasler J. Analog Architecture Complexity Theory Empowering Ultra-Low Power Configurable Analog and Mixed Mode SoC Systems. Journal of Low Power Electronics and Applications. 2019; 9(1):4. https://doi.org/10.3390/jlpea9010004
Chicago/Turabian StyleHasler, Jennifer. 2019. "Analog Architecture Complexity Theory Empowering Ultra-Low Power Configurable Analog and Mixed Mode SoC Systems" Journal of Low Power Electronics and Applications 9, no. 1: 4. https://doi.org/10.3390/jlpea9010004
APA StyleHasler, J. (2019). Analog Architecture Complexity Theory Empowering Ultra-Low Power Configurable Analog and Mixed Mode SoC Systems. Journal of Low Power Electronics and Applications, 9(1), 4. https://doi.org/10.3390/jlpea9010004
