0.35 V Subthreshold Bulk-Driven CMOS Second-Generation Current Conveyor
Abstract
1. Introduction
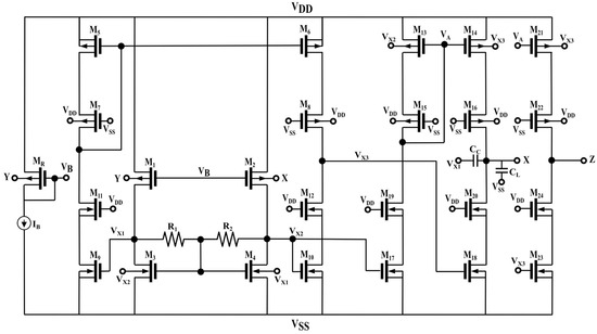
2. The Proposed Solution
Small-Signal Analysis and Noise
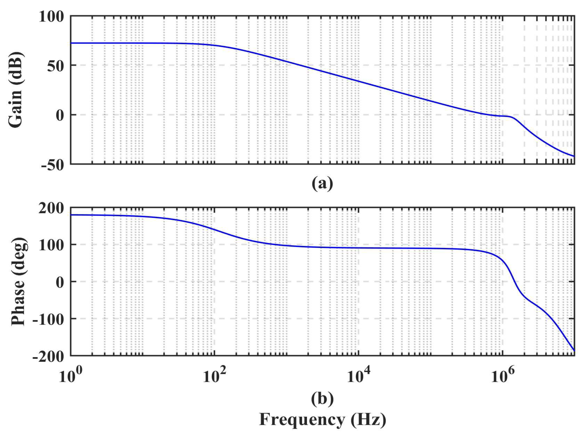
3. Simulation Results
4. Conclusions
Author Contributions
Funding
Data Availability Statement
Conflicts of Interest
References
- Chatterjee, S.; Tsividis, Y.; Kinget, P. 0.5-V Analog Circuit Techniques and their Application in OTA and Filter Design. IEEE J. Solid-State Circuits 2005, 40, 2373–2387. [Google Scholar] [CrossRef]
- Monsurrò, P.; Pennisi, S.; Scotti, G.; Trifiletti, A. Biasing technique via bulk terminal for minimum supply CMOS amplifiers. Electron. Lett. 2005, 41, 779–780. [Google Scholar] [CrossRef]
- Monsurró, P.; Pennisi, S.; Scotti, G.; Trifiletti, A. Exploiting the Body of MOS Devices for High Performance Analog Design. IEEE Circuits Syst. Mag. 2011, 11, 8–23. [Google Scholar] [CrossRef]
- Khateb, F.; Dabbous, S.B.A.; Vlassis, S. A Survey of Nonconventional Techniques for Low-voltage Low-power Analog Circuit Design. Radioengineering 2013, 22, 415–427. [Google Scholar]
- Moghaddam, A.K.; Chuah, J.H.; Ramiah, H.; Ahmadian, J.; Mak, P.-I.; Martins, R.P. A 73.9%-Efficiency CMOS Rectifier Using a Lower DC Feeding (LDCF) Self-Body-Biasing Technique for Far-Field RF Energy-Harvesting Systems. IEEE Trans. Circuits Syst. I Regul. Pap. 2017, 64, 992–1002. [Google Scholar] [CrossRef]
- Blalock, B.; Allen, P.; Rincon-Mora, G. Designing 1-V Op Amps Using Standard Digital CMOS Technology. IEEE Trans. Circuits Syst. II Analog. Digit. Signal Process. 1998, 45, 769–780. [Google Scholar] [CrossRef]
- Ferreira, L.H.C.; Sonkusale, S.R. A 60-dB Gain OTA Operating at 0.25-V Power Supply in 130-nm Digital CMOS Process. IEEE Trans. Circuits Syst. I Regul. Pap. 2014, 61, 1609–1617. [Google Scholar] [CrossRef]
- Abdelfattah, O.; Roberts, G.W.; Shih, I.; Shih, Y.-C. An Ultra-Low-Voltage CMOS Process-Insensitive Self-Biased OTA With Rail-to-Rail Input Range. IEEE Trans. Circuits Syst. I Regul. Pap. 2015, 62, 2380–2390. [Google Scholar] [CrossRef]
- Cabrera-Bernal, E.; Pennisi, S.; Grasso, A.D.; Torralba, A.; Carvajal, R.G. 0.7-V Three-Stage Class-AB CMOS Operational Transconductance Amplifier. IEEE Trans. Circuits Syst. I Regul. Pap. 2016, 63, 1807–1815. [Google Scholar] [CrossRef]
- Kulej, T.; Khateb, F. Design and Implementation of Sub 0.5-V OTAs in 0.18-μm CMOS. Int. J. Circuits Theor. Appl. 2018, 46, 1129–1143. [Google Scholar] [CrossRef]
- Khateb, F.; Kulej, T. Design and Implementation of a 0.3-V Differential Difference Amplifier. IEEE Trans. Circuits Syst. I Regul. Papers 2019, 66, 513–523. [Google Scholar] [CrossRef]
- Kulej, T.; Khateb, F. A 0.3-V 98-dB Rail-to-Rail OTA in 0.18 mm CMOS. IEEE Access 2020, 8, 27459–27467. [Google Scholar] [CrossRef]
- Woo, K.-C.; Yang, B.-D. A 0.25-V Rail-to-Rail Three-Stage OTA with an Enhanced DC Gain. IEEE Trans. Circuits Syst. II Express Briefs 2020, 67, 1179–1183. [Google Scholar] [CrossRef]
- Ballo, A.; Grasso, A.D.; Pennisi, S. 0.4-V, 81.3-nA Bulk-Driven Single-Stage CMOS OTA with Enhanced Transconductance. Electronics 2022, 11, 2704. [Google Scholar] [CrossRef]
- Centurelli, F.; Della Sala, R.; Monsurró, P.; Tommasino, P.; Trifiletti, A. An Ultra-Low-Voltage class-AB OTA exploiting local CMFB and Body-to-Gate interface. AEU-Int. J. Electr. Comm. 2022, 145, 154081. [Google Scholar] [CrossRef]
- Akbari, M.; Hussein, S.M.; Hashim, Y.; Tang, K.-T. 0.4-V Tail-Less Quasi-Two-Stage OTA Using a Novel Self-Biasing Transconductance Cell. IEEE Trans. Circuits Syst. I Regul. Pap. 2022, 69, 2805–2818. [Google Scholar] [CrossRef]
- Kulej, T.; Khateb, F.; Arbet, D.; Stopjakova, V. A 0.3-V High Linear Rail-to-Rail Bulk-Driven OTA in 0.13 μm CMOS. IEEE Trans. Circuits Syst. II Express Briefs 2022, 69, 2046–2050. [Google Scholar] [CrossRef]
- Ballo, A.; Grasso, A.D.; Pennisi, S.; Susinni, G. A 0.3-V 8.5-μ a Bulk-Driven OTA. IEEE Trans. Very Large Scale Integr. (VLSI) Syst. 2023, 31, 1444–1448. [Google Scholar] [CrossRef]
- Ballo, A.; Carvajal, R.G.; Grasso, A.D.; Luján-Martínez, C.I.; Pennisi, S.; Venezia, C. 0.35-V SR-Enhanced Bulk-Driven OTA for Loads up to 10 nF. IEEE Trans. Circuits Syst. I Regul. Pap. 2024. in print. [Google Scholar] [CrossRef]
- He, T.; Lee, C. Evolving Flexible Sensors, Wearable and Implantable Technologies Towards BodyNET for Advanced Healthcare and Reinforced Life Quality. IEEE Open J. Circuits Syst. 2021, 2, 702–720. [Google Scholar] [CrossRef]
- Das, R.; Moradi, F.; Heidari, H. Biointegrated and Wirelessly Powered Implantable Brain Devices: A Review. IEEE Trans. Biomed. Circuits Syst. 2020, 14, 343–358. [Google Scholar] [CrossRef] [PubMed]
- Shi, Q.; Dong, B.; He, T.; Sun, Z.; Zhu, J.; Zhang, Z.; Lee, C. Progress in Wearable Electronics/photonics—Moving toward the Era of Artificial Intelligence and Internet of Things. InfoMat 2020, 2, 1131–1162. [Google Scholar] [CrossRef]
- Toledo, P.; Crovetti, P.; Aiello, O.; Alioto, M. Design of Digital OTAs with Operation Down to 0.3 V and nW Power for Direct Harvesting. IEEE Trans. Circuits Syst. I Regul. Pap. 2021, 68, 3693–3706. [Google Scholar] [CrossRef]
- Ferri, G.; Guerrini, N. Low-Voltage Low-Power CMOS Current Conveyors; Springer: Berlin/Heidelberg, Germany, 2003. [Google Scholar]
- Colucci, P.; D’amico, A.; De Marcellis, A.; Falconi, C.; Ferri, G.; Giovannelli, F.; Parente, F.R.; Stornelli, V. CCII-based voltage amplifier optimization for reduced relative gain error. Circuits Syst. Signal Process. 2018, 37, 1315–1326. [Google Scholar] [CrossRef]
- Stornelli, V.; Ferri, G.; Pantoli, L.; Barile, G.; Pennisi, S. A rail-to-rail constant-gm CCII for instrumentation amplifier applications. AEU-Int. J. Electron. Commun. 2018, 91, 103–109. [Google Scholar] [CrossRef]
- De Marcellis, A.; Ferri, G.; Mantenuto, P. A CCII-based non-inverting Schmitt trigger and its application as astable multivibrator for capacitive sensor interfacing. Int. J. Circuit Theory Appl. 2017, 45, 1060–1076. [Google Scholar] [CrossRef]
- Khateb, F.; Khatib, N.; Kubánek, D. Novel low-voltage low-power high-precision CCII± based on bulk-driven folded cascode OTA. Microelectron. J. 2011, 42, 622–631. [Google Scholar] [CrossRef]
- Khateb, F.; Khatib, N.; Kubánek, D. Novel ultra-low-power class AB CCII+ based on floating-gate folded cascode OTA. Circuits Syst. Signal Process. 2012, 31, 447–464. [Google Scholar] [CrossRef]
- Raikos, G.; Vlassis, S.; Psychalinos, C. 0.5V bulk-driven analog building blocks. AEU-Int. J. Electron. Commun. 2012, 66, 920–927. [Google Scholar] [CrossRef]
- Eldeeb, M.A.; Ghallab, Y.H.; Ismail, Y.; Elghitani, H. Low-voltage subthreshold CMOS current mode circuits: Design and applications. AEU-Int. J. Electron. 2017, 82, 251–264. [Google Scholar] [CrossRef]
- Khateb, F.; Kulej, T.; Kumngern, M. 0.3V Bulk-Driven Current Conveyor. IEEE Access 2019, 7, 65122–65128. [Google Scholar] [CrossRef]
- Mita, R.; Palumbo, G.; Pennisi, S. 1.5-V CMOS CCII+ with high current-driving capability. IEEE Trans. Circuits Syst. II Analog. Digit. Signal Process. 2003, 50, 187–190. [Google Scholar] [CrossRef]
- Arbel, A. Comparison between the Noise Performances of Current-Mode and Voltage-Mode Amplifiers. Int. J. Analog. Integr. Circuits Signal Process. 1995, 7, 221–242. [Google Scholar] [CrossRef]














| Device | W/L (µm/µm) |
|---|---|
| MR, M1, M2 | 34/0.5 |
| M3, M4 | 8/1 |
| M5, M6 | 160/1 |
| M7, M8 | 9/0.5 |
| M11, M12 | 2/0.5 |
| M9, M10 | 32/1 |
| M13 | 50/0.5 |
| M15 | 5/0.5 |
| M17 | 16/1 |
| M18 | 1.5/0.5 |
| M14, M21 | 200/0.5 |
| M16, M22 | 20/0.5 |
| M18, M23 | 60/2 |
| M20, M24 | 6/1 |
| Param | Value |
|---|---|
| VDD–VSS | 0.35 V |
| IB | 200 nA |
| R1, R2 | 250 kΩ |
| CC | 200 fF |
| CL | 1 pF |
| Ref. | [33] * | [28] | [29] | [30] | [31] | [32] | Proposed | |
|---|---|---|---|---|---|---|---|---|
| Year | 2003 | 2011 | 2012 | 2012 | 2017 | 2019 | 2024 | |
| Tech. (nm) | 350 | 180 | 180 | 180 | 90 | 180 | 65 | |
| VDD (V) | 1.5 | 0.8 | 1 | 0.5 | 0.4 | 0.3 | 0.5 | 0.35 |
| IQ (μA) | 173 | 80 | 10 | 60 | 4.5 | 63.3 × 10−3 | 1.01 | 2.86 |
| DC Power (μW) | 2595 | 64 | 10 | 30 | 1.8 | 0.019 | 0.509 | 1 |
| Y-Input voltage range (%VDD) | 73 | 95 | 100 | 80 | n.a. | 100 | 100 | 97 |
| X-Input current range (μA) | ±900 | ±7 | ±3 | ±15 | n.a. | ±0.024 | ±0.4 | 2.5 |
| IXmax,Zmax/IQ | 5.2 | 8.75 × 10−2 | 0.3 | 0.25 | n.a. | 0.379 | 0.396 | 0.87 |
| RY (MΩ) | ∞ | ∞ | ∞ | ∞ | n.a. | 703 | 664 | 150 @10 kHz |
| RX (Ω) | 150 | 27 | 42 | 260 | 106 | 56 × 103 | 3 × 103 | 1.8 × 103 |
| RZ (MΩ) | 0.3 | 0.89 | 53 | 0.113 | n.a. | 94.7 | 8 | 7.46 |
| Voltage gain VX/VY (mdB) | −20 | 0 | 0 | −17.4 | 34.7 | −11.3 | −8.69* | −4.1 |
| Current gain IZ/IX (dB) | −40 | 0 | 0 | −34.8 | 0 | −8.69 | −8.69 | −2.1 |
| −3 dB BW VX/VY (MHz) | 2.4 @CL = 10 pF | 14 | 4.8 | 11 | 1 | 4.1 × 10−3 * | 56.4 × 10−3 * @CL = 30 pF | 1.33 @CL = 1 pF |
| −3 dB BW IZ/IX (MHz) | 1.2 | 13 | 8.2 | 10 | 1.25 | 39.2 × 10−3 | 578 × 10−3 | 2.13 |
Disclaimer/Publisher’s Note: The statements, opinions and data contained in all publications are solely those of the individual author(s) and contributor(s) and not of MDPI and/or the editor(s). MDPI and/or the editor(s) disclaim responsibility for any injury to people or property resulting from any ideas, methods, instructions or products referred to in the content. |
© 2024 by the authors. Licensee MDPI, Basel, Switzerland. This article is an open access article distributed under the terms and conditions of the Creative Commons Attribution (CC BY) license (https://creativecommons.org/licenses/by/4.0/).
Share and Cite
Shah, M.O.; Caruso, M.; Pennisi, S. 0.35 V Subthreshold Bulk-Driven CMOS Second-Generation Current Conveyor. J. Low Power Electron. Appl. 2024, 14, 36. https://doi.org/10.3390/jlpea14030036
Shah MO, Caruso M, Pennisi S. 0.35 V Subthreshold Bulk-Driven CMOS Second-Generation Current Conveyor. Journal of Low Power Electronics and Applications. 2024; 14(3):36. https://doi.org/10.3390/jlpea14030036
Chicago/Turabian StyleShah, Muhammad Omer, Manfredi Caruso, and Salvatore Pennisi. 2024. "0.35 V Subthreshold Bulk-Driven CMOS Second-Generation Current Conveyor" Journal of Low Power Electronics and Applications 14, no. 3: 36. https://doi.org/10.3390/jlpea14030036
APA StyleShah, M. O., Caruso, M., & Pennisi, S. (2024). 0.35 V Subthreshold Bulk-Driven CMOS Second-Generation Current Conveyor. Journal of Low Power Electronics and Applications, 14(3), 36. https://doi.org/10.3390/jlpea14030036

