A Methodology to Design Static NCL Libraries
Abstract
:1. Introduction
2. Materials and Methods
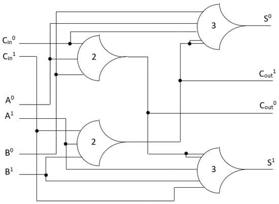
2.1. Null Convention Logic
2.2. The Proposed Flow Chart to Design Standard NCL Cell Libraries
2.3. NCL Cell Characterization
3. Results and Discussions
3.1. Function Test Results
3.2. Cell Characterization Results
3.3. The Synthesis Results of The RTL Code
= Cout0A1 + Cout0B1 + Cout0Cin1 + A1B1Cin1
= Cout1A0 + Cout1B0 + Cout1Cin0 + A0B0Cin0
4. Conclusions
Author Contributions
Funding
Data Availability Statement
Acknowledgments
Conflicts of Interest
References
- Nowick, S.M.; Singh, M. Asynchronous design-part 1: Overview and recent advances. IEEE Des. Test 2015, 32, 5–18. [Google Scholar] [CrossRef]
- Wu, J. Null Convention Logic Applications of Asynchronous Design in Nanotechnology and Cryptographic Security. Ph.D. Thesis, the Missouri University of Science and Technology, Rolla, MO, USA, 2012. [Google Scholar]
- Haulmark, K.; Khalil, W.; Bouillon, W.; Di, J. Comprehensive comparison of null convention logic threshold gate implementations. In Proceedings of the 2018 New Generation of CAS (NGCAS), Valletta, Malta, 20–23 November 2018; Volume 1, pp. 37–40. [Google Scholar]
- Sakib, A.A.; Smith, S.C. Implementation of Static NCL Threshold Gates Using Emerging CNTFET Technology. In Proceedings of the 2020 27th IEEE International Conference on Electronics, Circuits and Systems (ICECS), Glasgow, UK, 23–25 November 2020; pp. 1–4. [Google Scholar] [CrossRef]
- Sobelman, G.E.; Fant, K. CMOS circuit design of threshold gates with hysteresis. In Proceedings of the 1998 IEEE International Symposium on Circuits and Systems (ISCAS), Monterey, CA, USA, 31 May–3 June 1998; Volume 2, pp. 61–64. [Google Scholar]
- Parsan, F.A.; Smith, S.C. CMOS implementation comparison of NCL gates. In Proceedings of the 2012 IEEE 55th International Midwest Symposium on Circuits and Systems (MWSCAS), Boise, ID, USA, 5–8 August 2012; pp. 394–397. [Google Scholar] [CrossRef]
- Huy, N.L.; Beckett, P. Null convention logic primitive element architecture for ultralow power high performance portable digital systems. In Proceedings of the 2017 IEEE Regional Symposium on Micro and Nanoelectronics (RSM), Batu Ferringhi, Malaysia, 23–25 August 2017; pp. 167–170. [Google Scholar]
- Metku, P.; Kim, K.K.; Kim, Y.B.; Choi, M. Low-Power Null Convention Logic Multiplier Design Based on Gate Diffusion Input Technique. In Proceedings of the 2018 International SoC Design Conference (ISOCC), Daegu, Korea, 12–15 November 2018; pp. 233–234. [Google Scholar] [CrossRef]
- Metku, P.; Kim, K.K.; Choi, M. Novel area-efficient null convention logic based on cmos and gate diffusion input (Gdi) hybrid. J. Semicond. Technol. Sci. 2020, 20, 127–134. [Google Scholar] [CrossRef]
- Huy, N.L.; Holland, A.S.; Beckett, P. Silicon on insulator null convention logic based asynchronous circuit design for high performance low power digital systems. In Proceedings of the 2018 2nd International Conference on Recent Advances in Signal Processing, Telecommunications & Computing (SigTelCom), Ho Chi Minh City, Vietnam, 29–31 January 2018; pp. 111–115. [Google Scholar]
- Moreira, M.T.; Beerel, P.A.; Sartori, M.L.L.; Calazans, N.L.V. NCL synthesis with conventional EDA tools: Technology mapping and optimization. IEEE Trans. Circuits Syst. I Regul. Pap. 2018, 65, 1981–1993. [Google Scholar] [CrossRef]
- Guazzelli, R.A.; Moreira, M.T.; Calazans, N.L.V. A comparison of asynchronous QDI templates using static logic. In Proceedings of the 2017 IEEE 8th Latin American Symposium on Circuits & Systems (LASCAS), Bariloche, Argentina, 20–23 February 2017; pp. 1–4. [Google Scholar]
- Reese, R.B.; Smith, S.C.; Thornton, M.A. Uncle—An RTL Approach to Asynchronous Design. In Proceedings of the 2012 IEEE 18th International Symposium on Asynchronous Circuits and Systems, Kongens Lyngby, Denmark, 7–9 May 2012; pp. 65–72. [Google Scholar]
- Oliveira, D.L.; Verducci, O.; Faria, L.A.; Curtinhas, T. A novel Κ convention logic (NCL) gates architecture based on basic gates. In Proceedings of the 2017 IEEE XXIV International Conference on Electronics, Electrical Engineering and Computing (INTERCON), Cusco, Peru, 15–18 August 2017; pp. 1–4. [Google Scholar]
- Oliveira, C.H.M.; Moreira, M.T.; Guazzelli, R.A.; Calazans, N.L.V. ASCEnD-FreePDK45: An open source standard cell library for asynchronous design. In Proceedings of the 2016 IEEE International Conference on Electronics, Circuits and Systems (ICECS), Monte Carlo, Monaco, 11–14 December 2016; pp. 652–655. [Google Scholar]
- Moreira, M.T.; Calazans, N.L.V. Design of Standard-Cell Libraries for Asynchronous Circuits with the ASCEnD Flow. In Proceedings of the 2013 IEEE Computer Society Annual Symposium on VLSI (ISVLSI), Natal, Brazil, 5–7 August 2013; pp. 217–218. [Google Scholar]
- Smith, S.C.; Di, J. Designing Asynchronous Circuits using NULL Convention Logic (NCL). Synth. Lect. Digit. Circuits Syst. 2009, 4, 1–96. [Google Scholar] [CrossRef] [Green Version]
- Albert, A.J.; Ramachandran, S. Static implementation of a null convention logic based exponent adder. Int. J. Appl. Eng. Res. 2015, 10, 7601–7614. [Google Scholar]
- Caberos, A.; Huang, S.C.; Cheng, F.C. Area-efficient CMOS implementation of NCL gates for XOR-AND/OR dominated circuits. In Proceedings of the 2017 IEEE Asia Pacific Conference on Postgraduate Research in Microelectronics and Electronics (PrimeAsia), Kuala Lumpur, Malaysia, 31 October–2 November 2017; pp. 37–40. [Google Scholar]
- Fawzy, B.G.; Abutaleb, M.M.; Eladawy, M.I.; Ghoneima, M. Strong Indication Full-Adder Circuit for NULL Convention Logic Automation Flows. In Proceedings of the 2018 18th International Symposium on Communications and Information Technologies (ISCIT), Bangkok, Thailand, 26–29 September 2018; pp. 416–421. [Google Scholar]
- Bhasker, J.; Chadha, R. Static Timing Analysis for Nanometer Designs: A Practical Approach, 2009th ed.; Springer: New York, NY, USA, 2009. [Google Scholar]
- Charafeddine, K.; Ouardi, F. Novel methodology to d etermine leakage power in standard cell library design. Heliyon 2020, 6, e04168. [Google Scholar] [CrossRef] [PubMed]
- VLSI Tutorial. Available online: https://personal.utdallas.edu/~xxx110230/lc/ (accessed on 7 January 2022).
- Naresh, A. Design and Characterization of a Standard Cell Library for the FREEPDK45 Process. Master’s Thesis, Oklahoma State University, Stillwater, OK, USA, December 2010. [Google Scholar]
- Synopsys. Liberty User Guides and Reference Manual Suite; Synopsys: Mountain View, CA, USA, 2017; Volume 2, pp. 1069–1072. [Google Scholar]
- Vakil, A.; Jayadev, K.P.; Hegde, S.; Koppad, D. Comparitive analysis of null convention logic and synchronous CMOS ripple carry adders. In Proceedings of the 2017 Second International Conference on Electrical, Computer and Communication Technologies (ICECCT), Coimbatore, India, 22–24 February 2017; pp. 1–5. [Google Scholar]

























| Boolean Logic | Code | ||
|---|---|---|---|
| Dual-Rail Logic | A1 | A0 | |
| 0 | DATA0 | 0 | 1 |
| 1 | DATA1 | 1 | 0 |
| NULL | 0 | 0 | |
| ILLEGAL | 1 | 1 | |
| C (fF) | 1.4 | 2.54 | 4.61 | 8.37 | 15.2 | 27.6 | 50.0 |
|---|---|---|---|---|---|---|---|
| T (ns) | |||||||
| 0.0100 | 0.031719 | 0.034713 | 0.039622 | 0.048466 | 0.063802 | 0.091584 | 0.142036 |
| 0.0192 | 0.035519 | 0.038487 | 0.043428 | 0.052211 | 0.067709 | 0.095355 | 0.145774 |
| 0.0368 | 0.042939 | 0.045776 | 0.050817 | 0.059452 | 0.074892 | 0.102274 | 0.153379 |
| 0.0707 | 0.056999 | 0.059810 | 0.064762 | 0.073485 | 0.089004 | 0.117078 | 0.167156 |
| 0.1360 | 0.080912 | 0.083845 | 0.088798 | 0.097410 | 0.112959 | 0.140649 | 0.191456 |
| 0.2610 | 0.120889 | 0.123863 | 0.128831 | 0.137477 | 0.152992 | 0.180382 | 0.229623 |
| 0.5000 | 0.187969 | 0.191297 | 0.196570 | 0.205400 | 0.220554 | 0.248453 | 0.298070 |
| C (fF) | 1.4 | 2.54 | 4.61 | 8.37 | 15.2 | 27.6 | 50.0 |
|---|---|---|---|---|---|---|---|
| T (ns) | |||||||
| 0.0100 | 0.014191 | 0.017611 | 0.023507 | 0.034664 | 0.055245 | 0.093438 | 0.162108 |
| 0.0192 | 0.014231 | 0.017607 | 0.023582 | 0.034607 | 0.054907 | 0.092951 | 0.162408 |
| 0.0368 | 0.014317 | 0.017439 | 0.023722 | 0.034508 | 0.055121 | 0.093275 | 0.160903 |
| 0.0707 | 0.014551 | 0.017747 | 0.023710 | 0.035047 | 0.055584 | 0.092349 | 0.162379 |
| 0.1360 | 0.015606 | 0.018867 | 0.024525 | 0.035743 | 0.056056 | 0.093671 | 0.160805 |
| 0.2610 | 0.017896 | 0.021076 | 0.026662 | 0.037100 | 0.056643 | 0.093562 | 0.160940 |
| 0.5000 | 0.021648 | 0.024589 | 0.029991 | 0.039966 | 0.059128 | 0.094819 | 0.160774 |
| C (fF) | 1.4 | 2.54 | 4.61 | 8.37 | 15.2 | 27.6 | 50.0 |
|---|---|---|---|---|---|---|---|
| T (ns) | |||||||
| 0.0100 | 0.040239 | 0.042706 | 0.046741 | 0.053411 | 0.064899 | 0.084751 | 0.120116 |
| 0.0192 | 0.043811 | 0.046269 | 0.050280 | 0.057040 | 0.068285 | 0.088151 | 0.123954 |
| 0.0368 | 0.050510 | 0.052918 | 0.056919 | 0.063691 | 0.074968 | 0.094818 | 0.130357 |
| 0.0707 | 0.063376 | 0.065755 | 0.069815 | 0.076515 | 0.087776 | 0.107599 | 0.142960 |
| 0.1360 | 0.086937 | 0.089327 | 0.093424 | 0.100122 | 0.111618 | 0.131466 | 0.167641 |
| 0.2610 | 0.127368 | 0.129957 | 0.134214 | 0.141081 | 0.152620 | 0.172618 | 0.208160 |
| 0.5000 | 0.196405 | 0.199268 | 0.203878 | 0.211073 | 0.222948 | 0.243133 | 0.279049 |
| C (fF) | 1.4 | 2.54 | 4.61 | 8.37 | 15.2 | 27.6 | 50.0 |
|---|---|---|---|---|---|---|---|
| T (ns) | |||||||
| 0.0100 | 0.012919 | 0.015210 | 0.019491 | 0.027197 | 0.041450 | 0.067562 | 0.115309 |
| 0.0192 | 0.012907 | 0.015205 | 0.019663 | 0.027368 | 0.041394 | 0.067405 | 0.114845 |
| 0.0368 | 0.012835 | 0.015253 | 0.019609 | 0.027360 | 0.041525 | 0.067584 | 0.115338 |
| 0.0707 | 0.012921 | 0.015414 | 0.019568 | 0.027387 | 0.041563 | 0.067599 | 0.115411 |
| 0.1360 | 0.013734 | 0.016063 | 0.020303 | 0.028008 | 0.042103 | 0.067605 | 0.115320 |
| 0.2610 | 0.015538 | 0.017841 | 0.022038 | 0.029759 | 0.043457 | 0.068085 | 0.115567 |
| 0.5000 | 0.018421 | 0.021066 | 0.025241 | 0.032553 | 0.046080 | 0.070092 | 0.116487 |
| C (fF) | 1.4 | 2.54 | 4.61 | 8.37 | 15.2 | 27.6 | 50.0 |
|---|---|---|---|---|---|---|---|
| T (ns) | |||||||
| 0.0100 | −0.000976 | −0.000986 | −0.000996 | −0.001010 | −0.001025 | −0.001038 | −0.001044 |
| 0.0192 | −0.000949 | −0.000962 | −0.000975 | −0.000991 | −0.001005 | −0.001017 | −0.001025 |
| 0.0368 | −0.000922 | −0.000932 | −0.000954 | −0.000969 | −0.000985 | −0.001001 | −0.001010 |
| 0.0707 | −0.000905 | −0.000919 | −0.000920 | −0.000946 | −0.000949 | −0.000961 | −0.000989 |
| 0.1360 | −0.000902 | −0.000907 | −0.000912 | −0.000926 | −0.000945 | −0.000965 | −0.000967 |
| 0.2610 | −0.000889 | −0.000889 | −0.000898 | −0.000910 | −0.000927 | −0.000946 | −0.000961 |
| 0.5000 | −0.000905 | −0.000909 | −0.000916 | −0.000926 | −0.000940 | −0.000958 | −0.000976 |
| C (fF) | 1.4 | 2.54 | 4.61 | 8.37 | 15.2 | 27.6 | 50.0 |
|---|---|---|---|---|---|---|---|
| T (ns) | |||||||
| 0.0100 | −0.000926 | −0.001105 | −0.001442 | −0.002045 | −0.003127 | −0.005081 | −0.008588 |
| 0.0192 | −0.000909 | −0.001097 | −0.001433 | −0.002036 | −0.003118 | −0.005068 | −0.008578 |
| 0.0368 | −0.000900 | −0.001086 | −0.001420 | −0.002022 | −0.003105 | −0.005057 | −0.008568 |
| 0.0707 | −0.000885 | −0.001072 | −0.001405 | −0.002007 | −0.003090 | −0.005045 | −0.008558 |
| 0.1360 | −0.000892 | −0.001078 | −0.001408 | −0.002001 | −0.003088 | −0.005047 | −0.008559 |
| 0.2610 | −0.000902 | −0.001083 | −0.001405 | −0.002012 | −0.003096 | −0.005039 | −0.008560 |
| 0.5000 | −0.000950 | −0.001131 | −0.001459 | −0.002059 | −0.003141 | −0.005093 | −0.008610 |
| Design | Area (transistor) | Power (µW) | Delay (ns) |
|---|---|---|---|
| Ours | 92 | 6.17 | 0.13 |
| P-FA-L0 [20] | 74 | 3.57 | 137.44 |
| P-FA-L1 [20] | 66 | 3.77 | 137.9 |
| P-FA-L2 [20] | 60 | 7.93 | 138.66 |
| Design | Power (mW) | Delay (ns) |
|---|---|---|
| Ours | 0.1245 | 1.13 |
| Using library in [15] | 0.1571 | 0.59 |
Publisher’s Note: MDPI stays neutral with regard to jurisdictional claims in published maps and institutional affiliations. |
© 2022 by the authors. Licensee MDPI, Basel, Switzerland. This article is an open access article distributed under the terms and conditions of the Creative Commons Attribution (CC BY) license (https://creativecommons.org/licenses/by/4.0/).
Share and Cite
Thanh, T.L.; Tri, L.T.; Hoang, T. A Methodology to Design Static NCL Libraries. J. Low Power Electron. Appl. 2022, 12, 31. https://doi.org/10.3390/jlpea12020031
Thanh TL, Tri LT, Hoang T. A Methodology to Design Static NCL Libraries. Journal of Low Power Electronics and Applications. 2022; 12(2):31. https://doi.org/10.3390/jlpea12020031
Chicago/Turabian StyleThanh, Toi Le, Lac Truong Tri, and Trang Hoang. 2022. "A Methodology to Design Static NCL Libraries" Journal of Low Power Electronics and Applications 12, no. 2: 31. https://doi.org/10.3390/jlpea12020031
APA StyleThanh, T. L., Tri, L. T., & Hoang, T. (2022). A Methodology to Design Static NCL Libraries. Journal of Low Power Electronics and Applications, 12(2), 31. https://doi.org/10.3390/jlpea12020031

