Aluminum Templates of Different Sizes with Micro-, Nano- and Micro/Nano-Structures for Cell Culture
Abstract
:1. Introduction
2. Materials and Methods
2.1. Materials
2.2. Micro-Structure of Al Template
2.3. Nano-Structure of Al Template (AAO)
- Pre-treatment: Aluminum template with a purity of 99.9% was soaked in an alcohol solution and ultrasonically vibrated for 30 min. It was then placed in 5% NaOH and soaked for 3 min to remove surface oil. Following heat treatment (400 °C, 4 h), it was electrolytically polished using 85% perchloric acid (HClO4, Kanto Chemical Co., Ltd., Tokyo, Japan) and 15% ethanol (C2H5OH). It was then washed twice in deionized water.
- Anode handling: (1) Aluminum template was firstly anodized using 0.5 M oxalic acid on 30 V at room-temperature for 1 h to do the anodic process for the first time; (2) Chemical etching: The aluminum was rinsed for the second time in deionized water, and placed in a solution of 1.5 wt % chromic acid (Katayama reagent Co., Ltd., Osaka, Japan) that had been mixed with 6 wt % phosphoric acid (Katayama reagent Co., Ltd.) at 70 °C. The reaction time was 1 h. The growth was etched to retain a few pit holes under its surface. It was then washed twice in deionized water, before being anodized for the second time; (3) The second anodic treatment was conducted using 0.5 M oxalic acid at 30 V and room temperature for 3 h.
2.4. Micro/Nano-Structure of Al Template
2.5. Surface Properties
2.6. Cell Culture
2.7. Statistics
3. Results and Discussion
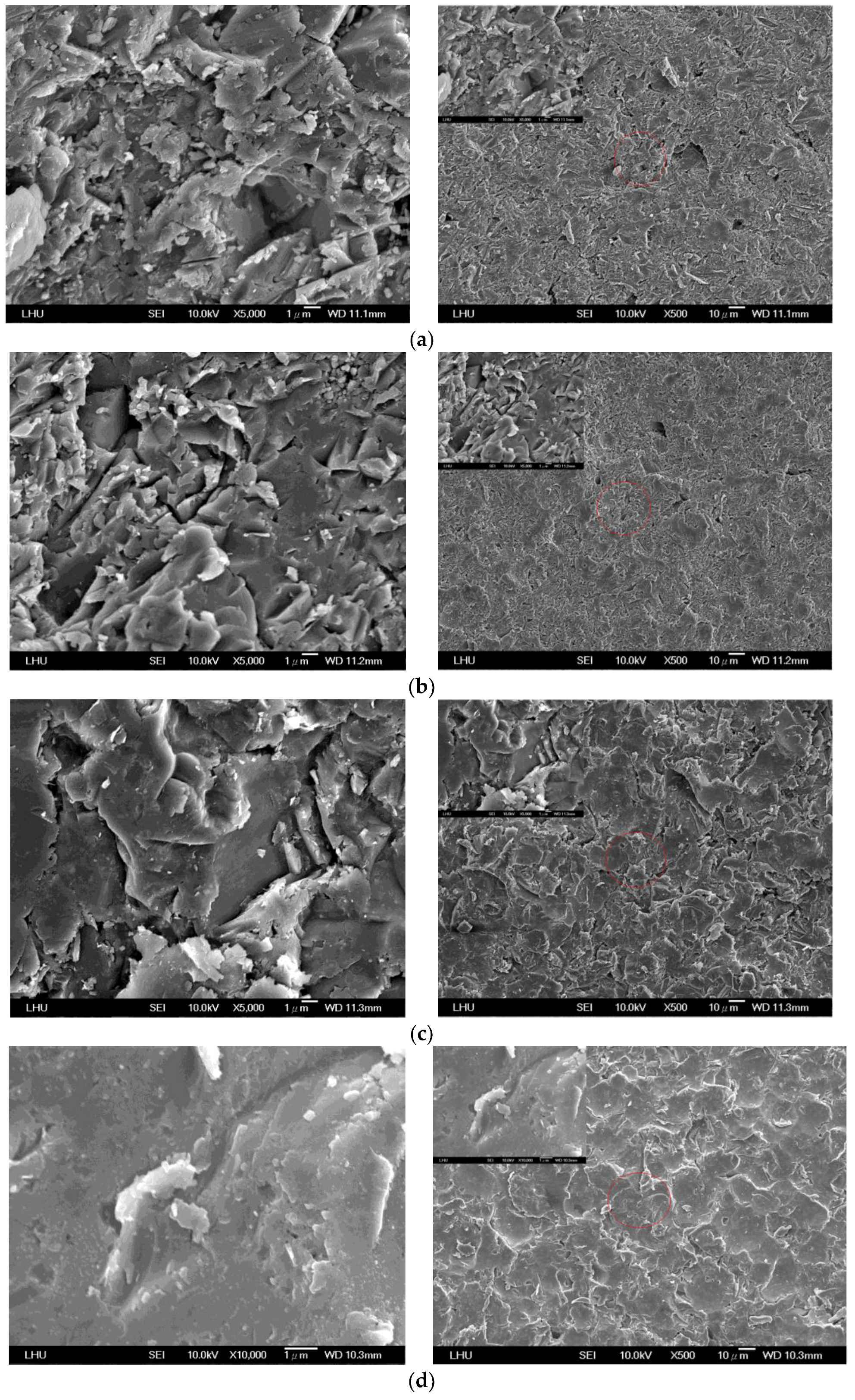
3.1. Surface Morphology of Micro-Structure of Al Template
3.2. Surface Morphologies of Nano and Micro/Nano-Structures of Al Template
3.3. Surface Properties of Various Al Template Structures
3.4. Cell Viability Evaluation in Vitro
3.5. The Results of Null Hypothesis
4. Conclusions
Acknowledgments
Author Contributions
Conflicts of Interest
References
- Ishikawa, K.; Miyamoto, Y.; Nagayama, M.; Asaoka, K. Blasting coating method: New method of coating titanium surface with hydroxyapatite at room temperature. J. Biomed. Mater. Res. Part A Appl. Biomater. 1997, 38, 129–134. [Google Scholar] [CrossRef]
- Mano, T.; Ueyama, Y.; Ishikawa, K.; Suzuki, K. Initial tissue response to a titanium implant coated with apatite at room temperature using a blast coating method. Biomaterials 2002, 23, 1931–1936. [Google Scholar] [CrossRef]
- O’Neill, L.; O’Sullivan, C.; O’Hare, P.; Sexton, L.; Keady, F.; O’Donoghue, I. Deposition of substituted apatites onto titanium surfaces using a novel blasting process. Surf. Coat. Technol. 2009, 204, 484–488. [Google Scholar] [CrossRef]
- O’Hare, P.; Meenan, B.J.; Barke, G.A.; Byrne, G.; Dowling, D.; Hint, J.A. Biological responses to hydroxyapatite surface deposited via a co-incident microblasting technique. Biomaterials 2010, 31, 515–522. [Google Scholar] [CrossRef] [PubMed]
- O’Sullivan, C.; O’Hare, P.; O’Leary, N.D.; Cream, A.M.; Ryan, K.; Dobson, A.D.W.; O’Neill, L. Deposition of substituted apatites with anticolonizing properties onto titanium surfaces using a novel blasting process. J. Biomed. Mater. Res. Part B Appl. Biomater. 2010, 95, 141–149. [Google Scholar] [CrossRef] [PubMed]
- Fleming, D.; O’Neill, L.; Byrne, G.; Barry, N.; Dowling, D.P. Wear resistance enhancement of the titanium alloy Ti-6Al-4V via a novel coincident microblasting process. Surf. Coat. Technol. 2011, 205, 4941–4945. [Google Scholar] [CrossRef]
- O’Sullivan, C.; O’Hare, P.; Byrne, G.; O’Neill, L.; Ryan, K.B.; Vrean, A.M. A modified surface on titanium deposited by a blasting process. Coatings 2011, 1, 53–71. [Google Scholar] [CrossRef]
- Tan, F.; Naciri, M.; Dowling, D.; Rubeai, M.A. Osteoconductirity and growth factor production by MG63 osteoblastic cells on bioglass-coated orthopedic implants. Biotechnol. Bioeng. 2011, 108, 454–464. [Google Scholar] [CrossRef] [PubMed]
- Tan, F.; Naciri, M.; Dowling, D.; Rubeai, M.A. In vitro and in vivo bioactivity of coblast hydroxyapatite coating and the effect of impaction on its osteoconductirity. Biotechol. Adv. 2012, 30, 352–362. [Google Scholar] [CrossRef] [PubMed]
- Bachle, M.; Kohal, R.J. A systematic review of the influence of different titanium surface on proliferation, differentiation and protein synthesis of osteoblast-like MG63 Cells. Clin. Oral Implant. Res. 2004, 15, 683–692. [Google Scholar] [CrossRef] [PubMed]
- Gentile, F.; Tirinato, L.; Battistam, E.; Causa, F.; Liberale, C.; Fabrizio, E.M.; Decuzzi, P. Cells preferentially grow on rough substrates. Biomaterials 2010, 31, 7205–7212. [Google Scholar] [CrossRef] [PubMed]
- Decuzzi, P.; Ferrari, M. Modulating cellular adhesion through nanotopography. Biomaterials 2010, 31, 173–179. [Google Scholar] [CrossRef] [PubMed]
- Zareidoost, A.; Yousefpour, M.; Ghaseme, B.; Amanzadeh, A. The relationship of surface roughness and cell response of chemical surface modification of titanium. J. Mater. Sci. Mater. Med. 2012, 23, 1479–1488. [Google Scholar] [CrossRef] [PubMed]
- Yousepour, M.; Zareidoost, A. Evaluation of the effect of two-step acid etching on the surface treatment and improved bioactivity of nitinol. J. Mash. Dent. Sch. 2016, 40, 281–296. [Google Scholar]
- Gittens, R.A.; Mclachlan, T.; Olivares-Navarrete, R.; Cai, Y.; Berner, S.; Tannenbaum, R.; Schwartz, Z.; Sandhage, K.H.; Boyan, B.D. The effects of combined micro-/submicro-scale surface roughness and nanoscale features on cell proliferation and differentiation. Biomaterials 2011, 32, 3395–3403. [Google Scholar] [CrossRef] [PubMed]
- Gittens, R.A.; Olivares-Navarrete, R.; Schwartz, Z.; Boyan, B.D. Implant osseointegration and the role of microroughness and nanostructures: Lessons for spine implants. Acta Biomater. 2014, 10, 3363–3371. [Google Scholar] [CrossRef] [PubMed]
- Wang, X.; Han, G.R. Fabrication and characterization of anodic aluminum oxide template. Microelectron. Eng. 2003, 14, 166–171. [Google Scholar] [CrossRef]
- Yuan, J.H.; He, F.Y.; Sun, D.C.; Xia, X.H. A simple method for preparation of through-hole porous anodic alumina membrane. Chem. Mater. 2004, 16, 1841–1844. [Google Scholar] [CrossRef]
- Firouzi, A.; Kumar, D.; Bull, L.M.; Besier, T.; Sieger, P.; Huo, Q.; Walker, S.A.; Zasadzinski, J.A.; Glinka, C.; Nicol, J. Cooperative organization of inorganic surfactants and biomimetic assemblies. Science 1995, 267, 1138–1143. [Google Scholar] [CrossRef] [PubMed]
- Kresge, C.T.; Leonowicz, M.E.; Roth, W.J.; Vartuli, J.C.; Beck, J.S. Ordered malodorous molecular sieves synthesized by a liquid crystal templates mechanism. Nature 1992, 359, 710–712. [Google Scholar] [CrossRef]
- Akmatsu, K.; Takeib, S.; Mizuhatab, M.; Kajinamib, A.; Dekib, S.; Takeokac, S.; Fujiid, M.; Hayashid, S.; Yamamotod, K. Preparation and characterization of polymer thin films containing silver and silver sulfide nano particles. Thin Solid Film 2000, 359, 55–60. [Google Scholar] [CrossRef]
- O’Sullivan, J.P.; Wood, G.C. The morphology and mechanism of formation of porous anodic films on aluminum. Proc. R. Soc. Lond. A 1970, 137, 511–543. [Google Scholar] [CrossRef]
- Keller, F.; Hunter, M.S.; Robinson, D.L. Structural features of oxide coatings on aluminum. J. Electrochem. Soc. 1953, 100, 411–419. [Google Scholar] [CrossRef]
- Laet, J.D.; Anhellemont, J.; Terryn, H.; Vereechen, J. Characterization of various aluminum oxide layers by means of spectroscopic ellipsometry. Appl. Phys. A. 1992, 54, 72–78. [Google Scholar] [CrossRef]
- Parkhutik, V.P.; Shershulsky, V.I. Theoretical modelling of porous oxide growth on aluminum. J. Phys. D Appl. Phys. 1992, 25, 1258–1263. [Google Scholar] [CrossRef]
- Ng, K.O.; Vanderbilt, D. Stability of periodic domain structures in a two-dimensional dipolar model. Phys. Rev. 1995, 2177, 13–52. [Google Scholar] [CrossRef]
- Chung, C.K.; Zhou, R.X.; Liu, T.Y.; Chang, W.T. Hybrid pulse anodization for the fabrication of porous anodic alumina films from commercial purity (99%) aluminum at room temperature. Nanotechnology 2009, 20, 005301–005304. [Google Scholar] [CrossRef] [PubMed]
- Den, E.B.; Ruijter, E.D.; Smits, J.H.; Ginsel, L.; Von, A.R.; Jansen, J. Quantitative analysis of cell proliferation and orientation on substrata with uniform parallel surface micro-grooves. Biomaterials 1996, 17, 1093–1099. [Google Scholar]
- Clark, P.; Connolly, P.; Curtis, A.; Dow, J.; Wilkinson, C. Topographical control of cell behaviour: II. Multiple grooved substrata. Development 1990, 108, 635–644. [Google Scholar] [PubMed]
- Wójciak, S.B.; Cutis, A.; Monaghan, W.; Macdonald, K.; Wilkinson, C. Guidance and activation of murine macrophages by nanometric scale topography. Exp. Cell Res. 1996, 223, 426–435. [Google Scholar] [CrossRef] [PubMed]
- Clark, P.; Connolly, P.; Curtis, S.A.; Dow, A.J.; Wilkinson, C.D. Topographical control of cell behavior. I. simple step cues. Development 1987, 99, 439–448. [Google Scholar] [PubMed]
- Popat, K.C.; Leary, E.E.S.; Mukhatyar, V.; Chatvanichkul, K.I.; Mor, G.K. Influence of nanoporous alumina membranes on long–term osteoblast response. Biomaterials 2005, 26, 4516–4522. [Google Scholar] [CrossRef] [PubMed]
- Hoess, A.; Teuscher, N.; Thormann, A.H.; Heilmann, A. Cultivation of hepatoma cell line HepG2 on nanoporous aluminum oxide membranes. Acta Biomater. 2007, 3, 43–50. [Google Scholar] [CrossRef] [PubMed]
- De Gennes, P.-G.; Brochard-Wyart, F.; Quere, D. Capillarity and Wetting Phenomena; Springer Inc.: New York, NY, USA, 2004. [Google Scholar]
- Lampin, M.; Warocquier, R.; Legris, C.; Degrange, M.; Sigot-Luizard, M.F. Correlation between substrate roughness and wettabililty, cell adhesion and cell migration. J. Biomed. Mater. Res. 1997, 36, 99–108. [Google Scholar] [CrossRef]
- Hallab, N.J.; Bundy, K.J.; O’Connor, K.; Moses, R.L.; Jacobs, J.J. Evaluation of metallic and polymeric biomaterial surface energy and surface roughness characterization for directed cell adhesion. Tissue Eng. 2001, 7, 55–71. [Google Scholar] [CrossRef] [PubMed]
- Deligianmi, D.D.; Katsala, N.D.; Koutsoukos, P.G.; Missirlis, Y.F. Effect of surface roughness of hydroxyapatite on human bone marrow cell adhesion, proliferation, differentiation and detachment strength. Biomaterials 2001, 22, 85–96. [Google Scholar]
- Van Wachem, P.B.; Bengelling, T.; Feijen, J.; Bantjes, A.; Detmers, J.P.; van Aken, W.G. Interaction of cultured human endothelial cells with polymeric surfaces of different wettabilities. Biomaterials 1985, 6, 403–408. [Google Scholar] [CrossRef]
- Webb, K.; Hlady, V.; Tresco, P.A. Relative importance of surface wettability and charged functional groups on NIH 3T3 fibroblast attachment, spreading and cytoskeletal organization. J. Biomed. Mater. Res. 1998, 41, 422–430. [Google Scholar] [CrossRef]





| Group | Contact Angle (°) | Surface Roughness (nm) | p-Value | Tukey-Test |
|---|---|---|---|---|
| AAO | 18.76 ± 3.09 | 12.65 ± 0.06 | 0.001 ***/0.001 *** | A/A |
| MS 245A | 80.70 ± 3.86 | 13.88 ± 0.07 | – | B/A |
| MS 300A | 33.58 ± 3.04 | 51.67 ± 0.13 | – | C/B |
| MS 550BT | 31.22 ± 3.02 | 40.07 ± 0.20 | – | C/C |
| Micro/nano-structure on Al substrate | 11.08 ± 4.19 | 56.37 ± 0.28 | – | D/B |
| Smooth Al | 85.72 ± 3.54 | 25.57 ± 0.13 | – | B/D |
© 2017 by the authors. Licensee MDPI, Basel, Switzerland. This article is an open access article distributed under the terms and conditions of the Creative Commons Attribution (CC BY) license (http://creativecommons.org/licenses/by/4.0/).
Share and Cite
Yen, M.-L.; Hsiao, H.-M.; Huang, C.-F.; Lin, Y.; Shen, Y.-K.; Tsai, Y.-L.; Chang, C.-W.; Yen, H.-J.; Lu, Y.-J.; Kuo, Y.-W. Aluminum Templates of Different Sizes with Micro-, Nano- and Micro/Nano-Structures for Cell Culture. Coatings 2017, 7, 179. https://doi.org/10.3390/coatings7110179
Yen M-L, Hsiao H-M, Huang C-F, Lin Y, Shen Y-K, Tsai Y-L, Chang C-W, Yen H-J, Lu Y-J, Kuo Y-W. Aluminum Templates of Different Sizes with Micro-, Nano- and Micro/Nano-Structures for Cell Culture. Coatings. 2017; 7(11):179. https://doi.org/10.3390/coatings7110179
Chicago/Turabian StyleYen, Ming-Liang, Hao-Ming Hsiao, Chiung-Fang Huang, Yi Lin, Yung-Kang Shen, Yu-Liang Tsai, Chun-Wei Chang, Hsiu-Ju Yen, Yi-Jung Lu, and Yun-Wen Kuo. 2017. "Aluminum Templates of Different Sizes with Micro-, Nano- and Micro/Nano-Structures for Cell Culture" Coatings 7, no. 11: 179. https://doi.org/10.3390/coatings7110179
APA StyleYen, M.-L., Hsiao, H.-M., Huang, C.-F., Lin, Y., Shen, Y.-K., Tsai, Y.-L., Chang, C.-W., Yen, H.-J., Lu, Y.-J., & Kuo, Y.-W. (2017). Aluminum Templates of Different Sizes with Micro-, Nano- and Micro/Nano-Structures for Cell Culture. Coatings, 7(11), 179. https://doi.org/10.3390/coatings7110179

