Simulation of Preload Relaxation of Bolted Joint Structures under Transverse Loading
Abstract
1. Introduction
2. Materials and Methods
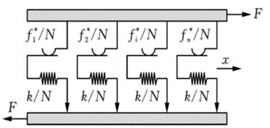
2.1. Structural Dynamics Modeling of Complex Equipment Connection Interfaces
2.2. Finite Element Model Simulation
3. Results
3.1. Simulation Results with Monotonic Load Applied
3.1.1. Variation in Preload Force When Applying Different Monotonic Displacement Loads
3.1.2. Variation in Stress Maxima at Contact Surfaces with Different Initial Preloads
- 1.
- Step-2, Maximum Stress at Initial Stage
- 2.
- Maximum Stress at the End of Step-2 Stage
- 3.
- Effect of initial preload on stress change during relaxation
3.1.3. Variation in the Maximum Stress at the Contact Surface
3.2. Simulation Results of Applied Cyclic Displacement Load
3.2.1. Variation in Preload Force When Applying Different Cyclic Displacement Loads
- (1)
- Variation in preload force with time when cyclic displacement load is applied
- (2)
- Comparison of preload relaxation at maximum load for different cyclic displacements
3.2.2. Variation in the Maximum Value of Contact Surface Stress under Different Initial Preloads
3.2.3. Effect of Frequency Variation in Applied Cyclic Displacement Loads
- (1)
- Effect of frequency variation on preload relaxation
- (2)
- Effect of frequency variation on preload relaxation
3.3. Comparison of Cyclic Displacement Loading Results with Monotonic Displacement Loading Results
3.3.1. Effect of Frequency Variation in Applied Cyclic Displacement Loads
3.3.2. Comparison of the Effect of Two Displacement Loads on Preload Force
4. Discussion
5. Conclusions
- (1)
- The relaxation process of preload: The relaxation of the tightening force will first cause the force on the slip surface of the Jenkinson unit to enter a viscous state, microscopic local slip and elastic deformation of the material, and at the same time produce resistance, which produces a certain degree of impediment to the reduction of preload, so the trend is slower in the beginning. With the increasing load, more and more small slider units begin to slip, the local slip accumulates, and then the plastic deformation of the material continuously occurs. When it finally reaches a certain level, it is manifested as a macro-slip, and stress relaxation occurs, resulting in a rapid decrease in the preload, so with the increase in load, the preload is rapidly reduced. With the accumulation of plastic deformation, plastic deformation occurs in more and more areas, the internal stress field inside the material slowly tends to stabilize and finally the curve gradually tends to be stable.
- (2)
- The contact interface stress decreases with the increase in displacement load, and this increase is also a nonlinear relationship. Combined with the Iwan model described in the previous section and the previous analysis, it is found that this is approximately the same as the trend of the slip curve of the contact surface, which also proves that the relaxation of stress is a major cause of the slip, and the two are closely related.
- (3)
- Regardless of the load conditions, the amount of stress loss on the contact surface and the amount of loss of preload are not directly related to the size of the initial preload.
- (4)
- The loss of preload is proportional to the change in bolt compression, and by further inference, the loss of preload is also proportional to the displacement generated by the external load.
Author Contributions
Funding
Institutional Review Board Statement
Informed Consent Statement
Data Availability Statement
Conflicts of Interest
References
- Luan, Y.; Guan, Z.Q.; Cheng, G.D.; Liu, S. A simplified nonlinear dynamic model for the analysis of pipe structures with bolted flange joints. J. Sound Vib. 2012, 331, 325–344. [Google Scholar] [CrossRef]
- Ling, Y.; Chen, X.B.; Xiao, T.L.; Chen, S.Y. Research on torque stability and anti-loosening performance of differential bolt assembly. Automob. Parts 2023, 6, 63–68. [Google Scholar]
- Chen, H.L.; Sun, J.; Zhang, S.J. Analysis of bolted joint loosening under transverse vibration. Mach. Build. Autom. 2023, 52, 48–50. [Google Scholar]
- Song, G.D. Research and Simulation of Inclined Shaft Running Car Recognition Technology Based on Noise Suppression. Comput. Simul. 2023, 40, 316–319+367. [Google Scholar]
- Yang, F.H.; Zhou, F. Analysis of bolted joint loosening under transverse alternating loads. Modul. Mach. Tool Autom. Manuf. Tech. 2022, 11, 115–118. [Google Scholar] [CrossRef]
- Dinger, G.; Friedrich, C. Avoiding self-loosening failure of bolted joints with numerical assessment of local contact state. Eng. Fail. Anal. 2011, 18, 2188–2200. [Google Scholar] [CrossRef]
- Izumi, S.; Kimura, M.; Sakai, S. Small Loosening of Bolt-nut Fastener Due to Micro Bearing-Surface Slip: A Finite Element Method Study. J. Solid Mech. Mater. Eng. 2007, 1, 1374–1384. [Google Scholar] [CrossRef]
- Zumi, S.; Yokoyama, T.; Iwasaki, A.; Sakai, S. Three-dimensional finite element analysis of tightening and loosening mechanism of threaded fastener. Eng. Fail. Anal. 2005, 12, 604–615. [Google Scholar]
- Pai, N.G.; Hess, D.P. Three-dimensional finite element analysis of threaded fastener loosening due to dynamic shear load. Eng. Fail. Anal. 2002, 9, 383–402. [Google Scholar] [CrossRef]
- Pai, N.G.; Hess, D.P. Experimental study of loosening of threaded fasteners due to dynamic shear loads. J. Sound Vib. 2002, 253, 585–602. [Google Scholar] [CrossRef]
- Gong, H.; Liu, J.; Ding, X. Thorough understanding on the mechanism of vibration-induced loosening of threaded fasteners based on modified Iwan model. J. Sound Vib. 2020, 473, 115238. [Google Scholar] [CrossRef]
- Gong, H.; Liu, J.; Ding, X. Study on local slippage accumulation between thread contact surfaces and novel anti-loosening thread designs under transversal vibration. Tribol. Int. 2021, 153, 106558. [Google Scholar] [CrossRef]
- Kasei, S. A Study of Self-Loosening of Bolted Joints Due to Repetition of Small Amount of Slippage at Bearing Surface. J. Adv. Mech. Des. Syst. Manuf. 2007, 1, 358–367. [Google Scholar] [CrossRef]
- Zhang, M.Y.; Zeng, D.F.; Lu, L.T.; Zhang, Y.B.; Wang, J.; Xu, J.M. Finite element modelling and experimental validation of bolt loosening due to thread wear under transverse cyclic loading. Eng. Fail. Anal. 2019, 104, 341–353. [Google Scholar] [CrossRef]
- Yang, M. A simplified numerical simulation method for bolted structures. Mach. Des. Manuf. 2012, 7, 165–167. [Google Scholar]
- Ranjan, P.; Pandey, A.K. Modeling of pinning phenomenon in Iwan model for bolted joint. Tribol. Int. 2021, 161, 107071. [Google Scholar] [CrossRef]
- Gong, M.G.; Liu, W.G.; Yang, Y. Analysis of interface hysteresis behavior of bolted joints. Mech. Sci. Technol. Aerosp. Eng. 2023, 42, 1416–1422. [Google Scholar]
- Wu, X.Y.; Zhu, S.J. Rational modeling of bolted coupling structure in FE modal calculation. J. Nav. Eng. Univ. 1998, 1, 67–71. [Google Scholar]
- Wang, D.; Xu, C.; Hu, J.; Wan, Q.; Chen, Y.H. Nonlinear Mechanical Modeling of Contact Interfaces of Connected Structures. Chin. J. Theor. Appl. Mech. 2018, 50, 44–57. [Google Scholar]
- Iwan, W.D. A Distributed-Element Model for Hysteresis and Its Steady-State Dynamic Response. J. Appl. Mech. 1966, 33, 893–900. [Google Scholar] [CrossRef]
- Iwan, W.D. On a Class of Models for the Yielding Behavior of Continuous and Composite Systems. J. Appl. Mech. 1967, 34, 612–617. [Google Scholar] [CrossRef]
- Luo, D.B.; Ji, W.J. A study of friction modeling in mechanical systems. Henan Sci. Technol. 2014, 5, 124. [Google Scholar]
- Valanis, K. Fundamental Consequences of a New Intrinsic Time Measure Plasticity as a Limit of the Endochronic Theory. Arch. Mech. 1980, 32, 68. [Google Scholar]
- Gaul, L.; Nitsche, R. The role of friction in mechanical joints. Appl. Mech. Rev. 2001, 54, 93–106. [Google Scholar] [CrossRef]
- Gao, Y.; Wang, X.W.; Yang, Z.Q. A study of the effect of bolting uncertainty on the dynamic characteristics of the magazine. Mach. Build. Autom. 2023, 52, 37–40. [Google Scholar]
- Jin, J.; Wu, X.Y.; Zheng, J.H. Study on the improvement of prestressing application method for bolted joints. J. Nav. Eng. Univ. 2010, 22, 20–24. [Google Scholar]
- Simulia. Abaqus 6.10—Abaqus/CAE User’s Manual; Simulia: Johnston, RI, USA, 2010. [Google Scholar]

















| Load Displacement/mm | Loss of Preload/N |
|---|---|
| 0.1 | 38.7 |
| 0.2 | 154.7 |
| 0.3 | 348 |
| 0.4 | 618.7 |
| 0.5 | 966.8 |
| Initial Bolt Compression/mm | Maximum Stress on Contact Surface/MPa |
|---|---|
| 0.1 | 323.4 |
| 0.2 | 645.7 |
| 0.3 | 966.9 |
| 0.4 | 1287 |
| 0.5 | 1606 |
| 0.7 | 2240 |
| 1.0 | 3183 |
| Initial Bolt Compression/mm | Maximum Stress on Contact Surface/MPa |
|---|---|
| 0.1 | 310 |
| 0.2 | 632.3 |
| 0.3 | 953.5 |
| 0.4 | 1274 |
| 0.5 | 1593 |
| 0.7 | 2227 |
| 1.0 | 3170 |
| Initial Bolt Compression/mm | Maximum Stress Reduction Value at the Contact Surface/MPa |
|---|---|
| 0.1 | 13.4 |
| 0.2 | 13.4 |
| 0.3 | 13.4 |
| 0.4 | 13 |
| 0.5 | 13 |
| 0.7 | 13 |
| 1.0 | 13 |
| Displacement/mm | Maximum Point Stress of Flat Plate S (Step-2)/MPa |
|---|---|
| 0 | 1606 |
| 0.05 | 1606 |
| 0.1 | 1605 |
| 0.15 | 1604 |
| 0.2 | 1602 |
| 0.25 | 1599 |
| 0.3 | 1597 |
| 0.35 | 1595 |
| 0.4 | 1593 |
| 0.45 | 1593 |
| 0.5 | 1593 |
| Cyclic Displacement Load Amplitude/mm | Step-2 Initial Preload/N | Step-2 End Preload/N | Preload Loss Value/N |
|---|---|---|---|
| 0.1 | 23,238.2 | 23,083.3 | 154.9 |
| 0.2 | 23,238.2 | 22,619.5 | 618.7 |
| 0.3 | 23,238.2 | 21,846.9 | 1391.3 |
| 0.4 | 23,238.2 | 20,763.2 | 2475 |
| 0.5 | 23,238.2 | 19,370.8 | 3867.4 |
| Cyclic Displacement Load/mm | Initial Bolt Compression/mm | Step-2 Maximum Stress on Initial Contact Surface/MPa | Step-2 Maximum Stress at End Contact Surface/MPa | Maximum Stress Reduction Value at the Contact Surface/MPa |
|---|---|---|---|---|
| 0.5 | 0.1 | 323.4 | 269.6 | 53.8 |
| 0.5 | 0.2 | 645.7 | 592.1 | 53.6 |
| 0.5 | 0.3 | 966.9 | 913.5 | 53.4 |
| 0.5 | 0.4 | 1287 | 1234 | 53 |
| 0.5 | 0.5 | 1606 | 1553 | 53 |
| 0.5 | 0.7 | 2240 | 2188 | 52 |
| 0.5 | 1.0 | 3183 | 3131 | 52 |
| Circular Frequency/Hz | Initial Preload Force/N | Step-2 End Preload/N | Preload Loss/N |
|---|---|---|---|
| 6.28 | 115,407 | 111,592 | 3815 |
| 12.56 | 115,407 | 107,775 | 7632 |
| 25.12 | 115,407 | 100,134 | 15,273 |
| 37.68 | 115,407 | 92,482.2 | 22,924.8 |
| 50.24 | 115,407 | 84,826.1 | 30,580.9 |
| Initial Bolt Compression/mm | Cyclic Load Circle Frequency/Hz | Initial Stress on Contact Surface/MPa | Step-2 Maximum Stress at End Contact Surface/MPa | Maximum Stress Reduction Value at the Contact Surface/MPa |
|---|---|---|---|---|
| 0.5 | 6.28 | 1606 | 1553 | 53 |
| 0.5 | 12.56 | 1606 | 1500 | 106 |
| 0.5 | 25.12 | 1606 | 1394 | 212 |
| 0.5 | 37.68 | 1606 | 1287 | 319 |
| 0.5 | 50.24 | 1606 | 1181 | 425 |
| Cyclic Displacement Load Amplitude/mm | Loss of Preload under Monotonic Displacement Loading/N | Loss of Preload under Cyclic Displacement Loading/N | Proportionality |
|---|---|---|---|
| 0.1 | 154.9 | 38.7 | 4.0026 |
| 0.2 | 618.7 | 154.7 | 3.9993 |
| 0.3 | 1391.3 | 348 | 3.9979 |
| 0.4 | 2475 | 618.7 | 4.0003 |
| 0.5 | 3867.4 | 966.8 | 4.0002 |
| Displacement/mm | Maximum Point Stress under Monotonic Loading/MPa | Maximum Point Stress under Cyclic Loading/MPa | Difference |
|---|---|---|---|
| 0 | 1606 | 1606 | 0 |
| 0.05 | 1606 | 1605 | 1 |
| 0.1 | 1605 | 1603 | 2 |
| 0.15 | 1604 | 1597 | 7 |
| 0.2 | 1602 | 1589 | 13 |
| 0.25 | 1599 | 1579 | 20 |
| 0.3 | 1597 | 1570 | 27 |
| 0.35 | 1595 | 1561 | 34 |
| 0.4 | 1593 | 1556 | 37 |
| 0.45 | 1593 | 1553 | 40 |
| 0.5 | 1593 | 1553 | 40 |
Disclaimer/Publisher’s Note: The statements, opinions and data contained in all publications are solely those of the individual author(s) and contributor(s) and not of MDPI and/or the editor(s). MDPI and/or the editor(s) disclaim responsibility for any injury to people or property resulting from any ideas, methods, instructions or products referred to in the content. |
© 2024 by the authors. Licensee MDPI, Basel, Switzerland. This article is an open access article distributed under the terms and conditions of the Creative Commons Attribution (CC BY) license (https://creativecommons.org/licenses/by/4.0/).
Share and Cite
Liu, Y.; Zhu, M.; Lu, X.; Wang, S.; Li, Z. Simulation of Preload Relaxation of Bolted Joint Structures under Transverse Loading. Coatings 2024, 14, 538. https://doi.org/10.3390/coatings14050538
Liu Y, Zhu M, Lu X, Wang S, Li Z. Simulation of Preload Relaxation of Bolted Joint Structures under Transverse Loading. Coatings. 2024; 14(5):538. https://doi.org/10.3390/coatings14050538
Chicago/Turabian StyleLiu, Yilong, Min Zhu, Xiaohan Lu, Shengao Wang, and Ziwei Li. 2024. "Simulation of Preload Relaxation of Bolted Joint Structures under Transverse Loading" Coatings 14, no. 5: 538. https://doi.org/10.3390/coatings14050538
APA StyleLiu, Y., Zhu, M., Lu, X., Wang, S., & Li, Z. (2024). Simulation of Preload Relaxation of Bolted Joint Structures under Transverse Loading. Coatings, 14(5), 538. https://doi.org/10.3390/coatings14050538
