Formulation of Non-Fired Bricks Made from Secondary Aluminum Ash
Abstract
:1. Introduction
2. Materials and Methods
2.1. Raw Materials
2.2. Experimental Procedure
2.3. Characterization Method
3. Results and Discussion
3.1. Aluminum Ash and Its Characteristics
3.2. Effects of Mix Proportions on Non-Fired Bricks
3.2.1. Effect of Cement–Aluminum Ash Mix Proportion
3.2.2. Effect of Slaked Lime–Aluminum Ash Mix Proportion
3.2.3. Effect of Gypsum–Aluminum Ash Mix Proportion
3.2.4. Effect of Engineering Sand–Aluminum Ash Mix Proportion
3.2.5. Validation of Optimal Mix Proportions
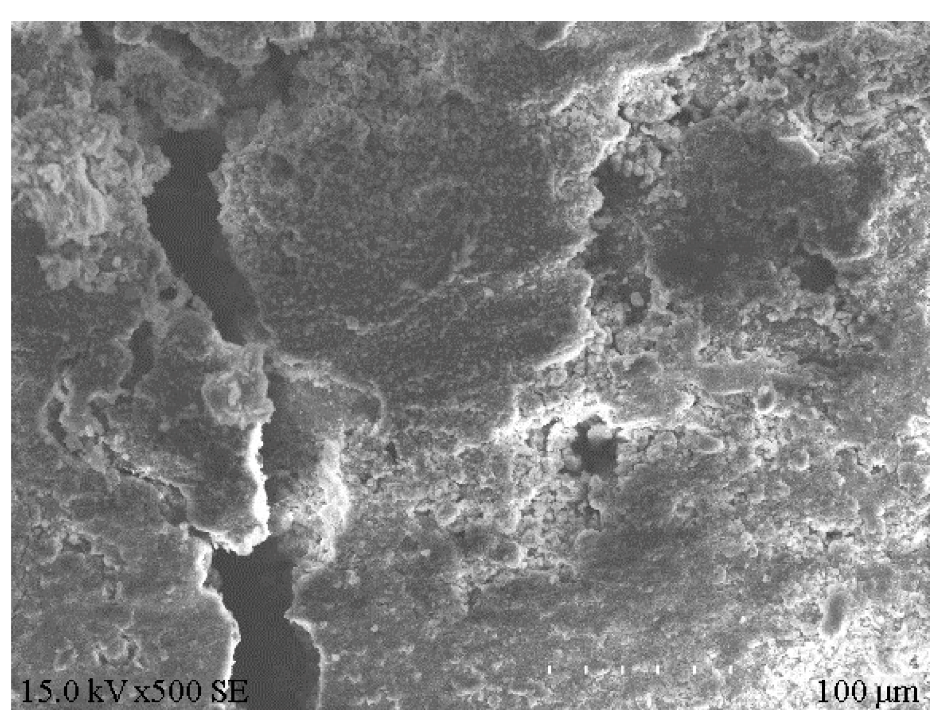
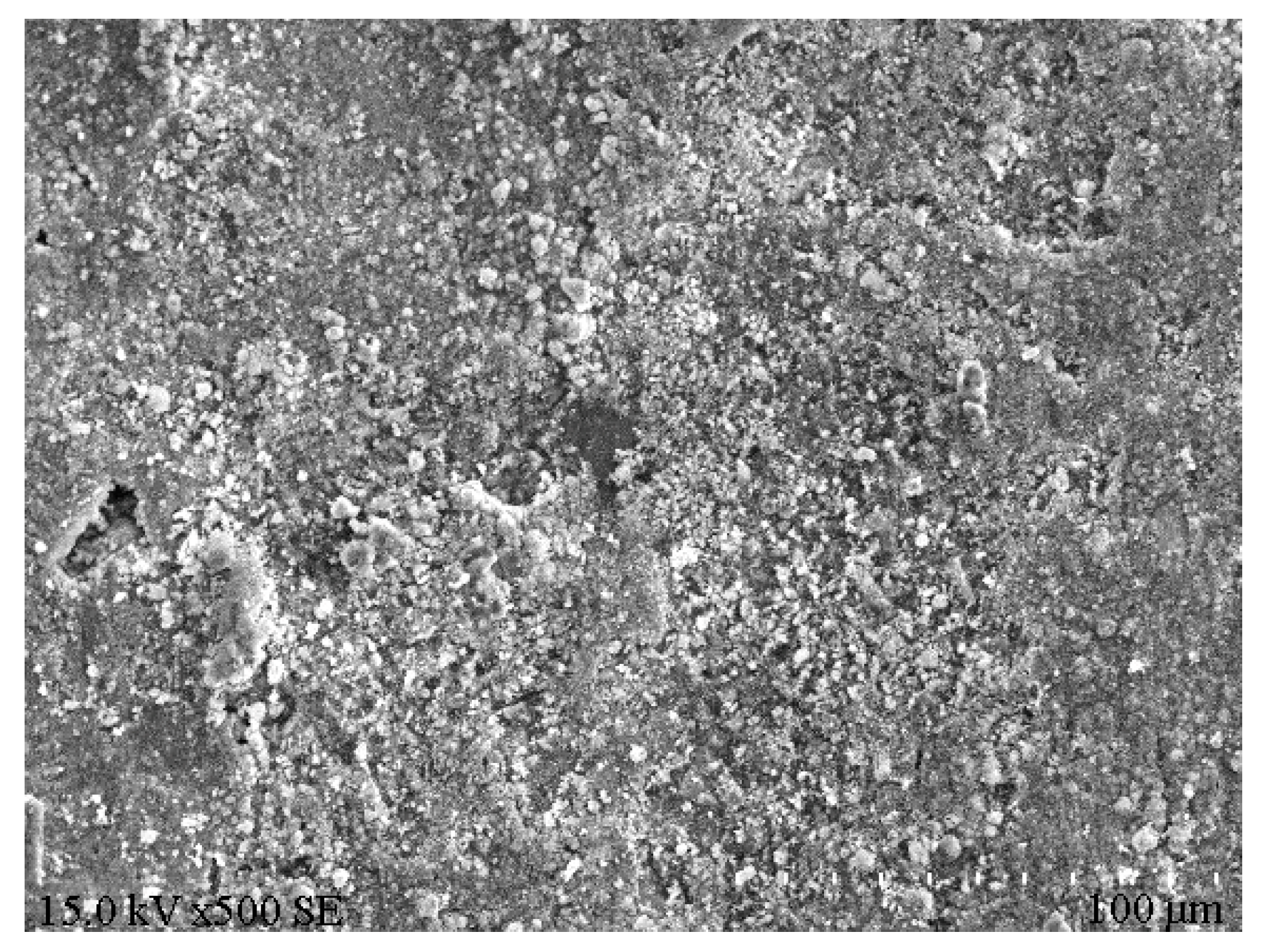
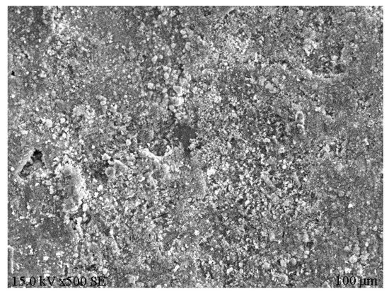
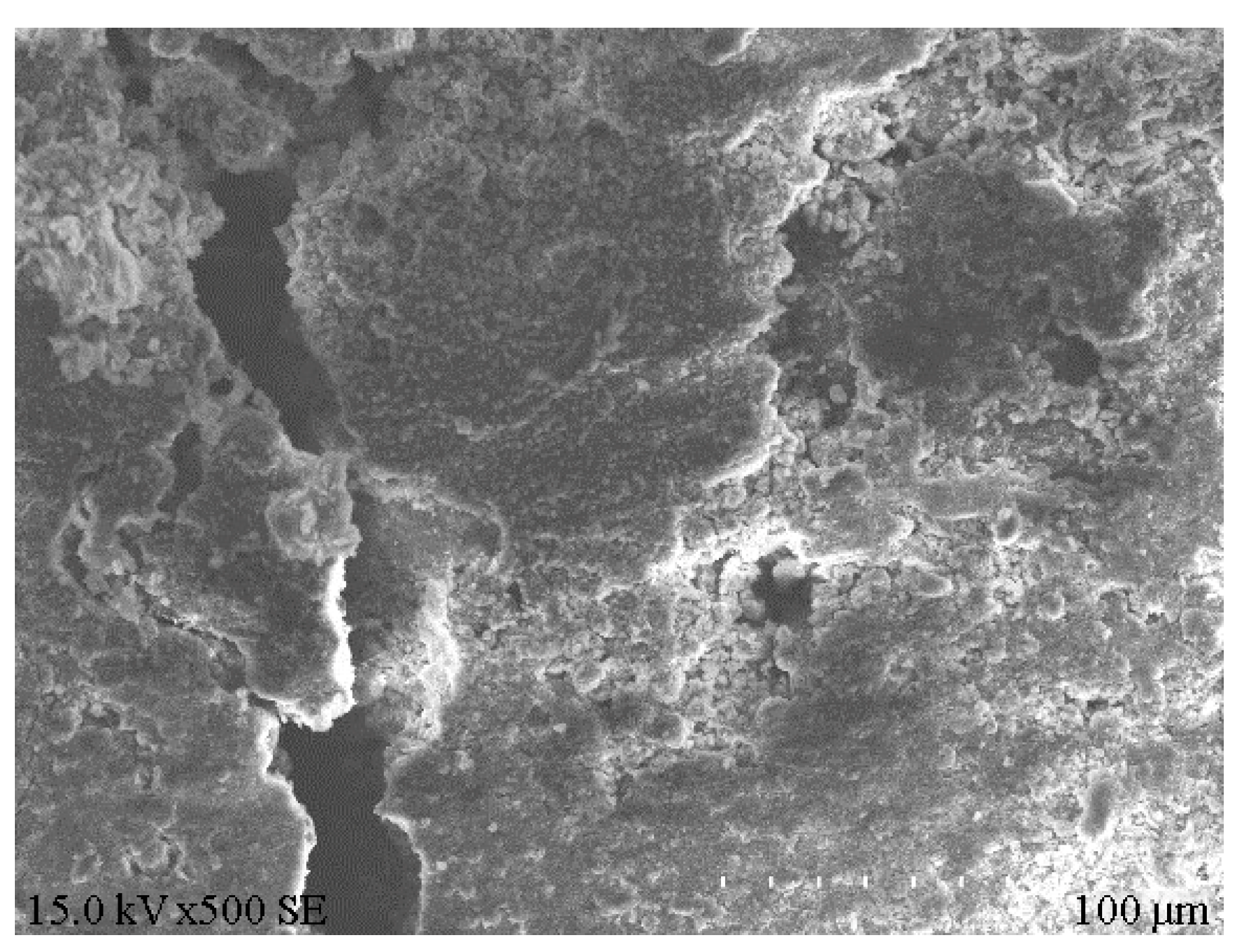
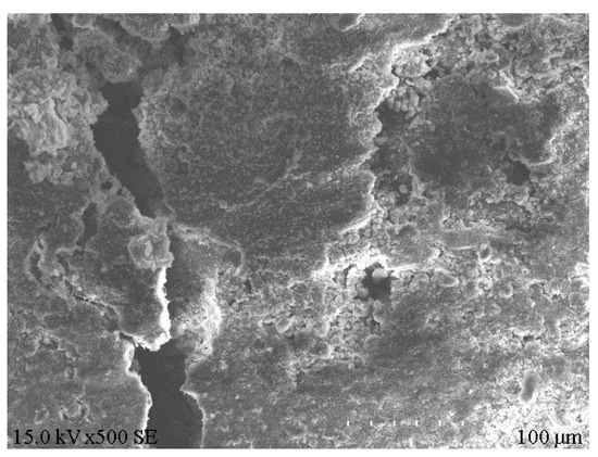
3.3. Sample Texture and Structure
4. Conclusions
- (1)
- Preferred mix ratios for making non-fired bricks from secondary aluminum ash were 68.3% aluminum ash, 11.4% cement, 6.4% slaked lime, 4.2% gypsum and 9.7% engineering sand. The compressive strength, frost resistance and water absorption index of the resulting non-fired bricks all conform to the MU20 grade requirements in JC/T 422-2007 “Non-fired Rubbish Gangue Bricks”. The findings of this study provide a theoretical basis for the application of aluminum ash for making non-fired bricks, which can effectively reduce the inventory of aluminum ash and reduce environmental pollution.
- (2)
- Major hydration products of non-fired aluminum ash bricks are AFt, CSH and CAH, which are cemented together to form a dense interwoven and interfilled structure, thereby enhancing the brick strength.
Author Contributions
Funding
Institutional Review Board Statement
Informed Consent Statement
Data Availability Statement
Conflicts of Interest
References
- Zhang, N.Y.; Ning, P.; Xie, T.J.; Duan, G. research progress on recycling and comprehensive utilization of aluminum dross. Bull. Chin. Ceram. Soc. 2017, 6, 23. [Google Scholar]
- Yang, Q.; Li, Q.; Zhang, G.F.; Shi, Q. Research and prospect of comprehensive utilization of aluminum dross. Light Met. 2019, 6, 1–5. [Google Scholar]
- Guo, R.; Liu, X.Z.; Li, Q.D.; Yi, X.M. Present situation of high value recycling technology of aluminum ash. Inorg. Chem. Ind. 2017, 49, 12–15, 25. [Google Scholar]
- Yang, H.; Shen, S.F.; Liu, H.Y.; Zheng, X.J.; Li, W.G.; Zhao, Q.C.; Wang, J.L.; Luo, Y.F. Study on mineralogical characteristics of secondary aluminum ash. Nonferrous Met. Eng. 2019, 9, 117–124. [Google Scholar]
- Hong, J.P.; Wang, J.; Chen, H.Y.; Sun, B.D.; Li, J.J.; Chen, C. Process of aluminum dross recycling and life cycle assessment for Al-Si alloys and brown fused alumina. Trans. Nonferrous Met. Soc. China 2010, 20, 2155–2161. [Google Scholar] [CrossRef]
- Xu, Z.F.; Song, W.G.; Xu, G.C. Successful practice of producing composite cement with aluminum slag. China Cem. 2004, 12, 76–77. [Google Scholar]
- Li, A.; Zhang, H.; Yang, H. Evaluation of aluminum dross as raw material for high-alumina refractory. Ceram. Int. 2014, 40, 12585–12590. [Google Scholar] [CrossRef]
- Adeosun, S.O.; Akpan, E.I.; Dada, M.O. Refractory characteristics of aluminum dross-kaolin composite. JOM J. Miner. Met. Mater. Soc. 2014, 66, 2253–2261. [Google Scholar] [CrossRef]
- Murayama, N.; Maekawa, I.; Ushiro, H.; Miyoshi, T.; Shibata, J.; Valix, M. Synthesis of various layered double hydroxides using aluminum dross generated in aluminum recycling process. Int. J. Mineral. Process. 2012, 110, 46–52. [Google Scholar] [CrossRef]
- Zhang, Y.; Ni, H.J.; Lv, S.S.; Wang, X.X.; Li, S.Y.; Zhang, J.Q. Preparation of sintered brick with aluminum dross and optimization of process parameters. Coatings 2021, 11, 1039. [Google Scholar] [CrossRef]
- Ni, H.J.; Zhang, J.Q.; Lv, S.S.; Gu, T.; Wang, X.X. Performance optimization of original aluminum ash coating. Coatings 2020, 10, 831. [Google Scholar] [CrossRef]
- Ni, H.J.; Zhang, J.Q.; Lv, S.S.; Wang, X.X.; Zhu, Y.; Gu, T. Preparation and performance optimization of original aluminum ash coating based on plasma spraying. Coatings 2019, 9, 770. [Google Scholar] [CrossRef] [Green Version]
- GB/T 17671-1999; Test Method for Cement Mortar Strength. General Administration of Quality Supervision, Inspection and Quarantine of the People’s Republic of China: Beijing, China, 1999.
- JC/T 422-2007; Non-Fired Rubbish Gangue Bricks. General Administration of Quality Supervision, Inspection and Quarantine of the People’s Republic of China: Beijing, China, 2007.
- GB 5085.3-2007; Hazardous Waste Identification Standard Leaching Toxicity Identification. General Administration of Quality Supervision, Inspection and Quarantine of the People’s Republic of China: Beijing, China, 2007.
- Wang, Y.; Ni, W.; Zhang, S.Q.; Wang, Y.J.; Li, J. Research status of hydration mechanism of alumino-based cementitious system. Metal. Mines 2019, 4, 194–198. [Google Scholar]
- Kashef-Haghighi, S.; Shao, Y.X.; Ghoshal, S. Mathematical modeling of CO2 uptake by concrete during accelerated carbonation curing. Cem. Concr. Res. 2015, 67, 1–10. [Google Scholar] [CrossRef]
- Tang, M.Y.; Wang, Y.C.; Wang, Z.S. Production of building materials bricks with barium containing waste residue. Inorg. Chem. Ind. 1994, 2, 34–38. [Google Scholar]
- Hu, P.H.; Zhang, G.Z. Research on lightweight energy-saving unburned brick with large mixed fly ash. Bull. Chin. Ceram. Soc. 2012, 31, 984–987. [Google Scholar]
- Xing, J.; Hu, J.W.; Li, C.; Qiu, J.P.; Sun, X.G. The effect of gypsum on the cementitious performance of blast furnace slag stimulated by calcium oxide. China Min. Mag. 2019, 28, 166–171. [Google Scholar]
- Wang, D.Z.; He, Y.X. Study on effect of gypsum whisker on properties and structure of cement composite material. Inorg. Chem. Ind. 2015, 47, 65–68, 72. [Google Scholar]
- Feng, N.Q. New Practical Collection of Cement Concrete; Science Press: Beijing, China, 2005; pp. 78–125. [Google Scholar]
- Wu, H.; Lu, X.Y.; Luo, Z.J.; Yang, Y. Preparation and mechanism analysis of activated coal gangue unburned bricks. Non-Met. Mines 2018, 41, 30–33. [Google Scholar]










| Al2O3 | AlN | Al | SiO2 | NaCl |
|---|---|---|---|---|
| 44 ± 2 | 13 ± 2 | 5 ± 2 | 4 ± 2 | 2 ± 1 |
| No. | Cement | Slaked Lime | Gypsum | Engineering Sand | Aluminum Ash |
|---|---|---|---|---|---|
| A1 | 0 | 10 | 5 | 15 | 70 |
| A2 | 5 | 10 | 5 | 15 | 65 |
| A3 | 10 | 10 | 5 | 15 | 60 |
| A4 | 15 | 10 | 5 | 15 | 55 |
| A5 | 20 | 10 | 5 | 15 | 50 |
| No. | Cement | Slaked Lime | Gypsum | Engineering Sand | Aluminum Ash |
|---|---|---|---|---|---|
| B1 | 10 | 0 | 5 | 15 | 70 |
| B2 | 10 | 2 | 5 | 15 | 68 |
| B3 | 10 | 4 | 5 | 15 | 66 |
| B4 | 10 | 6 | 5 | 15 | 64 |
| B5 | 10 | 8 | 5 | 15 | 62 |
| B6 | 10 | 10 | 5 | 15 | 60 |
| No. | Cement | Slaked Lime | Gypsum | Engineering Sand | Aluminum Ash |
|---|---|---|---|---|---|
| C1 | 10 | 6 | 0 | 15 | 69 |
| C2 | 10 | 6 | 2 | 15 | 67 |
| C3 | 10 | 6 | 4 | 15 | 65 |
| C4 | 10 | 6 | 6 | 15 | 63 |
| C5 | 10 | 6 | 8 | 15 | 61 |
| C6 | 10 | 6 | 10 | 15 | 59 |
| No. | Cement | Slaked Lime | Gypsum | Engineering Sand | Aluminum Ash |
|---|---|---|---|---|---|
| D1 | 10 | 6 | 4 | 0 | 80 |
| D2 | 10 | 6 | 4 | 5 | 75 |
| D3 | 10 | 6 | 4 | 10 | 70 |
| D4 | 10 | 6 | 4 | 15 | 65 |
| D5 | 10 | 6 | 4 | 20 | 60 |
| No. | Test Item | Standard | Measured Value | Result |
|---|---|---|---|---|
| 1 | Compressive strength MU20/MPa | Average compressive strength ≥ 20.0 | 22.19 | Qualified |
| 2 | Frost resistance MU20/MPa | Average compressive strength after frost ≥ 16 | 18.95 | Qualified |
| 3 | Water absorption rate/% | ≤18 | 7.76 | Qualified |
| 4 | Flexural strength/MPa | GB/T 17671-1999 Test Method for Cement Mortar Strength (ISO Method) | 4.23 | Qualified |
| 5 | Leaching toxicity/mgL−1 | GB 5085.3-2007 Inorganic fluoride ≤ 100 | 11 | Qualified |
Publisher’s Note: MDPI stays neutral with regard to jurisdictional claims in published maps and institutional affiliations. |
© 2021 by the authors. Licensee MDPI, Basel, Switzerland. This article is an open access article distributed under the terms and conditions of the Creative Commons Attribution (CC BY) license (https://creativecommons.org/licenses/by/4.0/).
Share and Cite
Ni, H.; Wu, W.; Lv, S.; Wang, X.; Tang, W. Formulation of Non-Fired Bricks Made from Secondary Aluminum Ash. Coatings 2022, 12, 2. https://doi.org/10.3390/coatings12010002
Ni H, Wu W, Lv S, Wang X, Tang W. Formulation of Non-Fired Bricks Made from Secondary Aluminum Ash. Coatings. 2022; 12(1):2. https://doi.org/10.3390/coatings12010002
Chicago/Turabian StyleNi, Hongjun, Weiyang Wu, Shuaishuai Lv, Xingxing Wang, and Weijia Tang. 2022. "Formulation of Non-Fired Bricks Made from Secondary Aluminum Ash" Coatings 12, no. 1: 2. https://doi.org/10.3390/coatings12010002
APA StyleNi, H., Wu, W., Lv, S., Wang, X., & Tang, W. (2022). Formulation of Non-Fired Bricks Made from Secondary Aluminum Ash. Coatings, 12(1), 2. https://doi.org/10.3390/coatings12010002
