A New Strategy to Fabricate Nanoporous Gold and Its Application in Photodetector
Abstract
:1. Introduction
2. Experimental Section
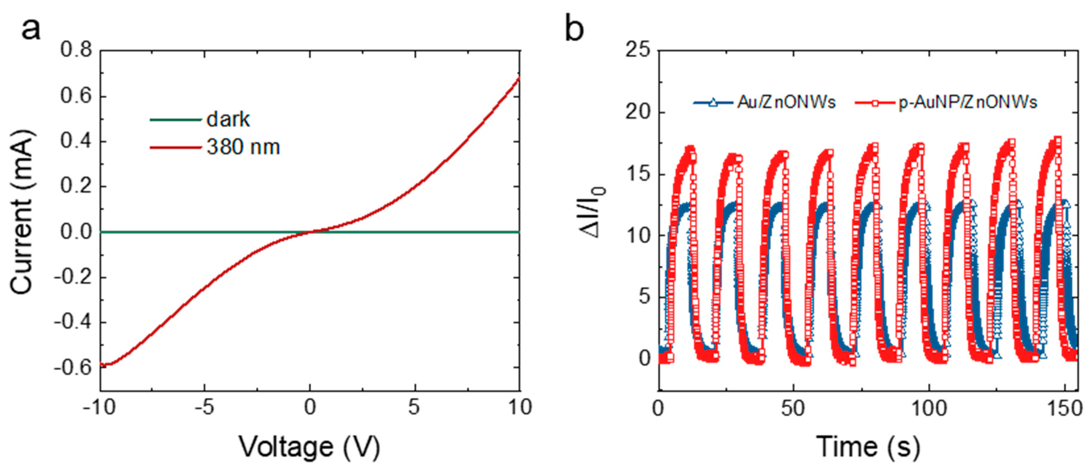
3. Results and Discussion
4. Conclusions
Supplementary Materials
Author Contributions
Funding
Data Availability Statement
Acknowledgments
Conflicts of Interest
References
- Huo, D.; Ding, H.; Zhou, S.; Li, J.; Tao, J.; Ma, Y.; Xia, Y. Facile synthesis of gold trisoctahedral nanocrystals with controllable sizes and dihedral angles. Nanoscale 2018, 10, 11034. [Google Scholar] [CrossRef]
- Kim, J.; Ou, Z.; Jones, M.R.; Song, X.; Chen, Q. Imaging the polymerization of multivalent nanoparticles in solution. Nat. Commun. 2014, 8, 761. [Google Scholar] [CrossRef] [Green Version]
- Yu, Y.; Zheng, G.; Dai, K.; Zhai, W.; Zhou, K.; Jia, Y.; Zheng, G.; Zhang, Z.; Liu, C.; Shen, C. Hollow-Porous Fibers for Intrinsically Thermally Insulating Textiles and Wearable Electronics with Ultrahigh Working Sensitivity. Mater. Horiz. 2021, 8, 1037–1046. [Google Scholar] [CrossRef]
- Huang, L.; Wang, Z.; Chen, J.; Wang, B.; Chen, Y.; Huang, W.; Chi, L.; Marks, T.J.; Facchetti, A. Porous Semiconducting Polymers Enable High-Performance Electrochemical Transistors. Adv. Mater. 2021, 33, e2007041. [Google Scholar] [CrossRef]
- Cao, D.; Wang, B.; Lu, D.; Zhou, X.; Ma, X. Preparation and novel photoluminescence properties of the self-supporting nanoporous InP thin films. Sci. Rep. 2020, 10, 20564. [Google Scholar] [CrossRef]
- Schrier, J.; McClain, J. Thermally-driven isotope separation across nanoporous graphene. Chem. Phys. Lett. 2012, 521, 118–124. [Google Scholar] [CrossRef]
- Albrecht, A.; Rivadeneyra, A.; Abdellah, A.; Lugli, P.; Salmerón, J.F. Inkjet printing and photonic sintering of silver and copper oxide nanoparticles for ultra-low-cost conductive patterns. J. Mater. Chem. C 2016, 4, 3546. [Google Scholar] [CrossRef]
- Wang, J.L.; Hassan, M.; Liu, J.W.; Yu, S.H. Nanowire Assemblies for Flexible Electronic Devices: Recent Advances and Perspectives. Adv. Mater. 2018, 30, 1803430. [Google Scholar] [CrossRef]
- Sang, Q.; Yin, S.; Liu, F.; Yin, H.; He, J.; Ding, Y. Highly coordinated Pd overlayers on nanoporous gold for efficient formic acid electro-oxidation. Nano Res. 2021, 14, 3502–3508. [Google Scholar] [CrossRef]
- Shao, L.; Li, Y.; Ma, Z.; Bai, Y.; Wang, J.; Zeng, P.; Gong, P.; Shi, F.; Ji, Z.; Qiao, Y.; et al. Highly Sensitive Strain Sensor Based on a Stretchable and Conductive Poly(vinyl alcohol)/Phytic Acid/NH2-POSS Hydrogel with a 3D Microporous Structure. ACS Appl. Mater. Interfaces 2020, 12, 26496–26508. [Google Scholar] [CrossRef] [PubMed]
- Li, N.; Zhao, P.; Astruc, D. Anisotropic Gold Nanoparticles: Synthesis, Properties, Applications, and Toxicity. Angew. Chem. Int. Ed. 2014, 53, 1756–1789. [Google Scholar] [CrossRef] [PubMed]
- Shan, J.; Tenhu, H. Recent advances in polymer protected gold nanoparticles: Synthesis, properties and applications. Chem. Commun. 2007, 44, 4580–4598. [Google Scholar] [CrossRef] [PubMed]
- Downs, A.M.; Gerson, J.; Hossain, M.N.; Ploense, K.; Pham, M.; Kraatz, H.-B.; Kippin, T.; Plaxco, K.W. Nanoporous Gold for the Miniaturization of In Vivo Electrochemical Aptamer-Based Sensors. ACS Sens. 2021, 6, 2299–2306. [Google Scholar] [CrossRef] [PubMed]
- Wang, M.; Meng, A.C.; Fu, J.; Foucher, A.C.; Serra-Maia, R.; Stach, E.A.; Detsi, E.; Pikul, J.H. Surface Facet Engineering in Nanoporous Gold for Low-Loading Catalysts in Aluminum–Air Batteries. ACS Appl. Mater. Interfaces 2021, 13, 13097–13105. [Google Scholar] [CrossRef] [PubMed]
- Huang, J.; Tang, C.; Chen, G.; He, Z.; Wang, T.; He, X.; Yi, T.; Liu, Y.; Zhang, L.; Du, K. Toward the Limitation of Dealloying: Full Spectrum Responsive Ultralow Density Nanoporous Gold for Plasmonic Photocatalytic SERS. ACS Appl. Mater. Interfaces 2021, 13, 7735–7744. [Google Scholar] [CrossRef] [PubMed]
- Wang, K.; Ding, Y. Carbon-free nanoporous gold based membrane electrocatalysts for fuel cells. Prog. Nat. Sci. Mater. Int. 2020, 30, 775–786. [Google Scholar] [CrossRef]
- Christiansen, M.U.-B.; Seselj, N.; Engelbrekt, C.; Wagner, M.; Stappen, F.N.; Zhang, J. Chemically controlled interfacial nanoparticle assembly into nanoporous gold films for electrochemical applications. J. Mater. Chem. A 2018, 6, 556–564. [Google Scholar] [CrossRef] [Green Version]
- Dipalo, M.; Melle, G.; Lovato, L.; Jacassi, A.; Santoro, F.; Caprettini, V.; Schirato, A.; Alabastri, A.; Garoli, D.; Bruno, G.; et al. Plasmonic meta-electrodes allow intracellular recordings at network level on high-density CMOS-multi-electrode arrays. Nat. Nanotechnol. 2018, 13, 965–971. [Google Scholar] [CrossRef]
- Xiao, X.; Ou, W.; Du, P.; Lyu, F.; Diao, Y.; Lu, J.; Li, Y.Y. Ultrafine Nanoporous Gold via Thiol Compound-Mediated Chemical Dealloying. J. Phys. Chem. C 2020, 124, 10026–10031. [Google Scholar] [CrossRef]
- Li, C.; Iqbal, M.; Lin, J.; Luo, X.; Jiang, B.; Malgras, V.; Wu, K.C.-W.; Kim, J.; Yamauchi, Y. Electrochemical Deposition: An Advanced Approach for Templated Synthesis of Nanoporous Metal Architectures. Acc. Chem. Res. 2018, 51, 1764–1773. [Google Scholar] [CrossRef]
- Wang, R.; Liu, J.; Liu, P.; Bi, X.; Yan, X.; Wang, W.; Ge, X.; Chen, M.; Ding, Y. Dispersing Pt atoms onto nanoporous gold for high performance direct formic acid fuel cells. Chem. Sci. 2014, 5, 403–409. [Google Scholar] [CrossRef]
- Qin, S.; Li, K.; Zhu, J.; Xu, H.; Ali, N.; Rahimi-Iman, A.; Wu, H. A new strategy to improve the performance of MoS2-based 2D photodetector by synergism of colloidal CuInS2 quantum dots and surface plasma resonance of noble metal nanoparticles. J. Alloys Compd. 2021, 856, 158179. [Google Scholar] [CrossRef]
- Khan, M.F.; Rehman, S.; Akhtar, I.; Aftab, S.; Ajmal, H.M.S.; Khan, W.; Kim, D.K.; Eom, J. High mobility ReSe2 field effect transistors: Schottky-barrier-heightdependent photoresponsivity and broadband light detection with Co decoration. 2D Mater. 2020, 7, 015010. [Google Scholar] [CrossRef]
- Chhour, P.; Kim, J.; Benardo, B.; Tovar, A.; Mian, S.; Litt, H.I.; Ferrari, V.A.; Cormode, D.P. Effect of Gold Nanoparticle Size and Coating on Labeling Monocytes for CT Tracking. Bioconjug. Chem. 2017, 28, 260–269. [Google Scholar] [CrossRef] [Green Version]
- Panigrahi, S.; Basu, S.; Praharaj, S.; Pande, S.; Jana, S.; Pal, A.; Ghosh, S.K.; Pal, T. Synthesis and Size-Selective Catalysis by Supported Gold Nanoparticles: Study on Heterogeneous and Homogeneous Catalytic Process. J. Phys. Chem. C 2007, 111, 4596–4605. [Google Scholar] [CrossRef]
- Wang, X.; Cao, Y. Characterizations of absorption, scattering, and transmission of typical nanoparticles and their suspensions. J. Ind. Eng. Chem. 2020, 82, 324–332. [Google Scholar] [CrossRef]
- Liu, X.; Chen, H.-J.; Yang, B.; Chen, X.; Parini, C.; Wen, D. Dielectric Property Measurement of Gold Nanoparticle Dispersions in the Millimeter Wave Range. J. Infrared Millim. Terahertz Waves 2013, 34, 140–151. [Google Scholar] [CrossRef]
- Chen, H.; Kou, X.; Yang, Z.; Ni, W.; Wang, J. Shape- and Size-Dependent Refractive Index Sensitivity of Gold Nanoparticles. Langmuir 2008, 24, 5233–5237. [Google Scholar] [CrossRef]
- Yang, B.-R.; Cao, W.; Liu, G.-S.; Chen, H.-J.; Noh, Y.-Y.; Minari, T.; Hsiao, H.-C.; Lee, C.-Y.; Shieh, H.-P.D.; Liu, C. Microchannel Wetting for Controllable Patterning and Alignment of Silver Nanowire with High Resolution. ACS Appl. Mater. Interfaces 2015, 7, 21433–21441. [Google Scholar] [CrossRef]
- Pan, H.; Ko, S.H.; Grigoropoulos, C.P. The neck growth mechanisms in low energy laser sintering of gold nanoparticles: A molecular dynamics simulation study. Proc. SPIE 2007, 6458, 64581J. [Google Scholar] [CrossRef]
- Liu, Y.; Zhang, X.; Su, J.; Li, H.; Zhang, Q.; Gao, Y. Ag nanoparticles@ZnO nanowire composite arrays: An absorption enhanced UV photodetector. Opt. Express 2014, 22, 30148–30155. [Google Scholar] [CrossRef] [PubMed]
- Wang, L.; Chen, P.; Wang, Y.-C.; Liu, G.-S.; Liu, C.; Xie, X.; Li, J.-Z.; Yang, B.-R. Tape-Based Photodetector: Transfer Process and Persistent Photoconductivity. ACS Appl. Mater. Interfaces 2018, 10, 16596–16604. [Google Scholar] [CrossRef] [PubMed]
- Wang, Y.; Zhu, L.; Feng, Y.; Wang, Z.; Wang, Z.L. Comprehensive Pyro-Phototronic Effect Enhanced Ultraviolet Detector with ZnO/Ag Schottky Junction. Adv. Funct. Mater. 2019, 29, 1807111. [Google Scholar] [CrossRef]
- Amendola, V.; Pilot, R.; Frasconi, M.; Marago, O.M.; Iatì, M.A. Surface plasmon resonance in gold nanoparticles: A review. J. Phys. Condens. Matter. 2017, 29, 203002. [Google Scholar] [CrossRef] [PubMed]
- Tan, S.; Argondizzo, A.; Ren, J.; Liu, L.; Zhao, J.; Petek, H. Plasmonic coupling at a metal/semiconductor interface. Nat. Photonics 2017, 11, 806–812. [Google Scholar] [CrossRef]
- Dan, Y.; Zhao, X.; Chen, K.; Mesli, A. A Photoconductor Intrinsically Has No Gain. ACS Photonics 2018, 5, 4111–4116. [Google Scholar] [CrossRef]
- Brongersma, M.L.; Halas, N.J.; Nordlander, P. Plasmon-induced hot carrier science and technology. Nat. Nanotechnol. 2015, 10, 25–34. [Google Scholar] [CrossRef]
- Li, J.; Wang, J.; Dai, Z.; Li, H. Disordered photonics coupled with embedded nano-Au plasmonics. Talanta 2018, 176, 428–436. [Google Scholar] [CrossRef]
- Qian, K.; Sweeny, B.C.; Johnston-Peck, A.C.; Niu, W.; Graham, J.O.; DuChene, J.S.; Qiu, J.; Wang, Y.-C.; Engelhard, M.H.; Su, D.; et al. Surface Plasmon-Driven Water Reduction: Gold Nanoparticle Size Matters. J. Am. Chem. Soc. 2014, 136, 9842–9845. [Google Scholar] [CrossRef]
- Wu, H.; Yuan, Z.; Wang, B.; Nie, F.; He, J.; Wang, X.; Liu, L. Synthesis of single-crystalline ZnO nanoflowers for a superhigh-sensitivity ultraviolet photodetector application. Opt. Mater. 2021, 122, 111683. [Google Scholar] [CrossRef]
- Muhammad, A.; Hassan, Z.; Mohammad, S.M.; Rajamanickam, S. Enhanced sensitivity of low-cost fabricated fluorine doped ZnO metal semiconductor metal photodetector. Opt. Mater. 2021, 122, 111771. [Google Scholar]






Publisher’s Note: MDPI stays neutral with regard to jurisdictional claims in published maps and institutional affiliations. |
© 2022 by the authors. Licensee MDPI, Basel, Switzerland. This article is an open access article distributed under the terms and conditions of the Creative Commons Attribution (CC BY) license (https://creativecommons.org/licenses/by/4.0/).
Share and Cite
Yu, S.; Liu, C.; Han, S. A New Strategy to Fabricate Nanoporous Gold and Its Application in Photodetector. Nanomaterials 2022, 12, 1580. https://doi.org/10.3390/nano12091580
Yu S, Liu C, Han S. A New Strategy to Fabricate Nanoporous Gold and Its Application in Photodetector. Nanomaterials. 2022; 12(9):1580. https://doi.org/10.3390/nano12091580
Chicago/Turabian StyleYu, Shunlin, Chuan Liu, and Songjia Han. 2022. "A New Strategy to Fabricate Nanoporous Gold and Its Application in Photodetector" Nanomaterials 12, no. 9: 1580. https://doi.org/10.3390/nano12091580
APA StyleYu, S., Liu, C., & Han, S. (2022). A New Strategy to Fabricate Nanoporous Gold and Its Application in Photodetector. Nanomaterials, 12(9), 1580. https://doi.org/10.3390/nano12091580
