Determination of the Concentration of Ultrafine Aerosol Using an Ionization Sensor
Abstract
:1. Introduction
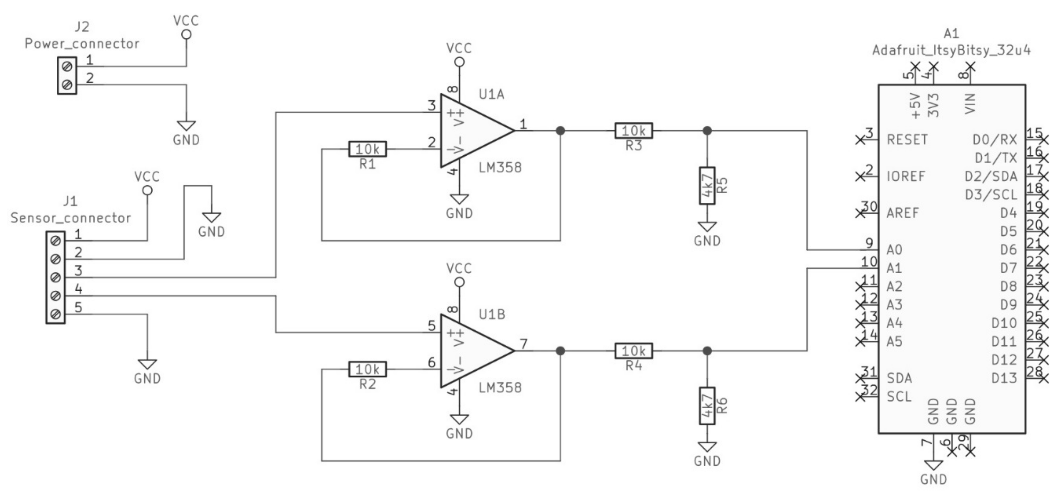
2. Materials and Methods
3. Results
3.1. Output Signal Stability
3.2. Response to the Aerosol Concentration Change
3.3. Response to the Air Velocity Change
3.4. Response to the Relative Air Humidity Change
3.5. Response to the Air Temperature Change
3.6. Response to the Air Pressure Change
3.7. Ability to Detect Rapid Aerosol Concentration Changes
4. Discussion
5. Conclusions
Author Contributions
Funding
Data Availability Statement
Conflicts of Interest
References
- Dreaden, C.; Alkiilany, A.M.; Huang, X.; Murphy, C.J.; El-Sayed, M.A. The golden age: Gold nanoparticles for biomedicine. Chem. Soc. Rev. 2012, 41, 2740–2779. [Google Scholar] [CrossRef] [Green Version]
- Gupta, S.M. Applications of some common oxide nanoparticles. Int. J. Nanotechnol. Appl. 2015, 3, 13–20. [Google Scholar]
- Kijeńska, E.; Zhang, S.; Prabhakaran, M.P.; Ramakrishna, S.; Swieszkowski, W. Nanoengineered biocomposite tricomponent polymer based matrices for bone tissue engineering. Int. J. Polym. Mater. Polym. Biomater. 2016, 65, 807–815. [Google Scholar] [CrossRef]
- Nima, P.G.V. A study on the assessment of optical properties of silver nano particles. Int. J. Nanotechnol. Appl. 2016, 6, 5–16. [Google Scholar]
- Gajanan, K.; Tijare, S.N. Applications of nanomaterials. Mater. Today Proc. 2018, 5, 1093–1096. [Google Scholar] [CrossRef]
- Khan, I.; Saeed, K.; Khan, I. Nanoparticles: Properties, applications and toxicities. Arab. J. Chem. 2019, 12, 908–931. [Google Scholar] [CrossRef]
- Dolez, P.I. Chapter 1.1—Nanomaterials definitions, classifications, and applications. In Nanoengineering; Dolez, P.I., Ed.; Elsevier: Amsterdam, The Netherland, 2015; pp. 3–40. [Google Scholar]
- Jeevanandam, J.; Barhoum, A.; Chan, Y.S.; Dufresne, A.; Danquah, M.K. Review on nanoparticles and nanostructured materials: History, sources, toxicity and regulations. Beilstein J. Nanotechnol. 2018, 9, 1050–1074. [Google Scholar] [CrossRef] [PubMed] [Green Version]
- SCENIHR. Risk Assessment of Products of Nanotechnologies; European Commission, Scientific Committee on Emerging and Newly Identified Health Risks: Brussels, Belgium, 2009. [Google Scholar]
- Cheng, L.-C.; Jiang, X.; Wang, J.; Chen, C.; Liu, R.-S. Nano-bio effects: Interaction of nanomaterials with cells. Nanoscale 2013, 5, 3547–3569. [Google Scholar] [CrossRef]
- Mukherjee, D.; Porter, A.; Ryan, M.; Schwander, S.; Chung, K.; Tetley, T.; Zhang, J.; Georgopoulos, P. Modeling in vivo interactions of engineered nanoparticles in the pulmonary alveolar lining fluid. Nanomaterials 2015, 5, 1223. [Google Scholar] [CrossRef] [Green Version]
- Cosnier, F.; Bau, S.; Grossmann, S.; Nunge, H.; Brochard, C.; Viton, S.; Payet, R.; Witschger, O.; Gaté, L. Design and characterization of an inhalation system to expose rodents to nanoaerosols. Aerosol Air Qual. Res. 2016, 16, 2989–3000. [Google Scholar] [CrossRef] [Green Version]
- Geiser, M.; Jeannet, N.; Fierz, M.; Burtscher, H. Evaluating adverse effects of inhaled nanoparticles by realistic in vitro technology. Nanomaterials 2017, 7, 49. [Google Scholar] [CrossRef] [Green Version]
- Shrivastava, M.; Srivastav, A.; Gandhi, S.; Rao, S.; Roychoudhury, A.; Kumar, A.; Singhal, R.K.; Jha, S.K.; Singh, S.D. Monitoring of engineered nanoparticles in soil-plant system: A review. Environ. Nanotechnol. Monit. Manag. 2019, 11, 100218. [Google Scholar] [CrossRef]
- Oberdorster, G.; Maynard, A.; Donaldson, K.; Castranova, V.; Fitzpatrick, J.; Ausman, K.; Carter, J.; Karn, B.; Kreyling, W.; Lai, D.; et al. Principles for characterizing the potential human health effects from exposure to nanomaterials: Elements of a screening strategy. Part. Fibre. Toxicol. 2005, 2, 8. [Google Scholar] [CrossRef]
- Shin, S.; Song, I.; Um, S. Role of physicochemical properties in nanoparticle toxicity. Nanomaterials 2015, 5, 1351. [Google Scholar] [CrossRef] [PubMed] [Green Version]
- Singh, S.; Nalwa, H.S. Nanotechnology and health safety--toxicity and risk assessments of nanostructured materials on human health. J. Nanosci. Nanotechnol. 2007, 7, 3048–3070. [Google Scholar] [CrossRef] [PubMed]
- ISO. Nanotechnologies—Occupational Risk Management Applied to Engineered Nanomaterials—Part 1: Principles and Approaches; International Organization for Standardization: Geneva, Switzerland, 2012. [Google Scholar]
- ISO. Nanotechnologies—Occupational Risk Management Applied to Engineered Nanomaterials—Part 2: Use of the Control Banding Approach; International Organization for Standardization: Geneva, Switzerland, 2014. [Google Scholar]
- OECD. Harmonized Tiered Approach to Measure and Assess the Potential Exposure to Airborne Emissions of Engineered Nano-Objects and Their Agglomerates and Aggregates at Workplaces; Organisation for Economic Co-operation and Development: Paris, France, 2015. [Google Scholar]
- OECD. Strategies, Techniques and Sampling Protocols for Determining the Concentrations of Manufactured Nanomaterials in Air at the Workplace, Series on the Safety of Manufactured Nanomaterials; Organisation for Economic Co-operation and Development: Paris, France, 2017. [Google Scholar]
- WHO. Who Guidelines on Protecting Workers from Potential Risks of Manufactured Nanomaterials; World Health Organization: Geneva, Switzerland, 2017. [Google Scholar]
- van Broekhuizen, P.; Dorbeck-Jung, B. Exposure limit values for nanomaterials—Capacity and willingness of users to apply a precautionary approach. J. Occup. Environ. Hyg. 2013, 10, 46–53. [Google Scholar] [CrossRef] [PubMed] [Green Version]
- van Broekhuizen, P.; van Veelen, W.; Streekstra, W.H.; Schulte, P.; Reijnders, L. Exposure limits for nanoparticles: Report of an international workshop on nano reference values. Ann. Occup. Hyg. 2012, 56, 515–524. [Google Scholar] [CrossRef] [Green Version]
- Buist, E.H.; Oosterwijk, M.T.T. Applicability of Provisional Nrvs to Synthetic Nanomaterials. A study within the Frame of the Project Update of the Nrvs; TNO: Zeist, The Netherlands, 2017. [Google Scholar]
- Kumsanlas, N.; Piriyakarnsakul, S.; Sok, P.; Hongtieab, S.; Ikemori, F.; Szymanski, W.W.; Hata, M.; Otani, Y.; Furuuchi, M. A cascade air sampler with multi-nozzle inertial filters for pm0.1. Aerosol Air Qual. Res. 2019, 19, 1666–1677. [Google Scholar] [CrossRef]
- Hsiao, T.-C.; Lee, Y.-C.; Chen, K.-C.; Ye, W.-C.; Sopajaree, K.; Tsai, Y.I. Experimental comparison of two portable and real-time size distribution analyzers for nano/submicron aerosol measurements. Aerosol Air Qual. Res. 2016, 16, 919–929. [Google Scholar] [CrossRef] [Green Version]
- Levin, M.; Witschger, O.; Bau, S.B.; Jankowska, E.; Koponen, I.K.; Koivisto, A.J.; Clausen, P.A.; Jensen, A.; Mølhave, K.; Asbach, C.; et al. Can we trust real time measurements of lung deposited surface area concentrations in dust from powder nanomaterials? Aerosol Air Qual. Res. 2016, 16, 1105–1117. [Google Scholar] [CrossRef] [Green Version]
- Fleischer, T.; Jahnel, J.; Seitz, S.B. Technology assessment beyond toxicology—The case of nanomaterials. In Responsibility in Nanotechnology Development; Arnaldi, S., Ferrari, A., Magaudda, P., Marin, F., Eds.; Springer: Dordrecht, The Netherlands, 2014; pp. 79–96. [Google Scholar]
- Kuhlbusch, T.A.J.; Wijnhoven, S.W.P.; Haase, A. Nanomaterial exposures for worker, consumer and the general public. NanoImpact 2018, 10, 11–25. [Google Scholar] [CrossRef]
- Iavicoli, I.; Fontana, L.; Pingue, P.; Todea, A.M.; Asbach, C. Assessment of occupational exposure to engineered nanomaterials in research laboratories using personal monitors. Sci. Total. Environ. 2018, 627, 689–702. [Google Scholar] [CrossRef] [PubMed]
- Kuula, J.; Kuuluvainen, H.; Rönkkö, T.; Niemi, J.V.; Saukko, E.; Portin, H.; Aurela, M.; Saarikoski, S.; Rostedt, A.; Hillamo, R.; et al. Applicability of optical and diffusion charging-based particulate matter sensors to urban air quality measurements. Aerosol Air Qual. Res. 2019, 19, 1024–1039. [Google Scholar] [CrossRef]
- Todea, A.M.; Beckmann, S.; Kaminski, H.; Bard, D.; Bau, S.; Clavaguera, S.; Dahmann, D.; Dozol, H.; Dziurowitz, N.; Elihn, K.; et al. Inter-comparison of personal monitors for nanoparticles exposure at workplaces and in the environment. Sci. Total Environ. 2017, 605–606, 929–945. [Google Scholar] [CrossRef]
- Wasisto, H.S.; Merzsch, S.; Waag, A.; Uhde, E.; Salthammer, T.; Peiner, E. Portable cantilever-based airborne nanoparticle detector. Sens. Actuators B Chem. 2013, 187, 118–127. [Google Scholar] [CrossRef]
- Wasisto, H.S.; Merzsch, S.; Uhde, E.; Waag, A.; Peiner, E. Handheld personal airborne nanoparticle detector based on microelectromechanical silicon resonant cantilever. Microelectron. Eng. 2015, 145, 96–103. [Google Scholar] [CrossRef]
- Litton, C.D.; Smith, K.R.; Edwards, R.; Allen, T. Combined optical and ionization measurement techniques for inexpensive characterization of micrometer and submicrometer aerosols. Aerosol Sci. Technol. 2004, 38, 1054–1062. [Google Scholar] [CrossRef] [Green Version]
- Edwards, R.; Smith, K.R.; Kirby, B.; Allen, T.; Litton, C.D.; Hering, S. An inexpensive dual-chamber particle monitor: Laboratory characterization. J. Air Waste Manag. Assoc. 2006, 56, 789–799. [Google Scholar] [CrossRef]
- Dahl, A.; Anders, G.; Mats, B. A Low Cost Nanoparticle Monitor for Screening Measurements in Indoor Environments. In Proceedings of the 11th International Conference on Indoor Air Quality and Climate, Copenhagen, Denmark, 17–22 August 2008. [Google Scholar]
- Yang, H.-H.; Dhital, N.B.; Wang, L.-C.; Hsieh, Y.-S.; Lee, K.-T.; Hsu, Y.-T.; Huang, S.-C. Chemical characterization of fine particulate matter in gasoline and diesel vehicle exhaust. Aerosol Air Qual. Res. 2019, 19, 1439–1449. [Google Scholar] [CrossRef] [Green Version]
- Marple, V.A.; Willeke, K. Impactor design. Atmos. Environ. 1976, 10, 891–896. [Google Scholar] [CrossRef]










| Conditions | Supply Voltage (V) | Floating Electrode (V) | ||||||
|---|---|---|---|---|---|---|---|---|
| Avg. | St. Dev. | Min. | Max. | Avg. | St. Dev. | Min. | Max. | |
| without air flow | 3.400 | 0.007 | 3.382 | 3.407 | 2.248 | 0.010 | 2.224 | 2.268 |
| laminar flow 0.5 m s−1 | 3.397 | 0.008 | 3.382 | 3.407 | 2.243 | 0.006 | 2.219 | 2.258 |
Publisher’s Note: MDPI stays neutral with regard to jurisdictional claims in published maps and institutional affiliations. |
© 2021 by the authors. Licensee MDPI, Basel, Switzerland. This article is an open access article distributed under the terms and conditions of the Creative Commons Attribution (CC BY) license (https://creativecommons.org/licenses/by/4.0/).
Share and Cite
Jakubiak, S.; Oberbek, P. Determination of the Concentration of Ultrafine Aerosol Using an Ionization Sensor. Nanomaterials 2021, 11, 1625. https://doi.org/10.3390/nano11061625
Jakubiak S, Oberbek P. Determination of the Concentration of Ultrafine Aerosol Using an Ionization Sensor. Nanomaterials. 2021; 11(6):1625. https://doi.org/10.3390/nano11061625
Chicago/Turabian StyleJakubiak, Szymon, and Przemysław Oberbek. 2021. "Determination of the Concentration of Ultrafine Aerosol Using an Ionization Sensor" Nanomaterials 11, no. 6: 1625. https://doi.org/10.3390/nano11061625
APA StyleJakubiak, S., & Oberbek, P. (2021). Determination of the Concentration of Ultrafine Aerosol Using an Ionization Sensor. Nanomaterials, 11(6), 1625. https://doi.org/10.3390/nano11061625

