Modeling Riverbank Slope Reinforcement Using Anti-Slide Piles with Geocells
Abstract
1. Introduction
2. Materials and Methods
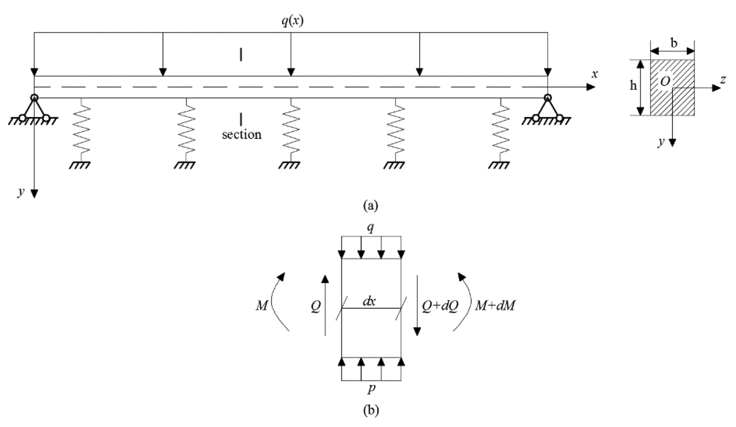
2.1. Theoretical Model Development
2.2. Boundary Conditions
- The connection between the anti-slide piles and the geocell layer is rigid. The settlement of piles and rotation at the top of the piles are relatively small due to the large stiffness of the piles (i.e., at x = 0, y = 0 and θ = 0) [29].
- At the end of the geocell layer without pile support, both bending moment and shear force are zero (i.e., free end).
2.3. Problem Description
- Monitor the vertical and lateral displacements of the riverbank slope
- Monitor the axial force and bending moment of the anti-slide piles
3. Results and Discussion
3.1. Finite Element (FE) Calculation
3.2. Displacement of Riverbank Slope under Different Water Levels
3.3. Model Validation
3.3.1. Vertical Settlement on the Top Surface of the Riverbank Slope
3.3.2. Depth-Dependent Lateral Displacement of the Riverbank Slope
3.4. Mechanical Behavior of the Anti-Slide Piles
4. Conclusions
Author Contributions
Funding
Institutional Review Board Statement
Informed Consent Statement
Data Availability Statement
Acknowledgments
Conflicts of Interest
References
- Hegde, A.; Sitharam, T. Three-dimensional numerical analysis of geocell-reinforced soft clay beds by considering the actual geometry of geocell pockets. Can. Geotech. J. 2015, 52, 1396–1407. [Google Scholar] [CrossRef]
- Mastbergen, D.R.; Beinssen, K.; Nédélec, Y. Watching the Beach Steadily Disappearing: The Evolution of Understanding of Retrogressive Breach Failures. J. Mar. Sci. Eng. 2019, 7, 368. [Google Scholar] [CrossRef]
- Stacul, S.; Squeglia, N.; Morelli, F. Laterally loaded single pile response considering the influence of suction and non-linear behaviour of reinforced concrete sections. Appl. Sci. 2017, 7, 1310. [Google Scholar] [CrossRef]
- Duncan, J.M.; Evans, L.T., Jr.; Ooi, P.S. Lateral load analysis of single piles and drilled shafts. J. Geotech. Eng. 1994, 120, 1018–1033. [Google Scholar] [CrossRef]
- Zhang, Z.; Wei, H.; Qin, X. Experimental study on damping characteristics of soil-structure interaction system based on shaking table test. Soil Dyn. Earthq. Eng. 2017, 98, 183–190. [Google Scholar] [CrossRef]
- Kavitha, P.; Beena, K.; Narayanan, K. A review on soil-structure interaction analysis of laterally loaded piles. Innov. Infrastruct. Solut. 2016, 1, 1–15. [Google Scholar] [CrossRef]
- Chore, H.; Ingle, R.; Sawant, V. Parametric study of laterally loaded pile groups using simplified FE models. Coupled Syst. Mech. 2012, 1, 1–18. [Google Scholar] [CrossRef]
- Mostofi, A.; Bargi, K. Analytical and numerical evaluation of flexible response of floating piers to ship berthing impact. Int. J. Civ. Struct. Eng. 2011, 2, 249. [Google Scholar]
- Küçükarslan, S.; Banerjee, P.; Bildik, N. Inelastic analysis of pile soil structure interaction. Eng. Struct. 2003, 25, 1231–1239. [Google Scholar] [CrossRef]
- Dutta, S.; Mandal, J. Model studies on encased fly ash column–geocell composite systems in soft clay. J. Hazard Toxic Radioact. Waste 2017, 21, 04017001. [Google Scholar] [CrossRef]
- Han, J.; Gabr, M. Numerical analysis of geosynthetic-reinforced and pile-supported earth platforms over soft soil. J. Geotech. Geoenviron. Eng. 2002, 128, 44–53. [Google Scholar] [CrossRef]
- Hegde, A. Geocell reinforced foundation beds-past findings, present trends and future prospects: A state-of-the-art review. Constr. Build. Mater. 2017, 154, 658–674. [Google Scholar] [CrossRef]
- Latha, G.M.; Dash, S.K.; Rajagopal, K. Numerical simulation of the behavior of geocell reinforced sand in foundations. Int. J. Geomech. 2009, 9, 143–152. [Google Scholar] [CrossRef]
- Zheng, J.; Chen, B.; Lu, Y.; Abusharar, S.; Yin, J. The performance of an embankment on soft ground reinforced with geosynthetics and pile walls. Geosynth. Int. 2009, 16, 173–182. [Google Scholar] [CrossRef]
- Pokharel, S.K. Experimental Study on Geocell-Reinforced Bases under Static and Dynamic Loading; University of Kansas: Lawrence, KS, USA, 2010. [Google Scholar]
- Song, F.; Tian, Y. Three-dimensional numerical modelling of geocell reinforced soils and its practical application. Geomech. Eng. 2019, 17, 1–9. [Google Scholar]
- Mehdipour, I.; Ghazavi, M.; Ziaie Moayed, R. Stability analysis of geocell-reinforced slopes using the limit equilibrium horizontal slice method. Int. J. Geomech. 2017, 17, 06017007. [Google Scholar] [CrossRef]
- Hegde, A.; Sitharam, T. 3-Dimensional numerical modelling of geocell reinforced sand beds. Geotext. Geomembr. 2015, 43, 171–181. [Google Scholar] [CrossRef]
- Liu, Y.; Deng, A.; Jaksa, M. Three-dimensional discrete-element modeling of geocell-reinforced ballast considering breakage. Int. J. Geomech. 2020, 20, 04020032. [Google Scholar] [CrossRef]
- Dash, S.K.; Krishnaswamy, N.R.; Rajagopal, K. Bearing capacity of strip footings supported on geocell-reinforced sand. Geotext. Geomembr. 2001, 19, 235–256. [Google Scholar] [CrossRef]
- Biswas, A.; Krishna, A.M. Geocell-reinforced foundation systems: A critical review. Int. J. Geosynth Ground. Eng. 2017, 3, 17. [Google Scholar] [CrossRef]
- Halder, K.; Chakraborty, D. Influence of soil spatial variability on the response of strip footing on geocell-reinforced slope. Comput. Geotech. 2020, 122, 103533. [Google Scholar] [CrossRef]
- Dash, S.K.; Shivadas, A.S. Performance improvement of railway ballast using geocells. Indian Geotech. J. 2012, 42, 186–193. [Google Scholar] [CrossRef]
- Lambert, S.; Gotteland, P.; Nicot, F. Experimental study of the impact response of geocells as components of rockfall protection embankments. Nat. Hazards Earth Syst. Sci. 2009, 9, 459–467. [Google Scholar] [CrossRef]
- Sheikh, I.R.; Shah, M. Experimental study on geocell reinforced base over dredged soil using static plate load test. Int. J. Pavement Res. Technol. 2020, 13, 286–295. [Google Scholar] [CrossRef]
- Siabil, S.G.; Tafreshi, S.M.; Dawson, A. Response of pavement foundations incorporating both geocells and expanded polystyrene (EPS) geofoam. Geotext. Geomembr. 2020, 48, 1–23. [Google Scholar] [CrossRef]
- Emersleben, A.; Meyer, N. Use of Geocell Reinforced Load Transfer Platforms over Vertical Columns. In Geo-Frontiers 2011: Advances in Geotechnical Engineering; ASCE: Reston, VA, USA, 2011; pp. 3255–3265. [Google Scholar]
- Tafreshi, S.M.; Javadi, S.; Dawson, A. Influence of geocell reinforcement on uplift response of belled piles. Acta Geotech. 2014, 9, 513–528. [Google Scholar] [CrossRef]
- Zhao, M.; Zhang, L.; Zou, X.; Zhao, H. Research progress in two-direction reinforced composite foundation formed by geocell reinforced mattress and gravel piles. Chin. J. Highway Transp. 2009, 22, 1–10. [Google Scholar]
- Avesani Neto, J.; Bueno, B.; Futai, M. Evaluation of a calculation method for embankments reinforced with geocells over soft soils using finite-element analysis. Geosynth. Int. 2015, 22, 439–451. [Google Scholar] [CrossRef]
- Kumar, S.; Sahu, A.K.; Naval, S. Performance of circular footing on expansive soil bed reinforced with geocells of Chevron pattern. Civ. Eng. J. 2019, 5, 2333–2348. [Google Scholar] [CrossRef]
- Zhang, L.; Gardiner, B.S.; Smith, D.W.; Pivonka, P.; Grodzinsky, A.J. IGF uptake with competitive binding in articular cartilage. J. Biol. Syst. 2008, 16, 175–195. [Google Scholar] [CrossRef]
- Zhang, L.; Smith, D.W.; Gardiner, B.S.; Grodzinsky, A.J. Modeling the Insulin-Like Growth Factor System in Articular Cartilage. PLoS ONE 2013, 8, e66870. [Google Scholar] [CrossRef]
- Bathurst, R.J.; Karpurapu, R. Large-scale triaxial compression testing of geocell-reinforced granular soils. Geotech. Test. J. 1993, 16, 296–303. [Google Scholar]
- Zhuhai Hongwan Port Phase I Project, 2005. Available online: https://map.baidu.com/@12631011,2515555.75,18z/maptype%3DB_SATELLITE_MAP (accessed on 1 March 2021).
- Zhang, L.; Zhao, M.; Shi, C. Bearing capacity of geocell reinforcement in embankment engineering. Geotext. Geomembr. 2010, 28, 475–482. [Google Scholar] [CrossRef]
- Kourkoulis, R.; Gelagoti, F.; Anastasopoulos, I. Slope stabilizing piles and pile-groups: Parametric study and design insights. J. Geotech. Geoenviron. Eng. 2011, 137, 663–677. [Google Scholar] [CrossRef]
- Madhavi Latha, G.; Rajagopal, K.; Krishnaswamy, N. Experimental and theoretical investigations on geocell-supported embankments. Int. J. Geomech. 2006, 6, 30–35. [Google Scholar] [CrossRef]















| Soil Layer Name | Thickness (m) | Deformation Modulus (MPa) | Poisson’s Ratio ν | Severe γ (kN/m3) | Cohesion c (kPa) | Internal Friction Angle φ (°) |
|---|---|---|---|---|---|---|
| Original artificial fill | 10.4 | 14 | 0.2 | 19.5 | 10 | 12 |
| Silt | 9.3 | 1.5 | 0.42 | 16.5 | 5 | 2 |
| Mucky soil | 6.7 | 1.8 | 0.4 | 17 | 10 | 3.5 |
| Clay | 4.3 | 4.5 | 0.35 | 19.5 | 30 | 9 |
| Silt clay | 5.5 | 1.8 | 0.4 | 17 | 10 | 3.5 |
| Clay | 8.8 | 4.5 | 0.35 | 19.5 | 22 | 9 |
| New artificial fill | 3.8 | 14 | 0.2 | 18 | 10 | 12 |
| Sand | 0.5 | 15 | 0.25 | 20 | 1 | 25 |
| Anti-slide pile | 37.0 | 30,000 | 0.2 | 25 | —— | —— |
| Geocell | 0.2 | 40 | 0.2 | 20 | —— | —— |
Publisher’s Note: MDPI stays neutral with regard to jurisdictional claims in published maps and institutional affiliations. |
© 2021 by the authors. Licensee MDPI, Basel, Switzerland. This article is an open access article distributed under the terms and conditions of the Creative Commons Attribution (CC BY) license (https://creativecommons.org/licenses/by/4.0/).
Share and Cite
Liu, Z.; Liu, P.; Zhou, C.; Li, Y.; Zhang, L. Modeling Riverbank Slope Reinforcement Using Anti-Slide Piles with Geocells. J. Mar. Sci. Eng. 2021, 9, 394. https://doi.org/10.3390/jmse9040394
Liu Z, Liu P, Zhou C, Li Y, Zhang L. Modeling Riverbank Slope Reinforcement Using Anti-Slide Piles with Geocells. Journal of Marine Science and Engineering. 2021; 9(4):394. https://doi.org/10.3390/jmse9040394
Chicago/Turabian StyleLiu, Zhen, Pengzhen Liu, Cuiying Zhou, Yasheng Li, and Lihai Zhang. 2021. "Modeling Riverbank Slope Reinforcement Using Anti-Slide Piles with Geocells" Journal of Marine Science and Engineering 9, no. 4: 394. https://doi.org/10.3390/jmse9040394
APA StyleLiu, Z., Liu, P., Zhou, C., Li, Y., & Zhang, L. (2021). Modeling Riverbank Slope Reinforcement Using Anti-Slide Piles with Geocells. Journal of Marine Science and Engineering, 9(4), 394. https://doi.org/10.3390/jmse9040394

