Study of Effects on Performances and Emissions of a Large Marine Diesel Engine Partially Fuelled with Biodiesel B20 and Methanol
Abstract
1. Introduction
2. Materials and Methods
2.1. Research Methodology
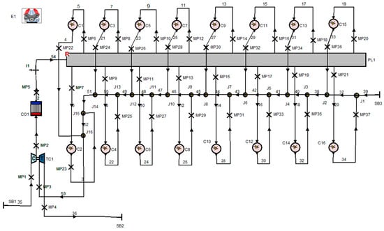
2.2. Simulation Setup
3. Results and Discussion
4. Conclusions
- The main cause for the engine power loss is the lower heating value of the blends used as fuel. The effect of the blends of diesel–methanol and B20–methanol is similar on the peak fire pressure. This is valid for both methods of methanol supplying, with a slightly increased loss when fumigating methanol;
- The air–fuel ratio experienced growth, thus resulting in leaner mixtures inside the cylinder. In the case of direct injection of blended fuels, the behaviour is as explained above. In the case of the fumigation approach of methanol, the results indicate values lower or close to the reference conditions;
- NOx emissions are reduced as the methanol fraction is increased, and this behaviour is valid for both methods of methanol fuelling;
- When 10% methanol is supplied by the fumigation solution, regardless of the base fuel, either the original diesel or B20 the SOOT emissions are substantially increased. In the case of the 20% methanol fraction, the results indicate that SOOT emissions have an opposite trend, and this could be explained by the higher fuel quantity inside the cylinder as a homogeneous mixture before injecting the conventional diesel fuel or B20, which can lead to a better oxidation of carbon and hydrogen molecules similar to the RCCI technology;
- Evaluating both methods of methanol supply, the direct injection of blended methanol with diesel or B20, and the injection of methanol in the intake manifold (fumigation), the results indicate that the direct injection of blended fuels is a better option regarding the engine performance parameters and emissions;
- Considering an acceptable compromise of 10% in power loss, two fuels can represent an option for replacing the conventional diesel fuel. The first one is the diesel–methanol blend DM10 with a 10% mass fraction. Using this type of fuel, in direct injection technology, the NOx emission can be reduced up to 19% but with a compromise of 8% increase in SOOT emissions. The second one is B20–methanol 10% B20M10 with the same direct injection method. Using this blend as an alternative fuel, an increase in NOx of up to 58% with the benefit of reducing SOOT emissions by up to 23% could be obtained;
- All these theoretical results should be considered under the reserve of the hypotheses used for the simulations and must be confirmed by the experimental research.
Author Contributions
Funding
Institutional Review Board Statement
Informed Consent Statement
Data Availability Statement
Acknowledgments
Conflicts of Interest
References
- Cung, K.D.; Wallace, J.; Kalaskar, V.; Smith, E.M., III; Briggs, T.; Bitsis, D.C., Jr. Experimental study on engine and emissions performance of renewable diesel methanol dual fuel. Fuel 2024, 357, 129664. [Google Scholar] [CrossRef]
- Guo, Z.; Li, T.; Dong, J.; Chen, R.; Xue, P.; Wei, X. Combustion and emission characteristics of blends of diesel fuel and methanol-to-diesel. Fuel 2022, 314, 123088. [Google Scholar] [CrossRef]
- Geng, P.; Yao, C.; Wei, L.; Liu, J.; Wang, Q.; Pan, W.; Wang, J. Reduction of PM emissions from a heavy-duty diesel engine with diesel/methanol dual fuel. Fuel 2014, 123, 1–11. [Google Scholar] [CrossRef]
- Lu, H.; Yao, A.; Yao, C.; Chen, C.; Wang, B. An investigation on the characteristics of and influence factors for NO2 formation in diesel/methanol dual fuel engine. Fuel 2019, 235, 617–626. [Google Scholar] [CrossRef]
- Li, Z.; Wang, Y.; Wang, Y.; Yin, Z.; Gao, Z.; Ye, Z.; Zhen, X. Effects of fuel injection timings and methanol split ratio in M/D/M strategy on a diesel/methanol dual-fuel direct injection engine. Fuel 2022, 325, 124970. [Google Scholar] [CrossRef]
- Ning, L.; Duan, Q.; Kou, H.; Zeng, K. Parametric study on effects of methanol injection timing and methanol substitution percentage on combustion and emissions of methanol/diesel. Fuel 2020, 279, 118424. [Google Scholar] [CrossRef]
- Wei, J.; Fan, C.; Qiu, L.; Qian, Y.; Wang, C.; Teng, Q.; Pan, M. Impact of methanol alternative fuel on oxidation reactivity of SOOT emissions from a modern CI engine. Fuel 2020, 268, 117352. [Google Scholar] [CrossRef]
- Chen, H.; He, J.; Chen, Z.; Geng, L. A comparative study of combustion and emission characteristics of dual-fuel engine fueled with diesel methanol and diesel–polyoxymethylene dimethyl ether blend/methanol. J. Energy Inst. 2024, 114, 101557. [Google Scholar] [CrossRef]
- Li, Y.; Chen, H.; Zhang, C.; Chen, H. Effects of diesel pre-injection on the combustion and emission characteristics of a common-rail diesel engine fueled with diesel-methanol dual-fuel. Fuel 2024, 360, 130544. [Google Scholar] [CrossRef]
- Sayin, C.; Ozsezen, A.N.; Canakci, M. The influence of operating parameters on the performance and emissions of a DI diesel engine using methanol-blended-diesel fuel. Fuel 2010, 89, 1407–1414. [Google Scholar] [CrossRef]
- Zhen, X.; Wang, Y. An overview of methanol as an internal combustion engine fuel. Renew. Sustain. Energy Rev. 2015, 52, 477–493. [Google Scholar] [CrossRef]
- Yin, X.; Li, W.; Duan, H.; Duan, Q.; Kou, H.; Wang, Y.; Yang, B.; Zeng, K. A comparative study on operating range and combustion characteristics of methanol. Fuel 2023, 335, 127038. [Google Scholar] [CrossRef]
- Li, Z.; Wang, Y.; Yin, Z.; Gao, Z.; Wang, Y.; Zhen, X. Parametric study of a single-channel diesel/methanol dual-fuel injector on a diesel engine fueled with directly injected methanol and pilot diesel. Fuel 2021, 302, 121156. [Google Scholar] [CrossRef]
- Song, H.; Tompkins, B.T.; Bittle, J.A.; Jacobs, T.J. Comparisons of NO emissions and SOOT concentrations from biodiesel-fuelled diesel engine. Fuel 2012, 96, 446–453. [Google Scholar] [CrossRef]
- Tan, P.-Q.; Hu, Z.-Y.; Lou, D.-M.; Li, Z.-J. Exhaust emissions from a light-duty diesel engine with Jatropha biodiesel fuel. Energy 2012, 39, 356–362. [Google Scholar] [CrossRef]
- Hajlari, S.A.; Najafi, B.; Ardabili, S.F. Castor oil, a source for biodiesel production and its impact on the diesel engine performance. Renew. Energy Focus 2019, 28, 1–10. [Google Scholar] [CrossRef]
- An, H.; Yang, W.M.; Chou, S.K.; Chua, K.J. Combustion and emissions characteristics of diesel engine fueled by biodiesel at partial load conditions. Appl. Energy 2012, 99, 363–371. [Google Scholar] [CrossRef]
- Rahman, M.M.; Pourkhesalian, A.M.; Jahirul, M.I.; Stevanovic, S.; Pham, P.X.; Wang, H.; Masri, A.R.; Brown, R.J.; Ristovski, Z.D. Particle emissions from biodiesels with different physical properties and chemical composition. Fuel 2014, 134, 201–208. [Google Scholar] [CrossRef]
- Özener, O.; Yüksek, L.; Ergenç, A.T.; Özkan, M. Effects of soybean biodiesel on a DI diesel engine performance, emission and combustion characteristics. Fuel 2014, 115, 875–883. [Google Scholar] [CrossRef]
- Mofijur, M.; Masjuki, H.H.; Kalam, M.A.; Atabani, A.E.; Arbab, M.I.; Cheng, S.F.; Gouk, S.W. Properties and use of Moringa oleifera biodiesel and diesel fuel blends in a multi-cylinder diesel engine. Energy Convers. Manag. 2014, 82, 169–176. [Google Scholar] [CrossRef]
- Nabi, M.N.; Zare, A.; Hossain, F.M.; Ristovski, Z.D.; Brown, R.J. Reductions in diesel emissions including PM and PN emissions with diesel-biodiesel blends. J. Clean. Prod. 2017, 166, 860–868. [Google Scholar] [CrossRef]
- Ogunkunle, O.; Ahmed, N.A. Exhaust emissions and engine performance analysis of a marine diesel engine fuelled with Parinari polyandra biodiesel–diesel blends. Energy Rep. 2020, 6, 2999–3007. [Google Scholar] [CrossRef]
- Yusop, A.F.; Hafizil, M.; Yasin, M.; Mamat, R.; Abdullah, A.A.; Aziz, A. PM emission of diesel engines using ester-ethanol-diesel blended fuel. Procedia Eng. 2013, 53, 530–535. [Google Scholar] [CrossRef]
- Isık, M.Z.; Aydın, H. Analysis of ethanol RCCI application with safflower biodiesel blends in a high load diesel power generator. Fuel 2016, 184, 248–260. [Google Scholar] [CrossRef]
- Perumal, V.; Perumal, M.V.; Ilangkumaran, M. Experimental analysis of engine performance, combustion and emission using pongamia biodiesel as fuel in CI engine. Energy 2017, 129, 228–236. [Google Scholar] [CrossRef]
- Mishra, S.R.R.; Mohanty, M.K.; Panigrahi, N.; Pattanaik, A.K. Impact of Simarouba glauca biodiesel blends as a fuel on the performance and emission analysis in an unmodified DICI engine. Renew. Energy Focus 2018, 26, 11–16. [Google Scholar] [CrossRef]
- Saxen, M.R.; Maury, R.K.; Mishra, P. Assessment of performance, combustion and emissions characteristics of methanol-diesel dual-fuel compression ignition engine: A review. J. Traffic Transp. Eng. 2021, 8, 638–680. [Google Scholar] [CrossRef]
- Ning, L.; Duan, Q.; Chen, Z.; Kou, H.; Liu, B.; Yang, B.; Zeng, K. A comparative study on the combustion and emissions of a non-road common rail diesel engine fueled with primary alcohol fuels (methanol, ethanol, and n-butanol)/diesel dual fuel. Fuel 2020, 266, 117034. [Google Scholar] [CrossRef]
- Sayin, C.; Ilhan, M.; Canakci, M.; Gumus, M. Effect of injection timing on the exhaust emissions of a diesel engine using diesel–methanol. Renew. Energy 2009, 34, 1261–1269. [Google Scholar] [CrossRef]
- Chen, Z.; He, J.; Chen, H.; Geng, L.; Zhang, P. Comparative study on the combustion and emissions of dual-fuel common rail engines fueled with diesel methanol. Fuel 2021, 304, 121360. [Google Scholar] [CrossRef]
- Wang, Q.; Wei, L.; Pan, W.; Yao, C. Investigation of operating range in a methanol fumigated diesel engine. Fuel 2015, 140, 164–170. [Google Scholar] [CrossRef]
- Hasan, O.A.; Osman, A.I.; Al-Muhtaseb, H.; Al-Rawashdeh, H.; Abu-jrai, A.; Ahmad, R.; Gomaa, M.R.; Deka, T.J.; Rooney, D.W. An experimental study of engine characteristics and tailpipe emissions from modern DI diesel engine fuelled with methanol. Fuel Process. Technol. 2021, 220, 106901. [Google Scholar] [CrossRef]
- Xu, G.; Liu, S.; Jia, H.; Zhao, Y.; Zhang, Q. Experimental investigation on the structure characteristics of methanol biodiesel particulate matter. Fuel 2023, 332, 126051. [Google Scholar] [CrossRef]
- Yilmaz, N.; Sanchez, T.M. Analysis of operating a diesel engine on biodiesel-ethanol and biodiesel-methanol blends. Energy 2012, 46, 126–129. [Google Scholar] [CrossRef]
- Yilmaz, N. Comparative analysis of biodiesel-ethanol-diesel and biodiesel-methanol-diesel blends in a diesel engine. Energy 2012, 40, 210–213. [Google Scholar] [CrossRef]
- Anand, K.; Sharma, R.P.; Mehta, P.S. Experimental investigations on combustion, performance and emissions characteristics of neat karanji biodiesel and its methanol blend in a diesel engine. Biomass Bioenergy 2011, 35, 533–541. [Google Scholar] [CrossRef]
- Tao, W.; Sun, T.; Guo, W.; Lu, K.; Shi, L.; Lin, H. The effect of diesel pilot injection strategy on combustion and emission characteristic of dieselmethanol dual fuel engine. Fuel 2022, 324, 124653. [Google Scholar] [CrossRef]
- Cheng, C.H.H.; Cheung, C.S.; Chan, T.L.; Lee, S.C.; Yao, C.D.; Tsang, K.S. Comparison of emissions of a direct injection diesel engine operating on biodiesel. Fuel 2008, 87, 1870–1879. [Google Scholar] [CrossRef]
- An, H.; Yang, W.M.; Li, J. Numerical modeling on a diesel engine fueled by biodiesel–methanol blends. Appl. Energy 2014, 130, 458–465. [Google Scholar] [CrossRef]
- Qi, D.H.H.; Chen, H.; Geng, L.M.; Bian, Y.Z.H.; Ren, X.C.H. Performance and combustion characteristics of biodiesel–diesel–methanol blend fuelled engine. Appl. Energy 2010, 87, 1679–1686. [Google Scholar] [CrossRef]
- Xu, C.; Zhuang, Y.; Qian, Y.; Cho, H. Effect on the performance and emissions of methanol diesel dual fuel engine with different methanol injection positions. Fuel 2022, 307, 121868. [Google Scholar] [CrossRef]
- Venu, H.; Madhavan, V. Influence of diethyl ether (DEE) addition in ethanol-biodiesel-diesel (EBD) and methanol-biodiesel-diesel (MBD) blends in a diesel engine. Fuel 2017, 189, 377–390. [Google Scholar] [CrossRef]
- Žaglinskis, J.; Lukács, K.; Bereczky, Á. Comparison of properties of a compression ignition engine operating on diesel–biodiesel blend with methanol additive. Fuel 2016, 170, 245–253. [Google Scholar] [CrossRef]
- Kozak, M. Exhaust Emissions from a Diesel Passenger Car Fuelled with a Diesel Fuel-Butanol Blend; SAE Technical Paper 2011-28-0017; SAE: Warrendale, PA, USA; The Automotive Research Association of India: Pune, India, 2011. [Google Scholar] [CrossRef]
- Hedemora Turbocharger Types. Available online: https://www.hedemoratd.com/hedemora-turbochargers/turbocharger-types/ (accessed on 20 March 2024).
- AVL Boost Theory 2022R1. Available online: https://www.avl.com/en (accessed on 1 October 2023).
- AVL Boost USER Guide 2022R1. Available online: https://www.avl.com/en (accessed on 1 October 2023).
- Adrian, V.N.; Catalin, N.D.; Radu, C. On some possible effects of using renewable oxygenated fuels in a large marine diesel engine. Energy Rep. 2022, 8 (Suppl. S9), 966–977. [Google Scholar] [CrossRef]
- Kozak, M.; Merkisz, J. Oxygenated Diesel Fuels and Their Effect on PM Emissions. Appl. Sci. 2022, 12, 7709. [Google Scholar] [CrossRef]











| Properties | Diesel Fuel | Biofuel | Biodiesel B20 | Methanol |
|---|---|---|---|---|
| Chemical formula | C12H26-C14H30 | C19H36O2 | C15H23O | CH3OH |
| Molecular weight (g/mol) | 170–220 | 292.6 | 219 | 32 |
| Density @ 20 °C (kg/m3) | 810–880 | 887 | 857.4 | 790 |
| Boiling Point (°C) | 125 i–400 f | 330 | 200 | 64.7 |
| Viscosity (20 °C) (cSt) | 3.35 | 8.06 | 5.12 | 0.59 |
| Flash Point (°C) | 65–88 | 140 | 85 | 11 |
| Autoignition temperature (°C) | 204–340 | 380 | - | 470 |
| Cetane number | 40–55 | 55–56 | 52.5 | 3–5 |
| Air/Fuel ratio at stoichiometric | 14.7 | 12.6 | 14.2 | 6.5 |
| Lower heating value (MJ/kg) | 42.5 | 38.8 | 40.5 | 19.7 |
| Heat of vaporisation (kJ/kg) | 260 | 350 | 277 | 1175 |
| Carbon content (%wt) | 87 | 76.9 | 82.2 | 37.5 |
| Hydrogen content (%wt) | 12.6 | 12.4 | 10.5 | 12.5 |
| Oxygen content (%wt) | 0.004 | 10.7 | 7.3 | 50 |
| Water content (mg/kg) | 50 | 300 | 120 | |
| Carbon residue in % | 0.001 | 0.1 | 0.032 | |
| Ash (% by mass) | 0.016 | 0.087 | 0.023 | |
| Flame temperature (°C) | 2054 | - | - | 1890 |
| Application | Marine |
|---|---|
| Brake Power | 2243 kW |
| BMEP | 14.8 bar |
| Rated speed | 1050 rpm |
| BSFC@1050 rpm | 220.32 g/kWh |
| Compression ratio | 12.5 |
| Stroke | 266.7 mm |
| Bore | 228.6 mm |
| Configuration | V16 |
| Displacement | 175.3 L |
| Turbocharger | ALCO 720 |
| Turbocharger speed | 18,600 rpm |
| Turbocharger pressure ratio | 3 |
| Fuel system | Mechanical, pump-injector system |
| Fuel pump timing | 27.5° |
| Injector | 9 holes × 0.35 mm |
| Injection pressure | 260 bar |
| Dry weight | 18,609 kg |
| Wet weight | 20,175 kg |
| Valve timing | Fixed, Camshaft driven |
| Camshaft overlap | 123° |
| Length | 5029 mm |
| Width | 1551 mm |
| Height | 2438 mm |
| Original Turbocharger ALCO 720 | ||||||||
|---|---|---|---|---|---|---|---|---|
| N [rpm] | 800 | 900 | 1000 | N [rpm] | 800 | 900 | 1000 | |
| P2 [bar] | 1.3 | 1.63 | 2.2 | T4 [K] | 772 | 813 | 817 | |
| T2 [K] | 339.2 | 366.4 | 404.9 | T3-T4 [K] | 59 | 82 | 112 | |
| T2′ [K] | 340.2 | 353.2 | 373.1 | ΔP/P [%] | 9.2 | 12.3 | 13.6 | |
| P3 [bar] | 1.18 | 1.43 | 1.9 | Pe [kW] | 949 | 1493 | 2022 | |
| T3 [K] | 831 | 895 | 929 | BSFC [g/kWh] | 231.744 | 213.639 | 208.231 | |
| New Turbocharger Hedemora HS5800 | ||||||||
| N [rpm] | 800 | 900 | 1000 | N [rpm] | 800 | 900 | 1000 | |
| P2 [bar] | 1.32 | 1.82 | 2.5 | T4 [K] | 745 | 751 | 715 | |
| T2 [K] | 331.2 | 360.4 | 405.3 | T3-T4 [K] | 44 | 57 | 92 | |
| T2′ [K] | 340.9 | 351.8 | 375 | ΔP/P [%] | 12.1 | 25.8 | 28 | |
| P3 [bar] | 1.16 | 1.35 | 1.8 | Pe [kW] | 949 | 1503 | 2138 | |
| T3 [K] | 789 | 808 | 807 | BSFC [g/kWh] | 231.744 | 212.176 | 196.918 | |
| N | p2 | Relative Deviation | T2 | Relative Deviation | Pe | Relative Deviation | BSFC | Relative Deviation |
|---|---|---|---|---|---|---|---|---|
| [rpm] | [bar] | % | [K] | % | [kW] | % | [g/kWh] | % |
| 800 | 1.33 | 0.5% | 331.10 | 0.0% | 951 | 0.3% | 230.104 | −0.7% |
| 900 | 1.82 | 0.0% | 367.20 | 1.9% | 1507 | 0.2% | 212.184 | 0.0% |
| 1000 | 2.50 | 0.0% | 405.50 | 0.1% | 2142 | 0.2% | 199.454 | 1.3% |
Disclaimer/Publisher’s Note: The statements, opinions and data contained in all publications are solely those of the individual author(s) and contributor(s) and not of MDPI and/or the editor(s). MDPI and/or the editor(s) disclaim responsibility for any injury to people or property resulting from any ideas, methods, instructions or products referred to in the content. |
© 2024 by the authors. Licensee MDPI, Basel, Switzerland. This article is an open access article distributed under the terms and conditions of the Creative Commons Attribution (CC BY) license (https://creativecommons.org/licenses/by/4.0/).
Share and Cite
Visan, N.A.; Niculescu, D.C.; Ionescu, R.; Dahlin, E.; Eriksson, M.; Chiriac, R. Study of Effects on Performances and Emissions of a Large Marine Diesel Engine Partially Fuelled with Biodiesel B20 and Methanol. J. Mar. Sci. Eng. 2024, 12, 952. https://doi.org/10.3390/jmse12060952
Visan NA, Niculescu DC, Ionescu R, Dahlin E, Eriksson M, Chiriac R. Study of Effects on Performances and Emissions of a Large Marine Diesel Engine Partially Fuelled with Biodiesel B20 and Methanol. Journal of Marine Science and Engineering. 2024; 12(6):952. https://doi.org/10.3390/jmse12060952
Chicago/Turabian StyleVisan, Nicolae Adrian, Dan Catalin Niculescu, Radu Ionescu, Ernst Dahlin, Magnus Eriksson, and Radu Chiriac. 2024. "Study of Effects on Performances and Emissions of a Large Marine Diesel Engine Partially Fuelled with Biodiesel B20 and Methanol" Journal of Marine Science and Engineering 12, no. 6: 952. https://doi.org/10.3390/jmse12060952
APA StyleVisan, N. A., Niculescu, D. C., Ionescu, R., Dahlin, E., Eriksson, M., & Chiriac, R. (2024). Study of Effects on Performances and Emissions of a Large Marine Diesel Engine Partially Fuelled with Biodiesel B20 and Methanol. Journal of Marine Science and Engineering, 12(6), 952. https://doi.org/10.3390/jmse12060952

