Abstract
Floating photovoltaic (FPV) power generation technology has gained widespread attention due to its advantages, which include the lack of the need to occupy land resources, low risk of power limitations, high power generation efficiency, reduced water evaporation, and the conservation of water resources. However, FPV systems also face challenges, such as a significant impact from aquatic environments on the system’s stability and safety and high operational and maintenance costs, leading to large fluctuations in the grid-connected power output. Therefore, it is necessary to integrate energy storage devices with FPV systems to form an integrated floating photovoltaic energy storage system that facilitates the secure supply of power. This study investigates the theoretical and practical issues of integrated floating photovoltaic energy storage systems. A novel integrated floating photovoltaic energy storage system was designed with a photovoltaic power generation capacity of 14 kW and an energy storage capacity of 18.8 kW/100 kWh. The control methods for photovoltaic cells and energy storage batteries were analyzed. The coordinated control of photovoltaic cells was achieved through MPPT control and improved droop control, while the coordinated control of energy storage batteries involved a droop charge–discharge mode, a constant-voltage charging mode, and a standby mode. The simulations were realized in MATLAB/Simulink and the results validated the effectiveness of the coordinated control strategy proposed in this study. The strategy achieved operational stability and efficiency of the integrated photovoltaic energy storage system.
1. Introduction
With the accelerating pace of globalization and industrialization, energy crises and environmental issues have become increasingly severe. Traditional fossil fuels are not only being rapidly depleted, but they also emit large amounts of gases such as carbon dioxide, posing significant threats to global climate change, natural ecosystems, and human health. In this context, the development and application of clean energy technologies have become increasingly urgent. As a novel solution for the supply of clean energy, integrated floating photovoltaic energy storage systems have garnered widespread attention.
There is an increasing amount of research underway on integrated floating photovoltaic energy storage systems. With the growing demand for energy and increasing environmental awareness, photovoltaic power generation and energy storage technologies have been widely applied. Overseas, there have been many successful case studies on FPV power generation technology, a type of technology that was developed earlier. Oliveira-Pinto and Stokkermans [1] evaluated the potential of different floating solar technologies and analyzed different case studies. Kim et al. [2] provided a discussion of recent research into floating PV systems and the installation of floating PV power plants in Korea from 2009 to 2014. Ranjbaran et al. [3] analyzed and provided the latest review of photovoltaic solar power generation systems in various aspects. Ilgen et al. [4] studied the effects of floating photovoltaic power stations on lake temperature and stratification. Yoo et al. [5] investigated the tracking of power generation efficiency issues using steel, aluminum, polyethylene (PE), and fiber-reinforced polymer plastic (FRP) materials in FPV power generation structures. Dai et al. [6] detailed modular design schemes, material selection, structural characteristics, circuit connections, and component configurations of the FPV system. Cazzaniga et al. [7] discussed the limitations of land-based photovoltaic power generation and proposed and discussed various design schemes to improve the efficiency and cost-effectiveness of floating photovoltaic devices. Liu et al. [8] constructed finite element models to study the temperature difference between floating photovoltaic systems and conventional ground-based photovoltaic systems. Perez et al. [9] suggested that floating photovoltaic power generation can reduce water evaporation, inhibit algae growth, and increase the availability of hydropower resources. Lee and Joo [10] studied the arrangement of floating devices carrying photovoltaic panels through field experiments in the waters near Namhaegun, South Korea. Kumar et al. [11] pointed out that the significant land occupation poses a huge challenge for installing new onshore power plants; therefore, the mobility and feasibility of offshore photovoltaic facilities are the main factors contributing to their advantage in the field of renewable energy. Trapani et al. [12] focused on the technical and economic evaluation of offshore photovoltaic systems and compared them with other marine renewable-energy technologies, including wind energy, wave energy, and tidal energy. Trapani and Millar [13] proposed installing offshore floating photovoltaic generation equipment in the waters near the Maltese Islands to address the constraints of limited onshore land resources on the energy supply and integrate them with existing conventional power generation systems on the islands. Solanki et al. [14] considered the development of offshore photovoltaic power generation as an effective strategy to address the land resource constraints in densely populated societies. Diendorfer et al. [15] focused on the optical performance of photovoltaic panel platforms in dynamic models by utilizing Mediterranean wave data to calculate the movement of floating devices under different sea conditions, thereby optimizing the design to minimize the platform’s response to wave motion.
China has made significant progress in the field of solar photovoltaics, but its development of floating photovoltaic power generation technology started relatively late. Wang et al. [16] established a two-dimensional and three-dimensional quasi-static analysis model for the anchorage line of tension mooring.
The existing research and designs for integrated floating photovoltaic energy storage systems are not comprehensive enough, and there is room for improvement in their stability and efficiency in aquatic environments.
Currently, the research on photovoltaic power control methods has mainly focused on the following: (1) maximum power point tracking (MPPT) technology (adjusting the voltage and current of photovoltaic cells to maximize the power output) and (2) multilevel inverter technology (connecting multiple inverters in series to achieve efficient energy conversion under integrated photovoltaic cell conditions).
Dragicevic and Guerrero [17] proposed a method for the monitoring and control of an adaptive droop-voltage-regulated DC microgrid with battery-management capabilities. Wandhare and Agarwal [18] proposed a new control scheme that enables a centralized PV-grid system to damp out the low-frequency power swings on the local area network as an ancillary activity apart from its regular function. Eghtedarpour and Farjah [19] employed a series of control strategies, including MPPT, dynamic voltage calculations, and battery charge control, to maintain the balance and stability among various power sources.
Different types of energy storage devices have their own characteristics. In microgrids, standalone batteries or supercapacitors are not suitable, but a hybrid energy storage system composed of both has complementary advantages. Bocklisch [20] gave an overview of the innovative field of hybrid energy storage systems (HESS). Xu et al. [21] introduced a decentralized dynamic power-sharing strategy in an autonomous direct-current microgrid based on a hybrid energy storage system. Chong et al. [22] highlighted a detailed review of the state-of-the-art control strategies such as classical control strategies and intelligent control strategies for REPS with HESS. Motapon and Al-Haddad [23] studied a hybrid energy storage system consisting of fuel cells, supercapacitors, and nickel batteries. Zhao et al. [24] proposed a capacity allocation scheme for hybrid energy storage systems used in peak shaving for power systems with a high wind-power penetration. Zhao et al. [25] analyzed the preliminary dynamic behavior of a hybrid energy storage system that combined adiabatic compressed air energy storage with flywheel energy storage systems for wind power applications. Xue and Gooi [26] addressed the imbalance and fluctuations between photovoltaic power generation and consumption in distributed energy supply systems by proposing a hybrid energy storage system of lithium batteries and supercapacitors. Chia et al. [27] proposed a load prediction energy management system for solar applications using a supercapacitor–battery hybrid energy storage system based on support vector machines. Alnejailit et al. [28] presented methods for dynamic control and advanced load management for standalone hybrid renewable energy systems in remote residential applications. Dash and Bajpai [29] proposed a power management control strategy for an independent solar photovoltaic fuel cell–battery hybrid system.
The existing design of integrated photovoltaic energy storage systems is mainly applied on land and integrated into the grid. However, the weight and mechanical limits of the PV and energy storage to the floating modules must be considered in the ocean scenario. Thus, both the mechanical design and the electrical planning of the integrated floating photovoltaic energy storage system should be considered. The existing research on control strategies for photovoltaic power sources and energy storage systems is relatively limited, which affects the performance and efficiency of standalone integrated photovoltaic energy storage systems. Additionally, existing research focuses on a single control strategy for photovoltaic energy storage systems, while this study separately considers control strategies for photovoltaic and energy storage systems before integrating them. This study focused on the research of integrated floating photovoltaic energy storage systems and investigated the structural design, coordinated control schemes, and individual unit control methods. The main contributions of this paper are as follows:
- (1)
- A novel scheme for integrated floating photovoltaic energy storage systems was designed. Firstly, based on the functionality and requirements of the system, the structural form of the system was designed, and suitable materials and size parameters were selected. Secondly, the power system was designed, including the photovoltaic components, energy storage devices, etc., laying the foundation for subsequent control strategy research.
- (2)
- Coordinated control strategies for integrated photovoltaic energy storage systems were studied. By analyzing the operating characteristics of integrated photovoltaic energy storage systems and considering factors such as the light intensity, the DC bus voltage, the state of charge (SOC) of the energy storage units, and the need for charging when there is no load, a coordinated control strategy based on improved SOC droop control was proposed to realize the operation of the integrated photovoltaic energy storage systems.
The remainder of this paper is organized as follows. Section 2 describes the structure and composition of the integrated floating photovoltaic energy storage system. In Section 3, different control methods are provided for photovoltaic power generation systems and energy storage systems. The operating characteristics of the integrated photovoltaic energy storage system were analyzed and corresponding coordinated control strategies were proposed. Section 4 verifies and analyzes the synergistic operation between photovoltaic power generation and energy storage systems through simulations. Finally, Section 5 summarizes the entire paper.
2. The Structure and Composition of the Integrated Floating Photovoltaic Energy Storage System
2.1. The Structure of the Integrated Floating Photovoltaic Energy Storage System
This study presents an integrated floating photovoltaic energy storage system designed to harness solar energy for electricity generation and storage. The system is lightweight and features good stability and high efficiency, making it suitable for marine environments, lakes, and other water bodies. The overall structure of the system, as shown in Figure 1, consisted of three layers.
Figure 1.
The overall structure of the floating integrated photovoltaic energy storage system.
The first layer was the floating body structure, which served as the foundation and support of the system, responsible for maintaining the system’s balance and stability on the water’s surface. The second layer was the aluminum alloy frame structure, which constituted the framework and connected the parts of the system. The frame structure included components such as the energy storage tank, control box, and control unit in the middle layer. The third layer was the photovoltaic power generation unit, which was the core part of the system and was responsible for converting sunlight into electricity.
The specific form of this structure is illustrated in Figure 2 and mainly consisted of the following components:
Figure 2.
Floating body structure.
The four triangular floats were connected by tubular shells and filled with foam material internally. The floats were arranged in a square pattern and connected together via hinge components. Vertical cylindrical structures were positioned at the apexes of the four triangular floats arranged in a square, composed of tubular shells and foam material.
Hinge components: They are the connecting parts of the structure, responsible for fixing four triangular floats together and providing a certain degree of flexibility and adaptability. The hinge components adopt mechanical devices with functions such as rotation, extension, and locking, and undergo enclosed waterproof treatment to ensure that the structure is not affected by leakage in the seawater.
Vertical cylindrical structures: They are the auxiliary parts of the structure, responsible for connecting the bottom float structure with the upper frame structure and providing necessary support and height. The vertical cylindrical structures are located at the top corners of the four triangular floats arranged in a square formation and are composed of tubular shells and foam materials.
This study adopted a novel FPV float material by utilizing stainless steel as the material for the tubular shells and injecting foam filler into the interior to create a hollow cavity. Even if the shell experiences extreme conditions and ruptures, the foam will keep the platform from sinking. This design effectively enhanced the stability and safety of the platform, increasing its lifespan and reliability.
The middle and upper layers of the system consisted of a metal frame structure, which provided sufficient space and support for the installation and operation of various types of equipment and components. The specific form of this structure is depicted in Figure 3 and mainly comprised the energy storage tank layer and the photovoltaic power generation unit placement layer.
Figure 3.
Structure diagram of aluminum alloy frame.
2.2. Electrical System
The main electrical wiring diagram of the system is depicted in Figure 4. The system was composed of several parts, including the following:
Figure 4.
Electrical wiring diagram for the integrated floating optical storage system.
- (1)
- Photovoltaic system: consisted of four photovoltaic power generation units connected in parallel. Each triangular float was equipped with a photovoltaic array, making each array an independent photovoltaic power-generation unit.
- (2)
- Energy storage system: comprised four energy storage units. Each triangular float was equipped with an energy storage tank containing a battery as an independent energy storage unit. These energy storage units were connected to the DC bus through bidirectional DC/DC converters, enabling the charging and discharging functions of the energy storage system.
The charging interface was connected to the DC bus through DC/DC converters, which provided different voltage levels to the charging interface. This part served to facilitate the charging and discharging operations with other platforms or shore facilities when the platform requires an external supply or output of additional power.
2.3. Size and Capacity Design of the Integrated Floating Photovoltaic Energy Storage System
- (1)
- Floats and Metal Framework
According to the relevant research, the floating photovoltaic structure designed in this study belongs to Class 3: Floating pontoon structures, connected together and able to support photovoltaics modules [30].
This study selected prototype stainless-steel shells as the material for the floats. The float section adopted a circular cross-section, with a wall thickness of 8 mm designed for the floats. An aluminum alloy was chosen as the material for the metal framework. Compared to other materials, aluminum and its alloys offer advantages such as low density, high strength, good electrical and thermal conductivity, corrosion resistance, and ease of processing.
The integrated floating photovoltaic energy storage system designed in this study adopted a modular assembly approach to construct the floating platform, with the aim of enhancing the platform’s flexibility and reliability. Each module was in the shape of an equilateral triangle with a side length of 8 m, providing an area of approximately 28 square meters. A total of four modules were required to form a complete platform. There were gaps between each module to buffer the effects of water flow and wind on the platform, and they were secured together using connecting components. The overall platform had a square shape with a side length of 17 m, offering an effective area of approximately 112 square meters. The specific dimensions are illustrated in Figure 5.
Figure 5.
Floating body size.
- (2)
- Photovoltaic System Power Generation
The power generation of the integrated floating photovoltaic energy storage system primarily depended on the characteristic curve of the photovoltaic components and the incident radiation, while also considering factors such as water surface reflection, heat dissipation effects, and anchor rope resistance. The photovoltaic power generation can be calculated using the following formula:
where is the total amount of photovoltaic power generation, is the radiation per unit area (), is the total area of photovoltaic power generation, is the conversion efficiency of the photovoltaic components, is the system efficiency, is the temperature coefficient (), is the component temperature (), is the environmental temperature (), and is the anchor rope resistance coefficient.
- (3)
- Storage Tank Size
The specific dimensions of the energy storage tank for the integrated floating photovoltaic energy storage system designed in this study are illustrated in Figure 6.
Figure 6.
Storage tank size.
The structural parameters and simulation parameters of the floating integrated photovoltaic energy storage system designed in this study will be explained in Section 4.
3. Coordinated Control Strategy for Integrated Photovoltaic and Storage System
To analyze the operational characteristics of the integrated photovoltaic (PV) energy storage system, this study designed different control methods to target the PV power generation system and the energy storage system. It considered objectives such as maximum power point tracking for the PV power generation system, the state of charge (SOC) balance for the energy storage system, and power-factor regulation for the grid. Based on the operational status of the integrated PV energy storage system and by considering factors such as the solar irradiance, DC bus voltage, energy storage unit SOC, and load demand, the system was divided into 20 operational modes, and corresponding coordinated control strategies were proposed for each operational mode.
3.1. Photovoltaic Cell Control Method
3.1.1. MPPT Control
The maximum power point tracking (MPPT) controller is an upgraded solar charge and discharge controller product. It can accurately track the maximum power point of solar panels, thereby improving the efficiency and performance of photovoltaic power generation systems. Maximum power point tracking refers to the controller’s ability to detect the voltage of solar panels in real time and track the maximum voltage–current value, enabling the system to provide power to loads and energy storage systems with maximum efficiency. Figure 7 shows the characteristic curve for the output of the photovoltaic power source, where and represent the open-circuit voltage and short-circuit current of the photovoltaic power source, respectively. When the irradiance and temperature are constant, there is an operating point (, ) at which the photovoltaic module has the maximum output power, which is the target point that the MPPT aims to track. Common MPPT control algorithms include the perturb and observe method, the incremental conductance method, fuzzy control, the BP neural network, and the particle swarm optimization algorithm, among others. This study primarily considered the perturb and observe method.
Figure 7.
Characteristic curve for output of photovoltaic power supply.
3.1.2. Improved Droop Control
In DC microgrids, DC/DC converters typically employ constant-voltage dual-loop control as the basic control method. In the dual-loop structure, the outer loop is the voltage loop and the inner loop is the current loop. To achieve a balanced distribution of the load current, a droop control term needs to be added to the reference value of the outer loop. The principle of droop control is to adjust the amplitude of the output voltage based on the magnitude of the output current, so that the controlled micro-source exhibits characteristics similar to a voltage source. The commonly used droop curve is the I-V linear relationship, as shown in Figure 8.
Figure 8.
Traditional sagging control block diagram.
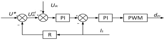
Traditional droop control [31] suffers from a problem where the voltage deviation between the reference value and the DC bus voltage leads to DC bus voltage instability. To address this issue, this study adopted an improved method by adding voltage feedforward compensation control to the traditional droop control, as shown in Figure 9.
Figure 9.
Constant-voltage droop control with voltage feedforward compensation.
This method effectively improved the accuracy and stability of the output voltage while reducing the sensitivity of the system to parameter and load variations.
3.2. Photovoltaic Battery Coordination Control
The earlier sections introduced two traditional control methods for photovoltaic power sources: MPPT control and droop control. This section proposes coordinated control for photovoltaic batteries based on these control methods. The control modes of the photovoltaic system included MPPT control, constant-voltage droop control, and a standby mode. Depending on factors such as the irradiance intensity, energy storage unit SOC, load current, and load power, the system will switch to the corresponding operating mode. The coordinated control is illustrated in Figure 10.
Figure 10.
Coordinated control of photovoltaic power generation units.
3.3. Energy Storage Unit SOC Balancing Control
In this study, the integrated energy storage system of photovoltaic energy storage consisted of four storage units. It required an energy storage management system that provided charging/discharging monitoring and SOC balancing to prevent individual units from being overcharged or unevenly utilized, which could lead to the accelerated degradation of the battery pack. To address this drawback, it was necessary to adaptively adjust the value of the virtual resistance based on the real-time SOC of the battery to ensure that the system can output power that meets the load requirements under steady-state conditions. The virtual resistance is a concept implemented through software or control algorithms. It is not an actual electronic component but rather a simulated resistor within a system’s control. In battery management systems, virtual resistors are often used to simulate the effects of real resistors, allowing for the adjustment of current, voltage, or other electrical parameters. The SOC of an energy storage unit refers to the ratio between the amount of charge currently stored in the storage unit and the theoretical maximum charge, usually expressed as a percentage.
To achieve balanced SOC values for the energy storage units in the energy storage system, the control logic needed to consider that energy storage units with different SOC levels output and absorb different magnitudes of current during their discharge and charge processes. For energy storage units with higher SOC levels, larger currents need to be output during discharge and smaller currents need to be absorbed during charging, whereas for energy storage units with lower SOC levels, smaller currents need to be output during discharge and larger currents need to be absorbed during charging. This control method can help the system better maintain the SOC balance in the energy storage system.
Since droop control methods can lead to a difference between the reference voltage and the DC bus voltage, which would affect the DC bus voltage, this study added a feedforward compensation control based on a PI controller to improve the SOC droop control. Its control is illustrated in Figure 11.
Figure 11.
Improved SOC droop control.
To extend the lifespan of the energy storage units, it is crucial to manage the charging and discharging power as well as the capacity within a certain range. In this study, the rated SOC range of the batteries was selected as 20% to 90% to ensure the effective utilization of the batteries during system operation while minimizing the wear and tear on the batteries to the greatest extent possible.
3.4. Battery Coordination Control Strategy
To adapt to different operating conditions, this study designed four control modes for the energy storage system: droop charge/discharge modes, a constant-voltage charging mode, and a standby mode. Their coordinated control is illustrated in Figure 12. Each energy storage unit switched to the corresponding operating mode by considering factors such as the irradiance intensity, energy storage unit SOC, load current, and load power, and each energy storage unit was individually controlled.
Figure 12.
Coordinated control of energy storage unit.
3.5. Coordinated Control Strategy for Integrated Floating Photovoltaic Energy Storage System
Building on the analysis of the control methods for photovoltaic batteries and energy storage units, this section proposes a coordinated control strategy based on improved SOC droop control to address issues such as an inability to switch or frequent switching in the DC bus voltage coordination control. This control strategy divided the platform system into 20 different operating modes by considering factors such as the irradiance intensity, the DC bus voltage, the energy storage unit SOC, and the need for charging in the presence or absence of loads. Specific control methods were adopted for each operating mode, and different hysteresis controls within specific ranges were applied at switching points to avoid frequent switching. The advantage of this coordinated control strategy lies in considering the impact of various factors on system operation and employing appropriate control methods according to different situations, thereby achieving better control effectiveness.
Specifically, in this study, two critical states of the DC bus voltage were set (, ), with , where is the reference voltage for the DC bus. One critical state was set based on the irradiance intensity of the normal operation of the photovoltaic power generation system, denoted as , with . The load charging status was divided into two states based on the presence or absence of loads requiring charging, which was determined based on the load current: when A, there was load charging; when A, there was no load charging. The rated SOC range selected in this study was 20% to 90%. The coordinated control methods under various operating conditions of the system are shown in Table 1.
Table 1.
Control operation modes of integrated floating optical storage system.
The processes of several commonly used typical operation modes are as follows:
Mode 1: , , . When a ship is charging ( A), the irradiance intensity is insufficient for the photovoltaic generation unit to generate power normally. The maximum output power of the energy storage unit is less than the load power, leading to the termination of system operation.
Mode 4: , , , A. At this time, the output power of the photovoltaic generation unit is still less than the charging power of the ship. The energy storage unit provides the difference in power, with the photovoltaic generation unit operating in MPPT mode while the energy storage unit is in droop discharge mode.
Mode 10: , , , A. The irradiance intensity is insufficient for the photovoltaic generation unit to generate power normally. The photovoltaic generation unit is in standby mode while the energy storage unit is in droop discharge mode.
4. Simulation Results and Discussions
In this study, the solar irradiance intensity of the photovoltaic system was taken as 1400 W/m2, with a photovoltaic module conversion efficiency of 15%, a system efficiency of 80%, a temperature coefficient of −0.5%/°C, a water surface reflection coefficient of 10%, a heat dissipation coefficient of 5%, and an anchor rope resistance coefficient of 1%. By substituting these values into Equation (1), the total power generation of the photovoltaic system was calculated as 14 kW. As an example, according to data collected by the National Meteorological Center, the average daily equivalent number of sunlight hours in the coastal area of Dalian, Liaoning, is approximately 4.5 to 5 h. Assuming an average sunlight duration of 5 h per day, the average daily electricity generation was estimated to be 70 kWh.
The structural parameters of the floating photovoltaic integrated energy storage system (the entire structure composed of four triangular hinge elements) designed in this study are shown in Table 2.
Table 2.
Structural design parameters of integrated floating optical storage system.
This study utilized MATLAB/Simulink to construct a model of the integrated floating photovoltaic energy storage system. A bidirectional buck/boost circuit was selected as the topology for the battery converter, with detailed specifications provided in a parameter table. The theoretical aspects provided in Section 3.5 were validated and the further exploration of the synergistic operation between photovoltaic power generation and energy storage systems was conducted through simulations. The relevant design parameters are shown in Table 3.
Table 3.
Simulation parameters.
4.1. System Operation Analysis when 20% < SOCi < 90%
In order to observe the switching operation of the system among different modes, different irradiance intensities and variable loads were set. Initially, each energy storage unit operated independently, with initial SOC values as follows: SOC1 = 30%, SOC2 = 40%, SOC3 = 50%, and SOC4 = 60%. The initial load value was 6.7 Ω. The changes in various parameters are shown in Table 4.
Table 4.
Parameter variation.
Figure 13 depicts the variation in the DC bus voltage and the photovoltaic power generation system’s output power and load power. The unit of the horizontal axis is seconds. From Figure 13, it can be observed that the coordinated control strategy proposed in this study enabled the system to switch smoothly between different operating modes and operate stably. A detailed analysis is provided below:

Figure 13.
Operation characteristics of integrated floating optical storage system. (a) Udc; (b) Iload; (c) Ppv; (d) Pbat.
The fluctuation range after Udc stabilization is between ±3.18%, and after Iload stabilization, it is between ±3.1%.
From 0 to 1 s, the output power of the photovoltaic generation system was less than the load power. The system operated in Mode 4, with the photovoltaic generation unit in maximum power point tracking (MPPT) mode. All four energy storage units were in droop discharge mode to compensate for the insufficient power. During this time, the DC bus voltage remained stable at around 400 V.
From 1 to 2 s, the output power of the photovoltaic generation system was greater than the load power, but less than the sum of the load and the maximum charging power of the energy storage system. The system switched from Mode 4 to Mode 6, and the photovoltaic generation unit remained in MPPT mode. All four energy storage units switched to droop charge [31] mode to utilize the surplus power.
From 2 to 3 s, the output power of the photovoltaic generation system approached the load power. The system switched from Mode 6 to Mode 5, and the photovoltaic generation unit remained in MPPT mode. All four energy storage units switched to standby mode and did not participate in power regulation.
From 3 to 4 s, the output power of the photovoltaic generation system was less than the load power. The system switched from Mode 5 to Mode 4, and the photovoltaic generation unit remained in MPPT mode. All four energy storage units switched to droop discharge mode to compensate for the insufficient power.
From 4 to 5 s, the output power of the photovoltaic generation system significantly decreased and could not meet the load demand. The system switched from Mode 4 to Mode 2, and the photovoltaic generation unit switched to standby mode. All four energy storage units switched to droop discharge mode to provide the entire load power.
From 5 to 6 s, the output power of the photovoltaic generation system was less than the load power. The system continued to operate in Mode 2, and the photovoltaic generation unit remained in standby mode. All four energy storage units were in droop discharge mode to provide the entire load power.
From 6 to 8 s, the output power of the photovoltaic generation system was less than the maximum charging power of the energy storage system. The system switched from Mode 2 to Mode 6, and the photovoltaic generation unit switched to MPPT mode. All four energy storage units switched to droop charge [31] mode to utilize the surplus power.
Figure 14 depicts the energy storage unit SOC over time. The unit of the horizontal axis is seconds. From the above analysis, it can be observed that all the energy storage units maintained their SOC values within the range of 20% < SOCi < 90%. The coordinated control strategy proposed in this study enabled the system to switch smoothly between various operating modes and operate stably based on factors such as the irradiance intensity, the DC bus voltage, the energy storage unit SOC, and the presence or absence of loads requiring charging. The fluctuations of Udc and Iload are both within an ideal range. Furthermore, this control strategy ensured that the SOC of each energy storage unit remained within the range of 20% < SOCi < 90%, thereby preventing over-charging or over-discharging situations.
Figure 14.
Changes in the SOC of the energy storage unit over time. (a) SOC1; (b) SOC2; (c) SOC3; (d) SOC4.
4.2. System Operation Analysis when SOC < 20% or SOC > 90%
In Figure 15, the operational characteristics of the power system platform are depicted when there are energy storage units with SOC values outside the normal operating range. In this scenario, the initial SOC values for each energy storage unit were as follows: SOC1 = 18%, SOC2 = 95%, SOC3 = 50%, and SOC4 = 6%, with an initial load value of 6.7 Ω. The parameter changes at each moment are presented in Table 5.
Figure 15.
Operation characteristics of integrated floating optical storage system. (a) Udc; (b) Iload; (c) Ppv; (d) Pbat.
Table 5.
Parameter variation.
Figure 15 illustrates the variations in the DC bus voltage and the photovoltaic power generation system’s output power and load power. The unit of the horizontal axis is seconds. From Figure 15, it can be observed that the coordinated control strategy proposed in this study enabled the system to switch smoothly between different operating modes and operate stably. A detailed analysis is provided below.
The fluctuation range after Udc stabilization is between ±3.75%, and after Iload stabilization, it is between ±2.31%.
From 0 to 1 s, the output power of the photovoltaic generation system was less than the load power, and the photovoltaic generation unit operated in MPPT mode. Energy storage unit 1 was in standby mode because its SOC was less than 20%, while the other energy storage units were in droop discharge mode to compensate for the insufficient load power.
From 1 to 2 s, the output power of the photovoltaic generation system was greater than the load power, but less than the sum of the load and the maximum charging power of the energy storage system. The photovoltaic generation unit remained in MPPT mode. Energy storage unit 2 switched to standby mode because its SOC was greater than 90%, while the other energy storage units switched to droop charge [31] mode to utilize the surplus power.
From 2 to 3 s, the output power of the photovoltaic generation system approached the load power, and the photovoltaic generation unit remained in MPPT mode. All four energy storage units switched to standby mode to maintain the system balance.
From 3 to 4 s, the output power of the photovoltaic generation system was less than the load power, and the photovoltaic generation unit remained in MPPT mode. Energy storage unit 1 was in standby mode because its SOC was less than 20%, while the other energy storage units switched to droop discharge mode to compensate for the insufficient load power.
From 4 to 5 s, the output power of the photovoltaic generation system was less than the load power, and the photovoltaic generation unit was in standby mode. Energy storage unit 1 was in standby mode because its SOC was less than 20%, while the other energy storage units switched to droop discharge mode to compensate for the insufficient load power.
From 5 to 6 s, the output power of the photovoltaic generation system was less than the load power, and the photovoltaic generation unit remained in MPPT mode. Energy storage unit 1 was in standby mode because its SOC was less than 10%, while the other energy storage units switched to droop discharge mode to compensate for the insufficient load power, and the system switched to the operating mode.
From 6 to 7 s, the output power of the photovoltaic generation system was less than the maximum charging power of the energy storage system, and the photovoltaic generation unit remained in MPPT mode. Energy storage unit 2 switched to standby mode because its SOC was greater than 90%, while the other energy storage units switched to droop charge [31] mode to utilize the surplus power.
From 7 to 8 s, the output power of the photovoltaic generation system was greater than the maximum charging power of the energy storage system, and the photovoltaic generation unit operated in constant-voltage droop mode to limit the output power. Energy storage unit 2 switched to standby mode because its SOC was greater than 90%, while the other energy storage units switched to constant power-charging mode.
Figure 16 depicts energy storage unit SOC over time. The unit of the horizontal axis is seconds. From the above analysis, it can be observed that when there are energy storage units with an SOC below 20% or above 90%, the coordinated control strategy proposed in this study can smoothly switch between different operational modes and maintain stable operation based on factors such as the light intensity, the DC bus voltage, the energy storage unit SOC, and the need for charging or discharging loads. The fluctuations of Udc and Iload are both within an ideal range. At the same time, this control strategy ensured that the SOC of each energy storage unit remained within the range of 20% to 90%, thereby avoiding over-charging or over-discharging situations.
Figure 16.
Changes in the SOC of the energy storage unit over time. (a) SOC1; (b) SOC2; (c) SOC3; (d) SOC4.
4.3. Comparative Analysis of Control Methods
In order to verify the performance of the proposed coordinated control scheme, the following two methods are compared in this section.
4.3.1. The Voltage Drop Control with and without Feedforward Compensation
The voltage of the first PV panel, as Upv1, is selected as an example to demonstrate the voltage drop control with and without feedforward compensation, as shown in Figure 17.
Figure 17.
Upv1 changes over time with the feedforward compensation (blue color) and without the feedforward compensation (red color).
From Figure 17, it can be observed that the voltage droop control with the feedforward compensation will result in more stable PV voltage output. The peak-to-valley voltage difference at stable level is about 8 V reduced, which helps to maintain the voltage supply at a stable and reliable level for battery charging and load power supply.
4.3.2. With and without the Improved SOC Droop Control
The Udc changes over time with and without the improved SOC droop control are shown in Figure 18.
Figure 18.
Udc changes over time: (a) with the improved SOC droop control; (b) without the improved SOC droop control.
The comparison of parameters is shown in Table 6.
Table 6.
Parameter comparison.
As can be seen from Figure 18 and Table 6, under the improved SOC droop control, the maximum initial offset of Udc is 5.19 V, and the 4 s peak is 412.7 V, which are decreased by 3.59 V and 0.92 V, respectively, compared with that without the improved SOC droop control. In 0 to 4 s, the Udc stabilized at 400.15 V with the improved SOC droop control, which is 0.15 V higher than 400 V. However, without the improved SOC droop control, the Udc stabilized at 394.7 V with 5.3 V lower than 400 V, which is about 35 times greater than that under the improved SOC droop control. In 4 to 8 s, the Udc stabilized at 400.41 V with the improved SOC droop control, exceeding 0.41 V compared to 400 V. However, without the improved SOC droop control, the Udc stabilized at 405.25 V exceeding 5.25 V. This is approximately 12.8 times higher than that under improved SOC droop control. Thus, it can be concluded that the coordinated control scheme can improve the performance of the system.
5. Conclusions
This study investigated the design and control strategy of an integrated floating PV energy storage system. By analyzing the operational characteristics of the integrated system, different control methods were applied to the PV energy storage batteries to realize the operation of the integrated system under various working conditions. A novel integrated floating photovoltaic energy storage system was designed that exhibited a high power generation capacity and load-bearing capability while adapting to changes in aquatic environments. This study provides a new approach and method for the research of integrated floating photovoltaic energy storage systems on water.
Furthermore, by analyzing the operational characteristics of the integrated system and applying different control methods to the PV energy storage batteries based on different working conditions, the operation of the integrated system was realized. The effectiveness of the proposed strategy was verified through a simulation analysis. The research results indicated that the use of the coordinated control method for the integrated system can enhance the system’s performance and efficiency.
Author Contributions
Conceptualization, D.H. and B.Z.; methodology, D.H. and B.Z.; software, D.H.; validation, D.H., B.Z., and J.Q.; formal analysis, D.H. and J.Q.; investigation, G.L.; data curation, D.H. and G.L.; writing—original draft preparation, D.H. and B.Z.; writing—review and editing, J.Q., G.L., Z.X., and B.Z.; supervision, Z.X.; project administration, Z.X.; funding acquisition, Z.X. All authors have read and agreed to the published version of the manuscript.
Funding
This paper is supported by the National Key R&D Program on Inter-Governmental International Cooperation, Grant No. 2023YFE0198100.
Institutional Review Board Statement
Not applicable.
Informed Consent Statement
Not applicable.
Data Availability Statement
The data used to support the findings of this study are included within the article.
Acknowledgments
Special thanks to the Intelligent Electrical Science and Technology Research Institute, Northeastern University (China), for providing technical support for this research.
Conflicts of Interest
The authors declare no conflicts of interest.
References
- Oliveira-Pinto, S.; Stokkermans, J. Assessment of the Potential of Different Floating Solar Technologies—Overview and Analysis of Different Case Studies. Energy Convers. Manag. 2020, 211, 112747. [Google Scholar] [CrossRef]
- Kim, S.-H.; Yoon, S.-J.; Choi, W.; Choi, K.-B. Application of Floating Photovoltaic Energy Generation Systems in South Korea. Sustainability 2016, 8, 1333. [Google Scholar] [CrossRef]
- Ranjbaran, P.; Yousefi, H.; Gharehpetian, G.B.; Astaraei, F.R. A Review on Floating Photovoltaic (FPV) Power Generation Units. Renew. Sustain. Energy Rev. 2019, 110, 332–347. [Google Scholar] [CrossRef]
- Ilgen, K.; Schindler, D.; Wieland, S.; Lange, J. The Impact of Floating Photovoltaic Power Plants on Lake Water Temperature and Stratification. Sci. Rep. 2023, 13, 7932. [Google Scholar] [CrossRef]
- Yoo, J.H.; Kim, S.H.; An, D.J.; Choi, W.C.; Yoon, S.J. Generation Efficiency of Tracking Type Floating PV Energy Generation Structure Using Fiber Reinforced Polymer Plastic (FRP) Members. Key Eng. Mater. 2017, 730, 212–217. [Google Scholar] [CrossRef]
- Dai, J.; Zhang, C.; Lim, H.V.; Ang, K.K.; Qian, X.; Wong, J.L.H.; Tan, S.T.; Wang, C.L. Design and Construction of Floating Modular Photovoltaic System for Water Reservoirs. Energy 2020, 191, 116549. [Google Scholar] [CrossRef]
- Cazzaniga, R.; Cicu, M.; Rosa-Clot, M.; Rosa-Clot, P.; Tina, G.M.; Ventura, C. Floating Photovoltaic Plants: Performance Analysis and Design Solutions. Renew. Sustain. Energy Rev. 2018, 81, 1730–1741. [Google Scholar] [CrossRef]
- Liu, L.; Wang, Q.; Lin, H.; Li, H.; Sun, Q. Power Generation Efficiency and Prospects of Floating Photovoltaic Systems. Energy Procedia 2017, 105, 1136–1142. [Google Scholar] [CrossRef]
- Perez, M.; Perez, R.; Ferguson, C.R.; Schlemmer, J. Deploying Effectively Dispatchable PV on Reservoirs: Comparing Floating PV to Other Renewable Technologies. Sol. Energy 2018, 174, 837–847. [Google Scholar] [CrossRef]
- Lee, Y.-G.; Joo, H.-J.; Yoon, S.-J. Design and Installation of Floating Type Photovoltaic Energy Generation System Using FRP Members. Sol. Energy 2014, 108, 13–27. [Google Scholar] [CrossRef]
- Kumar, V.; Shrivastava, R.L.; Untawale, S.P. Solar Energy: Review of Potential Green & Clean Energy for Coastal and Offshore Applications. Aquat. Procedia 2015, 4, 473–480. [Google Scholar] [CrossRef]
- Trapani, K.; Millar, D.L.; Smith, H.C.M. Novel Offshore Application of Photovoltaics in Comparison to Conventional Marine Renewable Energy Technologies. Renew. Energy 2013, 50, 879–888. [Google Scholar] [CrossRef]
- Trapani, K.; Millar, D.L. Proposing Offshore Photovoltaic (PV) Technology to the Energy Mix of the Maltese Islands. Energy Convers. Manag. 2013, 67, 18–26. [Google Scholar] [CrossRef]
- Solanki, C.; Nagababu, G.; Kachhwaha, S.S. Assessment of Offshore Solar Energy along the Coast of India. Energy Procedia 2017, 138, 530–535. [Google Scholar] [CrossRef]
- Diendorfer, C.; Haider, M.; Lauermann, M. Performance Analysis of Offshore Solar Power Plants. Energy Procedia 2014, 49, 2462–2471. [Google Scholar] [CrossRef]
- Wang, L.; Guo, Z.; Yuan, F. Quasi-Static Three-Dimensional Analysis of Suction Anchor Mooring System. Ocean. Eng. 2010, 37, 1127–1138. [Google Scholar] [CrossRef]
- Dragicevic, T.; Guerrero, J.M.; Vasquez, J.C.; Skrlec, D. Supervisory Control of an Adaptive-Droop Regulated DC Microgrid With Battery Management Capability. IEEE Trans. Power Electron. 2014, 29, 695–706. [Google Scholar] [CrossRef]
- Wandhare, R.G.; Agarwal, V. Novel Stability Enhancing Control Strategy for Centralized PV-Grid Systems for Smart Grid Applications. IEEE Trans. Smart Grid 2014, 5, 1389–1396. [Google Scholar] [CrossRef]
- Eghtedarpour, N.; Farjah, E. Control Strategy for Distributed Integration of Photovoltaic and Energy Storage Systems in DC Micro-Grids. Renew. Energy 2012, 45, 96–110. [Google Scholar] [CrossRef]
- Bocklisch, T. Hybrid Energy Storage Systems for Renewable Energy Applications. Energy Procedia 2015, 73, 103–111. [Google Scholar] [CrossRef]
- Xu, Q.; Hu, X.; Wang, P.; Xiao, J.; Tu, P.; Wen, C.; Lee, M.Y. A Decentralized Dynamic Power Sharing Strategy for Hybrid Energy Storage System in Autonomous DC Microgrid. IEEE Trans. Ind. Electron. 2016, 64, 5930–5941. [Google Scholar] [CrossRef]
- Chong, L.W.; Wong, Y.W.; Rajkumar, R.K.; Rajkumar, R.K.; Isa, D. Hybrid Energy Storage Systems and Control Strategies for Stand-Alone Renewable Energy Power Systems. Renew. Sustain. Energy Rev. 2016, 66, 174–189. [Google Scholar] [CrossRef]
- Motapon, S.N.; Dessaint, L.-A.; Al-Haddad, K. A Comparative Study of Energy Management Schemes for a Fuel-Cell Hybrid Emergency Power System of More-Electric Aircraft. IEEE Trans. Ind. Electron. 2013, 61, 1320–1334. [Google Scholar] [CrossRef]
- Zhao, P.; Wang, J.; Dai, Y. Capacity Allocation of a Hybrid Energy Storage System for Power System Peak Shaving at High Wind Power Penetration Level. Renew. Energy 2015, 75, 541–549. [Google Scholar] [CrossRef]
- Zhao, P.; Wang, M.; Wang, J.; Dai, Y. A Preliminary Dynamic Behaviors Analysis of a Hybrid Energy Storage System Based on Adiabatic Compressed Air Energy Storage and Flywheel Energy Storage System for Wind Power Application. Energy 2015, 84, 825–839. [Google Scholar] [CrossRef]
- Feng, X.; Gooi, H.B.; Chen, S.X. Hybrid Energy Storage with Multimode Fuzzy Power Allocator for PV Systems. IEEE Trans. Sustain. Energy 2014, 5, 389–397. [Google Scholar] [CrossRef]
- Chia, Y.Y.; Lee, L.H.; Shafiabady, N.; Isa, D. A Load Predictive Energy Management System for Supercapacitor-Battery Hybrid Energy Storage System in Solar Application Using the Support Vector Machine. Appl. Energy 2015, 137, 588–602. [Google Scholar] [CrossRef]
- Alnejaili, T.; Drid, S.; Mehdi, D.; Chrifi-Alaoui, L.; Belarbi, R.; Hamdouni, A. Dynamic Control and Advanced Load Management of a Stand-Alone Hybrid Renewable Power System for Remote Housing. Energy Convers. Manag. 2015, 105, 377–392. [Google Scholar] [CrossRef]
- Dash, V.; Bajpai, P. Power Management Control Strategy for a Stand-Alone Solar Photovoltaic-Fuel Cell–Battery Hybrid System. Sustain. Energy Technol. Assess. 2015, 9, 68–80. [Google Scholar] [CrossRef]
- Cazzaniga, R. Chapter 4—Floating PV Structures. In Floating PV Plants; Rosa-Clot, M., Marco Tina, G., Eds.; Academic Press: Cambridge, MA, USA, 2020; pp. 33–45. ISBN 978-0-12-817061-8. [Google Scholar]
- Sun, Y.; Hou, X.; Yang, J.; Han, H.; Su, M.; Guerrero, J.M. New Perspectives on Droop Control in AC Microgrid. IEEE Trans. Ind. Electron. 2017, 64, 5741–5745. [Google Scholar] [CrossRef]
Disclaimer/Publisher’s Note: The statements, opinions and data contained in all publications are solely those of the individual author(s) and contributor(s) and not of MDPI and/or the editor(s). MDPI and/or the editor(s) disclaim responsibility for any injury to people or property resulting from any ideas, methods, instructions or products referred to in the content. |
© 2024 by the authors. Licensee MDPI, Basel, Switzerland. This article is an open access article distributed under the terms and conditions of the Creative Commons Attribution (CC BY) license (https://creativecommons.org/licenses/by/4.0/).