Abstract
Jordan Valley area suffers from a lack of water because of the current political situation. Therefore, water distribution is being done on a periodic basis and farmers need to store water in artificial ponds on site so as to be able to irrigate their field during the anonymous days that water is not available from the main supply. However, artificial ponds may affect the environment negatively due to the plants that live in it such as algae, which attracts mosquitos and causes a bad smell. Thus, in this paper, a simple and low-cost photovoltaic based pumping system is proposed to inject a chemical material in the water of the artificial pond to get rid of algae. The proposed system consists of a pump that is powered by a photovoltaic module and pumps the proposed chemical material in the artificial pond using a rotary nozzle that is fixed on a pipe around the ponds. The system is affordable and reduces the production of the unwanted plants. As a result, the proposed system reduces chemical oxygen demand value, which is considered the main cause of algae blooming, from 7200 mg/L to 95 mg/L. The proposed product is powered by a 50 W foldable solar panel and it costs about 213 USD.
1. Introduction
Palestine, in general, suffers from limited water sources and this problem localizes in Jordan valley. The total area of Jordan Valley is approximately 720 thousand acres, divided into three areas that are attached to three governorates, which are Tubas (North Valley), Nablus (Middle Valley) and Jericho (South Valley). Due to the political situation, there is a control of water amount that is pumped for Palestinian regions. Thus, this area suffers from a lack of water, whether for drinking, agriculture or other human uses. In the meanwhile, this area has high agricultural value and therefore, it needs a huge amount of irrigation water as compared to other regions.
In the Palestinian side of Jordan Valley, there is a parodic pumping policy applied. The water is pumped in specific days and specific times in insufficient quantities for crops irrigation [1]. This situation is due to the political situation in this region. Anyway, to solve this problem, farmers try to store water in large tanks mounted on specific structure. However, this is against the law considering Oslo Accords where any construction activity needs permit from the Israeli side [1,2]. Farmers, therefore, use another solution for collecting and reserving water, whereas they dig to make artificial ponds so as to collect water from rainfall, nearby artesian wells and any available excess water. Artificial ponds are real good collecting technique, as it is an integrated way to collect and store runoff surface water from rainfall that runs on roofs of greenhouses. Agricultural plastic greenhouses are one of the facilities that can be used to collect rainwater. Each agricultural greenhouse with an area of one acre can collect about 300 cubic meters annually of fresh rainwater that suits for planting all kinds of crops. However, artificial ponds were prevented too by Israeli authorities for environmental reasons, since these ponds create many environmental problems. Artificial ponds cause a bad view, bad stinky smell and collect many types of insects, flies, frogs, cockroaches, worms and the most dangerous are the insects and microorganisms that are attracted by the algae that is formed on the surface. These insects and microorganisms may carry viral and bacterial diseases that destroy the crops and affect their quality [3,4].
Here also, farmers try to solve the growing algae problem by adding many types of fish like Tilapia, Lionhead and Koi that feed on algae and some insects that the artificial pond attracts. However, this solution is not suitable because it affects fish badly and killed it due to oxygen depletion and polluted water [5,6]. Based on that, there is a dire need to treat the water in these ponds so as to address the current political, environmental and economic situation in Jordan Valley.
In general, algae pollution has become a global issue recently. The solution is to treat and control the growth of algae by such methods including biological, physical and chemical controls. Zhang et al. [7] studied the ultrasonic removal of Microcystis aeruginosa. It was chosen because it is a major bloom forming and poisonous algae species and is widely found in natural waters. Similarly, Heng et al. [8] reported the effectiveness of ultrasonic irradiation on algae removal by coagulation. In addition to that, Wang et al. [9] studied the removing of algae from lake water and its attendant water quality changes using ultrasound under different conditions. Moreover, Zhang et al. [10] introduced a new technology for effective removal of algae cells from the source water in water treatment based on sonication–coagulation method. On the other hand, Ghernaout et al. [11] studied algae and cyanotoxins removal by coagulation–flocculation. Hu et al. [12] studied the feasibility of using coagulation for treating slightly polluted algae-containing raw water of the Pearl River combining ozone pre-oxidation with poly aluminum chloride (PAC). Hoko and Makado [13] presented sampling and analysis of parameters according to American Public Health Association APHA standards. It is claimed in this research that that algae removal is increased with the increasing of contact times. In the meanwhile, Shen et al. [14] studied algae removal by drinking water treatment of chlorination coupled with coagulation. Phoochinda and Whit [15] investigated algae removal using froth flotation. It was reported that decreasing the pH values of the algal suspension might increase the algal removal efficiency up to 80%. In another work, Kwon et al. [16] studied removing of algae and turbidity by floating-media and sand filtration. Finally, Shehata et al. [17] claimed that the algal removal rate increased when using oxidants combined with alum–potassium permanganate as this is the most effective treatment combination for algal removal.
Based on the reviewed research, there are several possible approaches to control algae. Management practices for nuisance algae are divided into two major categories, which are nutrient manipulation and direct control techniques. Nutrient manipulation is considered the best approach for long-term control of algal problem. There are situations for which significant nutrient reduction is impractical or ineffective. Under these conditions, direct control of the algal biomass may be the only alternative available [18].
Nutrient manipulation can be done for example by mechanical mixing (water circulation), using surface-mounted pumps. This mixing of the water column disrupts the behavior of cyanobacteria to migrate vertically in addition to limiting the accessibility of nutrients [19]. The disadvantage of the mixing or circulation of water is often the high maintenance required to the systems and the efficiency of the system, which is depending on water’s quality [20]. Moreover, if the circulation system run for 12 h per day, the total energy required is 0.525 kWh/m2 year [21]. Thus, all of these methods require high levels of water pumping, pond mixing or aeration, which implies high energy consumption [22]. In the meanwhile, removing algae from lake water using ultrasound under different conditions could efficiently remove the algae. However, to reach removal efficiency higher than 95%, high frequencies with relatively large power sources (20–80) Watt are required [7,9]. In addition to that, the major disadvantage of UV disinfection is UV intensity, which decreases sharply with its passage in water and its decrease is even more significant with high water turbidity.
On the other hand, direct control methods can be done using chemicals by the coagulation method. It was approved that this method requires lower operating costs and little maintenance in terms of the biological operation [23,24]. The coagulant is rapidly and thoroughly dispersed on dosing by adding it at a point of high turbulence. The advantages of coagulation are that it reduces the time required to settle out suspended solids and is very effective in removing fine particles that are otherwise very difficult to remove [25,26].
Solar water pumping is based on photovoltaic (PV) technology that converts solar energy into electrical energy to run a DC or AC motor based pump. The use of solar photovoltaic energy in pumping is considered to be a primary resource, where direct solar radiation may reach up to 1000 W/m2 [27]. The advantages of PV powered pumps are low maintenance, no pollution, easy installation, reliability, the possibility of unattended operation and capability to be matched with solar radiation since, in most cases, water demand increases during summer when solar radiation is maximum. In the meanwhile, the disadvantages are the high initial cost and variable water production [28]. After all, many researchers have concluded the super priority of PV based pumping system as compared to other choices such as diesel generator in remote areas [19,20,21,22,25] Moreover, PV based pumping systems performance for agriculture application was also proven by other researchers [23,24,25,26]. Finally, the feasibility of PV pumping system was investigated and reported positively in some researches [27,28].
Based on that, an efficient method for irrigation water treatment based on photovoltaic pumping system for artificial ponds in Jordan Valley is proposed in this research. The method is presented by a small PV-pump driven system that pumps chemical material into the water of an artificial pond. The chemical material is pumped with high pressure to rotary nozzles that are fixed on the pipe that was installed inside the pond with a specific depth so as to ensure distribution of the material to all corners of the pond.
2. Proposed Chemical Material for Water Treatment
In this research, Tammun, which is a village that is located in Tubas governorate in Palestine, is adapted as a case study. There are more than 300–400 artificial ponds in Tammun village valley with different sizes whereas they are in the range of 10–15 m length, 4–8 m width and 1.5–2 m depth.
In general, the farmers in this village create artificial ponds to address the problem of water shortages. During summer, water in these artificial ponds is collected from five artesian wells around the village. While, in winter, water comes from rainfall. It is worth mentioning that the rainfall in Palestine usually starts in the middle of October and continues up to the end of April. The amount of rainfall in the Jordan Valley and Dead Sea area has an average of 100 mm as a minimum value [29].
2.1. Sample Collection and Analysis
A specific site has been selected in this village and samples were collected from the site with storing temperature of 2–8 °C as shown in Figure 1. After that, sample analysis has been done in the Analysis and Calibration unit at An-Najah National University, as shown in Table 1 below. According to the test, the percentages of pH, SO4, PO4, Cl, NO3, Ca, Na, CaCO3, K, TDS and Mg were within the normal range except for chemical oxygen demand (COD), which was 7200 mg/L. This value, in fact, is very high as the allowable value is maximum 250 mg/L [27].
Figure 1.
Capture of the site.
Table 1.
Sample testing results (* SMWW: Standard Method of Water and Waste water).
COD is the amount of oxygen that is consumed in the oxidation of organic matter. It is used to measure the total amount of organic that formed due to a high concentration of phosphorus in the pond [30]. High concentrations of phosphorus may result from poor agricultural practices, runoff from urban areas and lawns, leaking septic systems or discharges from sewage treatment plants. Phosphorus is considered a vital nutrient for converting sunlight into usable energy, and essential to cellular growth and reproduction causing algae blooms [31].
2.2. Proposed Treating Material
In this research it is aimed to conduct a nutrient manipulation to kill algae. According to many research phosphorus is the main reason for algae growing [30]. Thus, it is aimed to develop a material that dissolves phosphorus so as to get rid of algae. Many researches show that the most used chemicals for controlling phosphorus in ponds are lime and alum [24]. Lime is used for the treatment of raw wastewaters and could affect an 80% to 90% removal of phosphorus. The use of lime as a coagulant appeared to be more efficient. As for alum, it is concluded that the use of alum as a coagulant is moderately effective in algal removal [24]. Alum includes many components, such as potassium alum sulfate that is chosen in this paper since the aluminum sulfate is a coagulant and the potassium is a very important fertilizer for plants [32,33]. To do so, potassium aluminum sulfate is utilized. Potassium aluminum sulfate is a chemical (potash alum) with a chemical formula of KAl(SO4)2 12H2O. This substance was particularly chosen because it gets rid of phosphorus, which is the main reason for algae growing. This material was obtained after several laboratory experiments including using other materials that are common to be used in the purification of algae, such as lime.
3. Materials and Methods
Solar water pumping systems may contain DC and AC motors. DC motors are directly connected to PV generator. According to water pumping requirement, solar water pumps may be divided into three categories, which are submersible, surface and floating water pumps [34]. PV power must cover the power demand of the pump adequately. This is determined by the relationship between the required discharge flow, the total head and pump’s efficiency. Positive displacement pumps are preferred for large pumping heads, whereas centrifugal pumps are most commonly used for low pumping head. In this article, a DC surface centrifugal water pump is used [35].
The first step in designing the proposed system was tank sizing as well as nozzle and pipes material selection. In the meanwhile, the second step was to calculate the flow rate and the total dynamic head. After that, the required power was calculated. Finally, PV generator capacity and system’s control strategy were decided.
3.1. Materials Selection
Many factors and constraints needed to be considered in selecting the materials for the proposed system. These constrains were chemical material nature, the easiness to use and the economic aspect. The tank, pipes, rotary nozzle and fittings material were PVC plastic since it was available and does not react with other material like metal and steel [36]. Moreover, it is lighter, easier to shake in the tank and cheaper than metal and steel [36].
The required number of rotary nozzle was estimated to be three nozzles, since one of them could cover a distance of 5 m with radius of 360° and working pressure of 2.4 bar. It was suitable to overcome the total pressure exerted against the inlet area 0.5″ of the nozzles, which was almost equal 1.8 bar [37].
3.2. Flow Rate Estimation
The flow rate was calculated using the following equation [35],
where Q is the flow-rate, V is the volume of the supplying tank of chemical substance and t is the time to evacuate the tank.
To estimate the diameter of the pipe, the velocity (v) was set to be in the recommended range for centrifugal pump suction and discharge velocities which are in the range of 0.6–1.2 m/s, and 2.1–7.6 m/s respectively [35]. This assumption was applied for both suction and discharge range [35]. The pipe was chosen to be PVC (40 schedule) and its cross sectional area was calculated using the following equation [35]:
where Q is the flow-rate, V is the velocity in the pipe and A is the cross sectional area for the pipe. The results above match with centrifugal pumps rules which are below,
Dsuction > DDischarge,
Vsuction < VDischarge,
3.3. Total Dynamic Head Estimation
The total dynamic head (TDH) is the total equivalent vertical distance that the pump must move the water, or the pressure that the pump must overcome to move the water to a certain distance as shown in Figure 2 [38].
Figure 2.
The typical head of the water pump.
The losses in pipes are calculated as follows,
where Re is Reynolds number, v is the velocity in the pipe, D is the diameter of the pipe and is kinematic viscosity, which was 1.31 × 10−⁶ m2/s for the chemical solution. The friction coefficient (f) can be found using a modified equation:
where k is roughness coefficient for PVC pipes, which was 0.0015 mm, D is the pipe diameter, Re is the Reynolds number and L is the length of the pipes.
To calculate dynamic head losses in the pipes DH, Equations (7) and (8) are used,
where K is the resistance coefficient, v is the velocity in the pipe and g is the acceleration due to gravity. To calculate K for the pipes, Equation (8) was used:
where K is the resistance coefficient, f is the friction coefficient, L is the pipe length and D is the diameter of the pipe. K values for suction and discharge were 0.405 and 67.15 respectively. As for the pipe, DH was calculated for suction and discharge and it equals 7.44 × 10−3 m and 15.11 m respectively.
The losses in fittings Kfittings and DH was calculated as well. Kfittings is the total resistance coefficient for fittings and it equals 13, since it equals 1 for non-return valve (1 Item), 2 for Tee Branch flow threaded (3 Items), 1.5 for 90° Bend Threaded (7 Items) and 6 for the water meter turbine wheel [39]. The total dynamic head (HD) for plastic PVC fittings was 2.92 m and 0.11 m through water meter. Finally Bernoulli equation was used to get the value of TDH as below [35],
where P is pressure, P1-tank equals to 13.005 Psi (89.7 kPa) and P2-nozzle equals to 26.175 Psi (180.5 kPa), is the specific weight of the material, which equals ρg where ρ is the potash alum solution density (1725 kg/m3), ha is the head loss, v is the velocity of the fluid at the inlet/outlet, z is the elevation of the point above a reference plane that is specified and g stands for the magnitude of the acceleration due to gravity = 9.81 m/s2. Figure 3 shows the mechanical diagram of the system.
Figure 3.
Mechanical diagram of the system.
3.4. Pump Selection and PV Sizing
There are several types of electrical motors that could be utilized to run the pump such as AC and DC. DC motors are an attractive option because of their compatibility with the power source and because their efficiency is usually higher than that of ac motors [28]. Therefore a DC motor was used for this application. The size of the water pump was calculated based on the following equation [40],
where P is pump’s power, Q is the flow-rate, H is the total dynamic head, ρ is the potash alum solution density (1725 kg/m3), g is acceleration gravity (9.81 m/s2) and η is the pump efficiency.
3.5. Control System
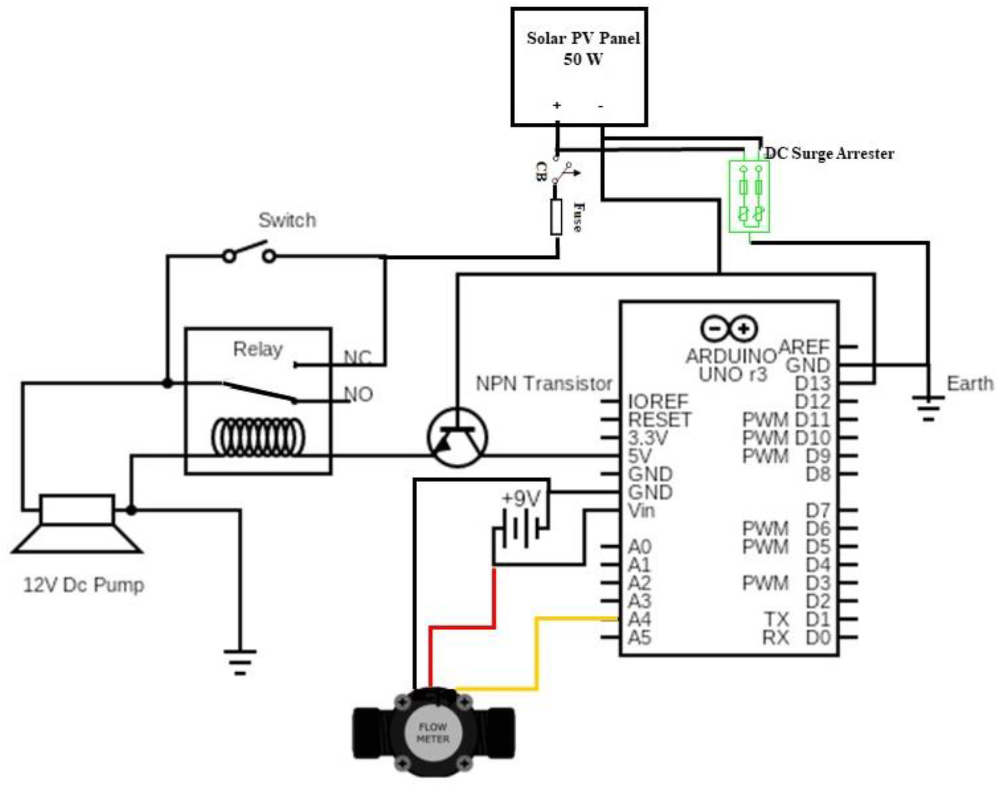
For this case, it was assumed that the system was turned on manually using a switch and was turned off automatically using a sensor, relay and Arduino controller. The water flow sensor consisted of a plastic body called a turbine wheel water meter, the flow of the rotor assembly and the Hall sensor. This sensor was installed at the pump’s inlet so as to detect the water flow toward the rotor assembly. In the meanwhile, the Hall sensor automatically turned off the system based on the magnetic speed of rotation of the rotor and the flow rate changes. A sensor with an equivalent number of pulses flow through a premium output voltage (3.5–12 VDC) and a current that does exceed 10 mA was considered. Now, the adapted sensors network generates 450 pulses per liter of liquid. Thus, it required counting 9000 pulses for 20 litters (bottle size) before turning off the system.
Relay (SPDT) and Arduino (UNO) with a battery were used in the system to automatically turn off the pump after sensor feedback signal. Figure 4 below shows the electrical connections for the proposed system’s component.
Figure 4.
Electrical diagram of the system.
4. Results and Discussion
In this research, testing was done at a lab temperature of 25 °C using 200 mL and 100 mL beakers containers for mixing, a dropper, a scale to weight chemical material, safety goggles, gloves and a lab coat.
In general lime is recommended by some researches. However, using lime alone decreased the pH value, whereas it reached 12.3, while, the normal pH value for irrigation water ranges from 6.5 to 8.4 [21]. To solve this problem, potash alum was added to adjust the pH value within the required limit. Using potash alum alone gave good results and gave acceptable pH value of 7.45 and solved the problem of COD. The chemical material was added and then a rapid mixing was applied to dissolve the chemical and distribute it evenly throughout the water. It was aimed by this practice to bind the phosphorous with the potash alum, and turned it into sediment in the bottom of the water with a settling time of 15 min. The purified water that contained the sediment should not be used in irrigation until the water was passed through a filter. As a result, the usage of the proposed material decreased the COD from 7200 mg/L to 200 mg/L. Such a removal ratio was considered high as compared to other researches. The removal ratio of algae, for example by using potassium ferrate (K2FeO4) was 92.5% with the contact time set to 1 min. In the meanwhile, the potassium permanganate (KMnO4) removal ratio was found to be 74.6% after 10 min of contact [26].
Anyway, jar tests showed that a potash alum amount of 14 g that was rapidly mixed with 100 mL of clean water was the recommended mixture ratio for water treatment. In this research, 200 mL of untreated pond water sample was mixed with 0.5 mL of the recommended mixture with a concentration of 0.295 mol/L. This practice decreased the COD value from 7200 mg/L to around 95 mg/L as mentioned earlier.
In this research, the adapted case study was an artificial pond with a volume of 120,000 L. Thus, the dosing volume material needed was 300 L of the recommended mixture. This was in order to achieve the goal for both algae removing and algae prevention blooming. A tank volume of 20 L was considered since there were commercial tanks available with this size (water coolers bottles). The choice of a 20 L bottle would make it easy to carry and to shake.
The pumping time was assumed to be during the sun peak (11:00–14:00) and for three hours. Thus, so in order to finish the 300 L dose in that time, the pumped time was set to be 4 min. Based on that the flow rate was estimated using Equation (1) to be 0.083 × 10−3 m3/s.
The type of pipe chosen was PVC (40 schedules), which can handle 10 bar with nominal pipe size for suction and discharge with cross section areas equal to 0.75″, 0.5″ respectively. According to Equation (2), the velocity of the suction and the discharge process were set to 0.6 m/s and 2.1 m/s respectively. Reynolds number (Re) for suction and discharge were found to be 6077.86 and 11,381.6 respectively using Equation (5). The friction coefficient (f) for suction and discharge was found to be 0.03585 and 0.03027 respectively by using Equation (6). The total dynamic head (TDH) for pipes was 15.11744 m, then Head loss (ha) was calculated from Equation (9) and it was found to be about 20 m.
All pumping was assumed to be done using an electric centrifugal DC pump with an overall power calculated to be 36.11 W according to Equation (10) with an efficiency of 77% [35]. Since energy loss from the solar panel was in the range of 30%–35%, a 50-watt photovoltaic foldable solar panel was chosen.
Figure 5a–c below shows the purified water before treatment, after treatment and the dead algae precipitated. It also shows the situation after getting rid of all the algae that precipitated and after filtering the treated water. Finally Figure 6 shows a 3D design of the proposed product.
Figure 5.
The purified water result: (a) Before treatment; (b) after treatment and the dead algae that was precipitated and (c) after getting rid of all algae precipitated in the bottom and the water became pure.
Figure 6.
Proposed design of the product.
As for the cost of the system, Table 2 shows the price estimation per unit of the proposed system. According to the table the cost of the unit was about 213 USD, which was considered affordable.
Table 2.
Proposed device cost.
According to this price the product was found to be affordable and cost effective considering product price and chemical material price.
5. Conclusions
In this paper, an efficient irrigation water treatment based on the photovoltaic pumping system in Jordan Valley was proposed. The proposed system consisted of a pump that was powered by a photovoltaic module and pumped a chemical material in the artificial pond using a rotary nozzle that was fixed on a pipe around the ponds. The system was found to be affordable and reduced the production of the unwanted creatures. As a result, the proposed system reduced the chemical oxygen demand value, which was considered the main cause of algae blooming, from 7200 mg/L to around 95 mg/L. The proposed product was powered by 50 W foldable solar panel and it costed about 213 USD. Such a system was expected to serve the pond’s algae blooming problem especially the ponds in Jordan Valley in Palestine. The result of this work should encourage the government for wide installation of the system to keep the environment clean and healthy.
Author Contributions
S.Q. and R.A. collected data, conducted experiments, analyzed tests and wrote the paper. T.K. developed the methods, supervised the research, analyzed tests and wrote and edited the paper. I.W. analyzed tests.
Funding
This research receives funding from An-Najah National University Grant No. ANNU-1819-Sc010 and the APC was funded by this grant.
Conflicts of Interest
The authors declare no conflict of interest.
References
- Isaac, J.; Sabbah, W. The Intensifying Water Crisis in Palestine; Applied Research Institute–Jerusalem (ARIJ): Bethlehem, Palestine, 1994. [Google Scholar]
- Final Palestinian Water Authority Status Report of Water Resources in the Occupied State of Palestine-2012; Palestinian Water Authority: Ramallah, Palestine, 2013.
- Scott, M.J.; Gould, F.; Lorenzen, M.; Grubbs, N.; Edwards, O.; O’Brochta, D. Agricultural production: Assessment of the potential use of Cas9-mediated gene drive systems for agricultural pest control. J. Responsib. Innov. 2018, 5, S98–S120. [Google Scholar] [CrossRef]
- Raheja, A.K. Assessment of Losses Caused by Insect Pests to Cowpeas in Northern Nigeria. PANS 1976, 22, 229–233. [Google Scholar] [CrossRef]
- Nanninga, H.J.; Tyrrell, T. Importance of light for the formation of algal blooms by Emiliania huxleyi. Mar. Ecol. Prog. Ser. 1996, 136, 195–203. [Google Scholar] [CrossRef]
- Thronson, A.; Quigg, A. Fifty-Five Years of Fish Kills in Coastal Texas. Estuaries Coasts 2008, 31, 802–813. [Google Scholar] [CrossRef]
- Zhang, G.; Zhang, P.; Wang, B.; Liu, H. Ultrasonic frequency effects on the removal of Microcystis aeruginosa. Ultrason. Sonochem. 2006, 13, 446–450. [Google Scholar] [CrossRef] [PubMed]
- Heng, L.; Jun, N.; Wen-jie, H.; Guibai, L. Algae removal by ultrasonic irradiation–coagulation. Desalination 2009, 239, 191–197. [Google Scholar] [CrossRef]
- Li, J.; Long, H.; Song, C.; Wu, W.; Yeabah, T.O.; Qiu, Y. Study on the removal of algae from lake water and its attendant water quality changes using ultrasound. Desalin. Water Treat. 2014, 52, 4762–4771. [Google Scholar] [CrossRef]
- Zhang, G.; Wang, B.; Zhang, P.; Wang, L.; Wang, H. Removal of Algae by Sonication-Coagulation. J. Environ. Sci. Health Part A 2006, 41, 1379–1390. [Google Scholar] [CrossRef] [PubMed]
- Ghernaout, B.; Ghernaout, D.; Saiba, A. Algae and cyanotoxins removal by coagulation/flocculation: A review. Desalin. Water Treat. 2010, 20, 133–143. [Google Scholar] [CrossRef]
- Hu, W.C.; Wu, C.D.; Jia, A.Y.; Chen, F. Enhanced coagulation for treating slightly polluted algae-containing raw water of the Pearl River combining ozone pre-oxidation with polyaluminum chloride (PAC). Desalin. Water Treat. 2015, 56, 1698–1703. [Google Scholar] [CrossRef]
- Hoko, Z.; Makado, P.K. Optimization of algal removal process at Morton Jaffray water works, Harare, Zimbabwe. Phys. Chem. Earth Parts A/B/C 2011, 36, 1141–1150. [Google Scholar] [CrossRef]
- Shen, Q.; Zhu, J.; Cheng, L.; Zhang, J.; Zhang, Z.; Xu, X. Enhanced algae removal by drinking water treatment of chlorination coupled with coagulation. Desalination 2011, 271, 236–240. [Google Scholar] [CrossRef]
- Phoochinda, W.; White, D.A. Removal of algae using froth flotation. Environ. Technol. 2003, 24, 87–96. [Google Scholar] [CrossRef] [PubMed]
- Kwon, D.Y.; Kwon, J.H.; Jo, G.J. Removal of algae and turbidity by floating-media and sand filtration. Desalin. Water Treat. 2014, 52, 1007–1013. [Google Scholar] [CrossRef]
- Shehata, S.; Badr, S.; Wahba, S. Drinking Water Treatment Options for Eliminating Freshwater Algae. Int. J. Environ. Stud. 2002, 59, 679–688. [Google Scholar] [CrossRef]
- Lembi, C.A. Control of nuisance algae. Freshw. Algae N. Am. 2003, 805–834. [Google Scholar] [CrossRef]
- Blottiere, L. The Effects of Wind-Induced Mixing on the Structure and Functioning of Shallow Freshwater Lakes in a Context of Global Change; Archive Ouverte HAL: Lyon, France, 2016. [Google Scholar]
- Kirke, B.K. Pumping downwards to prevent algal blooms. Presented at the IWA 2nd World Water Congress, Berlin, German, 15–29 October 2001. [Google Scholar]
- Murphy, C.F.; Allen, D.T. Energy-Water Nexus for Mass Cultivation of Algae. Environ. Sci. Technol. 2011, 45, 5861–5868. [Google Scholar] [CrossRef] [PubMed]
- Brune, D.E.; Schwartz, G.; Eversole, A.G.; Collier, J.A.; Schwedler, T.E. Intensification of pond aquaculture and high rate photosynthetic systems. Aquac. Eng. 2003, 28, 65–86. [Google Scholar] [CrossRef]
- Klemenčič, A.K.; Griessler-Bulc, T. The efficiency of ultrasound on algal control in a closed loop water treatment system for cyprinid fish farms. Fresenius Environ. Bull. 2010, 19, 919–931. [Google Scholar]
- Middlebrooks, E.J.; Porcella, D.B.; Gearheart, R.A.; Marshall, G.R.; Reynolds, J.H.; and Grenney, W.J. Review Paper: Evaluation of Techniques for Algae Removal from Wastewater Stabilization Ponds; Utah Water Research Laboratory: Logan, UT, USA, 1974. [Google Scholar]
- De Godos, I.; Guzman, H.O.; Soto, R.; García-Encina, P.A.; Becares, E.; Muñoz, R.; Vargas, V.A. Coagulation/flocculation-based removal of algal–bacterial biomass from piggery wastewater treatment. Bioresour. Technol. 2011, 102, 923–927. [Google Scholar] [CrossRef]
- Ma, X.Y.; Zhang, Z.H.; Li, Q.S.; Hu, S.F.; Wang, H.Y.; Li, J.; Chen, J.M. Simultaneous removal of algae and its odor metabolites in raw water by potassium ferrate. Desalin. Water Treat. 2014, 52, 357–364. [Google Scholar] [CrossRef]
- Gopal, C.; Mohanraj, M.; Chandramohan, P.; Chandrasekar, P. Renewable energy source water pumping systems—A literature review. Renew. Sustain. Energy Rev. 2013, 25, 351–370. [Google Scholar] [CrossRef]
- Khatib, T. Deign of Photovoltaic Water Pumping Systems at Minimum Cost for Palestine: A Review Optimal modeling and sizing of photovoltaic water pumping system View project Rural Electrification View project. Artic. J. Appl. Sci. 2010, 10, 2773–2784. [Google Scholar]
- Mahmoud, N.; Hogland, W.; Sokolov, M.; Rud, V.; Myazin, N. Assessment of rainwater harvesting for domestic water supply in palestinian rural areas. In Proceedings of the MATEC Web Conference, Saint-Petersburg, Russia, 5 December 2018; Volume 245, p. 06012. [Google Scholar]
- Parry, R. Agricultural Phosphorus and Water Quality: A U.S. Environmental Protection Agency Perspective. J. Environ. Qual. 1998, 27, 258–261. [Google Scholar] [CrossRef]
- Peterson, F.; Risberg, J. Nutrients: Phosphorus, Nitrogen Sources, Impact on Water Quality—A General Overview; Pollution Control Agenc: Sao Paulo, MN, USA, 2008. [Google Scholar]
- Potash–An Overview|ScienceDirect Topics; Science Direct: Amsterdam, The Netherlands. Available online: https://www.sciencedirect.com/topics/chemical-engineering/potash (accessed on 13 April 2019).
- Prajapati, K.; Modi, H.A. The Importance of potassium in plant growth—A review. Indian J. Plant Sci. 2012, 1, 177–186. [Google Scholar]
- Raghuwanshi, S.S.; Khare, V. Sizing and modelling of stand-alone photovoltaic water pumping system for irrigation. Energy Environ. 2018, 29, 473–491. [Google Scholar] [CrossRef]
- Robert, L. Applied Fluid Mechanics, 6th ed.; Prentice Hall: Upper Saddle River, NJ, USA, 2006. [Google Scholar]
- Schweitzer, P.A. Corrosion Resistance Tables: Metals, Nonmetals, Coatings, Mortars, Plastics, Elastomers and Linings, and Fabrics; CRC Press: Boca Raton, FL, USA, 2004. [Google Scholar]
- Spellman, F.R. Spellman’s Standard Handbook for Wastewater Operators; CRC Press: Boca Raton, FL, USA, 2010. [Google Scholar]
- Jenkins, T. Designing Solar Water Pumping Systems for Livestock; Mexico State University: Las Cruces, NM, USA, 2014. [Google Scholar]
- Neutrium. Pressure Loss from Fittings–Excess Head (K) Method. 12 October 2012. Available online: https://neutrium.net/fluid_flow/pressure-loss-from-fittings-excess-head-k-method/ (accessed on 23 March 2019).
- Ahemed, N. The Mathematics of Pumping Water AECOM Design Build Civil, Mechanical Engineering; AECOM: Los Angeles, CA, USA, 2010. [Google Scholar]
© 2019 by the authors. Licensee MDPI, Basel, Switzerland. This article is an open access article distributed under the terms and conditions of the Creative Commons Attribution (CC BY) license (http://creativecommons.org/licenses/by/4.0/).





