Design and Performance Evaluation of a Self-Propelled Mugwort Harvester for Hilly and Mountainous Regions
Abstract
1. Introduction
- Based on the cultivation patterns and inherent physical properties of mugwort, a tine drum structure was designed, and a force analysis was conducted on the tine structure to determine the optimal design and tine arrangement. The kinematics of the tines were also studied. Using RecurDyn 2023 software, the motion trajectory of the tines was simulated, and post-processing was performed with the Post module to determine the optimal speed range for efficient operation, thus improving work efficiency.
- A hydraulic system was designed, with detailed calculations and component selection for the hydraulic cylinders, motors, pumps, and other hydraulic components, ensuring the system met the performance requirements and provided robust power support for the harvester.
- A mathematical model was established between experimental factors and performance indicators through an orthogonal rotational center combination experiment. Based on Design-Expert 13 software analysis, the optimal parameter combination was determined.
2. Machine Structure and Working Principle
2.1. Agronomic Requirements and Plant Characteristics
2.2. Design of the Harvester
2.3. Mechanism of Harvesting
3. Key Mechanical Structure Design and Parameterization
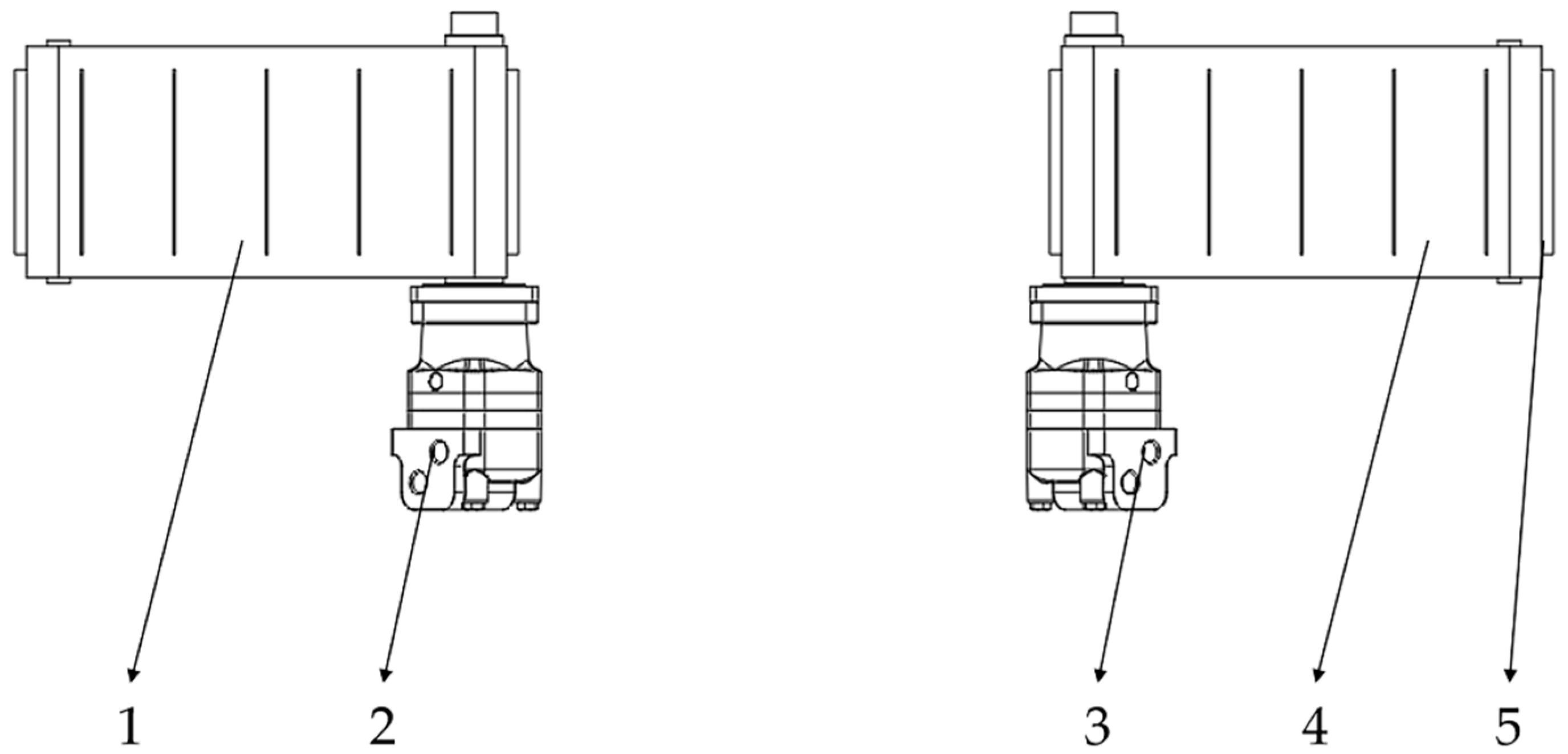
3.1. Crawler Traveling Mechanism
3.2. Harvesting Table Structure Design and Analysis
3.2.1. Limited Grafting Rate
3.2.2. Determination of the Tine Drum Size
3.3. Design of Defoliation Teeth
3.3.1. Distribution of Teeth
3.3.2. Defoliation Range and Inclination Angle of Elastic Teeth
3.4. Motion Analysis of Elastic Teeth
3.5. Force Analysis of Elastic Teeth
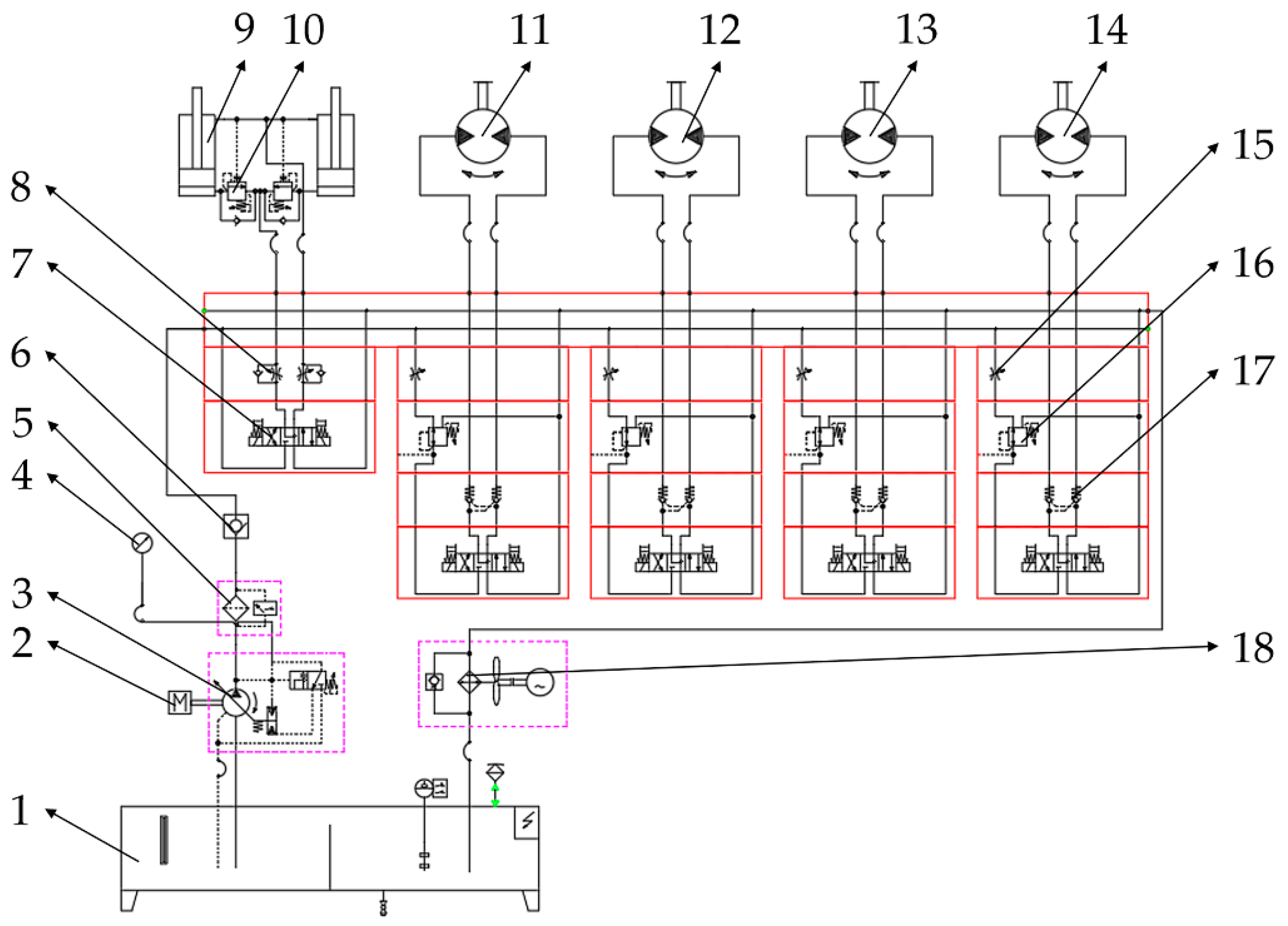
4. Hydraulic Transmission and Track Drive Unit Design
4.1. Hydraulic System Principle Design
4.2. Determination of Major Actuator Parameters
4.2.1. Determination of Hydraulic Drive Parameters for the Elastic Tooth Drum
4.2.2. Hydraulic Motor for Transverse Conveyor
4.2.3. Lifting and Conveying Hydraulic Motors
4.2.4. Parameter Determination of the Lifting Hydraulic Cylinder for the Harvesting Platform
4.2.5. Hydraulic Pump and Engine Selection
5. Field Experiments with Mugwort Harvester
5.1. Experimental Conditions
5.2. Experimental Factors and Indicators
- (1)
- Net Rate of Mugwort Leaf Harvesting
- (2)
- Impurity Rate
- (3)
- Mugwort Leaf Usability
- Intact mugwort leaves retain their natural, complete form without noticeable breakage or separation.
- Partially broken leaves exhibit minor damage or splits but remain largely intact.
- Severely broken leaves are predominantly fragmented into small pieces or powder with almost no intact parts.
5.3. Experimental Method
5.4. Analysis of Test Results
- (1)
- Net Rate of Mugwort Leaf Harvesting
- (2)
- Impurity rate
- (3)
- Mugwort Leaf Usability
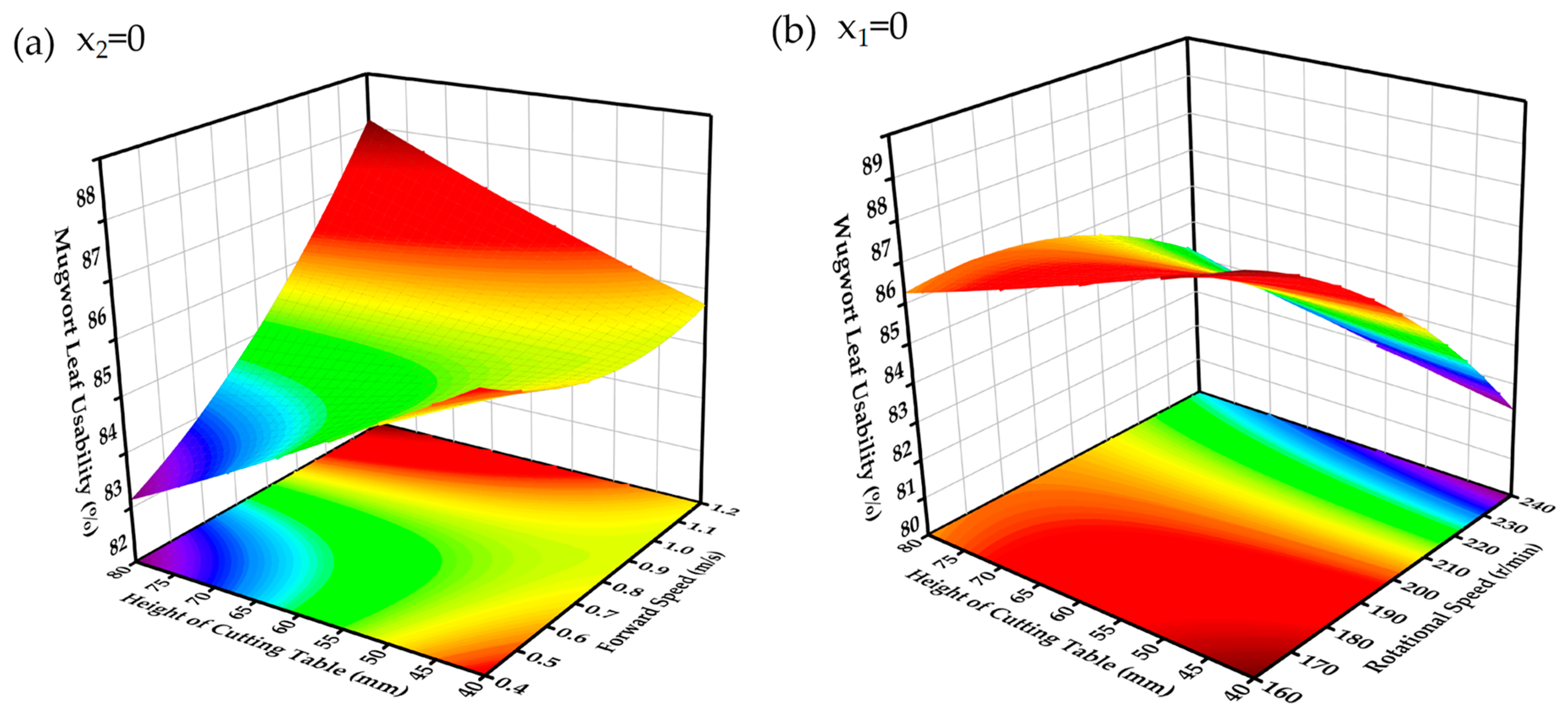
5.5. Response Surface Analysis
5.6. Parameter Optimization
5.7. Field Test
6. Conclusions
- (1)
- This study developed a self-propelled mugwort harvester specifically designed for hilly and mountainous terrains to address the challenges of manual harvesting. The harvester integrates a crawler-driven chassis, a tine drum de-leafing device, and a hydraulic system, with optimized technical parameters to enhance efficiency and performance. Mathematical models were established to evaluate the relationships between key operational parameters (rotational speed, forward speed, cutting table height) and performance indicators (net harvesting rate, impurity rate, and mugwort leaf usability). Field tests validated the effectiveness of the harvester, achieving a net harvesting rate of 93.78%, an impurity rate of 13.96%, a usability rate of 86.23%, and an operational efficiency of 0.155 hm2/h. These results highlight the harvester’s ability to significantly reduce labor intensity and improve productivity, as manual harvesting achieves only 0.007 hm2/h.
- (2)
- The energy and cost analysis revealed that the harvester, powered by a diesel engine, consumes 15.6 L of fuel per hour under normal operating conditions. The primary cost factors include diesel consumption and maintenance expenses. These findings demonstrate the scalability and commercial viability of the harvester for large-scale operations.
- (3)
- Despite its advantages, the current design has certain limitations. Manual unloading of the storage bin reduces overall efficiency, and the harvester only collects mugwort leaves, leaving stalks in the field. This necessitates additional equipment for field preparation to harvest mugwort stalks, which consequently increases labor intensity. Future designs should incorporate automated unloading systems and functionalities for stalk cutting or shredding to optimize workflow, reduce labor demands, and promote sustainable practices by returning organic material to the soil.
- (4)
- The harvester provides significant economic and ecological benefits by improving operational efficiency, reducing labor costs, and enhancing the quality of harvested leaves to meet market demands. However, further research is needed to evaluate its adaptability to different terrains, environmental conditions, and various mugwort varieties. Additionally, future efforts should focus on improving the harvester’s structure and expanding its functionalities to meet the evolving demands of large-scale mechanized mugwort harvesting, contributing to the sustainability and modernization of the industry.
Author Contributions
Funding
Institutional Review Board Statement
Data Availability Statement
Conflicts of Interest
References
- Zeb, S.; Ali, A.; Zaman, W.; Zeb, S.; Ali, S.; Ullah, F.; Shakoor, A. Pharmacology, taxonomy and phytochemistry of the genus artemisia specifically from pakistan: A comprehensive review. Pharm. Biomed. Res. 2018, 4, 1–12. [Google Scholar] [CrossRef]
- Bisht, D.; Kumar, D.; Kumar, D.; Dua, K.; Chellappan, D.K. Phytochemistry and pharmacological activity of the genus artemisia. Arch. Pharmacal Res. 2021, 44, 439–474. [Google Scholar] [CrossRef]
- Bora, K.S.; Sharma, A. The genus artemisia: A comprehensive review. Pharm. Biol. 2011, 49, 101–109. [Google Scholar] [CrossRef] [PubMed]
- Siwan, D.; Nandave, D.; Nandave, M. Artemisia vulgaris linn: An updated review on its multiple biological activities. Future J. Pharm. Sci. 2022, 8, 47. [Google Scholar] [CrossRef]
- Nigam, M.; Atanassova, M.; Mishra, A.P.; Pezzani, R.; Devkota, H.P.; Plygun, S.; Salehi, B.; Setzer, W.N.; Sharifi-Rad, J. Bioactive compounds and health benefits of artemisia species. Nat. Prod. Commun. 2019, 14, 1–17. [Google Scholar] [CrossRef]
- Sun, Y.J.; Tian, J.J. Research on the application of big data in regional industrial supply chain. J. Phys. Conf. Ser. 2021, 1883, 012167. [Google Scholar]
- Lai, Q.F.; Li, Y.R.; Yao, X.; Liu, B.; Deng, Y.J.; Hu, S.F.; Xiao, B.G. Research on shearing and beating hybrid mugwort deleafing mechanism. Agric. Technol. Equip. 2021, 13–14+16. [Google Scholar]
- Sun, S.N. An Experimental Study on the Influencing Factors of Defibration Quality of Artemisia Detachment. Master’s Thesis, Hubei University of Technology, Wuhan, China, 2018. [Google Scholar]
- Wang, D. Structural Design and Test Analysis of High-Efficiency Wormwood Defoliator. Master’s Thesis, Hubei University of Technology, Wuhan, China, 2020. [Google Scholar]
- Dong, W.T. Design and Experiment Research of Artemisia argyi Defoliation Machine. Master’s Thesis, Huazhong Agricultural University, Wuhan, China, 2022. [Google Scholar]
- Zhou, Y.; Huang, H.D.; Zhang, G.Z.; Fang, Z.; Xu, Z.J.; Wei, M. Design and experiment research of Artemisia argyi leaves removing machine. Chin. Agric. Mech. 2022, 44, 197–202. [Google Scholar]
- Lu, E.; Xue, J.; Chen, T.; Jiang, S. Robust trajectory tracking control of an autonomous tractor-trailer considering model parameter uncertainties and disturbances. Agriculture 2023, 13, 869. [Google Scholar] [CrossRef]
- Wang, T.B.; Wang, H.P.; Xiao, P.; Luan, Y.Q.; Li, L. Substation inspection robot crawler obstacle-navigation platform complex environment research. Appl. Mech. Mater. 2013, 415, 65–67. [Google Scholar] [CrossRef]
- Wang, Z.; Kong, F.; Xie, Q.; Zhang, Y.; Sun, Y.; Wu, T.; Chen, C. Design and testing of a crawler chassis for brush-roller cotton harvesters. Agriculture 2024, 14, 1832. [Google Scholar] [CrossRef]
- Yang, Z.Q. Crawler Vehicle Action System Dynamics Simulation and Fatigue Analysis. Master’s Thesis, North University of China, Taiyuan, China, 2023. [Google Scholar]
- Sun, Y.; Xu, L.; Jing, B.; Chai, X.; Li, Y. Development of a four-point adjustable lifting crawler chassis and experiments in a combine harvester. Comput. Electron. Agric. 2020, 173, 105416. [Google Scholar] [CrossRef]
- Jiang, D. Dynamic simulation of crawler excavator walking mechanism. Acta Tech. 2017, 62, 255–264. [Google Scholar]
- Fan, G.J.; Wang, Y.Z.; Zhang, X.H. Development and experiment of lifting platform for orchards in hilly area. Appl. Mech. Mater. 2017, 865, 111–117. [Google Scholar] [CrossRef]
- Gupta, C.; Tewari, V.K.; Machavaram, R. Evaluation of a laboratory-based prototype of a comb-type picking mechanism for chili pepper harvester. J. Biosyst. Eng. 2022, 47, 69–78. [Google Scholar] [CrossRef]
- Jameel, M.W.; Zaman, Q.U.; Schumann, A.W.; Quang, T.N.; Farooque, A.A.; Brewster, G.R.; Chattha, H.S. Effect of plant characteristics on picking efficiency of the wild blueberry harvester. Appl. Eng. Agric. 2016, 32, 589–598. [Google Scholar]
- Farooque, A.A.; Zaman, Q.U.; Groulx, D.; Schumann, A.W.; Yarborough, D.E.; Nguyen-Quang, T. Effect of ground speed and header revolutions on the picking efficiency ofa commercial wild blueberry harvester. Appl. Eng. Agric. 2014, 30, 535–546. [Google Scholar]
- Brabandt, H.; Ehlert, D. Chamomile harvesters: A review. Ind. Crops Prod. 2011, 34, 818–824. [Google Scholar] [CrossRef]
- Ehlert, D.; Beier, K. Development of picking devices for chamomile harvesters. J. Appl. Res. Med. Aromat. Plants 2014, 1, 73–80. [Google Scholar] [CrossRef]
- Han, D.; Zhang, H.; Li, G.; Wang, G.; Wang, X.; Chen, Y.; Chen, X.; Wen, X.; Yang, Q.; Zhao, R. Development of a bionic picking device for high harvest and low loss rate pod pepper harvesting and related working parameter optimization details. Agriculture 2024, 14, 859. [Google Scholar] [CrossRef]
- Yang, J.; Qin, X.; Lei, J.; Lu, L.; Zhang, J.; Wang, Z. Design and experiment of a crawler-type harvester for red cluster peppers in hilly and mountainous regions. Agriculture 2024, 14, 1742. [Google Scholar] [CrossRef]
- Liu, Z.Y.; Jin, C.Q.; Yuan, W.S.; Feng, Y.K.; Yuan, J.M. Design optimization and experiment of spring-tooth drum type picking device for vegetable soybean harvester. Trans. Chin. Soc. Agric. Eng. 2022, 53, 171–180. [Google Scholar]
- Qu, Z.; Lu, Q.; Shao, H.; Liu, L.; Wang, X.; Lv, Z. Design and testing of a self-propelled dandelion seed harvester. Agriculture 2023, 13, 917. [Google Scholar] [CrossRef]
- Ling, J.; Shen, H.; Gu, M.; Hu, Z.; Zhao, S.; Wu, F.; Xu, H.; Gu, F.; Zhang, P. The design and optimization of a peanut-picking system for a fresh-peanut-picking crawler combine harvester. Agriculture 2024, 14, 1332. [Google Scholar] [CrossRef]
- Li, L.; Li, S.; Li, J.; Wen, B.; Cen, H.; Wang, M.; Li, Y.; Song, K.; Zhang, Z. Design and test of a comb-brush-type honeysuckle-picking device. Agriculture 2023, 13, 2088. [Google Scholar] [CrossRef]
- Wang, L.; Liu, F.; Wang, Q.; Zhou, J.; Fan, X.; Li, J.; Zhao, X.; Xie, S. Design of a spring-finger potato picker and an experimental study of its picking performance. Agriculture 2023, 13, 945. [Google Scholar] [CrossRef]
- Breidi, F.; Garrity, J.; Lumkes, J. Design and testing of novel hydraulic pump/motors to improve the efficiency of agricultural equipment. Trans. ASABE 2017, 60, 1809–1817. [Google Scholar] [CrossRef]
- Wang, S.; Zhang, D.; Hu, X.; Lu, R. Finite element simulations and experimental analysis for efficient mugwort harvesting. Agriculture 2024, 14, 1875. [Google Scholar] [CrossRef]
- Rizaev, A.; Matchanov, R.; Yuldashev, A.T.; Kuldashev, D.A.; Djuraeva, N.B.; Karimov, N.; Ashurov, N. Cotton harvesters for one-time cotton-picking. IOP Conf. Ser. Mater. Sci. Eng. 2021, 1030, 012173. [Google Scholar] [CrossRef]
- Mei, F.W.; Zhang, Z.Y.; Li, X.D.; Zhao, W.; Cao, H.; Zhu, X.H. Spring-tooth type unbaling anti-blocking device for orchard straw mulching machine. Trans. CSAE 2023, 39, 25–34. [Google Scholar]
- Du, D.D.; Fei, G.Q.; Wang, J.; Huang, J.J.; You, X.R. Development and experiment of self-propelled cabbage harvester. Trans. CSAE 2015, 31, 16–23. [Google Scholar]
- Zhang, Z.G.; Wang, Y.C.; Li, H.Q.; Dao, F.; Zhang, Z.D.; Xue, H.T. Design and test of hydraulic control tracked self-propelled greenhouse panax notoginseng harvester. Trans. Chin. Soc. Agric. Eng. 2021, 52, 127–135+158. [Google Scholar]
- Wang, B.S.; Wang, W.Z.; Wang, M.S.; Zhong, D.F.; Chen, J. Design and experiment of full hydraulic drive high clearance tracked vehicle. Trans. Chin. Soc. Agric. Eng. 2016, 47, 471–476. [Google Scholar]
- Shin, S.Y.; Kim, M.H.; Cho, Y.; Kim, D.C. Performance testing and evaluation of drum-type stem-separation device for pepper harvester. Appl. Sci. 2021, 11, 9225. [Google Scholar] [CrossRef]
- Kim, T.H.; Kim, D.C.; Cho, Y. Performance comparison and evaluation of two small chili pepper harvester prototypes that attach to walking cultivators. Appl. Sci. 2020, 10, 2570. [Google Scholar] [CrossRef]
- Chen, Y.; Wang, G.; Wang, J.; Zhang, P.; Wang, B.; Hu, Z. Adaptabilities of different harvesters to peanut plants after cutting stalks. Int. J. Agric. Biol. Eng. 2022, 15, 93–101. [Google Scholar] [CrossRef]
























| Item | Numerical Value | Mean Value | 
|---|---|---|
| Plant spacing (mm) | 39–61 | 50 | 
| Mugwort plant height (mm) | 630–1570 | 1030 | 
| Stem diameter (mm) | 3–8.7 | 5.93 | 
| Mugwort diameter (mm) | 40–220 | 130 | 
| Height of withered leaves (mm) | 39–61 | 50 | 
| Item | Design Parameters | 
|---|---|
| Overall dimensions (L × W × H) (m × m × m) | 4.37 × 1.80 × 1.85 | 
| Total mass of the machine (kg) | 3000 | 
| Travel mode | Remote-controlled | 
| Working width (mm) | 1700 | 
| Working rows | 1 | 
| Driving speed (m/s) | 0–1.5 | 
| Driving and operation speed adjustment method | Hydraulic continuously variable transmission | 
| Engine displacement (L) | 3.261 | 
| Engine Power (kW) | 74.5 | 
| Item | Design Parameters | 
|---|---|
| Track grounding length L1 (mm) | 1470 | 
| Track plate width b (mm) | 270 | 
| Crawler gauge B (mm) | 1080 | 
| Crawler pitch t0 (mm) | 90 | 
| Drive wheel pitch diameter Dk (mm) | 376 | 
| Diameter of guide wheel Dt (mm) | 300 | 
| Pitch diameter of supporting wheel dz (mm) | 150 | 
| Single-side track size (L × W × H) (mm × mm × mm) | 2225 × 270 × 450 | 
| Item | Parameter | 
|---|---|
| Model number | HSGK01-63/35 | 
| Cylinder bore (mm) | 63 | 
| Rod diameter (mm) | 35 | 
| Stroke (mm) | 200 | 
| Maximum working pressure (MPa) | 21 | 
| Mounting form | Upper and lower earring connection | 
| Code | Factors | ||
|---|---|---|---|
| Forward Speed (m/s) | Rotational Speed (r/min) | Height of Cutting Table (mm) | |
| −1.628 | 0.4 | 160 | 40 | 
| −1 | 0.6 | 180 | 50 | 
| 0 | 0.8 | 200 | 60 | 
| 1 | 1.0 | 220 | 70 | 
| 1.628 | 1.2 | 240 | 80 | 
| Experiment Number | Factors | Sj (%) Net Rate of Mugwort Leaf Harvesting | Zz (%) Impurity Rate | Pk (%) Mugwort Leaf Usability Rate | ||
|---|---|---|---|---|---|---|
| x1 | x2 | x3 | ||||
| 1 | 0 | 0 | 0 | 93.89 | 12.02 | 84.49 | 
| 2 | 0 | −1.682 | 0 | 90.64 | 6.75 | 86.49 | 
| 3 | 1 | −1 | 1 | 89.87 | 9.87 | 86.78 | 
| 4 | 1 | 1 | 1 | 95.02 | 15.63 | 86.32 | 
| 5 | 0 | 0 | 0 | 94.82 | 14.42 | 86.15 | 
| 6 | 0 | 0 | 0 | 94.17 | 13.62 | 84.63 | 
| 7 | 1 | −1 | −1 | 90.19 | 9.14 | 87.64 | 
| 8 | −1 | 1 | −1 | 98.14 | 16.31 | 81.67 | 
| 9 | 0 | 0 | 0 | 93.42 | 11.83 | 85.57 | 
| 10 | 0 | 0 | 94.64 | 12.67 | 85.47 | |
| 11 | −1 | −1 | 1 | 93.65 | 9.18 | 84.61 | 
| 12 | 1.682 | 0 | 0 | 91.12 | 11.36 | 87.33 | 
| 13 | 0 | 0 | 1 | 93.38 | 11.92 | 84.75 | 
| 14 | 0 | 0 | −1.682 | 95.25 | 14.41 | 85.82 | 
| 15 | 0 | 0 | 0 | 94.32 | 11.4 | 85.88 | 
| 16 | −1.682 | 0 | 0 | 95.21 | 10.64 | 84.56 | 
| 17 | 0 | 0 | 0 | 94.47 | 12.89 | 84.53 | 
| 18 | −1 | −1 | −1 | 93.78 | 7.58 | 89.33 | 
| 19 | 0 | 1 | 0 | 98.43 | 18.76 | 78.72 | 
| 20 | 0 | 0 | 0 | 94.46 | 12.67 | 85.14 | 
| 21 | −1 | 1 | 1 | 96.25 | 14.23 | 81.14 | 
| 22 | 0 | 0 | 0 | 95.36 | 11.17 | 85.35 | 
| 23 | 1 | 1 | −1 | 96.31 | 17.69 | 81.89 | 
| Source Variance | Sj Net Rate of Mugwort Leaf Harvesting | Zz Impurity Rate | Pk Mugwort Leaf Usability Rate | |||||||||
|---|---|---|---|---|---|---|---|---|---|---|---|---|
| Square Sum | Mean Square | F | p | Square Sum | Mean Square | F | p | Square Sum | Mean Square | F | p | |
| Model | 103.11 | 11.46 | 55.6 | <0.0001 ** | 186.96 | 20.77 | 25.86 | <0.0001 ** | 114.3 | 12.7 | 46.73 | <0.0001 ** | 
| x1 | 21.94 | 21.94 | 106.46 | <0.0001 ** | 2.85 | 2.85 | 3.55 | 0.0821 | 8.13 | 8.13 | 29.92 | 0.0001 ** | 
| x2 | 71.88 | 71.88 | 348.85 | <0.0001 ** | 107.74 | 107.74 | 212.55 | <0.0001 ** | 67.7 | 67.7 | 249.11 | <0.0001 ** | 
| x3 | 3.36 | 3.36 | 16.31 | 0.0014 ** | 2.63 | 2.63 | 3.28 | 0.0933 | 0.8865 | 0.8865 | 3.26 | 0.0941 | 
| x1x2 | 2.32 | 2.32 | 11.27 | 0.0052 ** | 0.0351 | 0.0351 | 0.0437 | 0.8376 | 3.03 | 3.03 | 11.13 | 0.0054 ** | 
| x1x3 | 0.021 | 0.021 | 0.102 | 0.7545 | 0.0903 | 0.0903 | 0.1124 | 0.7427 | 9.72 | 9.72 | 35.78 | <0.0001 ** | 
| x2x3 | 0.9316 | 0.9316 | 4.52 | 0.0532 | 5.23 | 5.23 | 6.51 | 0.0241 * | 11.23 | 11.23 | 41.33 | <0.0001 ** | 
| x12 | 2.54 | 2.54 | 12.3 | 0.0039 ** | 4.05 | 4.05 | 5.04 | 0.0429 * | 1.62 | 1.62 | 5.98 | 0.0295 * | 
| x22 | 0.1146 | 0.1146 | 0.5561 | 0.4691 | 0.2134 | 0.2134 | 0.2656 | 0.6149 | 11.78 | 11.78 | 43.36 | <0.0001 ** | 
| x32 | 0.0008 | 0.0008 | 0.0039 | 0.951 | 1.08 | 1.08 | 1.35 | 0.2669 | 0.1185 | 0.1185 | 0.4361 | 0.5205 | 
| Residuals | 2.68 | 0.206 | 10.44 | 0.8033 | 3.53 | 0.2718 | ||||||
| Lack of Fit | 0.235 | 0.047 | 0.1539 | 0.9729 | 1.64 | 0.3276 | 0.2977 | 0.9011 | 0.6732 | 0.1346 | 0.3766 | 0.8515 | 
| Error | 2.44 | 0.3055 | 8.8 | 1.1 | 2.86 | 0.3575 | ||||||
| Total Sum | 106.0 | 197.4 | 117.84 | |||||||||
| Disclaimer/Publisher’s Note: The statements, opinions and data contained in all publications are solely those of the individual author(s) and contributor(s) and not of MDPI and/or the editor(s). MDPI and/or the editor(s) disclaim responsibility for any injury to people or property resulting from any ideas, methods, instructions or products referred to in the content. | 
© 2025 by the authors. Licensee MDPI, Basel, Switzerland. This article is an open access article distributed under the terms and conditions of the Creative Commons Attribution (CC BY) license (https://creativecommons.org/licenses/by/4.0/).
Share and Cite
Li, Y.; He, Y.; Zhang, K.; Wang, S.; Hu, X.; Chen, J. Design and Performance Evaluation of a Self-Propelled Mugwort Harvester for Hilly and Mountainous Regions. Agriculture 2025, 15, 111. https://doi.org/10.3390/agriculture15010111
Li Y, He Y, Zhang K, Wang S, Hu X, Chen J. Design and Performance Evaluation of a Self-Propelled Mugwort Harvester for Hilly and Mountainous Regions. Agriculture. 2025; 15(1):111. https://doi.org/10.3390/agriculture15010111
Chicago/Turabian StyleLi, Yi, Yongsheng He, Kai Zhang, Siqi Wang, Xinyu Hu, and Junnan Chen. 2025. "Design and Performance Evaluation of a Self-Propelled Mugwort Harvester for Hilly and Mountainous Regions" Agriculture 15, no. 1: 111. https://doi.org/10.3390/agriculture15010111
APA StyleLi, Y., He, Y., Zhang, K., Wang, S., Hu, X., & Chen, J. (2025). Design and Performance Evaluation of a Self-Propelled Mugwort Harvester for Hilly and Mountainous Regions. Agriculture, 15(1), 111. https://doi.org/10.3390/agriculture15010111
 
         
                                                
 
       