Research on the Energy Management Strategy of a Hybrid Tractor OS-ECVT Based on a Dynamic Programming Algorithm
Abstract
1. Introduction
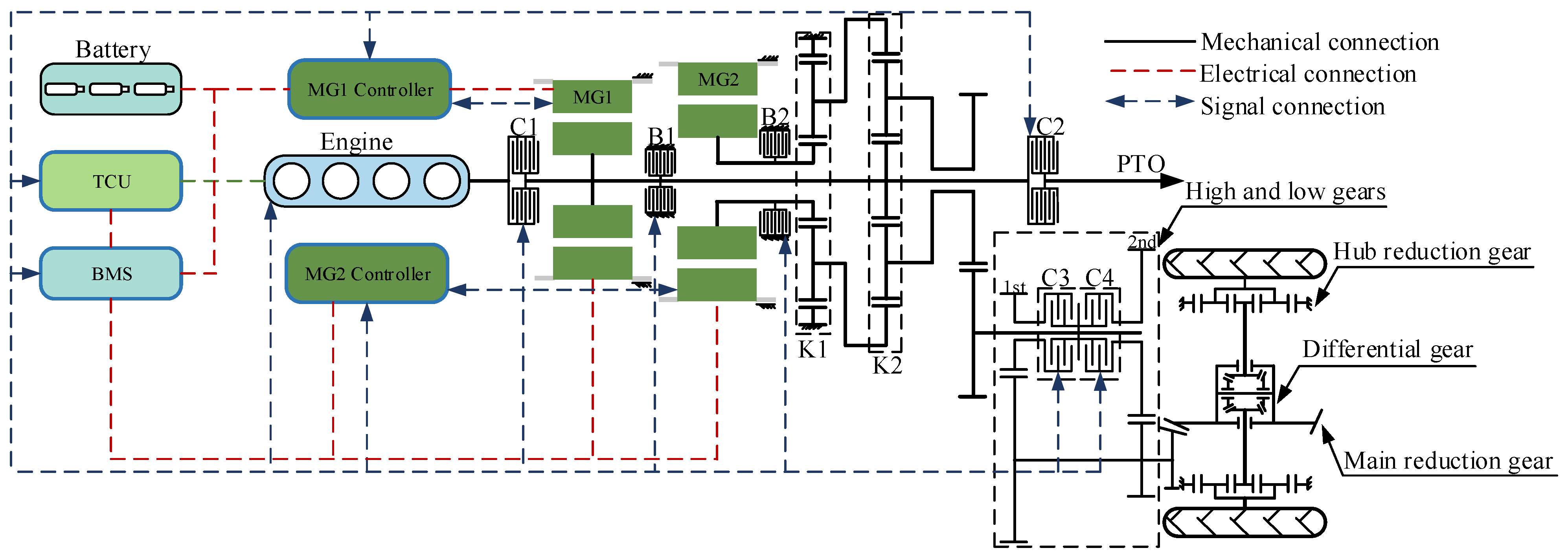
2. Hybrid Tractor OS-ECVT Configuration
3. Dynamics Modeling of a Hybrid Tractor
3.1. OS-ECVT Drive System Model
3.2. Ploughing Operation Model
3.3. Diesel Engine Model
3.4. Motor Model
3.5. Power Battery Model
4. Energy Management Strategy for Hybrid Tractor OS-ECVT
4.1. Energy Management Strategy of Hybrid Tractor OS-ECVT Based on Dynamic Programming Algorithm
4.2. Energy-Saving Comparison Strategy Design
5. Energy Saving Control Simulation and Result Analysis
6. Conclusions
Author Contributions
Funding
Institutional Review Board Statement
Data Availability Statement
Acknowledgments
Conflicts of Interest
References
- Xie, B.; Wu, Z.B.; Mao, E.R. Development and Prospect of Key Technologies on Agricultural Tractor. Trans. Chin. Soc. Agric. Mach. 2018, 49, 1–17. [Google Scholar] [CrossRef]
- Liu, M.N.; Lei, S.H.; Zhao, J.H.; Meng, Z.J.; Zhao, C.J.; Xu, L.Y. Review of Development Process and Research Status of Electric Tractors. Trans. Chin. Soc. Agric. Mach. 2022, 53 (Supp. S1), 348–364. [Google Scholar] [CrossRef]
- Mocera, F.; Somà, A.; Martelli, S.; Martini, V. Trends and Future Perspective of Electrification in Agricultural Tractor-Implement Applications. Energies 2023, 16, 6601. [Google Scholar] [CrossRef]
- Tan, P.Q.; Wang, D.Y.; Lou, D.M.; Hu, Z.Y. Progress of Control Technologies on Exhaust Emissions for Agricultural. Trans. CSAE 2018, 34, 1–14. [Google Scholar] [CrossRef]
- Lu, Z.X.; Hou, X.F.; Deng, X.T. Matching Design and Traction Tests for Driving System of Series Hybrid Electric Tractor. J. Nanjing Agric. Univ. 2017, 40, 928–935. [Google Scholar] [CrossRef]
- Xu, L.Y.; Zhang, J.J.; Yan, X.H.; Zhao, S.X.; Wu, Y.W.; Liu, M.N. Review of Research for Agricultural Equipment Electrification Technology. Trans. Chin. Soc. Agric. Mach. 2023, 54, 1–12. [Google Scholar] [CrossRef]
- Li, T.H.; Xie, B.; Wang, D.Q.; Zhang, S.L.; Wu, L.P. Real-Time Adaptive Energy Management Strategy for Dual-Motor-Driven Electric Tractors. Trans. Chin. Soc. Agric. Mach. 2020, 51 (Supp. S2), 530–543. [Google Scholar] [CrossRef]
- Li, Y.P.; Liu, L.; Jin, T.X.; Yuan, K.; Chen, Y.J. Energy Control Strategy of Electric Tractor Power Supply Based on Dynamic Programming. Trans. Chin. Soc. Agric. Mach. 2020, 51, 403–410. [Google Scholar] [CrossRef]
- Radrizzani, S.; Panzani, G.; Trezza, L.; Pizzocaro, S.; Savaresi, S.M. An Add-On Model Predictive Control Strategy for the Energy Management of Hybrid Electric Tractors. IEEE Trans. Veh. Technol. 2024, 73, 1918–1930. [Google Scholar] [CrossRef]
- Medevepryt, U.K.; Makaras, R.; Lukoeviius, V.; Kerys, A. Evaluation of the Working Parameters of a Series-Hybrid Tractor under the Soil Work Conditions. Teh. Vjesn. 2022, 29, 45–50. [Google Scholar] [CrossRef]
- Medževeprytė, U.K.; Makaras, R.; Lukoševičius, V.; Kilikevičius, S. Application and Efficiency of a Series-Hybrid Drive for Agricultural Use Based on a Modified Version of the World Harmonized Transient Cycle. Energies 2023, 16, 5379. [Google Scholar] [CrossRef]
- Zhou, H.G. Researches on Design Method of Atypical Timing Silent Chain System for Hybrid Engine. Master’s Thesis, Jilin University, Changchun, China, 2024. [Google Scholar] [CrossRef]
- Mocera, F.; Somà, A. Analysis of a Parallel Hybrid Electric Tractor for Agricultural Applications. Energies 2020, 13, 3055. [Google Scholar] [CrossRef]
- Mattetti, M.; Michielan, E.; Mantovani, G.; Varani, M. Objective evaluation of gearshift process of agricultural tractors. Biosyst. Eng. 2022, 224, 324–335. [Google Scholar] [CrossRef]
- Rossi, C.; Pontara, D.; Falcomer, C.; Bertoldi, M.; Mandrioli, R. A Hybrid–Electric Driveline for Agricultural Tractors Based on an e-CVT Power-Split Transmission. Energies 2021, 14, 6912. [Google Scholar] [CrossRef]
- Editorial Department of China Journal of Highway and Transport. Review on China’s automotive engineering research progress. China J. Highw. Transp. 2023, 36, 1–192. [Google Scholar] [CrossRef]
- Luo, G.J. Research on Energy Management Strategy of Series Diesel-Electric Hybrid Tractor. Master’s Thesis, Nanjing Agricultural University, Nanjing, China, 2021. [Google Scholar] [CrossRef]
- Yan, X.H.; Yan, Y.X.; Zhang, J.J.; Wang, W.; Xu, L.Y. Research on energy-saving control of plug-in parallel hybrid tractor based on adaptive threshold optimization. J. Chin. Agric. Mech. 2024, 45, 147–152. [Google Scholar]
- Xu, L.Y.; Wang, Y.T.; Li, Y.Y.; Zhao, J.H.; Liu, M.N. Research on control strategy of APSO-optimized fuzzy PID for series hybrid tractors. World Electr. Veh. J. 2023, 14, 258. [Google Scholar] [CrossRef]
- Li, Y.Y. Design of Energy Management Strategy for Series Hybrid Tractors. Master’s Thesis, Henan University of Science and Technology, Luoyang, China, 2023. [Google Scholar] [CrossRef]
- Francesco, M.; Valerio, M. Numerical Performance Investigation of a Hybrid eCVT Specialized Agricultural Tractor. Appl. Sci. 2022, 12, 2438. [Google Scholar] [CrossRef]
- Yan, X.H.; Zhao, Y.F.; Liu, X.H.; Liu, M.N.; Wu, Y.W.; Zhang, J.Y. Research on Energy Management Strategy for Series Hybrid Tractor under Typical Operating Conditions Based on Dynamic Programming. World Electr. Veh. J. 2024, 15, 156. [Google Scholar] [CrossRef]
- Zhang, J.J.; Feng, G.H.; Liu, M.N.; Yan, X.H.; Xu, L.Y.; Shang, C.Y. Research on global optimal energy management strategy of agricultural hybrid tractor equipped with CVT. World Electr. Veh. J. 2023, 14, 127. [Google Scholar] [CrossRef]
- Guo, J.H.; Li, W.C.; Wang, B.; Wang, J.Y. Deep reinforcement learning-based control strategy of connected hybrid electric vehicles platooning. J. Mech. Eng. 2024, 60, 262–271. [Google Scholar] [CrossRef]
- Zhao, Y.; Xu, L.; Zhao, C.; Xu, H.G.; Yan, X.H. Research on Energy Management Strategy for Hybrid Tractors Based on DP-MPC. Energies 2024, 17, 3924. [Google Scholar] [CrossRef]
- Zhang, J.J.; Feng, G.H.; Xu, L.Y.; Yan, X.H.; Wang, W.; Liu, M.N. Energy-Saving Control of Hybrid Tractors Based on Instantaneous Optimization. World Electr. Veh. J. 2023, 14, 27. [Google Scholar] [CrossRef]
- Dou, H.S.; Zhang, Y.T.; Ai, Q.; Zhao, X.Q. Control strategy for hybrid tractor plow conditions oriented to coupled-split dynamic configuration. Trans. CSAE 2022, 38, 41–49. [Google Scholar] [CrossRef]
- Zhang, K.; Lu, Z.X.; Wang, L.; Deng, X.T.; Zhang, B.Q.; Sun, X.X. ECVT Configuration Design and Energy-saving Control of Hybrid Tractor Based on Lever Topology Method. Trans. Chin. Soc. Agric. Mach. 2024, 1–17. Available online: http://kns.cnki.net/kcms/detail/11.1964.S.20240813.1128.012.html (accessed on 13 August 2024).
- Li, J.F.; Zhang, X.M.; Song, Z.H.; Wu, X.H. Design and experiment of distributed hybrid electric tractor powertrain system based on TRIZ theory. J. Jilin Univ. (Eng. Technol. Ed.) 2023, 1–17. [Google Scholar] [CrossRef]
- Abotabik, M.; Richard, T. Switched Optimal Control of a Heavy-Duty Hybrid Vehicle. Energies 2021, 14, 6736. [Google Scholar] [CrossRef]
- Likhanov, A.; Anfilatov, A. Mathematical model of the formation and burning of smoke. IOP Conf. Ser. Mater. Sci. Eng. 2020, 862, 032050. [Google Scholar] [CrossRef]
- Zhang, J.J.; Feng, G.H.; Yan, X.H.; He, R.D.; Liu, M.N.; Xu, L.Y. Cooperative control method considering efficiency and tracking performance for unmanned hybrid tractor based on rotary tillage prediction. Energy 2024, 288, 129874. [Google Scholar] [CrossRef]
- Hu, J.J.; Liu, Z.R.; Mei, B.; Peng, H. Optimization design scheme of power-split hybrid electric powertrain configuration with single planetary gear. J. Mech. Eng. 2021, 57, 264–276. [Google Scholar] [CrossRef]
- Simona, O.; Lorenzo, S.; Giorgio, R. Hybrid Electric Vehicles Energy Management Strategies; Hu, X.S.; Tang, X.L.; Liu, T., Translators; China Machine Press: Beijing, China, 2020. [Google Scholar]
- Zhang, J.J.; Feng, G.H.; Xu, L.Y.; Wang, W.; Yan, X.H.; Liu, M.N. Energy-saving control of hybrid tractor based on Pontryagin’s minimum principle. Trans. Chin. Soc. Agric. Mach. 2023, 54, 396–406. [Google Scholar] [CrossRef]
















| Components | Parameters | Units | Values |
|---|---|---|---|
| Diesel engine | Rated power | kW | 90 |
| Rated rotate speed | rpm | 2200 | |
| Maximum torque | N·m | 520 | |
| MG1 | Rated power | kW | 70 |
| Rated rotate speed | rpm | 2400 | |
| Rated torque | N·m | 280 | |
| MG2 | Rated power | kW | 70 |
| Rated rotate speed | rpm | 2400 | |
| Rated torque | N·m | 280 |
| Driving Mode | C1 | C2 | B1 | B2 | Engine | MG1 | MG2 | PTO Work |
|---|---|---|---|---|---|---|---|---|
| 1 | OFF | OFF | ON | OFF | × | × | √ | × |
| 2 | OFF | OFF | OFF | OFF | × | √ | √ | × |
| 3 | ON | OFF | OFF | ON | √ | √ | × | √ |
| 4 | ON | OFF | OFF | OFF | √ | √ | √ | √ |
| Parameters | Units | Values |
|---|---|---|
| Number of ploughshares | pieces | 5 |
| Tilling depth | cm | 30 |
| Ploughshare width | cm | 25 |
| Proportion resistance of soil | N/cm2 | 8 |
Disclaimer/Publisher’s Note: The statements, opinions and data contained in all publications are solely those of the individual author(s) and contributor(s) and not of MDPI and/or the editor(s). MDPI and/or the editor(s) disclaim responsibility for any injury to people or property resulting from any ideas, methods, instructions or products referred to in the content. |
© 2024 by the authors. Licensee MDPI, Basel, Switzerland. This article is an open access article distributed under the terms and conditions of the Creative Commons Attribution (CC BY) license (https://creativecommons.org/licenses/by/4.0/).
Share and Cite
Zhang, K.; Deng, X.; Lu, Z.; Wang, T. Research on the Energy Management Strategy of a Hybrid Tractor OS-ECVT Based on a Dynamic Programming Algorithm. Agriculture 2024, 14, 1658. https://doi.org/10.3390/agriculture14091658
Zhang K, Deng X, Lu Z, Wang T. Research on the Energy Management Strategy of a Hybrid Tractor OS-ECVT Based on a Dynamic Programming Algorithm. Agriculture. 2024; 14(9):1658. https://doi.org/10.3390/agriculture14091658
Chicago/Turabian StyleZhang, Kai, Xiaoting Deng, Zhixiong Lu, and Tao Wang. 2024. "Research on the Energy Management Strategy of a Hybrid Tractor OS-ECVT Based on a Dynamic Programming Algorithm" Agriculture 14, no. 9: 1658. https://doi.org/10.3390/agriculture14091658
APA StyleZhang, K., Deng, X., Lu, Z., & Wang, T. (2024). Research on the Energy Management Strategy of a Hybrid Tractor OS-ECVT Based on a Dynamic Programming Algorithm. Agriculture, 14(9), 1658. https://doi.org/10.3390/agriculture14091658

