Next Article in Journal
Failure Feature Identification of Vibrating Screen Bolts under Multiple Feature Fusion and Optimization Method
Previous Article in Journal
Precise Servo-Control System of a Dual-Axis Positioning Tray Conveying Device for Automatic Transplanting Machine
 
 
Font Type:
Arial Georgia Verdana
Font Size:
Aa Aa Aa
Line Spacing:
Column Width:
Background:
Article

Design and Experimental Testing of Potato Drip Irrigation Tape Recycling Machine

College of Mechanical and Electrical Engineering, Inner Mongolia Agricultural University, Hohhot 010010, China
*
Author to whom correspondence should be addressed.
These authors contributed equally to this work.
Agriculture 2024, 14(8), 1432; https://doi.org/10.3390/agriculture14081432
Submission received: 12 June 2024 / Revised: 28 July 2024 / Accepted: 7 August 2024 / Published: 22 August 2024
(This article belongs to the Section Agricultural Technology)

Abstract

The purpose of this paper is the design of a potato drip irrigation tape recycling machine that would not require manual assistance or suffer from broken tapes. To clarify the recycling performance of the new potato drip irrigation tape recycling machine under different working parameters, a single-factor performance experiment was conducted. To investigate the reasons for variations in the performance indexes of the machine under different operating parameters, RecurDyn-EDEM coupled simulation experiments were carried out, with the peak height of soil and the maximum bending angle of the drip irrigation tape during the recycling process as the experimental indexes. To determine the optimal working parameter combinations and to clarify the effects of the interaction of various factors on the performance indexes, a response surface experiment was conducted. Following this, an analysis of variance was performed, and a mathematical regression model was established based on the experimental results. The findings revealed that a machine forward speed of 2.4 km/h, a shovel angle of 12°, and a conveyor sprocket speed of 270 r/min resulted in a drip irrigation tape recovery rate of 95.2%, meeting the relevant standards for drip irrigation tape recycling operations.

1. Introduction

According to relevant data, in 2021, China’s water-saving irrigation area was 37.796 million hectares. The area irrigated by drip irrigation technology accounted for 30% of the total water-saving irrigation area. In the same year, the potato planting area in the northern region of China was about 4.667 million hectares, of which the area irrigated by drip irrigation technology was about 0.333 million hectares, and the trend is increasing year by year [1,2]. The northern region of China is a typical arid irrigated agricultural area, and the contradiction between the serious shortage of water resources and the development of modern agriculture is becoming more and more prominent [3,4]. In response to the actual needs of agricultural production, the large-scale promotion of drip irrigation technology in these areas is an inevitable trend for agricultural development [5]. As the use of drip irrigation tapes increases annually, the mechanized recovery of drip irrigation tapes is becoming an urgent issue. After the potato harvest, the drip irrigation tapes left in the fields not only affect farm machinery but also change the physical and chemical properties and structure of the soil, ultimately leading to a decrease in potato yield [6,7,8]. Therefore, the recovery and reuse of drip irrigation tapes is of significant importance for increasing potato yield and promoting sustainable agricultural development [9,10].
In response to the urgent demand, researchers in China have developed various types of drip irrigation tape recycling machines. One type is the transverse-draw drip irrigation tape recycling machine (Figure 1a), which is suspended from a tractor and enters the field perpendicular to the direction of drip irrigation tape laying to perform the work. The tape-lifting teeth at the front of the tractor lift the tape laid on the ground by an elevating mechanism. The machine’s drip irrigation tape spade is on the front side of the tractor, and the drip irrigation tape spade is made to enter the soil through the lifting device. The drip irrigation tape spade picks up the drip irrigation tapes laid on the ground surface. The drip irrigation tape is then transferred up to the tractor side via a lower side picket chain, and further conveyed to the transverse drawing mechanism by an upper side picket chain. Through the conveying action of the transverse drawing mechanism’s spiral, the drip irrigation tape is drawn between the upper and lower drawing rollers into the recycling box, thus achieving transverse-draw recovery of the drip irrigation tape [11,12]. This model realizes the collection and recycling of drip irrigation tape without manual assistance, but there is the phenomenon of tapes breaking during the operation. Another type is the chopping-style drip irrigation tape recycling machine (Figure 1b), which is towed by a tractor in the direction of drip irrigation tape laying to perform the work. This machine is powered by the ground wheels for the biting mechanism and the tractor’s rear output shaft for the chopping mechanism. Before the recovery work begins, the drip irrigation tape must be manually placed in the biting mechanism; as the machine moves forward, the meshing gears of the biting mechanism rotate relative to each other, biting and conveying the drip irrigation tape to the rear chopping mechanism. This system relies on the shredding mechanism to drop shredded drip irrigation tape into the collection mechanism [13,14]. This model compresses the space occupied by the recovered drip irrigation tape, facilitating transport and reprocessing, but manual assistance is required during the recycling process. The third type is the lifting-tape drip irrigation tape recycling machine (Figure 1c), also towed by a tractor in the direction of drip irrigation tape laying to perform the work. This machine uses power generated by the ground wheels to drive the tape-winding mechanism, the guiding mechanism, and the lifting mechanism. During operation, the drip irrigation tape is manually fed through the guiding mechanism and secured to the tape-winding mechanism. The lifting mechanism swings up and down to shake the drip irrigation tape out of the ground, while the guiding mechanism horizontally reciprocates to evenly wind the tape around the tape-winding mechanism. A safety clutch is installed between the ground wheel and the tape-winding mechanism; as the winding radius of the tape-winding mechanism gradually increases, the torque on it also increases. When the torque exceeds the set value of the safety clutch, the clutch automatically releases, stopping the tape-winding mechanism. As the tractor continues to move forward and the torque decreases, the safety clutch automatically closes, and the tape-winding mechanism resumes operation [15]. This model effectively alleviates the issue of mismatch between the machine’s forward speed and the winding speed, but manual assistance is still required during the recovery operations.
Synthesizing the results of the analysis of the literature, it can be found that the existing drip irrigation tape recycling machines either require artificial auxiliary operation, or produce incomplete recovery and broken tape, which leads to low operating efficiency. Since these machines cannot better meet the actual needs of the drip irrigation tape recycling operations, there is a need for further improvements to drip irrigation tape recycling operation equipment and related technology.
Based on this, this article proposes to design a potato drip irrigation tape recycling machine suitable for potato drip irrigation tape recycling without manual winding assistance. We performed calculations to determine a more suitable range of working parameters for a potato drip irrigation tape recycling machine, and ran a single-factor performance experiment in a soil-tank laboratory to explore the impact of different working parameters on the drip irrigation tape recovery rate and provide a basis for the selection of the response surface experiment level. To further explore the factors affecting the effectiveness of drip irrigation tape recycling, we performed a RecurDyn-EDEM coupled simulation experiment, then conducted an in-depth analysis of the potato drip irrigation tape recycling machine operation process and the recovery’s effect on the drip irrigation tape. We also examined the drip irrigation tape itself, its bending tolerance, and whether the soil condition has a greater impact than the machine. We conducted soil tank laboratory response surface experiments to obtain the theoretically optimal operating parameters of a potato drip irrigation tape recycling machine at the highest drip irrigation tape recovery rate. Finally, we conducted field experiments to verify the potato drip irrigation tape recycling machine’s theoretically optimal working parameters in actual operation to find out whether its performance complies with the relevant standards. Ultimately, we wanted to complete an operation process without requiring any artificial winding assistance and without the phenomenon of broken tape. Our work provides a theoretical basis and technical reference for the research and development of potato drip irrigation tape recycling machinery and equipment.

2. Materials and Methods

2.1. Overall Structure and Working Principle of the Potato Drip Irrigation Tape Recycling Machine

The overall structure of the potato drip irrigation tape recycling machine is shown in Figure 2. The machine primarily consists of a recovery shovel, a conveying mechanism, a dewatering mechanism, a collection box, and a machinery frame.
The potato drip irrigation tape recycling machine, suspended from a tractor, enters the field along the direction of the drip irrigation tape laying to perform the work. The recovery shovel (3) is inserted into the soil via a hydraulic lifting device. As the tractor advances, the drip irrigation tape and soil are shoveled up and enter the conveying mechanism (4). During the conveyance process, the soil falls through the gaps between the rods, while weeds and other impurities such as residual film drop into the front collection box (6) through the gap between the conveying mechanism (4) and the dewatering mechanism (5). The drip irrigation tape, which has a certain hardness, continues to move backward to the dewatering mechanism (5), where it is held and squeezed by two rotating dewatering rollers to extract the moisture before entering the rear collection box (6).

2.2. Key Component Design and Parameter Determination

2.2.1. Transmission Design

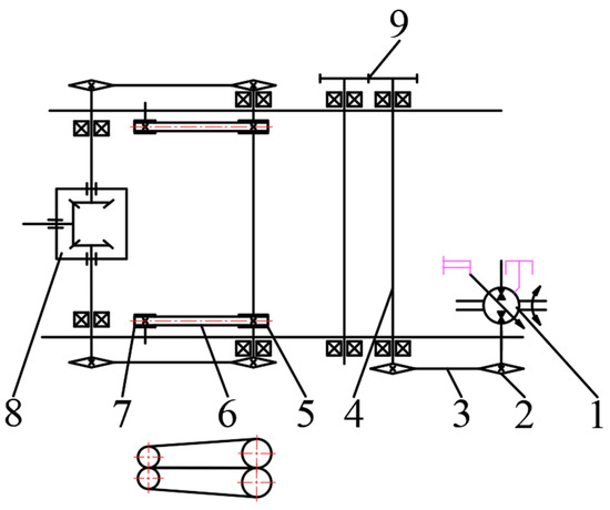
The power for the potato drip irrigation tape recycling machine is supplied by both the tractor’s rear power take-off shaft and the tractor’s hydraulic system (1). The power from the tractor’s rear power take-off shaft is transmitted through a gearbox (8) and chains (3) to the drive sprocket (5), driving the two conveyor chains (6) to rotate relative to each other. The power provided by the tractor’s hydraulic system (1) is transmitted through chains (3) to the sprockets (2), driving the two dewatering rollers (4) to rotate relative to each other. The transmission route of the entire machine is shown in Figure 3.

2.2.2. Recovery Shovel

The factors affecting the performance of the recovery shovel include: the width of the shovel body (B), the shovel angle (α), and the length of the shovel body (L). According to the agronomic requirements of the central and western regions of Inner Mongolia, potatoes are often planted in double rows on large ridges, with one drip irrigation tape laid on each ridge. The distance between two drip irrigation tapes is generally less than 800 mm. After the potatoes are harvested, the drip irrigation tapes laid in the fields have a degree of randomness in their placement width. To avoid missing any drip irrigation tapes, the width of the shovel body (B) is set to 1050 mm. Cultivation patterns in west-central Inner Mongolia are shown in Figure 4.
When the recovery shovel is in operation, the force on the soil on the shovel face is as depicted in Figure 5. From the force analysis, the Equation (1) can be derived:
F c o s α f G s i n α = 0 F N G c o s α F s i n α = 0
In the equation: F is the working resistance experienced by the recovery shovel, N; FN is the pressure exerted on the recovery shovel by the drip irrigation tape and soil, N; α is the shovel angle, °; G is the gravitational force of the drip irrigation tape and soil, N; f is the frictional force between the drip irrigation tape and soil on the recovery shovel, N; µ is the coefficient of friction between the shovel face and the soil.
Wherein: ƒ = μFN from the aforementioned equation, the calculation Equation (2) for the shovel angle can be derived:
α = a r c t g F μ G μ F + G
Based on the expected functional requirements of the recovery shovel, an analysis and calculation of Equations (1) and (2) determined that the shovel angle should be between 8–16 degrees. This range ensures that the drip irrigation tape can be shoveled up smoothly while shoveling up only a small amount of soil, while also avoiding issues such as increased recovery resistance due to excessively large angles of the recovery shovel.
During the recycling process, it is common for stones to get caught between the recovery shovel and the conveyor chain. Therefore, a hinged transition plate that can move is installed behind the shovel. The length of the recovery shovel is designated as (L1), the length of the transition plate as (L2), and the total length of the shovel body as (L), such that L = L1 + L2.
According to literature reviews and field observations, it has been noted that after potato harvest, some of the drip irrigation tape is left lying on top of the soil while some is slightly buried, with the burial depth generally ranging from 3 to 20 mm [16,17]. Based on the distribution of the drip irrigation tape, the depth at which the recovery shovel should enter the soil should be controlled between 20 to 70 mm and be adjustable. The Equation (3) for calculating the length of the recovery shovel is:
L 1 = h 1 s i n α
By substituting the shovel angle α = 8–16° into the above equation, the range of values for (L1) is calculated to be 109–290 mm. Considering the positional relationship between the recovery shovel and the conveying mechanism, and taking all factors into account, the length of the recovery shovel (L1) is determined to be 200 mm.
Incorporating the principle of conservation of energy, the Equation (4) for calculating the length of the transition plate segment (L2) is:
L 2 = v 2 c o s φ 2 g s i n ( α + φ )
From this, the Equation (5) for calculating the total length of the shovel body is:
L = L 1 + L 2 = h 1 s i n α + v 2 c o s α 2 g s i n ( α + φ )
In the equation: h1 is the depth of recovery operation, mm; α is the shovel angle, °; v is the machine forward speed, and mm/s; φ is the friction angle between the soil and the shovel face, °.
Substituting the data into the calculation, the value range of (L2) is determined to be 72 mm to 143 mm. After consulting the “Agricultural Machinery Design Manual” [18] and considering the actual design situation, the final length of the transition plate is determined to be 107 mm. Therefore, the length of the shovel body (L) is 307 mm.

2.2.3. Conveying Mechanism

After the recovery shovel digs up the drip irrigation tape and soil mixture, it needs to continue to transport the drip irrigation tape to the rear collection box and separate it from the soil. Therefore, a conveying mechanism with two rows of conveyor chains is set up behind the recovery shovel (Figure 6). During operation, the drip irrigation tape is clamped and conveyed to the rear by the double-row conveyor chains. The power for the conveyor chains is transmitted from the rear power output shaft through a reduction gearbox and chains. During the conveying process, the soil falls back to the ground through the gaps between the rods (6). To increase the friction between the conveyor chain and the drip irrigation tape, finger-shaped rubber roller sleeves (5) are fitted on the rods (6) of the conveyor chain. These rubber roller sleeves not only increase friction with the drip irrigation tape but also prevent the tape from becoming entangled with the rods (6) during the recycling process. This prevents congestion or entanglement of the drip irrigation tape due to insufficient friction and machine vibration during the lifting process.
This paper has determined that the width of the recovery shovel (B) is 1050 mm. Therefore, the width of the conveying mechanism should be the same as the width of the recovery shovel. According to relevant references [19,20], the lifting angle range of the conveyor chain is 18–34°, and the height of the collection box is 300 mm. The relative position between the front recovery shovel and the conveyor chain has been determined. Based on the lifting angle of the conveyor chain, the distance between the two shafts of the conveyor chain is calculated to be 536–971 mm. To ensure the efficiency of the conveying mechanism and that it has the ability to funnel down soil, this paper sets the distance between the front and rear shafts of the conveying mechanism at 750 mm.
When the potato drip irrigation tape recycling machine is operating stably, the amount of soil conveyed by the conveying mechanism per unit time should equal the amount of soil shoveled by the recovery shovel. Therefore, the following Equation (6) can be derived:
h 1 L v 1 t = h 2 L v 2 t
In the equation: h1 is the depth of the recovery shovel into the soil during operation, mm; h2 is the width of the gap between the two conveyor chains during operation, mm; L is the working width of the machine, mm; v1 is the forward linear speed of the machine, mm/s; v2 is the linear speed of the conveyor chain, and mm/s; t is the working time of the machine, s.
The collation leads to Equation (7):
h 1 h 2 = v 2 v 1
Therefore, the ratio of the depth of the recovery shovel in the soil to the width of the gap between the two conveyor chains is equal to the ratio of the linear speed of the conveyor chain to the linear speed of the machine. According to the relevant literature [21,22], when the machine forward speed is between 0.56 m/s and 1.11 m/s, the overall recovery effect of the drip irrigation tape is relatively good. Thus, the linear speed range of the conveyor chain can be determined to be approximately 0.99 m/s to 1.55 m/s. According to the Equation (8):
n = v 2 2 π r
In the equation: n is the conveyor sprocket speed, r/min; r is the diameter of the driven sprocket of the conveyor chain, mm.
Given that the diameter of the driven sprocket of the conveyor chain is 90 mm, substituting this into the equation, the conveyor sprocket speed should be in the range of 210–330 r/min.

2.2.4. Dewatering Mechanism

As shown in Figure 7, the dewatering mechanism consists of dewatering rollers (2), a position adjustment plate (4), and a dewatering shaft (3). The relative rotation of the two dewatering rollers (2) can squeeze out the remaining air and water-fertilizer mixture from the drip irrigation tape, facilitating the collection and transport of the tape. The surface of the dewatering rollers (2) is made of rubber to increase friction with the drip irrigation tape. To prevent the drip irrigation tape from potentially slipping off the sides of the dewatering rollers (2) after leaving the conveying mechanism, the dewatering rollers (2) are designed to be the same width as the conveyor chain. The position adjustment plate (4) allows for vertical adjustment of the dewatering mechanism.

2.2.5. Collection Mechanism

After dewatering the drip irrigation tape through the guiding effect of the leading tape plate (1) into the collection box, after collecting a full drip irrigation tape, open the rear side tape plate (2) to remove the drip irrigation tape. The collection mechanism is shown in Figure 8.
Combined with the “Agricultural Machinery Design Manual” about the box class capacity calculation [18], this article used the pre-experiment on the round trip to recover a full drip irrigation tape to determine the necessary size of the collection box. We performed multiple experiments to determine the volume factor for the collection box that holds recycled drip irrigation tape. From this, Equation (9) can be developed:
T = η V 1 3600 ( V 2 + V 3 )
In the equation: V1 is the collection box capacity, m3; V2 is the volume of drip irrigation tape recovered per second, m3; V3 is the amount of soil recovered per second, m3; η is the volume factor for the collection box’s recycled drip irrigation tape; and T is the machine operating time, h.
Inner Mongolia’s central and western regions mostly use single-wing labyrinth drip irrigation tape. The potato drip irrigation tape recycling machine can recycle two drip irrigation tapes at the same time. The capacity of the collection box is 0.21 m3, and the operating distance of the potato drip irrigation tape recycling machine per second is 0.56 m–1.11 m. The value of η is 0.5. Only a very small amount of soil enters into the collection box during the recycling process, and the substitution of the formula yields the operating time of the machine to be 1.8–3.6 h, which meets the reference operation quality standard.
The technical parameters of the potato drip irrigation tape recycling machine are shown in Table 1.

2.3. Key Performance Evaluation Indicators of the Potato Drip Irrigation Tape Recycling Machine

To determine whether the potato drip irrigation tape recycling machine meets the design requirements under actual working conditions, a performance experiment was conducted at the soil trough laboratory of Inner Mongolia Agricultural University. This experiment aimed to determine the impact of different operating parameters on the drip irrigation tape recovery rate.
According to the experiment requirements in the “Q/RAN J001-2021 Drip Irrigation Tape Recycler” standard [23], the experiment indicator is the drip irrigation tape recovery rate, and the measurement method is the mass method. We weigh the recovered drip irrigation tape from each area. The drip irrigation tape recovery rate for the selected area is then calculated using the following Equation (10):
S = ( 1 W W 0 ) × 100 %
In the equation: S is the drip irrigation tape recovery rate, %; W is the mass of drip irrigation tape not recovered after the operation, g; and W0 is the quality of the original drip irrigation tape prior to operation, g.

2.4. Single-Factor Performance Experiment Design

2.4.1. Experiment Factors and Levels

The recovery shovel and conveying mechanism are the core working components of the potato drip irrigation tape recycling machine. The depth of the recovery shovel in the soil determines whether the drip irrigation tape can be shoveled up, thereby affecting the drip irrigation tape recovery rate. Therefore, a reasonable shovel angle is crucial to an effective recovery. Based on the theoretical analysis results in Section 2.2.2, the shovel angle is divided into five levels: 8°, 10°, 12°, 14°, and 16°.
The conveyor sprocket speed determines the rate of soil conveyance. During the operation of the potato drip irrigation tape recycling machine, the amount of soil fed in per unit time should be greater than or equal to the amount of soil conveyed. Based on the theoretical analysis results in Section 2.2.3, the conveyor sprocket speed is set between 210 r/min and 330 r/min. Therefore, the conveyor sprocket speed is determined to be 210 r/min, 240 r/min, 270 r/min, 300 r/min, and 330 r/min, corresponding to the five levels.
The machine’s forward speed determines the soil feeding rate. When the machine’s forward speed is relatively low, the soil feeding rate is lower, reducing the likelihood of soil congestion. However, if the machine’s forward speed is too low, it will affect the operational efficiency of the potato drip irrigation tape recycling machine. According to relevant literature and theoretical analysis results, when the machine’s forward speed is between 2.0 km/h and 4.0 km/h, the drip irrigation tape recovery effect is relatively good. Therefore, the machine forward speed is divided into five levels: 2.0 km/h, 2.5 km/h, 3.0 km/h, 3.5 km/h, and 4.0 km/h. The experiment factors and levels are shown in Table 2.

2.4.2. Experimental Process

Based on the length of the soil trough laboratory, the soil trough is divided into three sections: a 5-m acceleration zone, a 20-m experimental zone, and a 5-m deceleration zone. Before the experiment begins, it is necessary to level and compact the soil. The soil was first tilled with a rotary tiller suspended from a soil trough experiment vehicle to ensure that it is as close as possible to the soil conditions in the field.
In the central and western regions of Inner Mongolia, the potato planting method uses large ridges with double rows. A drip irrigation tape is laid on each ridge, and the spacing between the tapes on two ridges is about 800 mm. In our experiments, the old drip irrigation tapes from the potato field were cut into lengths of 3000 mm and laid out in two rows spaced about 800 mm apart in the experimental zone. No tapes were laid in the acceleration and deceleration zones. The laid drip irrigation tapes were covered with a small amount of soil to simulate the actual field conditions of drip irrigation tapes after the potato harvest. We attached the potato drip irrigation tape recycling machine to the rear of the soil trough experiment vehicle, installed hydraulic hoses and the machinery drive shaft, and performed hydraulic device tuning and pre-experimenting on the potato drip irrigation tape recycling machine to ensure smooth operation at the start of the experiment. Once all of the preparations were complete, the formal experiment began. After completing one recovery trial, we removed the drip irrigation tapes from the collection box, weighed them in a sample recovery bag, calculated the recovery rate of the drip irrigation tapes using Equation (10), and recorded the data. The experimental process is illustrated in Figure 9.

2.5. RecurDyn-EDEM Coupling Simulation Experiment Design

2.5.1. Experimental Indicators

From the single-factor performance experiment images, it is evident that the main reason for the potato drip irrigation tape recycling machine’s tape leakage during operation is the excessive accumulation of soil on the recovery shovel, causing some drip irrigation tapes to bend in front of the shovel or even be pushed to the outside of the machine by the soil, resulting in drip irrigation tapes not being recovered. To further investigate the operation mechanism of the potato drip irrigation tape recycling machine, we proposed to obtain the change rule of the peak height of soil and maximum bending angle of drip irrigation tape under different factor levels by performing a simulation experiment. Factor levels were used as a link to analyze the effect of soil congestion situation and drip irrigation tape bending situation on drip irrigation tape recovery rate.

2.5.2. Experimental Process

During the operation of the potato drip irrigation tape recycling machine, the key components are the recovery shovel and the conveying mechanism. Therefore, a simplified overall machine model was re-established without affecting the experimental results. The simplified model retains the recovery shovel and the machinery frame side plates, and it simplifies the conveying mechanism to two cylindrical rolls. In a Coupling simulation, care should be taken to establish the relative coordinate positions of the models in different software environments, to prevent issues such as model penetration during the simulation [24,25]. Thus, the relative positions of the potato drip irrigation tape recycling machine, the drip irrigation tape, and the soil trough models can first be determined in SolidWorks 2018 software. The approach is to build the models of the potato drip irrigation tape recycling machine, a 3D soil trough, and a 3D drip irrigation tape model centered around the coordinate origin, and then import these three models into an assembly. To facilitate the addition of a motion direction later in the RecurDyn V9R4 software, the forward direction of the potato drip irrigation tape recycling machine is set as the positive direction. The drip irrigation tapes are laid out in two rows with a spacing of 800 mm evenly on top of the soil. All models are imported into the RecurDyn V9R4 software. The soil trough model already imported into RecurDyn V9R4 is exported separately and imported into an EDEM 2021 software environment, where the model’s position is the relative position of the soil trough in the Coupling simulation [26,27]. To limit the range of particle arrangement, a topless box of 3000 mm × 1000 mm × 100 mm is set in the EDEM 2021 software. After consulting the relevant literature, the Hertz-Mindlin JKR model was selected. The drip irrigation tape model parameters, simplified model parameters, and soil trough model parameters used in the simulation are shown in Table 3 [28,29,30,31].
The process of establishing a flexible body model of drip irrigation tape in RecurDynV9R4 software is shown in Figure 10. First, the 3D drip irrigation belt model is imported, and then the mesh division surface is determined and the attribute parameters of the drip irrigation tape are set; the maximum mesh and the minimum mesh are 1 and 0.2 respectively for the mesh division, and the division of the end face mesh is completed. Take the divided end face grid as the reference to stretch to the other end, according to the length of the drip irrigation tape is divided into 40 equal parts, obtaining 3760 cells. During the simulation process, the drip irrigation tape is in contact with the potato drip irrigation tape recycling machine, so it is necessary to set the contact surface and add the standard contact force. To facilitate the analysis of the data concerning the drip irrigation tape after the simulation, it is also necessary to create three data collection points, then repeat the above steps for each drip irrigation tape model to complete all the drip irrigation tape flexible body modeling.
During the recovery simulation process, the drip irrigation tape continuously contacts the simplified model of the potato drip irrigation tape recycling machine. Contact parameters between the models include those between the drip irrigation tape and the machinery frame side plates, the drip irrigation tape and the cylindrical rolls, and the drip irrigation tape and the recovery shovel. Standard contact forces are added to the models through the Ger Surface module, and contact parameters are set accordingly. Based on the actual motion and constraint relationships of each component, constraints are set for the established simulation model in the RecurDyn V9R4 software. Since both the machinery frame side plates and the recovery shovel move forward uniformly and in a synchronized manner, these components are set as a relatively fixed whole relative to each other. The motion of the whole is added with the ground as the reference. The two cylindrical rolls rotate with respect to the machinery frame side plates, so rotational motion is added with the machinery frame side plates as the reference. The contact parameters, such as drip irrigation tape to drip irrigation tape, drip irrigation tape to steel, and drip irrigation tape to soil, used in the simulation are shown in the Table 4 [32,33,34,35].
The parameters of the flexible body model of drip irrigation tape are referred to in the research literature of Guo et al. [15]. In this article, the parameters of the flexible body model of drip irrigation tape are verified by a shear experiment. Firstly, start the TMS-Pro mass spectrometer, open the shear experiment program of the drip irrigation tape and clean the shear sample table, set the shear rate at 10 mm/min, install the shear tool and place the drip irrigation tape specimen flat on the shear table. Ensure that the shear prop is vertically aligned with the drip tape specimen, and then start the shear experiment. With the loading displacement gradually increased until the specimen is completely cut off, stop the experiment and export the experiment data to obtain the maximum shear force Fa of the drip irrigation tape specimen, which is 368.8 N. The experiment was repeated five times, and the results were averaged.
To facilitate the simulation and calculation, the components that have nothing to do with the shear experiment of the drip irrigation tape specimen are eliminated, and only the shear knife and the shear platform are retained in the indoor experiment. The two models are established using the three-dimensional software SolidWorks 2018, which is imported into the RecurDyn V9R4 software. Consistent with the indoor experiment method, the shear tool was loaded at 10 mm/min loading speed to apply load to the model. After the experiment was completed, the simulated maximum shear force Fc was exported in the post-processing interface as 377.2 N. The in-house shear experiment and the simulation experiment of drip irrigation tapes are shown in the Figure 11.
The validation comparison between the laboratory experiment and the simulation experiment shows that the average relative error e = 2.28%, which indicates that the constructed flexible body model of the drip irrigation tape is feasible and can meet the needs of the operational mechanism study of the simulation of recycled drip irrigation tape. In the RecurDyn-EDEM Coupling Simulation Experiment, adjustments to the conveyor chain’s speed and the machine’s forward speed require changes to the drive functions. To avoid simulation failure, it is important to note that after adjusting the drive functions, the file must be regenerated and re-imported into the EDEM 2021 software for simulation. The adjustment of the shovel angle is achieved by rotating the recovery shovel’s angle in the SolidWorks 2018 software. Before conducting the simulation experiment, the model with the adjusted rotation angle should be re-imported into the RecurDyn V9R4 software. Here, constraints and motion parameters are added. Subsequently, the newly generated Wall file must be imported into the EDEM 2021 software for the simulation to proceed. The 3D model of the potato drip irrigation tape recycling machine was simplified and imported into the EDEM 2021 software, as shown in Figure 12.

2.6. Experimental Design for Optimization of the Parameters of Potato Drip Irrigation Tape Recycling Machine

To clarify the impact patterns of the interactions between experimental factors on the evaluation indicators and to obtain the optimal parameter combination for the potato drip irrigation tape recycling machine, the Box-Behnken response surface methodology was used. The establishment of a regression mathematical model between each evaluation indicator and experimental factors was followed by an analysis of the impact of these interactions on evaluation indicators.
Based on the results of single-factor performance experiments, reasonable intervals between high drip irrigation tape recovery rates were selected. The coding of each experimental factor is shown in Table 5. This experiment was conducted in the soil trough laboratory at Inner Mongolia Agricultural University. The method was consistent with the single-factor performance experiments, comprising 17 sets of experiments, each repeated three times. The average of the three repeated experimental results was calculated as the final experimental outcome.

2.7. The Field Experiment Design

A field experiment was conducted to verify the validity of the results of optimizing the parameters of a potato drip irrigation tape recycling machine. Considering the feasibility of adjusting the mechanical parameters and the convenience of measurement, the optimized parameters were rounded to a machine forward speed of 2.4 km/h, a shovel angle of 12°, and a conveyor sprocket speed of 270 r/min for the field experiment. Following the experimental requirements specified in the “Q/RAN J001-2021 drip irrigation tape Recovery Machine” standard [23], the experiment was repeated five times, the length of the measurement area was not less than 100 m, the width met the working width of three reciprocating strokes, and the measurement point was adopted according to the five-point method. The experiment was carried out in September 2023 at the experiment base of Inner Mongolia Agricultural University. The machine was suspended from a tractor, and after the recycling operation was completed, the drip irrigation tapes in the collection box and the unrecovered drip irrigation tapes were weighed manually. The drip irrigation tape recovery rate was calculated using Equation (11), and the experimental process mentioned above was recorded and repeated. The results of the experiment are shown in Figure 13.

3. Results and Discussion

This chapter analyzes and discusses the results of the single-factor performance experiment, coupled simulation experiment, response surface experiment, and field experiment. It explores the influences of different working parameters on the drip irrigation tape recovery rate and obtains the optimal working parameters of the potato drip irrigation tape recycling machine. It also explores the influence mechanism that affects the operating effect of the potato drip irrigation tape recycling machine. Through the combination of simulation experiments and practical experiments, this paper reveals a potato drip irrigation tape recycling machine which does not need artificial assistance to wind the tape, has no broken tape failures, and meets the relevant standards of operational effects.

3.1. Analysis of Single-Factor Performance Experiment Results

When the shovel angle is 12°, the conveyor sprocket speed is 270 r/min, and the machine forward speed is increased from 2.0 km/h to 4.0 km/h, the drip irrigation tape recovery rate shows a decreasing trend as a whole (Figure 14a). When the machine forward speed is relatively low, the speed of soil digging is slower than the speed of conveying soil, and the drip irrigation tape can be recovered smoothly (Figure 15a). When the machine’s forward speed is gradually increased, the speed of soil digging gradually rises to become faster than the speed of conveying soil, which results in the accumulation of soil in the front side of the drip irrigation tape shovel, which leads to the accumulation of drip irrigation tape. Tape may even be pushed to the outer side by soil (Figure 15b).
When the machine forward speed is set at 3.0 km/h and the conveyor sprocket speed is 270 r/min, the shovel angle increases from 8° to 16° and the drip irrigation tape recovery rate tends to increase and then decrease (Figure 14b). The experiment found that when the shovel angle is too shallow, some shallowly buried ends of the drip irrigation tapes are bent, causing the ends to be buried deeper in the soil, below the horizontal plane of the recovery shovel’s tip. As the potato drip irrigation tape recycling machine moves forward, the recovery shovel cannot timely scoop up the deeply buried drip irrigation tapes, which leads to a deterioration in drip irrigation tape recycling performance. As the shovel angle increases, the phenomenon of missing drip irrigation tapes decreases, and the drip irrigation tape recovery rate tends to rise. However, when the shovel angle is too large, the recovery shovel digs more soil, and the rate at which the recovery shovel digs up soil becomes faster than the conveying mechanism can transport it, leading to excessive soil accumulation on the recovery shovel and a decrease in the drip irrigation tape recovery rate.
When the machine forward speed is set at 3.0 km/h and the shovel angle is 12°, the conveyor sprocket speed increases from 210 r/min to 270 r/min, the drip irrigation tape recovery rate as a whole shows an upward and then stabilized trend (Figure 14c). The experiment found that when the conveyor sprocket speed is too low, the performance of the potato drip irrigation tape recycling machine recycling situation is similar to when the machine forward speed is low and the shovel angle is too high: as the potato drip irrigation tape recycling machine moves forward, the conveyor chains transport soil at a slower rate, and the substantial soil accumulation makes it difficult for the drip irrigation tapes to feed between the two conveyor chains, resulting in a decrease in the drip irrigation tape recovery rate (Figure 15b). As the conveyor sprocket speed increases, the drip irrigation tape recovery rate shows an upward trend. Within the range of 270–330 r/min, the change in the drip irrigation tape recovery rate tends to stabilize.
At present, there are more studies on drip irrigation tape recycling machines, but there are fewer studies to carry out related experiments. Papers related to the experimental research content of this paper were selected for discussion, and the experimental conclusions were compared to analyze the reasons affecting the drip irrigation tape recovery rate.
Ding and Niu conducted a drip irrigation tape recovery experiment to determine the effect of different working parameters on the drip irrigation tape recovery rate [12,22]. According to an analysis of their results, the drip irrigation tape recovery rate in the drip irrigation tape recycling experiment conducted by Ding and Niu is lower compared with the experiment results described in this paper. The main reason for this result is that the recovery of drip irrigation tape is different, and the transverse extraction device designed by Ding and Niu will have a little slipping phenomenon during the experiment [12,22], which is analyzed to be caused by the resonance between the tape extraction roller, the tractor, the frame, and the mixing of residual water and soil in the drip irrigation tape, which makes the tape extraction roller slip. Due to the use of transverse extraction method of recovering drip irrigation tape, tape broken in the recovery process is more obvious, which is also the reason why the drip irrigation tape recovery rate is relatively low. In this paper, the potato drip irrigation tape recycling machine adopts the dewatering mechanism and collection box to recycle drip irrigation tape, so there is no such problem.
According to the conclusion of Martynova et al. experiment [16,17,18,19,20,21,22,23,24,25,26,27,28,29,30,31,32,33,34,35,36,37,38], the forward speed of the machine affects the amount of drip irrigation tape fed. In a more suitable range, the drip irrigation tape recovery rate is and the operational efficiency are both higher. The machine forward speed of the machine affects the feed rate of drip irrigation tape. The drip irrigation tape recovery rate varies significantly under different working parameters, and the drip irrigation tape recovery rate and the operating efficiency are higher only in a more suitable range of speeds. It can be seen that the working parameters are directly related to the drip irrigation tape recovery rate. This is consistent with the conclusion obtained in this experiment that speed affects the drip irrigation tape recovery rate.

3.2. Analysis of Coupling Simulation Experiment Results

3.2.1. Analysis of Soil Accumulation during the Recycling Process

After completing the simulation experiment, the soil accumulation curve during the recycling process was analyzed using the post-processing function of the EDEM 2021 software, and the peak height of the soil under different parameters was plotted using Origin 2018 64Bit software. When the machine forward speed is 3.0 km/h and the shovel angle is 12°, the peak height of soil shows a decreasing trend as the conveyor sprocket speed increases (Figure 16a). As the conveyor sprocket speed increases, the rate at which the conveying mechanism transports soil becomes faster, and the amount of soil it can transport equals or even exceeds the amount of soil dug up by the recovery shovel. Therefore, the peak height of soil initially decreases and then tends to stabilize. Combined with the results of single-factor performance experiments, the drip irrigation tape recovery rate increases and then stabilizes as the conveyor sprocket speed increases, which is directly related to the peak height of soil accumulation on the upper side of the recovery shovel.
When the conveyor sprocket speed is 240 r/min and the machine forward speed is 3.0 km/h, as the shovel angle increases, the peak height of soil shows a linear increase (Figure 16b). The shovel angle directly affects the amount of soil it digs per unit time, while the conveyor chain’s soil transport capacity per unit time remains fixed. According to the single-factor performance experiment results, when the shovel angle is low, the drip irrigation tape recovery rate is relatively lower due to the bending of the tapes. As the shovel angle increases, the recovery shovel can dig up all of the drip irrigation tapes, and subsequent drip irrigation tape recovery rates are related to the peak height of the soil on the upper side of the recovery shovel.
When the conveyor sprocket speed is 240 r/min and the shovel angle is 12°, as the machine forward speed increases, the peak height of soil also shows a linear increase (Figure 16c). With increasing machine forward speed, the amount of soil dug up by the recovery shovel per unit time increases, while the conveyor chain’s transport capacity per unit time remains fixed. When the amount of soil dug up per unit time is less than the amount of soil it can transport per unit time, the peak height of soil on the upper side of the recovery shovel tends to stabilize; as the dug up amount exceeds the transport capacity, the soil accumulation becomes more noticeable. According to single-factor performance experiment results, as the machine forward speed increases, the drip irrigation tape recovery rate gradually decreases from a stable state, directly correlating with the peak height of soil on the upper side of the recovery shovel.
The effect of drip irrigation tape recycling was similar to the results of the single-factor performance experiment, and was compared with related literature that also studied peak heights of soil. Shi and Yang conducted potato harvesting trials to determine the effect of the peak height of soil on the rate of potato leakage [19,21]. The following conclusions were drawn: When the rate of digging up the soil per unit of time does not match the rate of conveying the soil, potato congestion occurs, which is consistent with the analysis of the occurrence of pile-ups in the drip irrigation tape in this experiment. When the speed of digging up soil per unit time matches the speed of transporting soil, potatoes can be recovered smoothly, which is also consistent with the conclusions obtained from the experiment in this article on the mechanism of the influence of peak height of soil on the drip irrigation tape recovery rate.
According to the experimental conclusion of Yang et al. [39,40,41,42,43], it can be seen that: when the amount of soil fed per unit time is lower than the amount of soil delivered per unit time, the congestion height is higher, and the effect of the congestion height on the potato harvesting rate is more obvious under different working parameters, and the potato harvesting rate is higher only in the more suitable range. This is consistent with the conclusions obtained from the experiments in this paper the mechanism of the effect of congestion height on the recovery rate of drip irrigation tape.

3.2.2. Analysis of Drip Irrigation Tape Bending Angle during the Recycling Process

In observing the state of the drip irrigation tapes and the soil accumulation during the simulation experiment, it was found that under conditions of high soil accumulation, some drip irrigation tapes, though pushed backwards by the accumulated soil, did not exhibit significant bending and were successfully recovered after moving with the soil for a distance. However, drip irrigation tapes that were not recovered often tended to have larger bending (Figure 17a). Thus, a detailed analysis of the overall bending angle of drip irrigation tapes during the recycling process was conducted.
We used the Angle module in a RecurDyn V9R4 software simulation result analysis to analyze drip irrigation tape bending angles and plot the bending angle change curve over time (Figure 17b). From the diagram, it is evident that: In segment ①, the drip irrigation tape is not yet being recovered, and as the potato drip irrigation tape recycling machine moves forward, changes in the drip irrigation tape bending angle are not significant. In segment ②, the recovery of the drip irrigation tape begins, with the drip irrigation tape and soil being shoveled by the recovery shovel toward the conveying mechanism. During this stage, the soil slope becomes steeper, and the drip irrigation tape begins to exhibit noticeable bending. In segment ③, as the conveyor chain conveying the drip irrigation tape proceeds, the linear speed of the conveyor chain is slightly higher than the machine’s forward speed. Thus the drip irrigation tape is transported backwards under the clamping effect of the conveyor chain, and straightens out during the transport, reducing the drip irrigation tape bending angle. In segment ④, the drip irrigation tape leaves the conveying mechanism and drops to the rear, and the drip irrigation tape bending angle no longer changes.
When the shovel angle is set to 12° and the machine forward speed is 3.0 km/h, the maximum bending angle decreases as the conveyor sprocket speed increases (Figure 18a). When the conveyor sprocket speed is low, the rate at which the conveyor transports soil per unit time is slower than the rate at which soil is fed in. At this point, there will be excessive soil buildup on the recovery shovel, causing the drip irrigation tape to also accumulate in front of the recovery shovel, and some outwardly bent drip irrigation tapes may even be pushed directly to the sides of the machine (Figure 18b). As the conveyor sprocket speed increases while the rate at which soil is fed remains the same, the rate at which the conveyor transports soil gradually becomes faster, reducing the soil accumulation height on the recovery shovel. Consequently, the maximum bending angle of the drip irrigation tape during the recycling process gradually decreases, improving the recovery effectiveness of the drip irrigation tape. Combined with the peak height of soil experiment results, the peak height of the soil initially decreases and then stabilizes as the conveyor sprocket speed increases, which directly correlates with the maximum bending angle of the drip irrigation tape.
When the conveyor sprocket speed is 270 r/min and the machine forward speed is 3.0 km/h, the maximum bending angle decreases as the shovel angle increases (Figure 19a). As the shovel angle increases, the rate at which soil is fed per unit time gradually exceeds the rate at which the conveyor chain transports soil, resulting in higher soil accumulation on the recovery shovel, steeper slopes, reduced support force from the soil on the drip irrigation tape, and gradually decreasing friction between the soil and the drip irrigation tape. When the friction force between them is less than the component of gravity of the drip irrigation tape in the direction parallel to the soil, relative sliding occurs between the drip irrigation tape and the soil. As the potato drip irrigation tape recycling machine moves forward, the drip irrigation tape exhibits significant bending (Figure 19b). Combined with the peak height of soil experiment results, the peak height of the soil increases linearly with the increase of the shovel angle, directly correlating with the maximum bending angle of the drip irrigation tape.
At a conveyor sprocket speed of 270 r/min and a shovel angle of 12°, the maximum bending angle increases as the machine’s forward speed increases (Figure 20a). When the machine’s forward speed is low, the amount of soil lifted by the recovery shovel per unit time is less, and the rate at which soil is fed is slower than the rate at which the conveyor transports soil, resulting in a smooth drip irrigation tape recovery process with only minor bending (Figure 20b). As the machine’s forward speed increases, the amount of soil lifted by the recovery shovel per unit time increases, leading to a gradual increase in soil accumulation height and a gradual increase in the maximum bending angle of the drip irrigation tape. When the machine forward speed exceeds 3.0 km/h, the change in the maximum bending angle becomes significant, leading to an accumulation of the drip irrigation tape in front of the recovery shovel, worsening the feed state of the drip irrigation tape and reducing the drip irrigation tape recovery rate. Combined with the peak height of soil experiment results, the peak height of the soil increases gradually from a relatively stable state as the machine forward speed increases, directly correlating with the maximum bending angle of the drip irrigation tape.
According to the conclusions of Nalliah et al. [44,45,46], it can be seen that when the congestion height is high, the bending angle of the drip irrigation tape changes significantly under different working parameters. When the congestion height is low, the bending angle of the drip irrigation tape is small and the recovery rate of the drip irrigation tape is high, which is in line with the conclusions obtained from the experiments in this paper.

3.3. Analysis of Response Surface Experiment Results

3.3.1. Variance Analysis

The results of the response surface experiment are shown in Table 6.
Using Design-Expert 13 software for data analysis, a multivariate regression fitting analysis was conducted to explore the relationship between the drip irrigation tape recovery rate and experimental factors. The drip irrigation tape recovery rate (S) was used as the dependent variable, while the conveyor sprocket speed (A), shovel angle (B), and machine forward speed (C) were used as independent variables. A second-order polynomial response surface regression Equation (11) was established:
S = 7.36887 + 0.045315 A + 0.161462 B + 0.97575 C + 0.000654 A B 0.000583 A C + 0.03 B C 0.000094 A 2 0.01735 B 2 0.2496 C 2
The variance analysis of the experiment results is shown in Table 7.
From the table above, it is evident that the p-value for the drip irrigation tape recovery rate is less than 0.0001, indicating that the model is highly significant. The p-value for the lack of fit is 0.1258 (greater than 0.05), suggesting that the model fits well within the experimental parameters and there are no “lack of fit” issues. In this model, the factors A, C, AB, BC, A2, B2, and C2 have a highly significant impact on the drip irrigation tape recovery rate, while B and AC have no significant impact. By excluding the terms that have no significant effect on the regression equation (p > 0.05), the optimized regression Equation (12) is obtained:
S = 7.36887 + 0.045315 A + 0.97575 C + 0.000654 A B + 0.03 B C 0.000094 A 2 0.01735 B 2 0.2496 C 2

3.3.2. Analysis of Factorial Interactions

This paper only analyzes the interactions between significant factors affecting the performance indicators of the potato drip irrigation tape recycling machine, as shown in Figure 21.
With the machine’s forward speed fixed at a zero level (2.5 km/h), when the shovel angle is between 10–14°, the drip irrigation tape recovery rate initially increases and then decreases as the conveyor sprocket speed increases. When the conveyor sprocket speed is between 240–300 r/min, the drip irrigation tape recovery rate also shows a trend of first increasing and then decreasing as the shovel angle increases (Figure 21a). When the machine forward speed is constant, if the rate at which the recovery shovel lifts the soil and the rate at which the conveyor chain transports the soil are mismatched, significant soil buildup occurs on the recovery shovel, and the drip irrigation tape tends to bend noticeably, leading to poor recovery results. When the rate of the recovery shovel matches the speed of the conveyor chain transporting the soil, the buildup of soil decreases, the bending of the drip irrigation tape is less noticeable, and the recovery of the drip irrigation tape is more effective.
With the conveyor sprocket speed fixed at a zero level (270 r/min), when the machine forward speed is between 2.0–3.0 km/h, the drip irrigation tape recovery rate generally shows a decreasing trend as the angle of the recovery shovel entering the soil increases. When the shovel angle is between 10–14°, as the machine forward speed increases, the drip irrigation tape recovery rate initially increases and then decreases (Figure 21b). When the shovel angle is 10°, the drip irrigation tape recovery rate ranges from 75% to 84%, which is relatively high. This is because the angle at which the shovel enters the soil and the machine’s forward speed directly affect the rate at which soil is fed. When the shovel angle is smaller, the rate of soil fed per unit time matches the rate at which the conveyor transports soil at the zero level. Under these conditions, the build-up of soil is minimal, the drip irrigation tape bending is less noticeable, and the overall drip irrigation tape recovery rate is better. As the shovel angle and the machine’s forward speed increase, the rate at which soil is fed per unit time gradually speeds up. When the shovel angle is 14°, the drip irrigation tape recovery rate ranges from 66% to 73%, which is relatively low. This is because when the shovel angle is larger, the amount of soil fed per unit time is greater, while the rate at which the conveying mechanism transports soil remains unchanged. At this time, the rate of soil fed per unit time exceeds the rate at which the conveying mechanism transports soil at the zero level, leading to significant soil buildup. The drip irrigation tape accumulates in front of the recovery shovel and may even be pushed to the outside of the machine’s side panels by the soil, resulting in poorer drip irrigation tape recovery rate. When the conveyor sprocket speed is fixed, as both the shovel angle and the machine’s forward speed increase, the amount of soil fed per unit time increases, the height of soil build-up increases, the bending of the drip irrigation tape becomes more noticeable, and there is a significant change in the drip irrigation tape recovery rate.
The regression Equation (13), with insignificant factors removed, is solved using the optimization solver in Design-Expert 13 software. Setting the constraint conditions:
m a x S ( A , B , C ) 240 A 300 10 B 14 2.0 C 3.0
The optimization results indicate that the best operating performance of the potato drip irrigation tape recycling machine is achieved when the conveyor sprocket speed is 273.254 r/min, the shovel angle is 11.809°, and the machine forward speed is 2.367 km/h. Under these conditions, the drip irrigation tape recovery rate is 96.1%.

3.4. Field Experiment Results

The field experiment results are shown in Table 8.
The field experiment results indicate that all of the moving parts of the machine operated normally, and there was no obvious tape breakage phenomenon in the collection process. The average drip irrigation tape recovery rate was 95.2%, The drip irrigation tape recovery rate was slightly lower than the pre-trial results with optimized parameters, primarily because the field soil conditions were more complex. Some impurities were also collected during the recycling process, affecting the effectiveness of the drip irrigation tape recovery. The results still met the referenced operational quality standards.

4. Conclusions

(1) Aiming to improve the potato drip irrigation tape recycling machine operation process, we designed a potato drip irrigation tape recycling machine, to realize the effective drip irrigation tape recycling and collection. We sought to remedy the broken tape phenomenon and remove the need for manual assistance, among other problems.
(2) The theoretical optimal working parameters of the potato drip irrigation tape recycling machine are: a machine forward speed of 2.4 km/h, a shovel angle of 12°, and a conveyor sprocket speed of 270 r/min.
(3) Under the optimal operating parameters, the performance indicators of the potato drip irrigation tape recycling machine met the referenced operational quality standards (the drip irrigation tape recovery rate is 95.2% ≥ 95%).

Author Contributions

Conceptualization, X.J. and J.Y.; methodology, X.J. and J.Y.; software, X.J. and J.Y.; validation, X.J., J.Y. and S.X.; formal analysis, X.J. and J.Y.; investigation, X.J. and J.Y.; resources, S.X.; data curation, X.J. and J.Y.; writing—original draft preparation, X.J. and J.Y.; writing—review and editing, X.J. and J.Y.; visualization, S.X.; supervision, S.X.; project administration, X.J. and J.Y.; funding acquisition, S.X. All authors have read and agreed to the published version of the manuscript.

Funding

This work was supported by the Science and Technology Program of Inner Mongolia Autonomous Region of China (2023YFHH0013), the Interdisciplinary Research Fund of Inner Mongolia Agricultural University (BR231505), and the Inner Mongolia Agricultural University College Student Innovation and Entrepreneurship Training Program Project (202210129036) for developing the research.

Institutional Review Board Statement

Not applicable.

Data Availability Statement

The data presented in this study are available on request from the corresponding author.

Acknowledgments

The authors thank the College of Mechanical and Electrical Engineering of Inner Mongolia Agricultural University for providing facilities for the current research.

Conflicts of Interest

The authors declare no conflicts of interest.

References

  1. Yao, Z. Summary of Innovation and Development of Drip Irrigation in China. Agric. Eng. 2022, 12, 75–78. [Google Scholar]
  2. Qin, J. Potato Response to Water and Yield-Increasing Mechanism of Drip Irrigation under Mulch. Ph.D. Thesis, Inner Mongolia Agricultural University, Hohhot, China, 2013. [Google Scholar]
  3. Chen, L.; Wang, C.; Chen, Y. Development and application technology of embedded inversely-filtered and anti-blocking emitter and drip irrigation tube. J. Chin. Agric. Mech. 2016, 37, 89–93. [Google Scholar]
  4. Tian, F.; Wen, J.; Hu, H. Review on water and salt transport and regulation in drip irrigated fields in arid regions. J. Hydraul. Eng. 2018, 49, 126–135. [Google Scholar]
  5. Dou, C.; Kang, Y.; Wan, S. Effect of mulch-drip irrigation on soil enzyme activities of saline-sodic soil with shallow water table. Trans. Chin. Soc. Agric. Eng. 2010, 26, 44–51. [Google Scholar]
  6. Liang, Z.; Wang, Y. Research Summary of Damage and Control of the Remainder of Plastic Film in Farmland in China. China Cotton 2012, 39, 3–8. [Google Scholar]
  7. Li, M. Effects of Drip Irrigation under Film on Hydrothermal Effect and Yield and Quality of Potato in Dry Land. Master’s Thesis, Ningxia University, Yinchuan, China, 2020. [Google Scholar]
  8. Guo, B. Study on Aging Induced Properties Evolution of PE Drip Irrigation Tape and Its Modification Recycling. Master’s Thesis, Northwest A&F University, Xianyang, China, 2016. [Google Scholar]
  9. Wang, L. Study on Effects of Different Drip Irrigation Modes on Soil Moisture. Master’s Thesis, Taiyuan University of Technology, Taiyuan, China, 2021. [Google Scholar]
  10. Ding, S.; Li, T.; Wang, J.; Hu, K. Analysis of power consumption of 4HS type drip irrigation belt recovery machine. J. Chin. Agric. Mech. 2015, 36, 299–302. [Google Scholar]
  11. Niu, H.; Wang, J.; Luo, W.; Duan, W.; Li, Y. Design of 4DJ Type Drip Irrigation Belt Recovery Machine. Xinjiang Agric. Mech. 2017, 2, 5–8. [Google Scholar]
  12. Niu, H. The Design and Experiment of the Recovery System of the Horizontal Strip Drip Irrigation Belt. Master’s Thesis, Shihezi University, Shihezi, China, 2017. [Google Scholar]
  13. Jiang, Z. Design and Experimental Study of Drip Irrigation Belt Recycling Machine. Master’s Thesis, Xinjiang Agricultural University, Urumqi, China, 2016. [Google Scholar]
  14. Jiang, Z.; Shi, J. Design and Experiment on the Drip Irrigation Belt Recovering Machine. Xinjiang Agric. Mech. 2016, 06, 19–20. [Google Scholar]
  15. Guo, W.; Wang, Z.; Sun, Y.; Tian, Y.; Hu, C.; San, Y. Design of Imitating Artificial Picking Type Drip Irrigation Belt. Xinjiang Agric. Sci. 2018, 55, 1534–1541. [Google Scholar]
  16. Li, Y. The Design of the Combine Machine for Digging Potato and Recycling Residual Film. Master’s Thesis, Gansu Agricultural University, Lanzhou, China, 2016. [Google Scholar]
  17. Li, Y.; Zhao, W.; Dai, F. Development and experiment of combined operation machine for potato harvesting and plastic film collecting. J. Hunan Agric. Univ. 2016, 42, 102–107. [Google Scholar]
  18. China Agricultural Machinery Research Institute. Agricultural Machinery Design Manual, 1st ed.; China Agricultural Science and Technology Press: Beijing, China, 2007. [Google Scholar]
  19. Shi, W. Design and Experiment of Joint Operation Machine for Potato Recycling and Plastic Film Collector. Master’s Thesis, Shandong Agricultural University, Tai’an, China, 2018. [Google Scholar]
  20. Ge, D. Design of the Potato Recovery and Plastic Film Collector Combined Operating Machine. Master’s Thesis, Shandong Agricultural University, Tai’an, China, 2016. [Google Scholar]
  21. Yang, X. Design and Experiment of Potato Harvester in Hilly and Mountainous Area. Master’s Thesis, Kunming University of Science and Technology, Kunming, China, 2020. [Google Scholar]
  22. Ding, S. Recycling Mechanism of Drip Irrigation Belt with Transverse Pumping. Master’s Thesis, Shihezi University, Shihezi, China, 2015. [Google Scholar]
  23. Q/RAN J001-2021; Drip Irrigation Tape Recycler. Urumqi Zhenxing Ruian Plastic Machinery Co.: Urumqi, China, 2021.
  24. Gong, B. Simulation Analysis onSteel Ball Friction Energy Absorber Based on Recurdyn and EDEM. Mine Constr. Technol. 2022, 43, 55–59. [Google Scholar]
  25. Chen, Z. Study and Analysis on Belt Conveyor Deviation Based on RecurDyn. Master’s Thesis, Taiyuan University of Science and Technology, Taiyuan, China, 2023. [Google Scholar]
  26. Zhou, G.; Han, Z.; Guo, Y. Transverse vibration characteristics of conveyer belts based on Recurdyn. J. Heilongjiang Univ. Sci. Technol. 2018, 28, 649–654. [Google Scholar]
  27. Liu, L. Study on Crawl-Soil Interaction of Deep-Sea Harvester Based on Recurdyn-EDEM. Master’s Thesis, Chang’an University, Xi’an, China, 2023. [Google Scholar]
  28. Hu, J.; Fan, J.; Chen, F. Simulation Optimization and Experiment of Finger-clamping Seedling Picking Claw Based on EDEM-RecurDyn. Trans. Chin. Soc. Agric. Mach. 2022, 53, 75–85. [Google Scholar]
  29. Lu, H. Research on Stability of Reverse Trapezoid Tracked Vehicle Based on Recurdyn. Master’s Thesis, North University of China, Taiyuan, China, 2023. [Google Scholar]
  30. Zhou, J. Design and Experimental Study of Potato Pickup Device Based on Discrete Element Method. Master’s Thesis, Inner Mongolia Agricultural University, Hohhot, China, 2023. [Google Scholar]
  31. Wang, L. Simulation of Mechanical Properties of Polyethylene and Its Composites Based on Molecular Dynamics. Master’s Thesis, Lanzhou University, Lanzhou, China, 2023. [Google Scholar]
  32. Zhang, Y. Preparation and Selfhealing Properties of PUF-SiO2/DCPD Microcapsule Polyethylene Composites. Ph.D. Thesis, Chongqing University, Chongqing, China, 2022. [Google Scholar]
  33. Yang, D.; Wang, X.; Liu, M. Design and Experiment of Self-propelled Potato Collecting and Bagging Machine. Trans. Chin. Soc. Agric. Mach. 2024, 55, 85–95. [Google Scholar]
  34. Wu, C.; Xie, Z. Structural design and dynamic simulation of tracked robot based on RecurDyn. Agric. Equip. Veh. Eng. 2023, 61, 38–41. [Google Scholar]
  35. Chen, D.; Li, G.; Li, Z. Design of Precision Seeding Monomer for Simulated Maize Breeding Based on RecurDyn. J. Agric. Mech. Res. 2024, 46, 81–86. [Google Scholar]
  36. Martynova, N.B.; Balabanov, V.I. The design of the working equipment for laying a drip tape based on the Grimme GF-75/4 ridge former. EDP Sci. 2021, 262, 01018. [Google Scholar] [CrossRef]
  37. Kizyaev, B.M.; Balabanov, V.I.; Martynova, N.B. Mechanized Placement of Drip Tape in Potato Comb. BIO Web Conf. 2022, 42, 03004. [Google Scholar] [CrossRef]
  38. Meng, F.; Wei, D. Design of the AGV Trolley for Transporting the Drip Irrigation Belt Roll. J. Phys. 2021, 1820, 012031. [Google Scholar] [CrossRef]
  39. Yang, X.; Wu, Y.; Wang, L. Design and Performance Test of 4UJ-180A Potato Picking and Bagging Machine. Agriculture 2024, 14, 454. [Google Scholar] [CrossRef]
  40. Wang, W.; Yang, R.; Pan, Z. Design and Experimental Study of Single Plant Harvester for Potato Breeding Experiments. Agriculture 2023, 14, 71. [Google Scholar] [CrossRef]
  41. Jia, B.; Sun, W.; Zhao, Z. Design and field test of a remotely controlled self-propelled potato harvester with manual sorting platform. Am. J. Potato Res. 2023, 100, 193–209. [Google Scholar] [CrossRef]
  42. Li, H.; Gao, F. Improvement design of separation and conveying machinery and equipment of potato excavator in heavy soil. Phys. Chem. Earth 2023, 130, 103363. [Google Scholar] [CrossRef]
  43. Slavkin, V.I.; Belov, M.I.; Krasnyaschikh, K.A. Experimental researches of a self-propelled potato harvester equipped with separation process control system. Tract. Agric. Mach. 2016, 83, 28–30. [Google Scholar] [CrossRef]
  44. Zhu, D.; Wu, S.; Guo, B. On the use of low-density polyethylene as disposable drip tape for field irrigation. Plast. Rubber Compos. 2018, 47, 133–137. [Google Scholar] [CrossRef]
  45. Nalliah, V.; Ranjan, S.R.; Kahimba, F. Evaluation of a plant-controlled subsurface drip irrigation system. Biosyst. Eng. 2008, 102, 313–320. [Google Scholar] [CrossRef]
  46. Kai, H.; De, S.; Jin, C. Experimental and Numerical Analysis of Drip Tape Layout for Irrigation of Sugarcane in Latosol. Open Biotechnol. J. 2016, 10, 197. [Google Scholar]
Figure 1. Single-Factor experiment results. (a) Transverse-draw drip irrigation tape recycling machine; (b) Chopping-style drip irrigation tape recycling machine; (c) Lifting-tape drip irrigation tape recycling machine.
Figure 1. Single-Factor experiment results. (a) Transverse-draw drip irrigation tape recycling machine; (b) Chopping-style drip irrigation tape recycling machine; (c) Lifting-tape drip irrigation tape recycling machine.
Agriculture 14 01432 g001
Figure 2. The overall structure of the machine: (1) Machinery frame; (2) Gearbox; (3) Recovery shovel; (4) Conveying mechanism; (5) Dewatering mechanism; (6) Collection box; (7) Hydraulic motor; (8) Position adjustment device; (9) Angle adjustment device.
Figure 2. The overall structure of the machine: (1) Machinery frame; (2) Gearbox; (3) Recovery shovel; (4) Conveying mechanism; (5) Dewatering mechanism; (6) Collection box; (7) Hydraulic motor; (8) Position adjustment device; (9) Angle adjustment device.
Agriculture 14 01432 g002
Figure 3. The transmission system: (1) Hydraulic system; (2) Sprocket; (3) Chain; (4) Dewatering roller; (5) Drive sprocket; (6) Conveyor chain; (7) Driven sprocket; (8) Gearbox; (9) Meshed gears.
Figure 3. The transmission system: (1) Hydraulic system; (2) Sprocket; (3) Chain; (4) Dewatering roller; (5) Drive sprocket; (6) Conveyor chain; (7) Driven sprocket; (8) Gearbox; (9) Meshed gears.
Agriculture 14 01432 g003
Figure 4. Cultivation patterns in west-central Inner Mongolia.
Figure 4. Cultivation patterns in west-central Inner Mongolia.
Agriculture 14 01432 g004
Figure 5. Force analysis of the recovery shovel: (1) Drip irrigation tape; (2) Soil; (3) Recovery shovel; (4) Transition plate.
Figure 5. Force analysis of the recovery shovel: (1) Drip irrigation tape; (2) Soil; (3) Recovery shovel; (4) Transition plate.
Agriculture 14 01432 g005
Figure 6. The conveying mechanism: (1) Conveyor shaft; (2) Conveyor sprocket speed; (3) Conveyor tape; (4) Driven sprocket; (5) Finger-shaped rubber roller sleeve; (6) Rod.
Figure 6. The conveying mechanism: (1) Conveyor shaft; (2) Conveyor sprocket speed; (3) Conveyor tape; (4) Driven sprocket; (5) Finger-shaped rubber roller sleeve; (6) Rod.
Agriculture 14 01432 g006
Figure 7. The dewatering mechanism: (1) Meshed gears; (2) Dewatering roller; (3) Dewatering shaft; (4) Position adjustment plate; (5) Sprocket.
Figure 7. The dewatering mechanism: (1) Meshed gears; (2) Dewatering roller; (3) Dewatering shaft; (4) Position adjustment plate; (5) Sprocket.
Agriculture 14 01432 g007
Figure 8. The collection mechanism: (1) Leading tape plate; (2) Rear side tape plate; (3) Opening and closing pin; (4) Hinge.
Figure 8. The collection mechanism: (1) Leading tape plate; (2) Rear side tape plate; (3) Opening and closing pin; (4) Hinge.
Agriculture 14 01432 g008
Figure 9. Single-Factor experiment process.
Figure 9. Single-Factor experiment process.
Agriculture 14 01432 g009
Figure 10. Drip irrigation tape flexible body modeling process.
Figure 10. Drip irrigation tape flexible body modeling process.
Agriculture 14 01432 g010
Figure 11. Shear experiment. (a) Indoor shear experiment; (b) Simulated shear experiment.
Figure 11. Shear experiment. (a) Indoor shear experiment; (b) Simulated shear experiment.
Agriculture 14 01432 g011
Figure 12. Simulation pre-processing model.
Figure 12. Simulation pre-processing model.
Agriculture 14 01432 g012
Figure 13. Field experiment of potato drip irrigation tape recycling machine.
Figure 13. Field experiment of potato drip irrigation tape recycling machine.
Agriculture 14 01432 g013
Figure 14. Single-Factor experiment results. (a) The effect of machine forward speed on the drip irrigation tape recovery rate; (b) The effect of the shovel angle on the drip irrigation tape recovery rate; (c) The effect of conveyor sprocket speed on the drip irrigation tape recovery rate.
Figure 14. Single-Factor experiment results. (a) The effect of machine forward speed on the drip irrigation tape recovery rate; (b) The effect of the shovel angle on the drip irrigation tape recovery rate; (c) The effect of conveyor sprocket speed on the drip irrigation tape recovery rate.
Agriculture 14 01432 g014
Figure 15. Single-Factor experiment process. (a) Recycling status at lower machine forward speed; (b) Accumulation phenomenon of drip irrigation tape.
Figure 15. Single-Factor experiment process. (a) Recycling status at lower machine forward speed; (b) Accumulation phenomenon of drip irrigation tape.
Agriculture 14 01432 g015
Figure 16. Single-Factor experiment results. (a) The impact of conveyor sprocket speed on the peak height of soil; (b) The impact of shovel angle on the peak height of soil; (c) The impact of machine forward speed on the peak height of soil.
Figure 16. Single-Factor experiment results. (a) The impact of conveyor sprocket speed on the peak height of soil; (b) The impact of shovel angle on the peak height of soil; (c) The impact of machine forward speed on the peak height of soil.
Agriculture 14 01432 g016
Figure 17. Analysis of drip irrigation tape bending angle. (a) Drip irrigation tape bending diagram; (b) Drip irrigation tape bending angle-time curve.
Figure 17. Analysis of drip irrigation tape bending angle. (a) Drip irrigation tape bending diagram; (b) Drip irrigation tape bending angle-time curve.
Agriculture 14 01432 g017
Figure 18. Analysis of maximum bending angle at different conveyor sprocket speeds. (a) The impact of conveyor sprocket speed on the maximum bending angle; (b) Large bending of the drip irrigation tape.
Figure 18. Analysis of maximum bending angle at different conveyor sprocket speeds. (a) The impact of conveyor sprocket speed on the maximum bending angle; (b) Large bending of the drip irrigation tape.
Agriculture 14 01432 g018
Figure 19. Analysis of maximum bending angle at different shovel angles. (a) The impact of shovel angle on the maximum bending angle; (b) The drip irrigation tape exhibits significant bending.
Figure 19. Analysis of maximum bending angle at different shovel angles. (a) The impact of shovel angle on the maximum bending angle; (b) The drip irrigation tape exhibits significant bending.
Agriculture 14 01432 g019
Figure 20. Analysis of maximum bending angle at different machine forward speeds. (a) The impact of machine forward speed on the maximum bending angle; (b) Only minor bending of the drip irrigation tape.
Figure 20. Analysis of maximum bending angle at different machine forward speeds. (a) The impact of machine forward speed on the maximum bending angle; (b) Only minor bending of the drip irrigation tape.
Agriculture 14 01432 g020
Figure 21. Analysis of the interactions between different experimental factors on the drip irrigation tape recovery rate. (a) The impact of conveyor sprocket speed and shovel angle on the drip irrigation tape recovery rate; (b) The impact of shovel angle and machine forward speed on the drip irrigation tape recovery rate.
Figure 21. Analysis of the interactions between different experimental factors on the drip irrigation tape recovery rate. (a) The impact of conveyor sprocket speed and shovel angle on the drip irrigation tape recovery rate; (b) The impact of shovel angle and machine forward speed on the drip irrigation tape recovery rate.
Agriculture 14 01432 g021
Table 1. Technical parameters of the potato drip irrigation tape recycling machine.
Table 1. Technical parameters of the potato drip irrigation tape recycling machine.
ItemParameter
Machine working width (mm)1080
Recovery depth (mm)20–70
Length of recovery shovel (mm)307
Width of recovery shovel (mm)1050
Width of conveyor chain (mm)1050
Width of dewatering mechanism (mm)1050
Table 2. Experiment factors and levels.
Table 2. Experiment factors and levels.
LevelsFactors
Conveyor Sprocket Speed (r/min)Shovel Angle (°)Machine Forward Speed (km/h)
121082.0
2240102.5
3270123.0
4300143.5
5330164.0
Table 3. Model parameter.
Table 3. Model parameter.
Poisson’s RatioShear Modulus (Pa)Densities (kg/m3)
Drip irrigation tape0.411.084918
Steel0.287.90 × 10107800
Soil0.25.63 × 1061380
Table 4. Contact parameter.
Table 4. Contact parameter.
Coefficient of Kinetic FrictionCoefficient of Static FrictionCrash Recovery Factor
Drip irrigation tape—Drip irrigation tape0.2410.3080.519
Drip irrigation tape—Steel0.2920.4310.457
Drip irrigation tape—Soil0.3390.5180.265
Table 5. Experimental factors and levels.
Table 5. Experimental factors and levels.
LevelsFactors
Conveyor Sprocket Speed (r/min)Shovel Angle (°)Machine Forward Speed (km/h)
−1240102.0
0270122.5
1330143.0
Table 6. Experimental results.
Table 6. Experimental results.
Experimental NumberA: Conveyor Sprocket Speed (r/min)B: Shovel Angle (°)C: Machine Forward Speed (km/h)S: Drip Irrigation Tape Recovery Rate (%)
11 (300)1 (14)0 (2.5)0.868
20 (270)−1 (10)1 (3.0)0.76
3−1 (240)−100.81
401−1 (2.0)0.824
500 (12)00.96
60110.815
7-1100.71
80000.934
91010.778
100000.956
111−100.811
120000.96
13−1010.765
140−1−10.889
150000.959
1610−10.866
17−10−10.818
Table 7. Variance analysis of drip irrigation tape recovery rate.
Table 7. Variance analysis of drip irrigation tape recovery rate.
SourceS—Drip Irrigation Tape Recovery Rate
Sum of SquaresDegrees of FreedomFp
Model0.1007942.61<0.0001 **
A—Conveyor sprocket speed0.0061123.030.0020 **
B—Shovel angle0.000411.340.2822
C—Machine forward speed0.0097137.050.0005 **
AB0.0062123.460.0019 **
AC0.000311.170.3160
BC0.0036113.710.0076 **
A²0.03021114.87<0.0001 **
B²0.0203177.21<0.0001 **
C²0.0164162.42<0.0001 **
Residual0.001873.560.1258
Lack of fit0.00133
Pure error0.00054
Cor total0.102616
** Indicates highly significant (p < 0.01).
Table 8. Field experiment results.
Table 8. Field experiment results.
12345Average Value
Drip irrigation tape recovery rate (%)96.696.893.395.593.895.2
Disclaimer/Publisher’s Note: The statements, opinions and data contained in all publications are solely those of the individual author(s) and contributor(s) and not of MDPI and/or the editor(s). MDPI and/or the editor(s) disclaim responsibility for any injury to people or property resulting from any ideas, methods, instructions or products referred to in the content.

Share and Cite

MDPI and ACS Style

Ji, X.; Yan, J.; Xie, S. Design and Experimental Testing of Potato Drip Irrigation Tape Recycling Machine. Agriculture 2024, 14, 1432. https://doi.org/10.3390/agriculture14081432

AMA Style

Ji X, Yan J, Xie S. Design and Experimental Testing of Potato Drip Irrigation Tape Recycling Machine. Agriculture. 2024; 14(8):1432. https://doi.org/10.3390/agriculture14081432

Chicago/Turabian Style

Ji, Xinjie, Jianguo Yan, and Shengshi Xie. 2024. "Design and Experimental Testing of Potato Drip Irrigation Tape Recycling Machine" Agriculture 14, no. 8: 1432. https://doi.org/10.3390/agriculture14081432

APA Style

Ji, X., Yan, J., & Xie, S. (2024). Design and Experimental Testing of Potato Drip Irrigation Tape Recycling Machine. Agriculture, 14(8), 1432. https://doi.org/10.3390/agriculture14081432

Note that from the first issue of 2016, this journal uses article numbers instead of page numbers. See further details here.

Article Metrics

Back to TopTop