Design and Testing of Friction-Type Nail-Tooth-Chain-Plate Residual-Film-Picking System
Abstract
1. Introduction
2. Structure and Working Principle
2.1. The Whole Machine Structure and Working Principle
2.2. Structure and Working Principle of Friction-Type Nail-Tooth-Chain-Plate Residual-Film-Picking System
3. Design and Analysis of Key Components
3.1. Design of Friction-Type Plastic-Film-Picking Chain
3.1.1. Rubber-Chain Friction Block
3.1.2. Pickup Nail Teeth
3.1.3. Drive Wheel of Nail-Toothed Chain
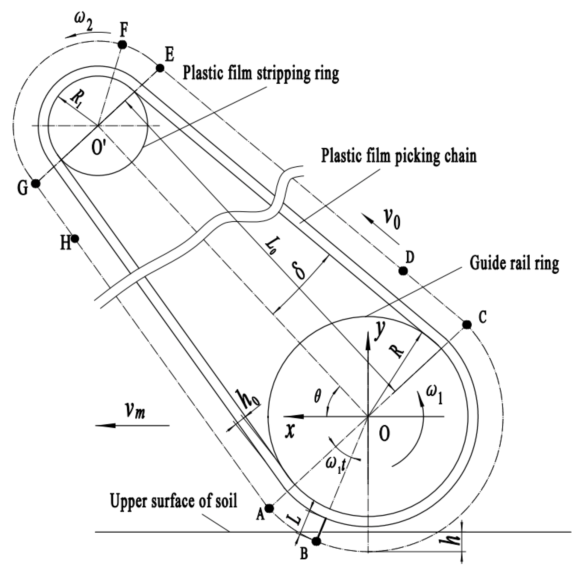
3.2. Kinematic Analysis of Friction-Type Plastic-Film-Picking Chain
3.3. Analysis of Mulching-Film No-Missed-Picking Condition
3.4. Force Analysis of Residual Film
3.5. Structure of Shovel-Type Film-Lifting Device
3.6. Main Parameters of Shovel Film-Lifting Device
3.7. Spacing and Number of Friction-Type Plastic-Film Pickup Chains
4. Field Experiment
4.1. Test Conditions
4.2. Experimental Factors and Evaluation Index
4.3. Test Scheme and Results
4.4. Regression Model Establishment and Significance Test
4.5. Operation Parameter Optimization and Experimental Verification
5. Conclusions
- (1)
- In this study, a friction-type nail-tooth-chain-plate film-picking system was designed, which is mainly composed of a friction-type film-picking chain and shovel-type film-lifting device. The friction-type film-picking chain can not only avoid overload and slip during operation but also facilitates the installation of functional components to pick up the nail teeth. The shovel-type film-lifting device separates the surface residual film from the soil and assists in the film picking;
- (2)
- The working mechanism, movement, and residual-film force of the friction-type plastic-film-picking chain were analyzed, and the conditions for realizing residual-film picking, no-leakage picking, and conveying were determined. At the same time, the key parameters of the friction-type plastic-film-picking chain and the film-lifting device were determined;
- (3)
- A four-factor and five-level quadratic regression orthogonal combination test was carried out with the operating speed, spacing of the pickup nail teeth, depth of the film shovel into the soil, and distance between the tip of the film shovel and the center of the picking drum used as the test factors, and the residual-film-picking rate, impurity rate, and traction resistance used as the test indexes. The influence of each test factor on the test index of the residual-film-picking system was analyzed, and the regression model was established. The optimal parameter combination was obtained by the multi-objective optimization method;
- (4)
- Test verification shows that when the working speed is 6 km/h, the spacing of the pickup nail teeth is 228.6 mm, the depth of the film shovel is 37 mm, and the center distance between the tip of the film shovel and the pickup drum is 130 mm, the residual-film pickup rate is 90.12%, the impurity rate of the recovered residual film is 8.96%, and the traction resistance is 19.905 kN. The relative error between the experimental results and the predicted values of the regression model is less than 5%, indicating that the parameter optimization regression model is reliable, and the designed friction-type nail-tooth-chain-plate plastic-film-picking system meets the technical requirements of residual-film recovery. The research results can provide a technical reference for the research and development of residual-film-recycling machines.
Author Contributions
Funding
Institutional Review Board Statement
Data Availability Statement
Conflicts of Interest
References
- Steinmetz, Z.; Wollmann, C.; Schaefer, M.; Buchmann, C.; David, J.; Tröger, J.; Munoz, K.; Frör, O.; Schaumann, G.E. Plastic mulching in agriculture. Trading short-term agronomic benefits for long-term soil degradation? Sci. Total Environ. 2016, 550, 690–705. [Google Scholar] [CrossRef] [PubMed]
- Zhao, Y.; Li, G.A.; Xia, J.B.; Bo, L.Y.; Mao, X.M. Effects of film mulching and irrigation amount on the root distribution and yield of seed-maize. Trans. Chin. Soc. Agric. Eng. 2022, 38, 104–114. [Google Scholar] [CrossRef]
- Wang, H.J.; Wang, M.; Wang, J.L.; Lu, Y.T.; Ying, Y.K.; He, Y.Z. Control technology and control strategy of residual film pollution in Xinjiang farmland. J. Chin. Agric. Mech. 2022, 43, 166–174. [Google Scholar] [CrossRef]
- Liu, J.G.; Li, Y.B.; Zhang, W.; Sun, Y.Y. The Distributing of the residue film and influence on cotton growth under continuous cropping in oasis of Xinjiang. J. Agro-Environ. Sci. 2010, 29, 246–250. [Google Scholar]
- Fu, L.H.; Ye, L.Q. China Statistical Yearbook; China Statistics Press: Beijing, China, 2023. Available online: https://www.stats.gov.cn/sj/ndsj/2023/indexch.htm (accessed on 15 January 2024).
- Yang, J.K.; Zhai, Z.Q.; Li, Y.L.; Duan, H.W.; Cai, F.J.; Lv, J.D.; Zhang, R.Y. Design and research of residual film pollution monitoring system based on UAV. Comput. Electron. Agric. 2024, 217, 108608. [Google Scholar] [CrossRef]
- Rochman, C.M. Microplastics research—From sink to source. Science 2018, 360, 28–29. [Google Scholar] [CrossRef]
- Jin, W.; Liu, J.Y.; Xu, C.B.; Zhang, X.J.; Bai, S.H. Design, simulation and experimentation of a polythene film debris recovery machine in soil. Appl. Sci. 2022, 12, 1366. [Google Scholar] [CrossRef]
- Xie, J.H.; Zhang, Y.H.; Cao, S.L.; Zhang, Y.; Zhou, J.B.; Meng, Q.H. Design and experiment of stalk pressing type cotton field mulch film collectors. Trans. Chin. Soc. Agric. Eng. 2023, 39, 51–63. [Google Scholar] [CrossRef]
- Peng, Q.J.; Li, K.K.; Wang, X.Y.; Zhang, G.H.; Kang, J.M. Design and test of stripping and impurity removal device for spring-tooth residual plastic film collector. Agriculture 2023, 13, 42. [Google Scholar] [CrossRef]
- Wang, F.; Dai, F.; Zhang, F.W.; Song, X.F.; Shi, R.J.; Zhao, W.Y.; Ma, H.J. Simulation analysis and test on the effect of picking up the residual film of typical film lifting parts. Agronomy 2023, 13, 488. [Google Scholar] [CrossRef]
- Liu, J.B.; Zheng, X.; Zhao, Y.; Liu, X.A.; Ge, S.L. Design and experiment of a new rod-tooth-roller’ plastic film residue collector. Agric. Res. Arid Areas 2017, 35, 300–306. [Google Scholar] [CrossRef]
- Liu, X.L.; Zhao, W.Y.; Zhang, H.; Wang, G.P.; Sun, W.; Dai, F.; Li, H.; Xin, S.L. Design and experiment of an upper-side-discharge straw-returning and bundle self-unloading integrated corn residual film recycling machine. Int. J. Agric. Biol. Eng. 2023, 16, 61–70. [Google Scholar] [CrossRef]
- Cao, S.L.; Xie, J.H.; Wang, H.Z.; Yang, Y.X.; Zhang, Y.H.; Zhou, J.B.; Wu, S.H. Design and operating parameters optimization of the hook-and-tooth chain rail type residual film picking device. Agriculture 2022, 12, 1717. [Google Scholar] [CrossRef]
- Dong, J.H.; Wang, J.; Bi, X.S.; Zheng, Y.J.; Wang, G.H.; Wang, J.K.; Chen, Y.; Jia, J. Analysis and test of clamp conveying type residual film recycling and film impurity separation mechanism. Processes 2022, 10, 1816. [Google Scholar] [CrossRef]
- Kou, J.L.; Wang, J.K.; Wang, L.; Zhao, Y.M. Integrating clamping finger-chain residual film recycling and straw crushing return to cotton field. Trans. Chin. Soc. Agric. Eng. 2023, 39, 14–22. [Google Scholar] [CrossRef]
- Cao, S.L.; Xie, J.H.; Yang, Y.X.; Liu, Y.R.; Lu, Y.T.; Sun, B. Design and experiment of side row cotton straw returning and residual film recovery combined machine. J. Jilin Univ. Eng. Technol. Ed. 2023, 53, 1514–1528. [Google Scholar] [CrossRef]
- Xie, J.H.; Yang, Y.X.; Cao, S.L.; Zhang, Y.; Zhou, Y.B.; Ma, W.B. Design and experiments of rake type surface residual film recycling machine with guide chain. Trans. Chin. Soc. Agric. Eng. 2020, 36, 76–86. [Google Scholar] [CrossRef]
- Shi, Z.L.; Zhang, X.J.; Cheng, J.P.; Zhou, X.C.; Zhang, C.S. Design and test of film transfer and unloading device of vertical double-row chain residual film recycling machine. Agric. Res. Arid Areas 2023, 41, 257–265. [Google Scholar]
- Yang, S.M.; Yan, L.M.; Mo, Y.S.; Chen, X.G.; Zhang, H.M.; Jiang, D.L. Design and experiment on collecting device for profile modeling residual plastic film collector. Trans. Chin. Soc. Agric. Mach. 2018, 49, 109–115, 164. [Google Scholar] [CrossRef]
- Jiang, D.L.; Chen, X.G.; Yan, L.M.; Mo, Y.S.; Yang, S.M.; Wang, Z.Y. Optimization of working parameters of cleaning system for master-slave residual plastic film recovery machine. Trans. Chin. Soc. Agric. Eng. 2019, 35, 1–10. [Google Scholar] [CrossRef]
- Wang, D.W.; Wang, Z.H.; Zhang, J.Z.; Lv, T.B.; Zhou, B.; Li, W.H. Effects of drip tape modes on machine-harvest cotton growth and soil water, heat and salt distribution in Northern Xinjiang of China. Trans. Chin. Soc. Agric. Eng. 2022, 38, 76–86. [Google Scholar] [CrossRef]
- Wang, M.M.; Lv, T.B.; He, X.L.; Cao, Y.B.; Wang, D.W. Effects of drip-irrigated planting modes on soil water, temperature, salt and cotton growth. Agric. Res. Arid. Areas 2018, 36, 176–186. [Google Scholar]
- Creery, L.C. Speed and Load Estimation of Chain Drive Using Extended Kalman Filter and Artificial Neural Networks. Master’s Thesis, University of Arizona, Tucson, AZ, USA, 2023. [Google Scholar]
- Chen, X.B.; Zhang, H.; Liu, Y.; Wang, J.Y.; Song, J.Q. Influence on polygon effect with characteristic parameters of guide arc branch of the crawler robot. Int. J. Heavy Veh. Syst. 2024, 31, 32–48. [Google Scholar] [CrossRef]
- Pu, L.G.; Chen, G.D.; Wu, L.Y. Mechanical Design; Higher Education Press: Beijing, China, 2019; p. 156. [Google Scholar]
- Liu, C.; Hu, B.; Luo, X.; Guo, M.Y.; Li, Z.Y.; He, Z.X.; Chen, Z.L.; Xie, Y.Y. Design and test of residual film recovery machine based on drum elastic tooth film lifting mechanism. J. Gansu Agric. Univ. 2022, 57, 230–239. [Google Scholar] [CrossRef]
- Jiang, D.L.; Chen, X.G.; Yan, L.M.; Yang, J.C.; Li, Y. Mechanical and friction properties of agricultural plastic film during autumn harvest period of cotton in Xinjiang, China. Environ. Sci. Pollut. Res. 2023, 30, 89238–89252. [Google Scholar] [CrossRef] [PubMed]
- Liang, R.Q. Study on the Cutting Characteristics of Residual Film and Impurities for Machine Harvesting in Cotton Field with Multi-Edge Tooth Cutter. Doctoral Dissertation, Shihezi University, Shihezi, China, 2022. [Google Scholar]
- Xu, H.B.; Hu, Z.C.; Wu, F.; Gu, F.W.; Yu, Z.Y. Contrastive analysis and experiment of conveying mode for chain-tooth plastic film residue collector. J. Agric. Mech. Res. 2017, 5, 12–20. [Google Scholar]
- Yang, S.M. Design and Key Technology Research of Passive Cotton Field Residual Plastic Film Recycling Machine. Doctoral Dissertation, Jilin University, Changchun, China, 2020. [Google Scholar]
- Yang, S.M.; Chen, X.G.; Yan, L.M.; Jiang, D.L. Performance of three different spades for residual plastic film recycling machine. Appl. Eng. Agric. 2020, 36, 187–195. [Google Scholar] [CrossRef]
- GB/T 25412-2021; Farm Waste Film-Pick Up Machines. Standards Press of China: Beijing, China, 2021.
- Lin, J.; Zhang, T.J.; Tian, Y.; Gao, W.Y.; Qi, L.; Li, B.F. Optimization and experiment on bionic deep-buried device for returning straw in field. Trans. Chin. Soc. Agric. Mach. 2018, 49, 50–59, 67. [Google Scholar] [CrossRef]
- Fang, F.; Xu, K.Y.; Luo, Z.Y.; Chen, Y. Optimization of aqueous enzymatic extraction of kiwi-fruit seed oil by quadratic regression orthogonal design. J. Chin. Cereals Oils Assoc. 2013, 28, 55–59. [Google Scholar] [CrossRef]
















| Factor Coding | Operating Speed (X1/km·h−1) | Pickup-Nail-Teeth Spacing (X2/mm) | Depth of Film Shovel into Soil (X3/mm) | Distance between Tip of Film Shovel and Center of Picking Drum (X4/mm) |
|---|---|---|---|---|
| −2 | 4 | 57.15 | 30 | 110 |
| −1 | 5 | 114.3 | 35 | 120 |
| 0 | 6 | 171.45 | 40 | 130 |
| 1 | 7 | 228.6 | 45 | 140 |
| 2 | 8 | 285.75 | 50 | 150 |
| No. | Factors | Response Values | |||||
|---|---|---|---|---|---|---|---|
| X1 | X2 | X3 | X4 | Y1 | Y2 | Y3 | |
| 1 | −1 | −1 | −1 | −1 | 91.92 | 13.13 | 20.528 |
| 2 | 1 | −1 | −1 | −1 | 89.28 | 14.31 | 22.642 |
| 3 | −1 | 1 | −1 | −1 | 87.96 | 11.22 | 19.727 |
| 4 | 1 | 1 | −1 | −1 | 88.73 | 10.03 | 19.332 |
| 5 | −1 | −1 | 1 | −1 | 92.14 | 13.64 | 21.045 |
| 6 | 1 | −1 | 1 | −1 | 89.51 | 14.83 | 24.207 |
| 7 | −1 | 1 | 1 | −1 | 88.79 | 9.74 | 21.745 |
| 8 | 1 | 1 | 1 | −1 | 89.65 | 10.53 | 21.752 |
| 9 | −1 | −1 | −1 | 1 | 90.83 | 12.53 | 20.737 |
| 10 | 1 | −1 | −1 | 1 | 88.09 | 13.72 | 23.552 |
| 11 | −1 | 1 | −1 | 1 | 87.67 | 10.61 | 18.737 |
| 12 | 1 | 1 | −1 | 1 | 87.74 | 8.93 | 19.045 |
| 13 | −1 | −1 | 1 | 1 | 88.75 | 12.94 | 22.155 |
| 14 | 1 | −1 | 1 | 1 | 85.92 | 14.14 | 25.125 |
| 15 | −1 | 1 | 1 | 1 | 85.68 | 9.04 | 22.252 |
| 16 | 1 | 1 | 1 | 1 | 86.46 | 10.31 | 20.162 |
| 17 | −2 | 0 | 0 | 0 | 85.21 | 14.41 | 20.218 |
| 18 | 2 | 0 | 0 | 0 | 83.17 | 16.54 | 22.678 |
| 19 | 0 | −2 | 0 | 0 | 87.59 | 15.21 | 23.962 |
| 20 | 0 | 2 | 0 | 0 | 86.17 | 7.51 | 19.332 |
| 21 | 0 | 0 | −2 | 0 | 89.11 | 10.12 | 20.972 |
| 22 | 0 | 0 | 2 | 0 | 88.46 | 11.62 | 24.625 |
| 23 | 0 | 0 | 0 | −2 | 94.12 | 12.33 | 22.482 |
| 24 | 0 | 0 | 0 | 2 | 86.55 | 9.43 | 22.507 |
| 25 | 0 | 0 | 0 | 0 | 91.35 | 10.14 | 21.375 |
| 26 | 0 | 0 | 0 | 0 | 92.81 | 9.53 | 20.415 |
| 27 | 0 | 0 | 0 | 0 | 92.54 | 9.64 | 21.280 |
| 28 | 0 | 0 | 0 | 0 | 91.13 | 10.35 | 21.232 |
| 29 | 0 | 0 | 0 | 0 | 92.57 | 9.54 | 21.357 |
| 30 | 0 | 0 | 0 | 0 | 91.51 | 10.52 | 20.592 |
| 31 | 0 | 0 | 0 | 0 | 92.66 | 9.83 | 20.565 |
| 32 | 0 | 0 | 0 | 0 | 93.18 | 9.21 | 20.572 |
| 33 | 0 | 0 | 0 | 0 | 93.39 | 9.39 | 21.182 |
| 34 | 0 | 0 | 0 | 0 | 92.84 | 9.94 | 21.240 |
| 35 | 0 | 0 | 0 | 0 | 92.62 | 9.54 | 19.822 |
| 36 | 0 | 0 | 0 | 0 | 93.03 | 10.04 | 21.392 |
| Source | Y1 | Y2 | Y3 | ||||||
|---|---|---|---|---|---|---|---|---|---|
| Sum of Squares | F Value | p Value | Sum of Squares | F Value | p Value | Sum of Squares | F Value | p Value | |
| Model | 260.23 | 21.24 | <0.0001 ** | 160.68 | 41.11 | <0.0001 ** | 77.19 | 15.83 | <0.0001 ** |
| X1 | 6.45 | 7.37 | 0.013 * | 2.81 | 10.06 | 0.0046 * | 7.95 | 22.82 | 0.0001 ** |
| X2 | 11.48 | 13.12 | 0.0016 ** | 81.51 | 292.01 | <0.0001 ** | 29.26 | 84.02 | <0.0001 ** |
| X3 | 1.83 | 2.09 | 0.1634 | 0.5673 | 2.03 | 0.1687 | 19.17 | 55.05 | <0.0001 ** |
| X4 | 42.61 | 48.68 | <0.0001 ** | 5.05 | 18.09 | 0.0004 ** | 0.0292 | 0.0838 | 0.775 |
| X1X2 | 11.09 | 12.67 | 0.0019 ** | 1.94 | 6.95 | 0.0155 * | 10.94 | 31.42 | <0.0001 ** |
| X1X3 | 0.0324 | 0.037 | 0.8493 | 1.53 | 5.49 | 0.0291 * | 0.0393 | 0.1129 | 0.7402 |
| X1X4 | 0.0729 | 0.0833 | 0.7757 | 6.25 × 10−6 | 0 | 0.9963 | 0.049 | 0.1406 | 0.7115 |
| X2X3 | 0.3249 | 0.3712 | 0.5489 | 0.5738 | 2.06 | 0.1664 | 0.9985 | 2.87 | 0.1052 |
| X2X4 | 0.1764 | 0.2015 | 0.6581 | 0.0002 | 0.0006 | 0.9813 | 1.9 | 5.44 | 0.0297 * |
| X3X4 | 5.9 | 6.75 | 0.0168 * | 0.0218 | 0.0779 | 0.7828 | 0.076 | 0.2183 | 0.6451 |
| X12 | 112.93 | 129.01 | <0.0001 ** | 59.92 | 214.67 | <0.0001 ** | 0.0125 | 0.0358 | 0.8517 |
| X22 | 46.55 | 53.18 | <0.0001 ** | 3.69 | 13.23 | 0.0015 ** | 0.1545 | 0.4437 | 0.5126 |
| X32 | 17.04 | 19.47 | 0.0002 ** | 1.51 | 5.41 | 0.0302 * | 4.09 | 11.74 | 0.0025 ** |
| X42 | 3.75 | 4.28 | 0.051 | 1.54 | 5.53 | 0.0285 * | 2.53 | 7.27 | 0.0135 * |
| Residual | 18.38 | 5.86 | 7.31 | ||||||
| Lack of Fit | 12.42 | 2.29 | 0.0949 | 4.1 | 2.56 | 0.0698 | 4.48 | 1.74 | 0.1888 |
| Pure Error | 5.96 | 1.76 | 2.83 | ||||||
| Cor Total | 278.61 | 166.54 | 84.5 | ||||||
| R2 | 0.9340 | 0.9648 | 0.9135 | ||||||
| R2adj | 0.8900 | 0.9413 | 0.8558 | ||||||
| C.V | 1.04 | 4.70 | 2.76 | ||||||
Disclaimer/Publisher’s Note: The statements, opinions and data contained in all publications are solely those of the individual author(s) and contributor(s) and not of MDPI and/or the editor(s). MDPI and/or the editor(s) disclaim responsibility for any injury to people or property resulting from any ideas, methods, instructions or products referred to in the content. |
© 2024 by the authors. Licensee MDPI, Basel, Switzerland. This article is an open access article distributed under the terms and conditions of the Creative Commons Attribution (CC BY) license (https://creativecommons.org/licenses/by/4.0/).
Share and Cite
Jiang, D.; Chen, X.; Yan, L.; Zhang, J.; Wu, T.; Fu, X. Design and Testing of Friction-Type Nail-Tooth-Chain-Plate Residual-Film-Picking System. Agriculture 2024, 14, 512. https://doi.org/10.3390/agriculture14040512
Jiang D, Chen X, Yan L, Zhang J, Wu T, Fu X. Design and Testing of Friction-Type Nail-Tooth-Chain-Plate Residual-Film-Picking System. Agriculture. 2024; 14(4):512. https://doi.org/10.3390/agriculture14040512
Chicago/Turabian StyleJiang, Deli, Xuegeng Chen, Limin Yan, Jinhao Zhang, Tao Wu, and Xuanhe Fu. 2024. "Design and Testing of Friction-Type Nail-Tooth-Chain-Plate Residual-Film-Picking System" Agriculture 14, no. 4: 512. https://doi.org/10.3390/agriculture14040512
APA StyleJiang, D., Chen, X., Yan, L., Zhang, J., Wu, T., & Fu, X. (2024). Design and Testing of Friction-Type Nail-Tooth-Chain-Plate Residual-Film-Picking System. Agriculture, 14(4), 512. https://doi.org/10.3390/agriculture14040512
